Например TDA7294

Форум РадиоКот • Просмотр темы - Как подавить искру на контактах реле?
Форум РадиоКот
Здесь можно немножко помяукать :)

Текущее время: Пт янв 23, 2026 17:43:52

Часовой пояс: UTC + 3 часа


ПРЯМО СЕЙЧАС:



Начать новую тему Ответить на тему  [ Сообщений: 13 ] 
Автор Сообщение
Не в сети
 Заголовок сообщения: Как подавить искру на контактах реле?
СообщениеДобавлено: Вт июн 04, 2024 07:16:39 
Родился

Зарегистрирован: Вт дек 22, 2020 10:47:01
Сообщений: 8
Рейтинг сообщения: 0
Изображение
Доброго! Уважаемые коты! кто подскажет, как подавить искру контактов реле на данной схеме? Желательно без утечки тока. Вроде как-то можно с помощью варистора, но непонятно какого номинала. Реле 40А, питание 220в, катушка не звонится


Вернуться наверх
 
Не в сети
 Заголовок сообщения: Re: Как подавить искру на контактах реле?
СообщениеДобавлено: Вт июн 04, 2024 07:58:23 
Вымогатель припоя
Аватар пользователя

Карма: 1
Рейтинг сообщений: 129
Зарегистрирован: Вт мар 03, 2015 20:13:46
Сообщений: 617
Откуда: рядом с "не резиновой" живу в деревне
Рейтинг сообщения: 0
Чем мешает искра от мотора 250вт - она не в состоянии причинить боль реле с контактами аж 40а.
Маленький конденсатор последовательно с резистором значительной утечки не вызовет, но искру уменьшит.
Если уж совсем нужно избежать искры, то есть вариант городить схему с симистором который будет включен параллельно контактам - в пром электронике такое встречается. То же ничесебе загон..
В данной схеме в двойном виде конечно.
Ну и самый загонный -перейти на частотник - в таких мощностях не смертельно по цене, если прям сильно нужно.
С варисторами не думаю, что имеет смысл пытаться - не то пальто.


Вернуться наверх
 
Не в сети
 Заголовок сообщения: Re: Как подавить искру на контактах реле?
СообщениеДобавлено: Вт июн 04, 2024 08:49:34 
Собутыльник Кота

Карма: 48
Рейтинг сообщений: 895
Зарегистрирован: Чт июн 26, 2014 00:04:37
Сообщений: 2980
Рейтинг сообщения: 0
Мгновенный реверс так не делается, нужно две релюхи с блокировками. А тут, если переключать на ходу K1, то по горящей дуге происходит замыкание конденсатора на дуговой промежуток.

_________________
Обновления, документация, схемы и прошивки Восьмикрута - yandex
Обновления, документация, схемы и прошивки Восьмикрута - google
Видео ролики YouTube RuTube Дзен


Вернуться наверх
 
Не в сети
 Заголовок сообщения: Re: Как подавить искру на контактах реле?
СообщениеДобавлено: Вт июн 04, 2024 10:19:05 
Вымогатель припоя
Аватар пользователя

Карма: 1
Рейтинг сообщений: 129
Зарегистрирован: Вт мар 03, 2015 20:13:46
Сообщений: 617
Откуда: рядом с "не резиновой" живу в деревне
Рейтинг сообщения: 0
DC-AC писал(а):
Мгновенный реверс так не делается

Это с чегойта не делается.. делают причем много лет к ряду причем довольно известные производители пром оборудования.. более того ещё и скорость регулируют резистором в цепи двигла на вентиляторной нагрузке если что..
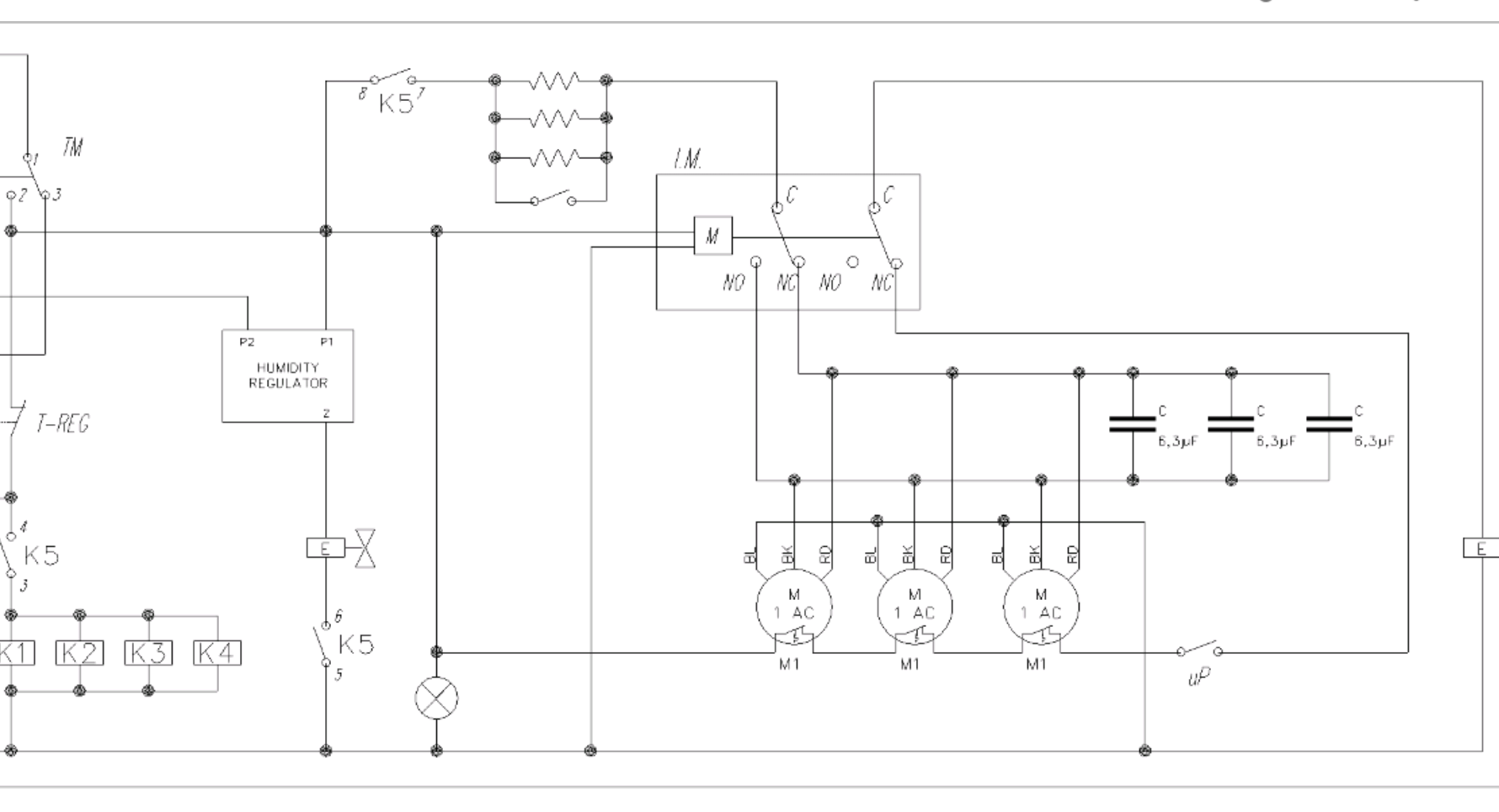
На картинке из аттача именно такой вариант - контактная группа паралельно резисторам это выключатель понижения скорости...таки да - не пофеншую, а по дешману..
но ведь работает 24*7 аднака на тысячах многих девайсов.
Да ещё и реверс каждые пару минут.. Единственное паузу до остановки стали выдерживать в свежих модедях. но раньше как на картинке -- и ее не было - не тормозили вообще, а сразу мгновенным реверсом..


Вложения:
Screenshot_20240604101417.png [104.73 KiB]
Скачиваний: 117
Вернуться наверх
 
Эиком - электронные компоненты и радиодетали
Не в сети
 Заголовок сообщения: Re: Как подавить искру на контактах реле?
СообщениеДобавлено: Вт июн 04, 2024 11:57:09 
Сверлит текстолит когтями

Зарегистрирован: Вт ноя 19, 2019 06:10:18
Сообщений: 1270
Рейтинг сообщения: 0
foxalex22 писал(а):
как подавить искру контактов реле на данной схеме?

Ищи по ключевому слову "снаббер".


Вернуться наверх
 
Не в сети
 Заголовок сообщения: Re: Как подавить искру на контактах реле?
СообщениеДобавлено: Вт июн 04, 2024 12:16:56 
Собутыльник Кота

Карма: 48
Рейтинг сообщений: 895
Зарегистрирован: Чт июн 26, 2014 00:04:37
Сообщений: 2980
Рейтинг сообщения: 0
Energizer-A писал(а):
делают причем много лет к ряду

Можно предположить, что дешман и просто пофигу, энергии в конденсаторах мало, не выгорает и хрен с ним. Но я не знаю алгоритма. А должно быть так - сначала отключить K5, потом уже без дуги переключиться на реверс и включить K5. Но непонятно, т.к. К5 запитан от туда-же, откуда и катушка М? Хрень какая-то, если на M питания нет, то оно и на мотор не пойдёт. Как он на реверс-то включится? Всю схему не видно.

_________________
Обновления, документация, схемы и прошивки Восьмикрута - yandex
Обновления, документация, схемы и прошивки Восьмикрута - google
Видео ролики YouTube RuTube Дзен


Вернуться наверх
 
Не в сети
 Заголовок сообщения: Re: Как подавить искру на контактах реле?
СообщениеДобавлено: Вт июн 04, 2024 12:31:15 
Друг Кота
Аватар пользователя

Карма: 107
Рейтинг сообщений: 3816
Зарегистрирован: Пн фев 09, 2009 22:19:49
Сообщений: 24665
Откуда: Когда-то был прекрасный город для людей
Рейтинг сообщения: 0
Во-первых, так и положено делать по правилам грамотной электротехники, а во-вторых - искра на нем все равно будет.

Уменьшить искропреобразование конденсатор ,конечно, поможет - но по правилам, оборудование положено отключать ГАЛЬВАНИЧЕСКИ, а наличие конденсатора, пусть и с сопротивлением, этому требованию НЕ СООТВЕТСТВУЕТ.

Так что если не хочешь на лесоповал ехать, отойди от станка...


Вернуться наверх
 
Не в сети
 Заголовок сообщения: Re: Как подавить искру на контактах реле?
СообщениеДобавлено: Вт июн 04, 2024 14:26:43 
Вымогатель припоя
Аватар пользователя

Карма: 1
Рейтинг сообщений: 129
Зарегистрирован: Вт мар 03, 2015 20:13:46
Сообщений: 617
Откуда: рядом с "не резиновой" живу в деревне
Рейтинг сообщения: 0
Тс показал явно очевидно только часть схемы - без входного вырубайтера, фильтра .. что делать с фазой в рамках разумности дело личное и к лесоповалу не имеет ровно никакого.
По поводу фрагмента схемы что аттачил - это итальянское пром оборудование .. но к сожалению макаронники никогда не слышали про ЕСКД - их тех доки рисует какая-то недоученная школота, дешёвым оборудку назвать нельзя - шкафчик утеплённый с вентиляторами и тенами пусть даже со стеклянной дверцей за 350 рублей нифига не дёшево..притом продают тысячами штук в год. - к сути K5 это контактор включения в рабочий режим с блокировкой от двери и управления c выбора режима - включается один раз в начале несколько часового цикла - реверсится мотор постоянно раз в пару минут на всем протяжении жизни. хотите посмотреть на тех док и обомлеть - да не вопрос - https://disk.yandex.ru/i/uABFif8A6ZeiIA

Псы правда не пойму кому мешают искры на реле.. но если вдруг сильно мешают решение поставить симисторы или перейти на частотник вполне решат проблему.. или создадут новую :)))


Вернуться наверх
 
Не в сети
 Заголовок сообщения: Re: Как подавить искру на контактах реле?
СообщениеДобавлено: Вт июн 04, 2024 15:06:10 
Собутыльник Кота

Карма: 48
Рейтинг сообщений: 895
Зарегистрирован: Чт июн 26, 2014 00:04:37
Сообщений: 2980
Рейтинг сообщения: 0
Там IM - Reversing Gear - это не обычное реле с переключающимся контактом, а специальное. Моторчик стоит (он и на схеме обозначен M) с каким-то механизмом, я не знаю каким, и вращаясь оно задаёт реверсирование вентиляторов. Сначала рвёт цепь, дуга гаснет, а потом замыкает на реверс и так по кругу. Всё там норм. сделано.

Я предполагаю, что у ТС выгорает контакт на реле, вот он и хочет искру убрать. Почему может выгорать, я сказал. Если поставить два пускателя с блокировкой, как положено, то искра будет, но выгорать не будет (не будет замыкание конденсатора дугой, она будет успевать гаснуть, пока сработает соседнее реле). Если ему надо вообще без искрения, то тут да, нужно переходить на твёрдотельные коммутаторы.

_________________
Обновления, документация, схемы и прошивки Восьмикрута - yandex
Обновления, документация, схемы и прошивки Восьмикрута - google
Видео ролики YouTube RuTube Дзен


Вернуться наверх
 
Не в сети
 Заголовок сообщения: Re: Как подавить искру на контактах реле?
СообщениеДобавлено: Вт июн 04, 2024 15:56:48 
Вымогатель припоя
Аватар пользователя

Карма: 1
Рейтинг сообщений: 129
Зарегистрирован: Вт мар 03, 2015 20:13:46
Сообщений: 617
Откуда: рядом с "не резиновой" живу в деревне
Рейтинг сообщения: 0
DC-AC писал(а):
Сначала рвёт цепь, дуга гаснет, а потом замыкает на реверс и так по кругу.

Совершенно справедливо - моторчик с шестерёнками является таймером реверса. Раньше паузы не было - сейчас сделали - мотор вентилятора перед реверсом успевает почти до конца остановиться до подачи питалова в другую сторону. Но даже сейчас до конца не останавливается - самовыбег слишком долгий иначе будет.


Вернуться наверх
 
Не в сети
 Заголовок сообщения: Re: Как подавить искру на контактах реле?
СообщениеДобавлено: Ср июн 05, 2024 06:37:04 
Родился

Зарегистрирован: Вт дек 22, 2020 10:47:01
Сообщений: 8
Рейтинг сообщения: 0
Тут К1 включается - выключается от радиореле дистанционно (шлагбаум), и да, иногда бывает противоход во время движения. Искра бешеная, такая, что и 40амперные реле залипают, долго не ходят. Но как в данной схеме сделать блокировку от противохода? Непонятно


Вернуться наверх
 
Не в сети
 Заголовок сообщения: Re: Как подавить искру на контактах реле?
СообщениеДобавлено: Ср июн 05, 2024 07:32:17 
Друг Кота
Аватар пользователя

Карма: 107
Рейтинг сообщений: 3816
Зарегистрирован: Пн фев 09, 2009 22:19:49
Сообщений: 24665
Откуда: Когда-то был прекрасный город для людей
Рейтинг сообщения: 0
Удлинить паузу перед включением реверса. Если там механический программатор, то подрезать в соответствующем профиль кулачка.

Если же там используется торможение противовключением двигателя с хода, то фактически - никак. Только поставить более мощное реле.

Или отказаться от него, выключая двигатель с учётомтвремени его выбега по инерции.

Либо добавив электромагнитный тормоз на вал двигателя, как это в лифтах делается.


Вернуться наверх
 
Не в сети
 Заголовок сообщения: Re: Как подавить искру на контактах реле?
СообщениеДобавлено: Ср июн 05, 2024 07:52:14 
Держит паяльник хвостом

Карма: -13
Рейтинг сообщений: 60
Зарегистрирован: Пн май 27, 2024 14:45:54
Сообщений: 974
Рейтинг сообщения: 0
переключающим контактом реле запускать одновибраторы (на 2 или сколько сек), а одновибраторы будут включать уже каждый своё реле выбора направления

_________________
с минусами в моей карме список тех, кого народная мудрость рекомендует обходить стороной...)))


Вернуться наверх
 
Показать сообщения за:  Сортировать по:  Вернуться наверх
Начать новую тему Ответить на тему  [ Сообщений: 13 ] 

Часовой пояс: UTC + 3 часа


Кто сейчас на форуме

Сейчас этот форум просматривают: нет зарегистрированных пользователей и гости: 10


Вы не можете начинать темы
Вы не можете отвечать на сообщения
Вы не можете редактировать свои сообщения
Вы не можете удалять свои сообщения
Вы не можете добавлять вложения

Найти:
Перейти:  


Powered by phpBB © 2000, 2002, 2005, 2007 phpBB Group
Русская поддержка phpBB
Extended by Karma MOD © 2007—2012 m157y
Extended by Topic Tags MOD © 2012 m157y