Например TDA7294

Форум РадиоКот • Просмотр темы - Электролитические конденсаторы в качестве пусковых?
Форум РадиоКот
Здесь можно немножко помяукать :)

Текущее время: Ср фев 18, 2026 03:54:02

Часовой пояс: UTC + 3 часа


ПРЯМО СЕЙЧАС:



Начать новую тему Ответить на тему  [ Сообщений: 11 ] 
Автор Сообщение
Не в сети
 Заголовок сообщения: Электролитические конденсаторы в качестве пусковых?
СообщениеДобавлено: Сб мар 29, 2025 14:48:37 
Встал на лапы
Аватар пользователя

Карма: 3
Рейтинг сообщений: 17
Зарегистрирован: Чт апр 28, 2016 22:33:47
Сообщений: 96
Откуда: ARPA Internet
Рейтинг сообщения: 0
В продолжение вот этой статьи. Давайте поделимся своим опытом и поможем kamuta правильно подключить электролиты в роли пусковых конденсаторов для асинхронного двигателя! :))
Конечно, самое простое (и ненадёжное) решение напрашивается - включить два одинаковых электролита встречно последовательно, как это нередко делают в дешёвой кетайской акустике.
Изображение
Предполагается, что при обратной полярности напряжения кондёр будет работать хоть паршивеньким, но диодом наверно всё-таки не диодом, а...варистором, что-ли, и потенциал сети приложится к другому кондёру. Таким образом, можно считать, что ёмкость полученной сборки равна или чуть меньше меньше в 2 раза, чем ёмкость одного кондёра.
Но, пожалуй, для пускового конденсатора работать с обратными токами не стоит. Не в курсе, сколько там ампер на запуске у двигателя обычно бывает, но оксидной плёнке в кондёрах, даже низкоимпедансных, вряд ли такое понравится.

_________________
Хоронили кваку - порвали три Rocket Launcherа.©


Вернуться наверх
 
Не в сети
 Заголовок сообщения: Re: Электролитические конденсаторы в качестве пусковых?
СообщениеДобавлено: Сб мар 29, 2025 15:31:36 
Опытный кот

Зарегистрирован: Вс мар 23, 2025 14:56:55
Сообщений: 700
Рейтинг сообщения: 0
А для начала предлагаю забыть сочетание букв "кондёр"


Вернуться наверх
 
Не в сети
 Заголовок сообщения: Re: Электролитические конденсаторы в качестве пусковых?
СообщениеДобавлено: Сб мар 29, 2025 15:52:45 
Встал на лапы
Аватар пользователя

Карма: 3
Рейтинг сообщений: 17
Зарегистрирован: Чт апр 28, 2016 22:33:47
Сообщений: 96
Откуда: ARPA Internet
Рейтинг сообщения: 0
А для начала предлагаю забыть сочетание букв "кондёр"

Ни за что! Профессиональный жаргон сленг - это наше всё! :)))

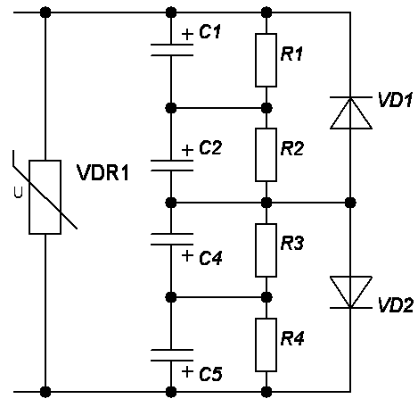
А теперь ближе к теме: попробуем улучшить схему, насколько это возможно. Предлагаю сделать это вот так:
Изображение
Как видно, здесь добавлено два диода, которые, по крайней мере, примут на себя максимальный импульс тока в момент зарядки кондёров. Не совсем понятно, сколько там у автора было напряжение в сети, но, наверно, каких-нибудь Д112-25-12 будет достаточно? По крайней мере, для кратковременного режима.
Из-за этой неопределённости с напряжением также непонятно, какие же кондёры брать и в каком количестве? У автора написано "600В"...это о чём? Неужели сетевое напряжение? Может всё-таки в розетке были стандартные 380 400В, либо 220 230В?
ладно, предположим, что 600В. Тогда, как нас учит теория, амплитудное напряжение будет в корень из 2 раз выше, т.е. где-то 848В. Но, как известно, массовых электролитов на такое напряжение даже заморская промышленность не делает! Придётся включить попарно-последовательно кондёры на более типичное 450В. Не будем забывать про разброс в их параметрах, как по ёмкости, так и по собственным утечкам. И поэтому для выравнивания потенциалов придётся добавить резюков R1...R4. На практике, чтобы получить приемлемый дисбалланс между кондёрами в пару десятков вольт максимум, мне хватало поставить резюки где-то 100...150 кОм. Но если кто знает более теоретически обоснованную методику их выбора - напишите в комментариях. Учитывая рассеиваемую мощность и напряжение, рекомендую брать их минимум на 2 Ватта каждый.
И ещё, автор что-то говорил о выбросах напряжения? Не следует ли в таком случае добавить какой-нибудь пузатый варистор, для их поглощения? На схеме не по-ГОСТ-овски названный VDR1.

_________________
Хоронили кваку - порвали три Rocket Launcherа.©


Вернуться наверх
 
Не в сети
 Заголовок сообщения: Re: Электролитические конденсаторы в качестве пусковых?
СообщениеДобавлено: Сб мар 29, 2025 16:02:52 
Друг Кота
Аватар пользователя

Карма: 182
Рейтинг сообщений: 8337
Зарегистрирован: Пт фев 04, 2011 17:57:51
Сообщений: 20109
Откуда: Рыбинск
Рейтинг сообщения: 0
Медали: 1
Лучший человек Форума 2017 (1)
Один пусковой пленочный конденсатор соответствующей емкости будет многократно надежней и дешевле всего этого трахомудия... :sleep: Высоковольтные ширпотребные электролиты не рассчитаны на большие токи пульсации и у них легко отгорают тоководы.


Вернуться наверх
 
Эиком - электронные компоненты и радиодетали
Не в сети
 Заголовок сообщения: Re: Электролитические конденсаторы в качестве пусковых?
СообщениеДобавлено: Сб мар 29, 2025 16:10:35 
Встал на лапы
Аватар пользователя

Карма: 3
Рейтинг сообщений: 17
Зарегистрирован: Чт апр 28, 2016 22:33:47
Сообщений: 96
Откуда: ARPA Internet
Рейтинг сообщения: 0
Один пусковой пленочный конденсатор соответствующей емкости будет многократно надежней и дешевле всего этого трахомудия... :sleep: Высоковольтные ширпотребные электролиты не рассчитаны на большие токи пульсации и у них легко отгорают тоководы.

Это всё тоже понятно. Но, допустим, у автора была только кучка старых электролитов из комповских блоков питания, оттуда же диодный мост и пол часа времени на то, чтобы хоть как-то раскрутить этот чертов движок. :evil: Можем ли мы в таком случае помочь ему?
Предлагаю "нищебродский" вариант:
Изображение
Как видно, выравнивающие резисторы мы выкинули, ибо считаем, что у нас их нет. Электролиты наверняка будут на 400В, так что их всё равно в некоторой степени перегрузит...но всё же не в такой, как если бы мы включили их по одному в каждое плечо.
Кстати, понятное дело, что в этом, что в предыдущем случае, мы имеет 4 ёмкости, включенные последовательно. А значит, если у одной банки номинальная ёмкость была 470 мкФ, у сборки мы получим в 4 раза меньше, т.е. всего лишь 117 мкФ.

_________________
Хоронили кваку - порвали три Rocket Launcherа.©


Вернуться наверх
 
В сети
 Заголовок сообщения: Re: Электролитические конденсаторы в качестве пусковых?
СообщениеДобавлено: Сб мар 29, 2025 18:06:01 
Друг Кота
Аватар пользователя

Карма: 59
Рейтинг сообщений: 2241
Зарегистрирован: Чт янв 26, 2012 16:44:29
Сообщений: 19886
Откуда: Таксимо
Рейтинг сообщения: 0
Ну как вариант да, только с толстыми выводами надо электролиты и может даже несколько в паралель. Делал на циркулярку столет назад, пока с магазина не приехал оригинальный пусковой. А можно искусственно поляризацию им еще сделать, имхо получше будут работать

Добавлено after 44 minutes 54 seconds:
Статью почитал щас только. Это на первое апреля статья. Класс!!!

_________________
Мои поставщики запчастей с отличной репутацией
texnomag.ru
radioremont.com
pl-1.org
4ip.info
elitan.ru


Вернуться наверх
 
Не в сети
 Заголовок сообщения: Re: Электролитические конденсаторы в качестве пусковых?
СообщениеДобавлено: Сб мар 29, 2025 18:06:29 
Вымогатель припоя
Аватар пользователя

Карма: 6
Рейтинг сообщений: 147
Зарегистрирован: Вт мар 17, 2015 09:34:30
Сообщений: 605
Откуда: Запорожье
Рейтинг сообщения: 0
Мой приятель так включил сверлильный станок с трёхфазным двигателем, просто через два встречно-включённых электролита и спокойно работал на нём в гараже. Грелись при работе, но терпимо. Было это полвека назад, при СССР, пусковые конденсаторы, тогда были в большом дефиците.


Вернуться наверх
 
Не в сети
 Заголовок сообщения: Re: Электролитические конденсаторы в качестве пусковых?
СообщениеДобавлено: Вс мар 30, 2025 13:45:24 
Друг Кота
Аватар пользователя

Карма: 4
Рейтинг сообщений: 341
Зарегистрирован: Ср мар 31, 2010 09:33:22
Сообщений: 4873
Откуда: Владивосток
Рейтинг сообщения: 0
Цитата:
Ну как вариант да, только с толстыми выводами надо электролиты и может даже несколько в паралель.


Ну если только такие , но с током через них не более 2-х ампер .

Изображение


Вложения:
IMG_9135_1.JPG [100.09 KiB]
Скачиваний: 679

_________________
«Когда у общества нет цветовой дифференциации штанов, то нет цели!»

- Позвольте-с вас спросить, почему от вас так отвратительно пахнет?
- Ну, что ж, пахнет... известно. По специальности. Вчера котов душили, душили. (с)
Вернуться наверх
 
Не в сети
 Заголовок сообщения: Re: Электролитические конденсаторы в качестве пусковых?
СообщениеДобавлено: Чт апр 03, 2025 04:54:37 
Опытный кот

Карма: -5
Рейтинг сообщений: 99
Зарегистрирован: Ср янв 02, 2013 21:32:54
Сообщений: 878
Рейтинг сообщения: 0
В СССР для точила 300вт пусковым применил такой конденсатор.
https://b.itemimg.com/i/300719724.0.jpg
Из телевизора.
Применять было удобно.Один корпус и как раз два нужных вывода торчит.
На 20 лет достаточно интенсивной эксплуатации хватило.
В конце концов просто сгнил.
Но все стало по другому и в точиле уже пусковой пленочный конденсатор.

Из статьи можно сделать вывод.
Если собрался в деревню, то возьми с собой конденсаторы.


Вернуться наверх
 
Не в сети
 Заголовок сообщения: Re: Электролитические конденсаторы в качестве пусковых?
СообщениеДобавлено: Ср апр 09, 2025 10:11:58 
Открыл глаза

Зарегистрирован: Сб фев 26, 2022 18:40:54
Сообщений: 60
Рейтинг сообщения: 0
а у меня просто электролит стоит на пуск компрессора и пилорамы ёмкость окололо 150 на 450вольт.иначе непустить.правда кнопка хитроя двойная.нажимаю и держу для пуска,пока держу работает через электролит,как запустился отпускаю кнопку и двигатель работает через плёночный.вторая кнопка стоп.

Добавлено after 4 minutes 26 seconds:
кнопка пнвс 10.


Вернуться наверх
 
Не в сети
 Заголовок сообщения: Re: Электролитические конденсаторы в качестве пусковых?
СообщениеДобавлено: Ср апр 09, 2025 12:56:21 
Открыл глаза
Аватар пользователя

Зарегистрирован: Пн фев 28, 2011 20:04:38
Сообщений: 71
Откуда: Донецк
Рейтинг сообщения: 0
Подтвержу тезис о том, что ширпотребные электролиты для работы в таких узлах не предназначены. В блоках питания они работают с пульсирующим напряжением - токи заряда-разряда небольшие.

Я об это споткнулся когда принесли на ремонт старый трансформаторный полуавтомат сварки - там стояли советские К18 кажется. Вот они по ТТХ и были заявлены для работы в силовых цепях с полным прохождение рабочего тока. Здоровенные. Оно и понятно - там и конструкция с толстыми выводами и обкладки массивнее. Всё-таки ESR на себе мощность выделяет.

Какой-то эрзац силовых электролитов можно, конечно, соорудить параллельной батареей обычных. Что и было сделано. (ибо тоже было нужно быстро и дёшево).


Вернуться наверх
 
Показать сообщения за:  Сортировать по:  Вернуться наверх
Начать новую тему Ответить на тему  [ Сообщений: 11 ] 

Часовой пояс: UTC + 3 часа


Кто сейчас на форуме

Сейчас этот форум просматривают: нет зарегистрированных пользователей и гости: 10


Вы не можете начинать темы
Вы не можете отвечать на сообщения
Вы не можете редактировать свои сообщения
Вы не можете удалять свои сообщения
Вы не можете добавлять вложения

Найти:
Перейти:  


Powered by phpBB © 2000, 2002, 2005, 2007 phpBB Group
Русская поддержка phpBB
Extended by Karma MOD © 2007—2012 m157y
Extended by Topic Tags MOD © 2012 m157y