Например TDA7294

Форум РадиоКот • Просмотр темы - Пробивает симисторы управления мотора
Форум РадиоКот
Здесь можно немножко помяукать :)

Текущее время: Пт янв 16, 2026 05:48:51

Часовой пояс: UTC + 3 часа


ПРЯМО СЕЙЧАС:



Начать новую тему Ответить на тему  [ Сообщений: 26 ]  1,  
Автор Сообщение
Не в сети
 Заголовок сообщения: Пробивает симисторы управления мотора
СообщениеДобавлено: Сб янв 25, 2025 23:11:27 
Родился

Зарегистрирован: Сб янв 25, 2025 21:20:59
Сообщений: 6
Откуда: Рыбинск
Рейтинг сообщения: 0
Доброго ВС.
Помогите,пожалуйста,разобраться,т.к. сами не электронщики и понимающих людей рядом нет.
Имеется мотор,судя по схеме на нём у него 2 обмотки без щёток. управляется он двумя симисторами bta06 600c на каждую обмотку. вращает редуктор в обе стороны,пару секунд,для переключения механизма.
суть проблемы: пробивает симисторы минут через 5 работы. в тестовом режиме работает нормально,но в этом режиме включается либо вперёд либо назад. в рабочем режиме питание подаётся,судя по светодиодам перед оптопарой,сначало на одну обмотку затем включается вторая. моторы меняли,результат тот же.
вот схема,как смог изобразил: Изображение
оптопары moc3041 тоже меняли-ноль эфекта. подскажите что может быть и как проверить


Вернуться наверх
 
Не в сети
 Заголовок сообщения: Re: Пробивает симисторы управления мотора
СообщениеДобавлено: Вс янв 26, 2025 09:14:58 
Друг Кота

Карма: 6
Рейтинг сообщений: 303
Зарегистрирован: Вт авг 26, 2008 14:36:02
Сообщений: 5248
Откуда: москва
Рейтинг сообщения: 0
Надо шунтировать симисторы RC цепочкойх


Вернуться наверх
 
Не в сети
 Заголовок сообщения: Re: Пробивает симисторы управления мотора
СообщениеДобавлено: Вс янв 26, 2025 09:31:36 
Друг Кота
Аватар пользователя

Карма: 59
Рейтинг сообщений: 2222
Зарегистрирован: Чт янв 26, 2012 16:44:29
Сообщений: 19646
Откуда: Таксимо
Рейтинг сообщения: 0
Может еще такое быть что пауза между переключениями маленькая совсем или нет вобще. И одновременно оба включаются тиристора. Как проверить? Хз. Осциллографом наверно. Долдно быть не меньше полного периода

_________________
Мои поставщики запчастей с отличной репутацией
texnomag.ru
radioremont.com
pl-1.org
4ip.info
elitan.ru


Вернуться наверх
 
Не в сети
 Заголовок сообщения: Re: Пробивает симисторы управления мотора
СообщениеДобавлено: Вс янв 26, 2025 09:55:04 
Друг Кота
Аватар пользователя

Карма: 107
Рейтинг сообщений: 3312
Зарегистрирован: Сб фев 11, 2017 15:59:13
Сообщений: 14866
Откуда: 57 RUS
Рейтинг сообщения: 0
Мотор при включении реверса успевает полностью остановится?
Если нет, увеличить интервал времени между отключением питания одной обмотки и подачей питания на вторую обмотку до полной остановки ротора, как вариант добавить например электромагнитный тормоз.

_________________
НАРОДОВЛАСТИЕ а не кланово-олигархическая дерьмократия!!!
Цифровому рабству, навязываемому цифровым олигархатом - НЕТ!


Вернуться наверх
 
Эиком - электронные компоненты и радиодетали
Не в сети
 Заголовок сообщения: Re: Пробивает симисторы управления мотора
СообщениеДобавлено: Вс янв 26, 2025 10:17:52 
Друг Кота
Аватар пользователя

Карма: 107
Рейтинг сообщений: 3814
Зарегистрирован: Пн фев 09, 2009 22:19:49
Сообщений: 24558
Откуда: Когда-то был прекрасный город для людей
Рейтинг сообщения: 0
Моторы меняли на точно такие же, что и исходный ?

И что ещё меняли в установке от изначального варианта ?
Например, в плане модернизации.

И как записывается эта установка?


Вернуться наверх
 
Не в сети
 Заголовок сообщения: Re: Пробивает симисторы управления мотора
СообщениеДобавлено: Вс янв 26, 2025 11:23:14 
Родился

Зарегистрирован: Сб янв 25, 2025 21:20:59
Сообщений: 6
Откуда: Рыбинск
Рейтинг сообщения: 0
Да, моторы такие же. Меряли сопротивление обмоток на всех одно и тоже. Конденцатор на нëм тоже менян, т.к. стоял колхоз из нескольких штук
Мотор, как написано, асинхронный, 15w 0.2A 1200rpm

Добавлено after 6 minutes 57 seconds:
Может еще такое быть что пауза между переключениями маленькая совсем или нет вобще. И одновременно оба включаются тиристора. Как проверить? Хз. Осциллографом наверно. Долдно быть не меньше полного периода

Судя по индикаторам они включаются оба, друг за другом с небольшим промежутком. Возможно что тормозит таким образом


Вернуться наверх
 
Не в сети
 Заголовок сообщения: Re: Пробивает симисторы управления мотора
СообщениеДобавлено: Вс янв 26, 2025 11:26:07 
Собутыльник Кота

Карма: 48
Рейтинг сообщений: 895
Зарегистрирован: Чт июн 26, 2014 00:04:37
Сообщений: 2976
Рейтинг сообщения: 0
vlasovzloy писал(а):
пауза между переключениями маленькая совсем или нет вобще
Скорее так и есть. Если ещё на закрылся один из симисторов и включился второй - они закорачивают собой конденсатор на 1,5мкФ. Пауза нужна, или попробовать поставить резистор ~10Ом 10Вт последовательно одному из симисторов, раз двигатель такой маломощный. В провод который к конденсатору идёт, в любой.

_________________
Обновления, документация, схемы и прошивки Восьмикрута - yandex
Обновления, документация, схемы и прошивки Восьмикрута - google
Видео ролики YouTube RuTube Дзен


Вернуться наверх
 
Не в сети
 Заголовок сообщения: Re: Пробивает симисторы управления мотора
СообщениеДобавлено: Вс янв 26, 2025 11:45:21 
Родился

Зарегистрирован: Сб янв 25, 2025 21:20:59
Сообщений: 6
Откуда: Рыбинск
Рейтинг сообщения: 0
Попробую. На некоторых моторах, почему то, и по два конденсатора навешано по1. 5 каждый. Тут посоветовали поставить bta16 вместо 06- стоит ли?

Добавлено after 7 minutes 5 seconds:
Надо шунтировать симисторы RC цепочкойх

Если не затруднит, объясните как


Вернуться наверх
 
Не в сети
 Заголовок сообщения: Re: Пробивает симисторы управления мотора
СообщениеДобавлено: Вс янв 26, 2025 13:27:39 
Друг Кота
Аватар пользователя

Карма: 96
Рейтинг сообщений: 1500
Зарегистрирован: Вт мар 16, 2010 22:02:27
Сообщений: 15381
Откуда: ДОНЕЦК
Рейтинг сообщения: 0
moc3041 для сети 220 вольт не годится
"... Simplifies Logic Control of 115 Vac Power..." по даташиту.
Обычно ставится МОС3081 - МОС3083
Вложение:
MOC3041_42_43.pdf [295.2 KiB]
Скачиваний: 59

Вложение:
MOC3081_82_83 motorola.PDF [291.9 KiB]
Скачиваний: 47

:roll:


Вернуться наверх
 
Не в сети
 Заголовок сообщения: Re: Пробивает симисторы управления мотора
СообщениеДобавлено: Вс янв 26, 2025 13:47:00 
Родился

Зарегистрирован: Сб янв 25, 2025 21:20:59
Сообщений: 6
Откуда: Рыбинск
Рейтинг сообщения: 0
хз,изначально так собрано,никто не переделывал.

Добавлено after 5 minutes 19 seconds:
может всё таки моторы мёртвые? но как их проверить я незнаю,кроме как померять сопротивление обмоток. мерял на тех что работают-всё тоже самое.


Вернуться наверх
 
Не в сети
 Заголовок сообщения: Re: Пробивает симисторы управления мотора
СообщениеДобавлено: Вс фев 02, 2025 02:16:51 
Встал на лапы
Аватар пользователя

Зарегистрирован: Пн май 21, 2018 17:50:16
Сообщений: 118
Откуда: город Луганск
Рейтинг сообщения: 0
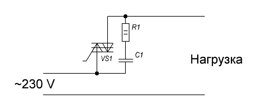
РЦ цепь на рисунке. Параметры её зависят от мощности нагрузки.


Вложения:
рц.JPG [19.74 KiB]
Скачиваний: 88
Вернуться наверх
 
Не в сети
 Заголовок сообщения: Re: Пробивает симисторы управления мотора
СообщениеДобавлено: Вс фев 02, 2025 02:53:34 
Друг Кота
Аватар пользователя

Карма: 26
Рейтинг сообщений: 825
Зарегистрирован: Сб янв 28, 2006 22:47:24
Сообщений: 5818
Рейтинг сообщения: 0
Мотор при включении реверса успевает полностью остановится?

Хороший вопрос. Потому как если реверс происходит до остановки вращения ротора, тогда не то что симисторы, а контакты мощных реле выгорают и залипают.

_________________
Астролябия-сама меряет, было бы что мерять!!!


Вернуться наверх
 
Не в сети
 Заголовок сообщения: Re: Пробивает симисторы управления мотора
СообщениеДобавлено: Ср фев 05, 2025 23:51:00 
Родился

Зарегистрирован: Сб янв 25, 2025 21:20:59
Сообщений: 6
Откуда: Рыбинск
Рейтинг сообщения: 0
Мотор при включении реверса успевает полностью остановится?

Хороший вопрос. Потому как если реверс происходит до остановки вращения ротора, тогда не то что симисторы, а контакты мощных реле выгорают и залипают.

точно не скажу,но думаю что останавливается. он вращает редуктор,который должен остановиться в точном месте. плюс на задней крышке стоят подпружиненные сухари тормозящие ротор.

Добавлено after 3 minutes 39 seconds:
РЦ цепь на рисунке. Параметры её зависят от мощности нагрузки.

а какие номиналы нужны? я в этом полный профан :(

Добавлено after 8 minutes 59 seconds:
замена bta06 на bta16,как посоветовали, результатов не принесла.также пробило.


Вернуться наверх
 
Не в сети
 Заголовок сообщения: Re: Пробивает симисторы управления мотора
СообщениеДобавлено: Ср фев 05, 2025 23:59:45 
Друг Кота
Аватар пользователя

Карма: 59
Рейтинг сообщений: 2222
Зарегистрирован: Чт янв 26, 2012 16:44:29
Сообщений: 19646
Откуда: Таксимо
Рейтинг сообщения: 0
Не мучайся, сделай на реле ас220, с мосов сразу на обмотки

Добавлено after 4 minutes 21 second:
Еще как вариант- поставь на входы мосов замедляющую включение цепочку, но быстро выключающуюся

_________________
Мои поставщики запчастей с отличной репутацией
texnomag.ru
radioremont.com
pl-1.org
4ip.info
elitan.ru


Вернуться наверх
 
Не в сети
 Заголовок сообщения: Re: Пробивает симисторы управления мотора
СообщениеДобавлено: Чт фев 06, 2025 00:08:18 
Родился

Зарегистрирован: Сб янв 25, 2025 21:20:59
Сообщений: 6
Откуда: Рыбинск
Рейтинг сообщения: 0
Не мучайся, сделай на реле ас220, с мосов сразу на обмотки

Добавлено after 4 minutes 21 second:
Еще как вариант- поставь на входы мосов замедляющую включение цепочку, но быстро выключающуюся

вот про рэле тоже была мысля,но,думаю,придётся какую то защиту городить хотябы от КЗ. насчёт замедляющей цепочи- к сожалению это для меня тёмный лес


Вернуться наверх
 
Не в сети
 Заголовок сообщения: Re: Пробивает симисторы управления мотора
СообщениеДобавлено: Чт фев 06, 2025 00:49:47 
Встал на лапы
Аватар пользователя

Зарегистрирован: Пн май 21, 2018 17:50:16
Сообщений: 118
Откуда: город Луганск
Рейтинг сообщения: 0
Посмотрите книгу "Силовая электроника: примеры и расчеты". Ф. Чаки, И. Герман и другие


Вернуться наверх
 
Не в сети
 Заголовок сообщения: Re: Пробивает симисторы управления мотора
СообщениеДобавлено: Чт фев 06, 2025 03:55:03 
Друг Кота
Аватар пользователя

Карма: 59
Рейтинг сообщений: 2222
Зарегистрирован: Чт янв 26, 2012 16:44:29
Сообщений: 19646
Откуда: Таксимо
Рейтинг сообщения: 0
Еще возможно всплески, поставь варисторы параллельно симисторам, например на 500 вольт. Ну и симисторы 800 вольтовые

_________________
Мои поставщики запчастей с отличной репутацией
texnomag.ru
radioremont.com
pl-1.org
4ip.info
elitan.ru


Вернуться наверх
 
Не в сети
 Заголовок сообщения: Re: Пробивает симисторы управления мотора
СообщениеДобавлено: Чт фев 06, 2025 14:21:06 
Нашел транзистор. Понюхал.

Зарегистрирован: Пн янв 13, 2025 15:24:02
Сообщений: 174
Рейтинг сообщения: 0
Нужны специальные, трёхквандрантные симисторы, для индуктивных нагрузок, четырёхквандрантные не пойдут, думаю в этом дело. Можно заменить на тиристоры, в паре параллельно включенные встречно.


Вернуться наверх
 
Не в сети
 Заголовок сообщения: Re: Пробивает симисторы управления мотора
СообщениеДобавлено: Чт фев 06, 2025 14:54:18 
Друг Кота
Аватар пользователя

Карма: 96
Рейтинг сообщений: 1500
Зарегистрирован: Вт мар 16, 2010 22:02:27
Сообщений: 15381
Откуда: ДОНЕЦК
Рейтинг сообщения: 0
Достаточно просто опытным путём определить время задержки между отключением одного и безопасным влючением другого симистора.
На время проведения теста предварительно поставить в разрыв цепи симистора обычный плавкий предохранитель ампер на десяток. Делаем тестовую управляющую схемку, где можно интервал вручную задавать и начинаем тест... Когда предохранитель сгорать после очередной перекоммутации перестанет - увеличиваем полученный интервал на половину и применяем уже как основной работоспособный минимальный интервал между отключением и последующим включением нагрузки.
(У каждой индуктивности свои особенности могут быть).
Метод конечно дико примитивный и дремучий... Но таки работает.
:roll:


Вернуться наверх
 
Не в сети
 Заголовок сообщения: Re: Пробивает симисторы управления мотора
СообщениеДобавлено: Чт фев 06, 2025 15:48:57 
Друг Кота
Аватар пользователя

Карма: 5
Рейтинг сообщений: 61
Зарегистрирован: Ср сен 30, 2020 16:51:47
Сообщений: 4629
Откуда: РФ
Рейтинг сообщения: 0
Dimitriy76,

У вас мотор-редуктор одно изделие или мотор отдельно, а редуктор отдельно?


Вернуться наверх
 
Показать сообщения за:  Сортировать по:  Вернуться наверх
Начать новую тему Ответить на тему  [ Сообщений: 26 ]  1,  

Часовой пояс: UTC + 3 часа


Кто сейчас на форуме

Сейчас этот форум просматривают: нет зарегистрированных пользователей и гости: 15


Вы не можете начинать темы
Вы не можете отвечать на сообщения
Вы не можете редактировать свои сообщения
Вы не можете удалять свои сообщения
Вы не можете добавлять вложения

Найти:
Перейти:  


Powered by phpBB © 2000, 2002, 2005, 2007 phpBB Group
Русская поддержка phpBB
Extended by Karma MOD © 2007—2012 m157y
Extended by Topic Tags MOD © 2012 m157y