Например TDA7294

Форум РадиоКот • Просмотр темы - Электроискровая эрозия
Форум РадиоКот
Здесь можно немножко помяукать :)

Текущее время: Пт мар 13, 2026 15:30:52

Часовой пояс: UTC + 3 часа


ПРЯМО СЕЙЧАС:



Начать новую тему Ответить на тему  [ Сообщений: 97 ]    , , , , 5
Автор Сообщение
 Заголовок сообщения: Re: Электроискровая эрозия
СообщениеДобавлено: Пт ноя 27, 2015 21:49:45 
Друг Кота

Карма: 49
Рейтинг сообщений: 550
Зарегистрирован: Чт фев 20, 2014 18:57:55
Сообщений: 19494
Рейтинг сообщения: 0
Если все сделать правильно - ничего страшного. Люди в КВ приемники ставят DC-DC на плату и не одну штуку даже - помехи от Ethernet, монитора компьютера, других импульсников принимают (на антенну), а от тех импульсников, что на плате, помех нет. Зато провода короткие будут.

_________________
"Вся военная пропаганда, все крики, ложь и ненависть исходят от людей, которые на эту войну не пойдут !" / Джордж Оруэлл /
"Война - это,когда за интересы других,гибнут совершенно безвинные люди." / Уинстон Черчилль /


Вернуться наверх
 
 Заголовок сообщения: Re: Электроискровая эрозия
СообщениеДобавлено: Сб ноя 28, 2015 06:54:19 
Опытный кот

Карма: 9
Рейтинг сообщений: 340
Зарегистрирован: Ср май 06, 2015 06:41:27
Сообщений: 806
Откуда: Благовещенск
Рейтинг сообщения: 0
olegators68 писал(а):
Земли вы связывали, импульсного питалова, Y X хрен кондерыПроблемы бывают от сети, сейчас проблемная

Такое впечатление, что какая то часть сообщения потерялась вместе со смыслом.

Если речь о помехах от встроенных в станок преобразователей, так в нём нет деталей и линий чувствительных к помехам. Один преобразователь в нём уже есть (поднимает напряжение с "системных" 7 В до 19 В, нужных для зарядки конденсатора).

На портал электроника может и влезет, но тогда к нему надо будет USB и питание подключить, а механизм недостаточно жёсткий, чтобы гнуть такие кабели.

Питальник от ноута фигня довольно дорогая (а бесхозных не валяется) и напряжение неудобное. Лучше всё таки 12 В или 220.


Вернуться наверх
 
 Заголовок сообщения: Re: Электроискровая эрозия
СообщениеДобавлено: Вс ноя 29, 2015 17:10:54 
Нашел транзистор. Понюхал.
Аватар пользователя

Зарегистрирован: Вт ноя 04, 2008 11:15:49
Сообщений: 179
Откуда: Санкт-Петербург
Рейтинг сообщения: 0
Не понимаю, зачем вообще тут начали обсуждать помехи - любой коллекторый двигатель такой станок переплюнет.

По теме:
Нахожусь в размышлениях о постройке подобного станка. И после изучения различных материалов по электроэрозионной обработке у меня есть несколько вопросов по вашей конструкции.
Не думали-ли о третьей оси для регулировки зазора и генераторе импульсов вместо конденсатора и колебаний проволоки?
Это позволило бы регулировать энергию искры и частоту следования импульсов, и соответственно:
Увеличить скорость обработки больших поверхностей которые можно было бы обрабатывать искрой с большей энергией, используя более крупный шаг обработки (черновой проход). Получать чёткие границы, обрабатывая их с меньшим шагом и меньшей энергией искры (чистовой проход). Промышленная электроэрозионная обработка даёт очень высокую чистоту поверхности - рваных краёв как на ваших фото не будет при короткой искре с бОльшей энергией.
Значительно уменьшить износ электрода, избавившись от короткозамкнутых импульсов и уменьшив длительность импульса.

По поводу стабильного и долгоживущего электрода - есть иридиевые автомобильные свечи с весьма тонким и стойким электродом, диаметра которого, вероятно, будет достаточно для получения весьма приличных зазоров.

С удовольствием помог бы в разработке генератора, в обмен на советы/помощь в создании механики/софта для ПК. =)

Цитата:
Kit&Cat, спасибо за название справочника, хотя в доступных местах его найти пока не удалось.

Не оно случайно? =)
http://www.hobbycnc.ru/docs/volosatov_eeo.djvu


Вернуться наверх
 
 Заголовок сообщения: Re: Электроискровая эрозия
СообщениеДобавлено: Пн ноя 30, 2015 03:29:52 
Опытный кот

Карма: 9
Рейтинг сообщений: 340
Зарегистрирован: Ср май 06, 2015 06:41:27
Сообщений: 806
Откуда: Благовещенск
Рейтинг сообщения: 0
bsyomov писал(а):
третьей оси для регулировки зазора

Сейчас станок работает на напряжении 19 В. При этом пробиваемый зазор меньше 10 мкм (точнее не удаётся измерить). Подозреваю, что при гладких рабочих поверхностях будет сильно меньше 10-и мкм. Нужна либо очень точная (и медленная) подача по оси Z или поднимать напряжение.

Вторая проблема это удержание зазора после того как медь выжжена. Разряды прекращаются и возможность электрически контролировать зазор исчезает.

Обдумываю периодически несколько конструкций, но пока не вырисовывается окончательное решение.

bsyomov писал(а):
рваных краёв как на ваших фото

В принципе годная чистота обработки уже достигнута (края выглядят страшно под микроскопом) - остальное ради эстетики. Больше интересует возможность создания широких зазоров за приемлимое время с сохранением имеющейся чистоты.

Иридиевые свечи имеют электрод диаметром 0,4 мм, что толстовато для мелких корпусов. И боюсь, что эти электроды рассчитаны на определённые параметры искры. При попытке применить их для эрозионной обработки есть шанс увидеть как свеча за 600 р. выгорает на глазах. Но эксперимент надо провести.

Я пробовал уже с обычной свечой (теоретически электрод нихромовый) - сгорел быстрее чем медный.

bsyomov писал(а):
советы/помощь в создании механики/софта для ПК

Механики головки в окончательном варианте пока нет (та что есть страдает низким ресурсом). Механика осей вроде работает, хотя явно требует большего напряжения для придания ускорения.

В любом случае я буду рад если кто-нибудь возьмётся за постройку станка, потому что в одиночку пробовать все варианты конструкций получается долго.

----------
Переписал немного алгоритм с целью минимизации холостых движений головки. Процесс ускорился раза в два.


Вернуться наверх
 
Эиком - электронные компоненты и радиодетали
 Заголовок сообщения: Re: Электроискровая эрозия
СообщениеДобавлено: Вт дек 01, 2015 14:25:36 
Нашел транзистор. Понюхал.
Аватар пользователя

Зарегистрирован: Вт ноя 04, 2008 11:15:49
Сообщений: 179
Откуда: Санкт-Петербург
Рейтинг сообщения: 0
Цитата:
Сейчас станок работает на напряжении 19 В.

Да, этого маловато. Т.е. низкое напряжение наверное даже неплохо, для предотвращения возможного дугового разряда, в условии отсутствия управления временем разряда в текущей реализации без генератора импульсов.

Цитата:
Вторая проблема это удержание зазора после того как медь выжжена. Разряды прекращаются и возможность электрически контролировать зазор исчезает.

Можно после шага проверять ток/напряжение первой искры, и делать одну корректировку на несколько шагов обработки, для компенсации неровности текстолита. В рамках шага дёргать головой излишне, как мне кажется - медь-то довольно тонкая.

Цитата:
Больше интересует возможность создания широких зазоров за приемлимое время с сохранением имеющейся чистоты.

Ну об этом я уже писал - если будет возможность управлять энергией искры через напряжение/длину импульса, то полигон проходится при большей энергии, а край полигона при меньшей.

Цитата:
И боюсь, что эти электроды рассчитаны на определённые параметры искры

Да, искра должна быть достаточно короткой, чтобы происходил нагрев/разрушение заготовки электронами, а ионы не успевали долететь обратно и нагреть электрод. Ну и не должно быть короткозамкнутых циклов, чтобы не перегревался электрод опять же. По диаметру электрода надо будет измерить. Есть свечи с коническими концами электродов, к тому же.

Цитата:
Механики головки в окончательном варианте пока нет (та что есть страдает низким ресурсом).

Я подумываю о изготовлении механики оси Z готовой механики дисковода 3,5", если смогу его найти. Точности позиционирования должно бы хватить. И в ней использовался шаговый двигатель, которым удобно управлять. Второй вариант механика от cd|dvd, точность тут куда выше, но управлять придётся сервомотором, что несколько сложнее в реализации.
Но что для меня важно, и в том и другом случае у меня будет вся механика в готовом виде, т.к. изготовить подобное с нуля, в моих условиях, мало реально.

Как изготовить оси XY пока думаю, вероятно пойду по пути типового 3d принтера с круглыми направляющими от старых принтеров - нагрузки не велики, и жёсткости особой, вероятно, не нужно.


Вернуться наверх
 
 Заголовок сообщения: Re: Электроискровая эрозия
СообщениеДобавлено: Вт дек 01, 2015 17:09:48 
Опытный кот

Карма: 9
Рейтинг сообщений: 340
Зарегистрирован: Ср май 06, 2015 06:41:27
Сообщений: 806
Откуда: Благовещенск
Рейтинг сообщения: 0
Предотвращение дугового разряда возложено на конденсатор
bsyomov писал(а):
Можно после шага проверять ток/напряжение первой искры

Пожалуй это идея. Можно даже не искрой, а сделать режим прозвонки и пощупать поверхность электродом. В принципе можно смещать электрод в заведомо непрожжённую область поблизости и щупать там. Но чтобы всё это заработало надо иметь измеримую длину искры, а не стремящуюся к нулю как сейчас.

bsyomov писал(а):
если будет возможность управлять энергией искры через напряжение/длину импульса

При увеличении энергии можно схлопотать непропорциональное увеличение износа электрода. Так что вероятно придётся делать автосмену электрода на более толстый.

bsyomov писал(а):
Второй вариант механика от cd|dvd, точность тут куда выше, но управлять придётся сервомотором, что несколько сложнее в реализации.

Внезапно в DVD приводах тоже стоят шаговые двигатели.
Изображение
Правда я не пробовал его включать, так что даже незнаю какой там шаг.

Сейчас попробовал поставить вертикально механику от CD-ROM (привод от коллекторного моторчика с оптическим энкодером) - каретка сползает вниз под собственным весом. Так что управлением действительно придётся повозится. С шагово-винтовым приводом такой фигни нет.


Ещё желательно в конструкции предусмотреть регулировку ромбовидности в плоскости стола. Я понадеялся на ровную разметку деталей и в итоге у меня немного косит. Детали паять не мешает, но раздражжает.


Вернуться наверх
 
 Заголовок сообщения: Re: Электроискровая эрозия
СообщениеДобавлено: Вт дек 01, 2015 17:34:58 
Нашел транзистор. Понюхал.
Аватар пользователя

Зарегистрирован: Вт ноя 04, 2008 11:15:49
Сообщений: 179
Откуда: Санкт-Петербург
Рейтинг сообщения: 0
Цитата:
Сейчас попробовал поставить вертикально механику от CD-ROM (привод от коллекторного моторчика с оптическим энкодером) - каретка сползает вниз под собственным весом.

Ну да, там должен быть следящий привод с обратной связью.


Вернуться наверх
 
 Заголовок сообщения: Re: Электроискровая эрозия
СообщениеДобавлено: Ср дек 02, 2015 18:46:01 
Опытный кот

Карма: 9
Рейтинг сообщений: 340
Зарегистрирован: Ср май 06, 2015 06:41:27
Сообщений: 806
Откуда: Благовещенск
Рейтинг сообщения: 0
bsyomov писал(а):
медь-то довольно тонкая.

Пробиваемый зазор меньше 10 мкм, а медь 35 мкм. Так что она скорее толстая чем тонкая.

Если немного подпружинить электрод (достаточно хода в 100 мкм) то алгоритм управления электродом достаточно прост:
- медленно опускаем пока не начнёт искрить
- запоминаем высоту
- как перестало искрить медленно опускаем дальше
- процесс продолжаем пока электрод не опустится на 50 мкм ниже точки начала искрения.

Конечно это всегда будет заканчиваться упиранием в текстолит (тут спасёт подпружинивание), но никогда упиранием в медь, что спасает от приваривания.

Требования к генератору импульсов:
1. Пробивать зазор в два раза толще чем шаг оси Z
2. Иметь большую скважность (масло грязное, подсолнечное и без прокачки - придётся ждать естественной деионизации)
3. Выдавать дискретный сигнал о наличии искры
4. Энергия импульса порядка 50 мДж (плюс/минус регулировки)
5. Не допускать выдачи импульсов при наличии замыкания в зазоре.
6. Выдавать дискретный сигнал при наличии замыкания в зазоре.


Вернуться наверх
 
 Заголовок сообщения: Re: Электроискровая эрозия
СообщениеДобавлено: Вт дек 29, 2015 05:46:17 
Опытный кот

Карма: 9
Рейтинг сообщений: 340
Зарегистрирован: Ср май 06, 2015 06:41:27
Сообщений: 806
Откуда: Благовещенск
Рейтинг сообщения: 0
Я раньше писал, что из-за высокой температуры дуги можно использовать только термостойкий текстолит, но на практике это оказалось не так.

Случайно попался в магазине гетинакс (FR-1) и как оказалось ничего страшного с ним не происходит.

Кроме того медь толщиной 18 мкм прорезается значительно быстрее, так что лучше её использовать если нет больших токов.

----------
Чё за фигня с форумом? Во втором сообщении этой темы не видны некоторые (важные) картинки, хотя они лежат на месте на img.radiokot.ru.


Вернуться наверх
 
 Заголовок сообщения: Re: Электроискровая эрозия
СообщениеДобавлено: Вт дек 29, 2015 05:53:21 
Поставщик валерьянки для Кота
Аватар пользователя

Карма: -20
Рейтинг сообщений: 67
Зарегистрирован: Пн ноя 01, 2010 12:19:31
Сообщений: 2253
Откуда: Серпухов
Рейтинг сообщения: 0
Андрей СШ писал(а):
Кроме того медь толщиной 18 мкм прорезается значительно быстрее, так что лучше её использовать если нет больших токов.

----------
Чё за фигня с форумом? Во втором сообщении этой темы не видны некоторые (важные) картинки, хотя они лежат на месте на img.radiokot.ru.

Тогда смысл теряеться, это лутом безпроблемнее.

_________________
Вот блин, опять в галерее картину малевича вверх ногами повесили.


Вернуться наверх
 
 Заголовок сообщения: Re: Электроискровая эрозия
СообщениеДобавлено: Вт дек 29, 2015 06:34:27 
Друг Кота

Карма: 49
Рейтинг сообщений: 550
Зарегистрирован: Чт фев 20, 2014 18:57:55
Сообщений: 19494
Рейтинг сообщения: 0
Смысл чтобы не колдовать с бумагой/принтером/утюгом/химией :)) Некоторые гравируют по той же причине.

_________________
"Вся военная пропаганда, все крики, ложь и ненависть исходят от людей, которые на эту войну не пойдут !" / Джордж Оруэлл /
"Война - это,когда за интересы других,гибнут совершенно безвинные люди." / Уинстон Черчилль /


Вернуться наверх
 
 Заголовок сообщения: Re: Электроискровая эрозия
СообщениеДобавлено: Вт дек 29, 2015 13:25:58 
Опытный кот

Карма: 9
Рейтинг сообщений: 340
Зарегистрирован: Ср май 06, 2015 06:41:27
Сообщений: 806
Откуда: Благовещенск
Рейтинг сообщения: 0
При использовании ЛУТ тонкая медь тоже будет травиться быстрее, ровнее и с меньшими затратами химикатов.

В общем это только вопрос экономии времени и материалов.


Вернуться наверх
 
 Заголовок сообщения: Re: Электроискровая эрозия
СообщениеДобавлено: Сб июл 01, 2017 18:10:44 
Родился

Зарегистрирован: Пт сен 04, 2015 10:50:35
Сообщений: 6
Откуда: Ростов-на-Дону
Рейтинг сообщения: 0
Добрый день, уважаемые радиокоты, и в особенности Андрей СШ :))
Давно наткнулся на Вашу тему на форуме, но только сейчас дошли лапы попробовать сделать.
В связи с этим возникли некоторые вопросы к автору.
Во-первых, как дела со станком? Два года почти в теме тишина.
Во-вторых, не было ли каких экспериментов с зажиганием искры повышенным напряжением, а дальше поддержкой дуги и выжигании меди "боевым" конденсатором?
И не прикручивали ли всё-таки механику от DVD привода?
Я тут пока распечатал и собрал ось Z для такого станочка, пилятся (в прямом смысле, из фанеры) оси X и Y, на коленке собран генератор 200В с конденсаторами 2200мкф 12В в "боевой" части (слишком много, да?) и 0,022мкф в "поджиге". Хотел бы продолжить, но чувствую, нужны советы того, кто такую штуку уже собирал.
Да, ось Z из флоппика)
Изображение


Вернуться наверх
 
 Заголовок сообщения: Re: Электроискровая эрозия
СообщениеДобавлено: Вт май 25, 2021 23:34:09 
Родился

Зарегистрирован: Пт сен 04, 2015 10:50:35
Сообщений: 6
Откуда: Ростов-на-Дону
Рейтинг сообщения: 0
Йай, коты. Лапы наконец действительно дошли. Долго мучился с качеством и подгоранием электрода, пока наконец не осмыслил фразу "минус на электроде" из первого сообщения темы.
Сейчас стальная проволока 0,4 мм из строймага прикручена на гайку к каретке, "боевой" конденсатор 680 мкф заряжается от 20 В блока питания через пару 10 Ом резисторов последовательно, после разрядки через диод и резистор прижимается к земле выход Z-концевика.
Программка коряво написана на Питоне, кушает файлы PNG (только нужно указать в коде название и разрешение в dpi), выдаёт в файл G-коды для принтера, которые потом скармливаются Repetier Host. Прожёг кусочек платы зеркально, потому что не сразу догадался, что у принтера Y0 внизу стола, а у PNG картинки вверху.
Фоточки (и скан):
Изображение
На фрагмент попало место под SOIC-8 и конденсатор (?) 0805, переходные отверстия оборвало. Прожиг фрагмента ровно 30 минут, дальше проволока упёрлась в крокодила. Разрешение было 300 dpi, один прожиг на пиксель (пока пытался плюс на электрод давать - приходилось тыкать до пяти раз). Подгорание электрода порядка 0,15 мм на 1000 точек. Проволока в 5 раз толще пикселя исходной картинки, так что неудивительно. На фрагменте около 5000 точек, это 0,5 - 1 мм расхода проволоки. Для более крупных плат надо придумывать механизм подачи, а я как назло только что при попытке переделать в биполярный сломал единственный оставшийся шаговик без букв 28BJY-48. У тех люфт около 0,1 мм будет даже на радиусе вала, а при прожиге поднятие проволоки всего 0,35 мм.
Жёгся кусочек этой платы:
Изображение
Проволока на каретке и плата на столе:
Изображение Изображение
Масло самое дешёвое подсолнечное, понемногу капал из шприца. Забрызгало всё вокруг, надо делать ванну глубиной хоть миллиметров 5.
Попробую уменьшить ёмкость до 100 или 200 мкф. Ещё планирую добавить отключение конденсатора или переключение номиналов, но я пока не додумался, как это дрыгоножество добавить в прошивку Marlin. Без отключения первая Z-проба электродом в плату проходит хорошо, а на второй проволока попадает ровно в только что прожжённую каверну и мнётся без контакта. Ещё в прошивке пришлось отключить софтверный концевик на Z, иначе принтер очень удивляется, что им печатают ниже уровня стола.


Вернуться наверх
 
 Заголовок сообщения: Re: Электроискровая эрозия
СообщениеДобавлено: Чт май 27, 2021 11:59:14 
Родился

Зарегистрирован: Пт сен 04, 2015 10:50:35
Сообщений: 6
Откуда: Ростов-на-Дону
Рейтинг сообщения: 0
Схемка отключения-переключения конденсаторов:
Изображение
Подключена к PAMPS 1.4 через сервовыходы и вход на Z-концевик. При закрытии транзистор отрезает конденсатор от зарядки, разрядиться он ещё один раз может через паразитный диод, но очень вяло.
Получилось вот такая платка. ЛУТ, не сам станок жёг, ему нынешнему эти 76000 точек 10 часов грызть..
Изображение Изображение
Светодиод подключен к выводам конденсатора, бонусом немного разряжает его. Конденсатор пока на 2200 мкф, обещают Low-ESR, вторым поставлю 220 мкф или около. Транзисторы AOD402, единственные из моих запасов на напряжение сток-исток 30 В и ток больше 10 А, остальные только на 20 или 25 вольт, боюсь их к 18 В БП ставить. Резисторы в сумме около 300 Ом, позже поставлю пару 33 Ом 5 Вт в параллель, а пока в коде есть задержка на зарядку конденсатора 500 мс.
Программу кажется сюда не могу прикрепить, пойду разбираться с гитхабом
З.Ы. https://github.com/Lisyamord/edm-reprap
Подключил делитель между плюсом конденсатора и землёй, среднюю точку на пятый пин, по коду M226 P5 S1принтер ждёт установки на нём высокого уровня (около 3 вольт) и потом жжёт следующую точку. Намного быстрее пошёл проход ряда рядом с уже прожжёнными точками, по ощущениям раза в четыре.
З.Ы2
Изображение Изображение
Первая полезная платка - тестовая плата под MC34063. Прожиг 5 часов, конденсаторы 2200 мкф + 220 мкф, исходная картинка 300 dpi, 1,7 мб g-кода.
Изображение Изображение Изображение
На последней микра в SOIC-14.
Изменён способ компенсации подгорания, теперь каждый раз после конца столбца конденсаторы отключаются, разряжаются на участке на 1 мм выше верхней границы платы, электрод делает новую Z-пробу для обнуления высоты на полосе на 1 мм ниже границы платы, так что ошибка подгорания не накапливается.
Кажется, нет смысла сильно уменьшать сопротивления, лучше перейти на ШИМ-стабилизацию зарядного тока, хоть сколь-нибудь дубовую. Так что скорее всего следующей будет жечься плата с tl494 и шунтом.
По идее один 220 мкф конденсатор и 600 dpi разрешения должны дать качество краёв куда лучше. Ещё в код добавил возможность шагать через пиксель или несколько, но пока на тесте фигня рваная получается.


Вернуться наверх
 
 Заголовок сообщения: Re: Электроискровая эрозия
СообщениеДобавлено: Пн май 31, 2021 20:24:31 
Родился

Зарегистрирован: Пт сен 04, 2015 10:50:35
Сообщений: 6
Откуда: Ростов-на-Дону
Рейтинг сообщения: 0
Подключил соленоид к мосфету обдува, думал будет зашибись, а получается гравировка какая-то вместо прожига. Шаговики оси Z электрод в плату впечатывали, а этот просто кладёт аккуратно, несмотря на пружину.
Изображение Изображение
Для шаговика из CD/DVD никак не придумаю вертикальную каретку, да и кажется у него сил не хватит оторвать приварившийся электрод - у 12 В соленоида не всегда хватает. А условных операторов G-кодов для движения всей оси Z в таком случае в Marlin нету.


Вернуться наверх
 
 Заголовок сообщения: Re: Электроискровая эрозия
СообщениеДобавлено: Ср сен 08, 2021 13:27:40 
Родился

Зарегистрирован: Пт сен 04, 2015 10:50:35
Сообщений: 6
Откуда: Ростов-на-Дону
Рейтинг сообщения: 3
Чуть освежу тему тем, что сейчас есть.
Картиночка из Reperier-Host, Видно опускание электрода над прожигаемыми областями и на области для разрядки конденсаторов за границей платы.
Изображение
Разрядка и последующая калибровка нуля происходит каждые 600 точек, так что случается не на каждом столбце.
Сам рисунок платы:
Изображение
Электрод на соленоиде, втягивание управляется как пином с RAMPS-a, так и замыканием электрода на плату. ЖЖот отлично, но расход стальной проволоки возрос до зверских 1 мм на 1000 точек (было, 0,08 - 0,15 - 0,25 для конденсаторов 220 мкф - 2200 мкф - 2420 мкф).
Распечатал на принтере механизм протяжки проволоки на основе клона сервы SG90 со срезанным стопором на постоянное вращение. Колхожу боуден-трубку для подачи от протяжки к соленоиду, прямо на соленоид повесить механизм не позволяет масса.
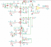
Текущая схема:
Изображение
Внизу транзистор и выход на соленоид, выше выход на мотор сервы, ещё выше пара переключаемых конденсаторов, справа операционник в режиме компаратора на контроль напряжения.


Вернуться наверх
 
Показать сообщения за:  Сортировать по:  Вернуться наверх
Начать новую тему Ответить на тему  [ Сообщений: 97 ]    , , , , 5

Часовой пояс: UTC + 3 часа


Вы не можете начинать темы
Вы не можете отвечать на сообщения
Вы не можете редактировать свои сообщения
Вы не можете удалять свои сообщения
Вы не можете добавлять вложения

Найти:
Перейти:  


Powered by phpBB © 2000, 2002, 2005, 2007 phpBB Group
Русская поддержка phpBB
Extended by Karma MOD © 2007—2012 m157y
Extended by Topic Tags MOD © 2012 m157y