Например TDA7294

Форум РадиоКот • Просмотр темы - Паяльные станции Конструктивные и схемотехнические доработки
Форум РадиоКот
Здесь можно немножко помяукать :)

Текущее время: Вс янв 25, 2026 05:01:27

Часовой пояс: UTC + 3 часа


ПРЯМО СЕЙЧАС:



Начать новую тему Ответить на тему  [ Сообщений: 149 ]     ... , , , 6, ,  
Автор Сообщение
Не в сети
 Заголовок сообщения: Re: Паяльные станции Конструктивные и схемотехнические дораб
СообщениеДобавлено: Пн сен 29, 2014 09:28:17 
Собутыльник Кота
Аватар пользователя

Карма: 6
Рейтинг сообщений: 234
Зарегистрирован: Сб окт 16, 2010 12:20:55
Сообщений: 2610
Откуда: Саратовская обл.
Рейтинг сообщения: 0
Если у тебя фен на 70ом , то попробуй по этой схеме включить
Вложение:
фен 70 ом.GIF [4.29 KiB]
Скачиваний: 2322

_________________
Если кажется, что работу сделать легко, это непременно будет трудно.


Вернуться наверх
 
Не в сети
 Заголовок сообщения: Re: Паяльные станции Конструктивные и схемотехнические дораб
СообщениеДобавлено: Пн сен 29, 2014 10:58:53 
Открыл глаза
Аватар пользователя

Зарегистрирован: Пн дек 09, 2013 14:06:21
Сообщений: 60
Откуда: Н.Новгород
Рейтинг сообщения: 0
Андрюха 007, попробовал. Как ни странно, ничего не изменилось ВООБЩЕ. Ну то есть я полагаю, что при этом частота питающих импульсов на фен уменьшится вдвое. Но "тикание" происходит с той же периодичностью, что и раньше. Да и свет моргать меньше не стал. Вообще не понимаю, как такое возможно, если оптопара следит за нулём... оО К сожалению у меня нет осциллографа, чтобы глянуть, что там происходит с управлением.

Кстати, по поводу резистора отвечу сам себе - он нужен для исключения произвольного открытия симистора током утечки оптопары. По даташиту он должен стоять всегда. Китайцы, видать, вспоминают об этом иногда. В других схемах он тоже изредка встречается.

ЗЫ
Я уж грешу на оптопару, не перемаркированая ли она 3062 вместо честного 3063.


Вернуться наверх
 
Не в сети
 Заголовок сообщения: Re: Паяльные станции Конструктивные и схемотехнические дораб
СообщениеДобавлено: Пн сен 29, 2014 18:13:28 
Собутыльник Кота
Аватар пользователя

Карма: 6
Рейтинг сообщений: 234
Зарегистрирован: Сб окт 16, 2010 12:20:55
Сообщений: 2610
Откуда: Саратовская обл.
Рейтинг сообщения: 0
Попробуй тогда диод 1N4007 поставить не так как на схеме предложенной мной,а поставить его в цепь управления симистора. Т.е в цепь управляющего электрода.

_________________
Если кажется, что работу сделать легко, это непременно будет трудно.


Вернуться наверх
 
Не в сети
 Заголовок сообщения: Re: Паяльные станции Конструктивные и схемотехнические дораб
СообщениеДобавлено: Сб апр 25, 2015 08:00:07 
Друг Кота
Аватар пользователя

Карма: 140
Рейтинг сообщений: 4277
Зарегистрирован: Чт сен 01, 2011 12:53:27
Сообщений: 20131
Откуда: ТьмуТаракания. Почетный житель подмостовья
Рейтинг сообщения: 0
о, еще одна тема про паяльники :))

_________________
Шекспир сказал: Судить меня -дано лишь Богу, другим я укажу дорогу... https://natribu.org/
Я его полностью поддерживаю.
Программирую на Fuse AtmelAVR.


Вернуться наверх
 
Эиком - электронные компоненты и радиодетали
Не в сети
 Заголовок сообщения: Re: Паяльные станции Конструктивные и схемотехнические дораб
СообщениеДобавлено: Пн авг 24, 2015 18:13:38 
Родился
Аватар пользователя

Зарегистрирован: Чт апр 23, 2009 19:26:54
Сообщений: 6
Рейтинг сообщения: 0
Подскажите пожалуйста, по доработке паяльной станции AOYUE-899A+ c китайским нагревателем. Что подправить в схеме станции, под нагреватель Hakko с терморезистором?


Вложения:
AOYUE-899A+.JPG [196.54 KiB]
Скачиваний: 1446
Вернуться наверх
 
Не в сети
 Заголовок сообщения: Re: Паяльные станции Конструктивные и схемотехнические дораб
СообщениеДобавлено: Пт сен 18, 2015 03:11:07 
Родился
Аватар пользователя

Зарегистрирован: Пн авг 24, 2015 21:07:58
Сообщений: 1
Откуда: Россия
Рейтинг сообщения: 0
vAv писал(а):
Насчет прошивки я уже писал - обязательно выложу и обязательно вместе с исходником. Сейчас в исходнике комментов больше чем кода, чтобы разобрался любой кто захочет. :)
Пока на данный момент сделал все что считал нужным именно для себя. Как будет по основным функциям совместима с прошивкой от Vally (а некоторые места ужу даже интересней) так и выложу, чтобы не было претензий. :)


Доброго времени суток.
Просмотрел всю ветку так и не нашел вашей прошивки. Может всё таки поделитесь, если не жалко? :)
Или направьте туда где её можно отыскать. Не обессудьте если я где то что проглядел. :shock:


Вернуться наверх
 
Не в сети
 Заголовок сообщения: Re: Паяльные станции Конструктивные и схемотехнические дораб
СообщениеДобавлено: Чт окт 01, 2015 20:02:07 
Мучитель микросхем
Аватар пользователя

Карма: 4
Рейтинг сообщений: 7
Зарегистрирован: Сб янв 23, 2010 14:51:46
Сообщений: 417
Откуда: Киев
Рейтинг сообщения: 0
Выкладываю мануал по доработке паяльных станций Lukey. Он являет собой модифицированный ФАК от SpiritKing. Для чтения нужно распаковать архив, и открыть вордовский файл под названием !FAQ.doc. Ссылка для скачивания.


Вернуться наверх
 
Не в сети
 Заголовок сообщения: Re: Паяльные станции Конструктивные и схемотехнические дораб
СообщениеДобавлено: Ср окт 14, 2015 17:31:08 
Родился

Зарегистрирован: Ср окт 14, 2015 17:10:36
Сообщений: 2
Рейтинг сообщения: 0
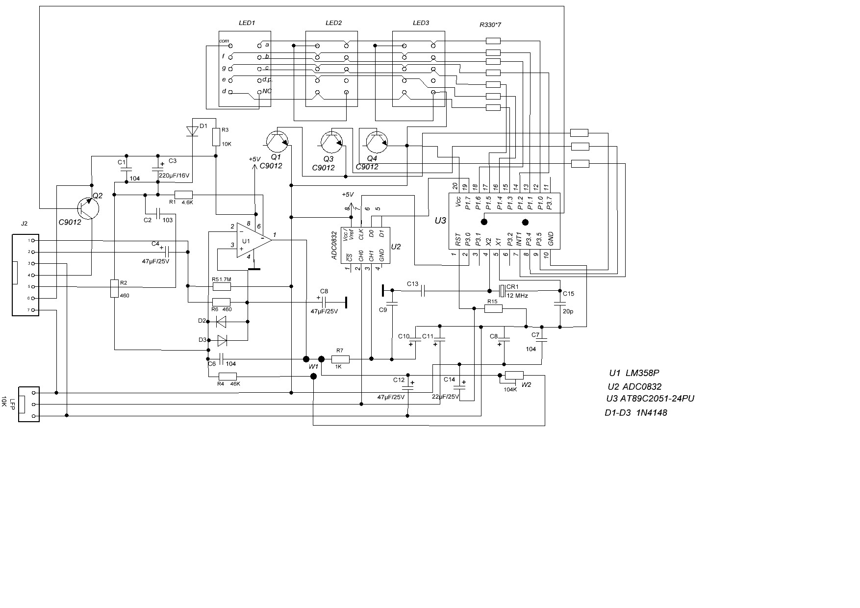
У меня станция Aoyue Int 906. Паяльник без индикации. Паяльник был нихромовый с термодатчиком и не доставал миллиметра 4 до конца жала.
Купил паяльник Хакко 907 (поддельный конечно) но с керамическим нагревателем и терморезистором.
Полез менять, и понял что плата отличается от всех Lukey и Ко. Маркировка платы TYSB-05
Используется аж 3 операционных усилителя на базе LM324N
Отрисовал, как смог, плату в спринте, но в схемотехнике не силен.
Какие изменения нужно внести в схему? Кто поможет? Во вложении файл Sprint Layout 6
Изображение
Изображение
Изображение
Изображение


Вложения:
TYSB-05.rar [27.36 KiB]
Скачиваний: 757
Вернуться наверх
 
Не в сети
 Заголовок сообщения: Re: Паяльные станции Конструктивные и схемотехнические дораб
СообщениеДобавлено: Вт фев 02, 2016 06:36:17 
Родился

Зарегистрирован: Вт фев 02, 2016 06:19:46
Сообщений: 3
Рейтинг сообщения: 0
Всем доброго времени суток.
Вышел из строя паяльный фен,на данной паяльной станции http://ru.aliexpress.com/item/Free-shipping-Saike-909d-Hot-air-guns-soldering-station-power-supply-3-in-1-multi-function/392071915.html
я думаю что проблема с контроллером s3f9454bzz-dk94.
При включении фена с контроллером,индикация температуры меняется клавишами,сам фен не работает.
При вытаскивании микросхемы,фен начинает работать,параметры не регулируются.
Заказаны контролеры http://ru.aliexpress.com/item/S3F9454BZZ-DK94-DIP-20-new-original-four-diamonds/32265806737.html
Подскажите какую прошивку залить на контролер что бы заработал фен?
Каким программатором http://labaz.radiokot.ru/catalog/category/12 ?


Вернуться наверх
 
Не в сети
 Заголовок сообщения: Re: Паяльные станции Конструктивные и схемотехнические дораб
СообщениеДобавлено: Вт фев 02, 2016 16:34:18 
Родился

Зарегистрирован: Вт фев 02, 2016 06:19:46
Сообщений: 3
Рейтинг сообщения: 0
Всем доброго времени суток.
Вышел из строя паяльный фен,на данной паяльной станции http://ru.aliexpress.com/item/Free-shipping-Saike-909d-Hot-air-guns-soldering-station-power-supply-3-in-1-multi-function/392071915.html
я думаю что проблема с контроллером s3f9454bzz-dk94.
При включении фена с контроллером,индикация температуры меняется клавишами,сам фен не работает.
При вытаскивании микросхемы,фен начинает работать,параметры не регулируются.
Заказаны контролеры http://ru.aliexpress.com/item/S3F9454BZZ-DK94-DIP-20-new-original-four-diamonds/32265806737.html
Подскажите какую прошивку залить на контролер что бы заработал фен?
Каким программатором http://labaz.radiokot.ru/catalog/category/12 ?


Вернуться наверх
 
Не в сети
 Заголовок сообщения: Re: Паяльные станции Конструктивные и схемотехнические дораб
СообщениеДобавлено: Вт окт 11, 2016 00:22:20 
Родился
Аватар пользователя

Зарегистрирован: Пн окт 10, 2016 23:27:46
Сообщений: 2
Рейтинг сообщения: 0
Доброго времени суток. Уважаемые форумчане поделитесь если не трудно схемой или решением на aoyue-968a+ интересует возможность переделки её на керамический паяльник управление построено на 8меге ос lm356 буду благодарен любой помощи.


Вернуться наверх
 
Не в сети
 Заголовок сообщения: Не работает паяльник на Aoyue 968a+
СообщениеДобавлено: Вт окт 11, 2016 00:45:54 
Родился
Аватар пользователя

Зарегистрирован: Пн окт 10, 2016 23:27:46
Сообщений: 2
Рейтинг сообщения: 0
Уважаемые форумчане простите пожалуйста за то что пишу скорей всего не в той теме, но конкретной не нашёл. Умер канал пояльника на станции aoyue-968a+ как бы по другим схемам станций вроде немного разобрался в их схемотехники, но интересует вопрос переделки её канала на керамику hakko-003 с терморезистором. Блок управления построен на 8меге, усилителе lm356. Очень бы был благодарен куску схемы на сие китайское чудо.

Добавлено after 42 minutes 38 seconds:
Изучая схемы и массу материала по доработке и переделки других паяльных станций на просторах рунета наткнулся на модификацию блока управления паяльником от llukey852d+ прикладываю во вложение данную модификацию и ссылку на ресурс http://forum.cxem.net/index.php?/topic/ ... -852d-fan/ если не найду схему то думаю собрать данный блок и подключить его к меге


Вложения:
post-54570-0-82846100-1353239350.jpg [108.21 KiB]
Скачиваний: 1186
Вернуться наверх
 
Не в сети
 Заголовок сообщения: Re: Паяльные станции Конструктивные и схемотехнические дораб
СообщениеДобавлено: Чт мар 30, 2017 10:03:48 
Встал на лапы

Карма: 4
Рейтинг сообщений: 4
Зарегистрирован: Ср дек 14, 2011 08:12:49
Сообщений: 144
Рейтинг сообщения: 0
Стесняюсь спросить, а что такое ESD в паяльниках?


Вернуться наверх
 
Не в сети
 Заголовок сообщения: Re: Паяльные станции Конструктивные и схемотехнические дораб
СообщениеДобавлено: Чт мар 30, 2017 10:26:52 
Потрогал лапой паяльник

Карма: 6
Рейтинг сообщений: 84
Зарегистрирован: Ср сен 09, 2015 09:39:12
Сообщений: 336
Рейтинг сообщения: 0
защита от статики


Последний раз редактировалось AlekseyEnergo Чт мар 30, 2017 23:17:41, всего редактировалось 1 раз.
Нарушение п 2.7 правил форума. Исправлено


Вернуться наверх
 
Не в сети
 Заголовок сообщения: Re: Паяльные станции Конструктивные и схемотехнические дораб
СообщениеДобавлено: Ср сен 20, 2017 11:32:50 
Потрогал лапой паяльник

Карма: 1
Рейтинг сообщений: 4
Зарегистрирован: Вс апр 17, 2011 12:09:57
Сообщений: 330
Рейтинг сообщения: 0
Прочитал информацию о том как переделать паяльник от паяльной станции, но так и не понял следующее:
Вот жало паяльника может не вплотную прилегать к керамическому нагревателю. Получается что есть воздушная прослойка.
Некоторые переделывают и нагреватель в упор контактирует с жалом, но на некоторых сайтах пишут что если сделать без воздушной прослойки, то при нагреве, нагреватель начнет расширяться и как следствие
упертый в жало треснет.
Вот и вопрос спецам, кто прав? Я так понимаю что с воздушной прослойкой нагрев теряется? Но боюсь переделывать в упор, вдруг керамический нагреватель треснет.


Вернуться наверх
 
Не в сети
 Заголовок сообщения: Re: Паяльные станции Конструктивные и схемотехнические дораб
СообщениеДобавлено: Чт сен 21, 2017 10:22:50 
Друг Кота
Аватар пользователя

Карма: 140
Рейтинг сообщений: 4277
Зарегистрирован: Чт сен 01, 2011 12:53:27
Сообщений: 20131
Откуда: ТьмуТаракания. Почетный житель подмостовья
Рейтинг сообщения: 0
уткодроз писал(а):
то при нагреве, нагреватель начнет расширяться и как следствие
упертый в жало треснет.

ну а какой дурак тебя заставляет жестко его прижимать то? ну оставь маленький зазорчик, или подложи чего-нить пружинящее. при нагревании пружина сожмется, а контакт останется на прежнем уровне.обычно нагреватель держится на проводах. и они довольно пружинистые

_________________
Шекспир сказал: Судить меня -дано лишь Богу, другим я укажу дорогу... https://natribu.org/
Я его полностью поддерживаю.
Программирую на Fuse AtmelAVR.


Вернуться наверх
 
Не в сети
 Заголовок сообщения: Re: Паяльные станции Конструктивные и схемотехнические дораб
СообщениеДобавлено: Вт окт 03, 2017 09:23:55 
Потрогал лапой паяльник

Карма: 1
Рейтинг сообщений: 4
Зарегистрирован: Вс апр 17, 2011 12:09:57
Сообщений: 330
Рейтинг сообщения: 0
По моему мы друг друга недопонимаем. Хорошо попробую сформулировать вопрос по другому.
Вот люди паяльники переделывают от станций потому что зазор есть воздушный.
Так вопрос такой - После переделки зазор будет но меньше или он в идеале вообще не должен быть?
Зазор между жалом и нагревательным элементом.


Вернуться наверх
 
Не в сети
 Заголовок сообщения: Re: Паяльные станции Конструктивные и схемотехнические дораб
СообщениеДобавлено: Сб окт 07, 2017 18:08:54 
Собутыльник Кота
Аватар пользователя

Карма: 6
Рейтинг сообщений: 234
Зарегистрирован: Сб окт 16, 2010 12:20:55
Сообщений: 2610
Откуда: Саратовская обл.
Рейтинг сообщения: 0
Делай 1,5-2мм и нормально будет, я в своём так делал пока работает.

_________________
Если кажется, что работу сделать легко, это непременно будет трудно.


Вернуться наверх
 
Не в сети
 Заголовок сообщения: Re: Паяльные станции Конструктивные и схемотехнические дораб
СообщениеДобавлено: Пн окт 09, 2017 01:36:36 
Модератор
Аватар пользователя

Карма: 120
Рейтинг сообщений: 1088
Зарегистрирован: Пн дек 08, 2008 19:28:04
Сообщений: 22873
Откуда: 10км от Москвы на Север
Рейтинг сообщения: 0
Кто-нибудь использовал китайский "кит" для работы с жалами Т12 с раздельной термопарой ...?
https://ru.aliexpress.com/item/Digital- ... 0.0.V36ZsN

Изображение


Вернуться наверх
 
Не в сети
 Заголовок сообщения: Re: Паяльные станции Конструктивные и схемотехнические дораб
СообщениеДобавлено: Пт окт 13, 2017 07:33:24 
Потрогал лапой паяльник

Карма: 1
Рейтинг сообщений: 4
Зарегистрирован: Вс апр 17, 2011 12:09:57
Сообщений: 330
Рейтинг сообщения: 0
пока работает.


Исчерпывающий ответ. То есть никто не знает. Пока работает да и ладно. Вот это форум специалистов.


Вернуться наверх
 
Показать сообщения за:  Сортировать по:  Вернуться наверх
Начать новую тему Ответить на тему  [ Сообщений: 149 ]     ... , , , 6, ,  

Часовой пояс: UTC + 3 часа


Кто сейчас на форуме

Сейчас этот форум просматривают: нет зарегистрированных пользователей и гости: 15


Вы не можете начинать темы
Вы не можете отвечать на сообщения
Вы не можете редактировать свои сообщения
Вы не можете удалять свои сообщения
Вы не можете добавлять вложения

Найти:
Перейти:  


Powered by phpBB © 2000, 2002, 2005, 2007 phpBB Group
Русская поддержка phpBB
Extended by Karma MOD © 2007—2012 m157y
Extended by Topic Tags MOD © 2012 m157y