Например TDA7294

Форум РадиоКот • Просмотр темы - Проверьте пожалуйста плату
Форум РадиоКот
Здесь можно немножко помяукать :)

Текущее время: Вс мар 15, 2026 02:37:54

Часовой пояс: UTC + 3 часа


ПРЯМО СЕЙЧАС:



Начать новую тему Ответить на тему  [ Сообщений: 281 ]     ... , , , 11, , , ,  
Автор Сообщение
 Заголовок сообщения: Re: Проверьте пожалуйста плату
СообщениеДобавлено: Сб янв 14, 2017 12:09:20 
Поставщик валерьянки для Кота
Аватар пользователя

Карма: 61
Рейтинг сообщений: 952
Зарегистрирован: Чт июн 26, 2014 17:05:10
Сообщений: 1969
Откуда: -Моск-
Рейтинг сообщения: 0
Проверить такую (слепую) плату трудно, а собрать на ней действующий усилитель не возможно.
Для деталей нет места, не учтена реальная геометрия компонентов. Ничего никуда не воткнётся и не поместится.
Начинать работу в Sprint-Layout надо с подбора макросов используемых компонентов и выкладывания на их на рабочее поле.
Дольше компоновка, трассировка, корректировка...
Пример компоновки, с вполне правдоподобными габаритами деталей.
Изображение
Расположение и назначение выводов элементов уточняются по справочнику (datasheet).


Вернуться наверх
 
 Заголовок сообщения: Re: Проверьте пожалуйста плату
СообщениеДобавлено: Сб янв 14, 2017 14:47:30 
Открыл глаза

Зарегистрирован: Сб янв 09, 2016 18:08:56
Сообщений: 75
Рейтинг сообщения: 0
Спасибо, буду переделывать.
Ещё интересуют эти условные обозначения элементов схемы, расположенные на другом (красном) слое - нигде не нашёл их, это обычные макросы? И как они правильно называются, чтобы найти в интернете?


Вернуться наверх
 
 Заголовок сообщения: Re: Проверьте пожалуйста плату
СообщениеДобавлено: Сб янв 14, 2017 18:14:45 
Поставщик валерьянки для Кота
Аватар пользователя

Карма: 61
Рейтинг сообщений: 952
Зарегистрирован: Чт июн 26, 2014 17:05:10
Сообщений: 1969
Откуда: -Моск-
Рейтинг сообщения: 0
Скачайте в Сундуке Кота русскую версию Sprint-Layout 6.0, в ней обширнейший набор макросов радиокопонентов.
Все элементы на моём примере из этого "лайота" (даже лампёшка).
СпойлерИзображение


Вернуться наверх
 
 Заголовок сообщения: Re: Проверьте пожалуйста плату
СообщениеДобавлено: Вс янв 15, 2017 09:20:52 
Открыл глаза

Зарегистрирован: Сб янв 09, 2016 18:08:56
Сообщений: 75
Рейтинг сообщения: 0
Скачал, действительно, там есть все необходимые макросы :)
Теперь буду качественно платы разводить.


Вернуться наверх
 
Эиком - электронные компоненты и радиодетали
 Заголовок сообщения: Re: Проверьте пожалуйста плату
СообщениеДобавлено: Пн мар 20, 2017 01:48:31 
Друг Кота

Карма: -8
Рейтинг сообщений: 15
Зарегистрирован: Вс июл 24, 2011 11:38:09
Сообщений: 7640
Рейтинг сообщения: 0
Пытаюсь освоить импульсные БП, пару раз на вису чтото собирал, вот первый раз до платы добрался. Посмотрите может кто найдёт косяк.
Плата . Схема .


Вернуться наверх
 
 Заголовок сообщения: Re: Проверьте пожалуйста плату
СообщениеДобавлено: Пн мар 20, 2017 12:07:34 
Модератор
Аватар пользователя

Карма: 23
Рейтинг сообщений: 331
Зарегистрирован: Пт янв 11, 2013 19:19:26
Сообщений: 2117
Откуда: Санкт-Петербург
Рейтинг сообщения: 0
Медали: 1
Получил миской по аватаре (1)
А перемычку под 1С7 будет удобно паять и 1С7 будет не вплотную к плате.

3VD1 и 3VD2 на разных радиаторах будут? Или на одном но плоском?

Добавлено after 4 minutes 29 seconds:
2С3 может развернуть на 180, и к 2С11 по другому провести дорожку не под диодом, а то зазор как мне кажется маловат получаетьсяю

_________________
=========
Правила Форума ЗДЕСЬ _____ Правила раздела БАЗАР ЗДЕСЬ _____ Если вы продаете, прочтите ЗДЕСЬ

Редко появляюсь. Если вопрос не личного характера пользуйтесь кнопкой "!".


Вернуться наверх
 
 Заголовок сообщения: Re: Проверьте пожалуйста плату
СообщениеДобавлено: Пн мар 20, 2017 13:44:07 
Друг Кота

Карма: -8
Рейтинг сообщений: 15
Зарегистрирован: Вс июл 24, 2011 11:38:09
Сообщений: 7640
Рейтинг сообщения: 0
Картинку платы обновил.

Перемычку больше некуда сунуть, кондёру там родное место, а транс по высоте больше никуда не влезет. Тут сложнее 2R11 было сунуть, раз уж 1206 говорят дофига надо.

Диоды в оригинале в пластиковых корпусах без радиаторов, в 5-10мм от электролитов. Ток вроде как до 3А , хотя там частота преобразователя вдвое выше была, говорят 160кгц. Но сделал так чтоб можно было 3мм пластину сунуть.

2С3 развернул, а то чтото сам не додумал как его, вертел и никак :)

2С11 хоть и развернул, минусовую дорожку из под него некуда деть. Расстояние между ногами диода увеличил, и у кондёра. Тут наверно важнее расстояние между первичкой и вторичкой, чем между концами первички, ну обмажу силиконом что близко.
В оригинале его вообще не было, может и надо было лучше так сделать ? Они там как раз по краю платы шли, 2 у моста и 1 у предохранителя, да ещё и в силиконовых колпачках
Изображение


Вернуться наверх
 
 Заголовок сообщения: Re: Проверьте пожалуйста плату
СообщениеДобавлено: Пн мар 20, 2017 22:51:58 
Модератор
Аватар пользователя

Карма: 23
Рейтинг сообщений: 331
Зарегистрирован: Пт янв 11, 2013 19:19:26
Сообщений: 2117
Откуда: Санкт-Петербург
Рейтинг сообщения: 0
Медали: 1
Получил миской по аватаре (1)
Плата в орле? А то я подвигать хочу элементы, может что получится получше.

Добавлено after 7 minutes 13 seconds:
2С11 в СМД исполнении нельзя?

_________________
=========
Правила Форума ЗДЕСЬ _____ Правила раздела БАЗАР ЗДЕСЬ _____ Если вы продаете, прочтите ЗДЕСЬ

Редко появляюсь. Если вопрос не личного характера пользуйтесь кнопкой "!".


Вернуться наверх
 
 Заголовок сообщения: Re: Проверьте пожалуйста плату
СообщениеДобавлено: Вт мар 21, 2017 02:56:42 
Друг Кота

Карма: -8
Рейтинг сообщений: 15
Зарегистрирован: Вс июл 24, 2011 11:38:09
Сообщений: 7640
Рейтинг сообщения: 0
Кондёр только с ногами 4,7нф 1кв . Я уже подвигал что можно, даже ноги трансу поменял и перемычку убрал.
Если интересно проект тут.

Думаю уж делать пора, только странно получается резюки по диагонале. И с транзистором пока не понятно место под радиатор, но думаю если небольшой чтото впихну.

СпойлерСсылки на картинки должны были в очередной раз обновится, но чтото случилось, на гите такое бывает, так что там спрошлого поста. Хотя вроде продавил костылём
Код:
curl -X PURGE <url_закешированной_картинки>


Последний раз редактировалось 74LS00 Вт мар 21, 2017 03:03:44, всего редактировалось 2 раз(а).

Вернуться наверх
 
 Заголовок сообщения: Re: Проверьте пожалуйста плату
СообщениеДобавлено: Вт мар 21, 2017 03:01:42 
Модератор
Аватар пользователя

Карма: 23
Рейтинг сообщений: 331
Зарегистрирован: Пт янв 11, 2013 19:19:26
Сообщений: 2117
Откуда: Санкт-Петербург
Рейтинг сообщения: 0
Медали: 1
Получил миской по аватаре (1)
Так вы радиатор посчитайте и потом дополните а то не получится и придется переделывать.

_________________
=========
Правила Форума ЗДЕСЬ _____ Правила раздела БАЗАР ЗДЕСЬ _____ Если вы продаете, прочтите ЗДЕСЬ

Редко появляюсь. Если вопрос не личного характера пользуйтесь кнопкой "!".


Вернуться наверх
 
 Заголовок сообщения: Re: Проверьте пожалуйста плату
СообщениеДобавлено: Вт мар 21, 2017 03:08:08 
Друг Кота

Карма: -8
Рейтинг сообщений: 15
Зарегистрирован: Вс июл 24, 2011 11:38:09
Сообщений: 7640
Рейтинг сообщения: 0
Для меня это эксперементальная плата, первый раз с этой микрой связываюсь, когдато на проводках работало, но то более мощная схема была. Потому и знать не знаю как этот радиатор вычислять.
Да и с размером напряг, у меня резюки не влезают, так что под радиатор буду вешать просто пластинку на транзюк.
Плата должна быть конкретных размеров и формы и имено такой, тут даже уменьшить разве что 5мм справа можно, а увеличивать некуда.
Хотя появилась идея с минусом ещё кое что убрать


Вернуться наверх
 
 Заголовок сообщения: Re: Проверьте пожалуйста плату
СообщениеДобавлено: Вт мар 21, 2017 04:03:09 
Модератор
Аватар пользователя

Карма: 23
Рейтинг сообщений: 331
Зарегистрирован: Пт янв 11, 2013 19:19:26
Сообщений: 2117
Откуда: Санкт-Петербург
Рейтинг сообщения: 0
Медали: 1
Получил миской по аватаре (1)
Моя версия на скорую руку, да и ночь.

И посмотрите ширину проводников, уж очень она большая, кое где можно сократить и по другому провести.


Вложения:
ВЕРСИЯ.JPG [1.83 MiB]
Скачиваний: 592

_________________
=========
Правила Форума ЗДЕСЬ _____ Правила раздела БАЗАР ЗДЕСЬ _____ Если вы продаете, прочтите ЗДЕСЬ

Редко появляюсь. Если вопрос не личного характера пользуйтесь кнопкой "!".
Вернуться наверх
 
 Заголовок сообщения: Re: Проверьте пожалуйста плату
СообщениеДобавлено: Вт мар 21, 2017 05:02:01 
Друг Кота

Карма: -8
Рейтинг сообщений: 15
Зарегистрирован: Вс июл 24, 2011 11:38:09
Сообщений: 7640
Рейтинг сообщения: 0
Ширина может и завышена, разве что на выходах, но там и дорог мало, да и нижний диод не хочется опускать, по линии отверстий в корпусе перегородка, как бы не сел на что.
Да и широкие дорожки проще травить когда меньше пустот.

Малость подправил, картинка тамже с названием 201, на этот раз гит отказался обновлять кэш.

Резюк у полевика не хотел так ставить чтоб не мешал радиатор прикручивать, ну раз он экономить дороги пусть так и будет.

Диоды так стояли потомучто хотел универсаль под мост, но оказалось под него и библиотеки нет что проблема вообще для всех мостов(все корпуса не совподают) ну а потом както забыл, но так лучше будет. Такой мост всё равно очень редкий, нафик его.

Термистор между разъёмами наверно плохое решение, посохнут, а потом проводки к клемами лепить не круто.
Кондёр под дроссель пробовал, тесно. Слишком малое расстояние от сетевой цепи получается. Так что фильтр пусть как есть.

Может днём начну собирать уже


Вернуться наверх
 
 Заголовок сообщения: Re: Проверьте пожалуйста плату
СообщениеДобавлено: Вт мар 21, 2017 17:32:41 
Друг Кота
Аватар пользователя

Карма: 182
Рейтинг сообщений: 8343
Зарегистрирован: Пт фев 04, 2011 17:57:51
Сообщений: 20132
Откуда: Рыбинск
Рейтинг сообщения: 0
Медали: 1
Лучший человек Форума 2017 (1)
Более правильно было бы разместить трансформатор посередине платы , все силовые проводники получились бы более короткими.


Вернуться наверх
 
 Заголовок сообщения: Re: Проверьте пожалуйста плату
СообщениеДобавлено: Ср мар 22, 2017 00:04:02 
Друг Кота

Карма: -8
Рейтинг сообщений: 15
Зарегистрирован: Вс июл 24, 2011 11:38:09
Сообщений: 7640
Рейтинг сообщения: 0
Высота старого транса и всей платы 23мм, я нашёл ферит только на 31мм, не влезает он больше никуда. Так бы я не парясь поставил как оно было в оригинале, конденсаторы и дроссель фильтра и так стоят как в оригинале.

Вероятность того что схема заработает как надо не велика, поэтому разматывать старый транс не хочу. Известно только что частота должна быть около 160кгц, а вот что за форма не известно, тут я читаю что на трансе вообще пачки импульсом, а я то думал просто прямоугольник.
В общем плата экспериментальная вдвойне


Вернуться наверх
 
 Заголовок сообщения: Re: Проверьте пожалуйста плату
СообщениеДобавлено: Сб апр 15, 2017 01:04:11 
Первый раз сказал Мяу!
Аватар пользователя

Зарегистрирован: Пн мар 13, 2017 12:52:44
Сообщений: 31
Рейтинг сообщения: 0
Проверьте пожалуйста мою печатку относительно принципиальной схемы. В свое оправдание скажу, что делал разводку в первый раз, несмотря разные уроки и пособия.
http://itworkclub.ru/wp-content/uploads ... lock-1.png - Принципиальная схема
http://rgho.st/7rWXSXtcR - плата в .lay6
Изображение - скрин в layout


Вернуться наверх
 
 Заголовок сообщения: Re: Проверьте пожалуйста плату
СообщениеДобавлено: Сб июн 10, 2017 00:54:53 
Опытный кот
Аватар пользователя

Карма: 19
Рейтинг сообщений: 26
Зарегистрирован: Ср мар 15, 2017 23:40:22
Сообщений: 898
Рейтинг сообщения: 0
Чувак! Я те же часы делаю! И есть печатка по приличней. Вот как раз и хоетл сюда выложить что бы проверили.

Я просто хочу в место ИН-12 влепить ИН-14, но по сути одно и тоже...

Ув. коты, прошу вас, проверьте пожалуйста плату! Я проверял, но все таки надо убедиться наверняка! Заранее спасибо.

Вот ссылка на статью: http://itworkclub.ru/arduino-%D1%87%D0% ... %B0%D1%85/


Вложения:
arduino и ин-14.lay6 [218.06 KiB]
Скачиваний: 558

_________________
Андрей осторожно взял у нее коробочку и с удивлением
убедился, что это радиоприемник.
- Вот это да! - пробормотал он - Неужели детекторный?
(братья Стругацкие, Град обреченный)
Вернуться наверх
 
 Заголовок сообщения: Печатка от Вольтметр амперметра
СообщениеДобавлено: Пн июн 12, 2017 08:27:59 
Родился

Зарегистрирован: Пн июн 13, 2016 01:13:27
Сообщений: 5
Рейтинг сообщения: 0
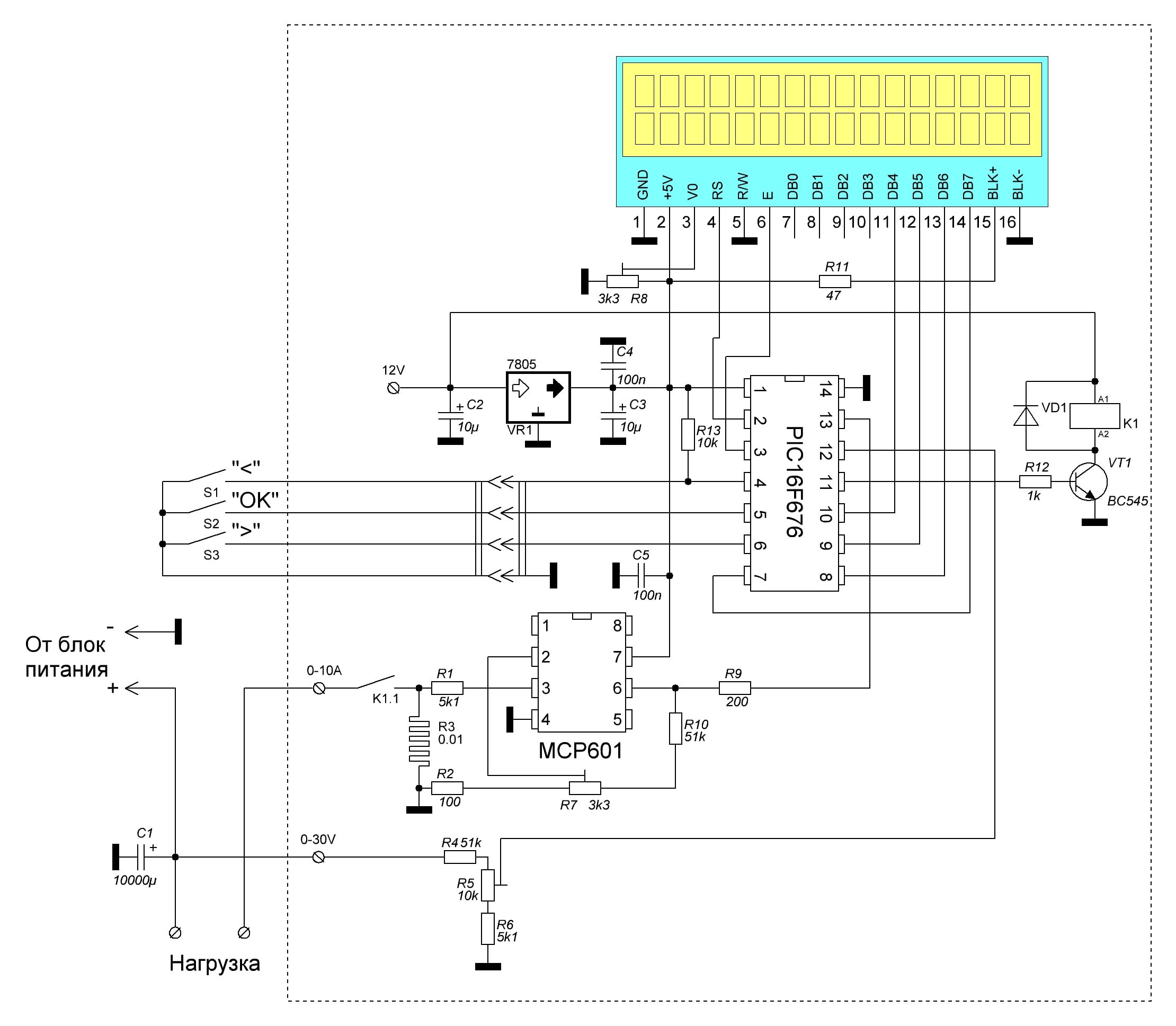
Печатка от Вольтметр амперметра

Доброго времени суток.Помогите проверить печатку на предмет ошибок разводки по схеме.Расскажу предысторию дабы не возникали такие ответы как <за тебя ни кто не будет пальцам по печатки водить>.Я конечно же сам проверил печатку и не один раз,наверное раз 20 точно,вроде все правильно.Но дело в том,что я страдаю какой то хронической не внимательностью.Я могу миллион раз все проверить и ошибки не найти.Вот к примеру паял я шим для регулятора двигателя,печатку развел,проверил 5 раз,спаял и не работает .У меня ушло неделя на поиск проблемы,но увы без успешно.Потом оказалось что я просто диод на печатки поставил не той стороной.Или же паял китайский кит набор,все спаял и опять же не работает,оказалось что два маленьких транзистора впаял не правильно,хотя на плате они были нарисованы.Но мой мозг настойчиво отказывался ставить их нужной стороной,и так я их перепаивал 3 раза.Надеюсь на ваше понимание и за рание спасибо.


Вложения:
Вольтметр амперметр.lay6 [74.26 KiB]
Скачиваний: 534
Вольтметр амперметр ваттметр SH-min.JPG [190.18 KiB]
Скачиваний: 573
Вернуться наверх
 
 Заголовок сообщения: Re: Проверьте пожалуйста плату
СообщениеДобавлено: Пн июн 12, 2017 22:30:43 
Модератор
Аватар пользователя

Карма: 23
Рейтинг сообщений: 331
Зарегистрирован: Пт янв 11, 2013 19:19:26
Сообщений: 2117
Откуда: Санкт-Петербург
Рейтинг сообщения: 0
Медали: 1
Получил миской по аватаре (1)
Если страдаете, пользуйтесь другими программами, где схема и трассировка взаимосвязаны, и нет возможности совершить случайную ошибку.

Добавлено after 18 minutes 54 seconds:
По виду правильно, конечно есть места где можно, а возможно и лучше, по другому, я бы развел. К примеры зачем перемычка с С5 на GND, если рядом есть GND у MCP601 всего то надо под резистором провести.
Ну и прошивку я так понимаю не поменять.

_________________
=========
Правила Форума ЗДЕСЬ _____ Правила раздела БАЗАР ЗДЕСЬ _____ Если вы продаете, прочтите ЗДЕСЬ

Редко появляюсь. Если вопрос не личного характера пользуйтесь кнопкой "!".


Вернуться наверх
 
 Заголовок сообщения: Re: Проверьте пожалуйста плату
СообщениеДобавлено: Пн июн 12, 2017 22:33:01 
Опытный кот
Аватар пользователя

Карма: 19
Рейтинг сообщений: 26
Зарегистрирован: Ср мар 15, 2017 23:40:22
Сообщений: 898
Рейтинг сообщения: 0
Люди добрые, а про меня забыли! Пожалуйста проверьте мою плату! У меня такой же синдром как и у того товарища...

_________________
Андрей осторожно взял у нее коробочку и с удивлением
убедился, что это радиоприемник.
- Вот это да! - пробормотал он - Неужели детекторный?
(братья Стругацкие, Град обреченный)


Вернуться наверх
 
Показать сообщения за:  Сортировать по:  Вернуться наверх
Начать новую тему Ответить на тему  [ Сообщений: 281 ]     ... , , , 11, , , ,  

Часовой пояс: UTC + 3 часа


Вы не можете начинать темы
Вы не можете отвечать на сообщения
Вы не можете редактировать свои сообщения
Вы не можете удалять свои сообщения
Вы не можете добавлять вложения

Найти:
Перейти:  


Powered by phpBB © 2000, 2002, 2005, 2007 phpBB Group
Русская поддержка phpBB
Extended by Karma MOD © 2007—2012 m157y
Extended by Topic Tags MOD © 2012 m157y