Например TDA7294

Форум РадиоКот • Просмотр темы - помогите расчитать емкостную трех точку на 140 кГц
Форум РадиоКот
Здесь можно немножко помяукать :)

Текущее время: Чт мар 19, 2026 09:35:29

Часовой пояс: UTC + 3 часа


ПРЯМО СЕЙЧАС:



Начать новую тему Ответить на тему  [ Сообщений: 18 ] 
Автор Сообщение
 Заголовок сообщения: помогите расчитать емкостную трех точку на 140 кГц
СообщениеДобавлено: Пт июл 04, 2014 23:10:45 
Открыл глаза
Аватар пользователя

Зарегистрирован: Чт фев 28, 2013 00:08:02
Сообщений: 43
Откуда: Украина
Рейтинг сообщения: 0
помогите расчитать емкостную трех точку на 1 транзисторе 140 кГц. Кто может помочь с расчетом хочу его использовать для управления нагрузкой по сети. Пытался что-то найти но успех не велик. с этой темой связался в первые. :solder:


Вложения:
2000-6-86.jpg [14.32 KiB]
Скачиваний: 809
1307355943_6.gif [3.08 KiB]
Скачиваний: 2140
Вернуться наверх
 
 Заголовок сообщения: Re: помогите расчитать емкостную трех точку на 140 кГц
СообщениеДобавлено: Пт июл 04, 2014 23:27:36 
Друг Кота
Аватар пользователя

Карма: 72
Рейтинг сообщений: 1165
Зарегистрирован: Чт ноя 20, 2008 04:20:48
Сообщений: 8108
Откуда: КурскЪ
Рейтинг сообщения: 0
Возьми схему генератора и намоточные данные отсюда.
http://radio-point.narod.ru/lowgener/lo ... ener1.html

_________________
Принимаю вас 595+40db на уровне шумов на кухонный приёмник,антенна наружка-магнитная катушка..работает "Акация",вот такая информация.Роман.73!!!
"50 КСВ 075", UA3112SWL
Изображение


Вернуться наверх
 
 Заголовок сообщения: Re: помогите расчитать емкостную трех точку на 140 кГц
СообщениеДобавлено: Пт июл 04, 2014 23:30:23 
Поставщик валерьянки для Кота
Аватар пользователя

Карма: 29
Рейтинг сообщений: 354
Зарегистрирован: Вс июл 11, 2010 14:39:04
Сообщений: 2458
Откуда: Россия.
Рейтинг сообщения: 0
А здесь тоже нет?
viewtopic.php?p=119016#p119016
aen писал(а):
Затухание слишком большое на частотах свыше 150 кгц, поэтому здесь например только такие несущие.
Раньше так "изгалялись ".
http://cxem.net/radiomic/radiomic113.php
http://rf.atnn.ru/s1/pereg.htm
http://vrtp.ru/index.php?s=1e77421b4717 ... =988&st=15
И ещё пять ссылок здесь.
http://vrtp.ru/index.php?act=categories&cat=19
А так, главное катушку подобрать. Частоту можно подогнать с помощью емкостей. Больше там считать нечего.
viewtopic.php?p=1432155#p1432155


Вернуться наверх
 
 Заголовок сообщения: Re: помогите расчитать емкостную трех точку на 140 кГц
СообщениеДобавлено: Сб июл 05, 2014 10:48:56 
Говорящий с текстолитом
Аватар пользователя

Карма: 17
Рейтинг сообщений: 181
Зарегистрирован: Пт дек 12, 2008 21:12:14
Сообщений: 1604
Откуда: Moscow
Рейтинг сообщения: 0
Вложение:
osc150.gif [7.29 KiB]
Скачиваний: 577
Мне кажется что для такой частоты индуктивная трехточка больше подойдет. просто нужно подобрать
данные контура на 150 кгц и сделать отвод от 1/4 витков. Точно положительнгую связь можно
подогнать дополнительными элементами.
Если емкостная трехточка то по видимому наверное схема прикрепленная в низу где емкость контура
состоит из С1+(С2С3/C2+C3) где С1 основная емкостная составляющая а с2 и с3 емкостной делитель
поожительной обратной связи который в свою очередь расчитывается из формулы Xc
и определяет глубину положительной связи. Сигнал генератора можно снять с точки А или В
в зависимости от входного сопротивления следующего каскада. Емкостными составляющими
транзистора можно пренебреч потому что для такой низкой частоты они влияния не оказывают.
На самом деле все это для детей Потму что для генератора существует несколько параметров \
такие как:
--стабильность выходного напряжения
-- стабильность частоты
-- стабильность формы (чистота спектра)
-- стабильность параметров от изменения нагрузки генератора
,,,и и это еще не все перечисленные поэтому болвану преподу нужно перечислить хотя бы основные.
и по этому профессиональные генераторы долеки от школьных схем.
// забыл нарисовать разделительный конденсатор в цепи базы но думаю разберутся , ну потому что физику
процесса в самом генераторе не возможно понять не изучив усилители на транзисторах.

Расчет схемы генератора делаем в 2 этапа. Вначале определяем напряжение источника питания, выбираем тип
транзистора и режим его работы в схеме с общим коллектором. Расчитываем сопротивление в цепи эмитера
в завизимости от тока эмитера и мощности генератора.
после тога как проверили схему с общим коллектором (эммитерный повторитель) можно приступить к
расчету контура генератора.
1. определяем оптимальное соотношение L/C и добротность контура.
Что такое соотношение L/С просто объяснить на примере механических колебаний которые одно х-нно записываются
дифференциальным уравнением математического маятника.
Вот пример -если груз большой(С) и веревка маленькая- то плохо ,если веревка длинная(L) а груз маленький тож
плохо. Оптимальное соотношение длинны и массы даем оптимальный расход Энергии и заухаюшие колебания.
Так и в колебательном контуре.


Вложения:
osc150.gif [7.47 KiB]
Скачиваний: 770
osc150.gif [7.47 KiB]
Скачиваний: 700

_________________
Еси хочешь чтоб комп был быстрым - ставь Пингвин,- он будет чистым
Вернуться наверх
 
Эиком - электронные компоненты и радиодетали
 Заголовок сообщения: Помощь с расчетом индуктивной 3-х точки
СообщениеДобавлено: Ср июл 09, 2014 10:13:53 
Открыл глаза
Аватар пользователя

Зарегистрирован: Чт фев 28, 2013 00:08:02
Сообщений: 43
Откуда: Украина
Рейтинг сообщения: 0
Подскажите где я ошибаюсь? И наставте на путь истиный

У меня еще вопрос
R1, R2, C1, C2 - по каким формулам считать, а то мне кажется они не верные?



А зачем новую тему?
Сюда перенес.
Продолжайте писать в своей уже существующей.
aen


Вложения:
Mathcad_________.pdf [516.79 KiB]
Скачиваний: 615
Вернуться наверх
 
 Заголовок сообщения: Re: Помощь с расчетом индуктивной 3-х точки
СообщениеДобавлено: Ср июл 09, 2014 11:03:13 
Говорящий с текстолитом
Аватар пользователя

Карма: 17
Рейтинг сообщений: 181
Зарегистрирован: Пт дек 12, 2008 21:12:14
Сообщений: 1604
Откуда: Moscow
Рейтинг сообщения: 0
R1 R3 и R2 считаем из расчета режима транзистора по постоянноиу току без генерации контур пока
отсутствует. R1-R2 делитель обеспечивающий ток базы. R3 резистор обеспечивающий температурную
компенсацию рабочей точки транзистора. C1 и C2 конденсаторы один разделительный второй шунтирующий
расчитываем как наименьшее Хc заданной частоты генератора так чтобы это сопротивление можно было
пренебреч по сравнению с с вхоходным или шунтируюшим ,, на рабочую чатоту при низких частотах
влияние почти неи оказывают.
Так можно посмотреть в чем ошибка но только за пиво.

_________________
Еси хочешь чтоб комп был быстрым - ставь Пингвин,- он будет чистым


Вернуться наверх
 
 Заголовок сообщения: Re: Помощь с расчетом индуктивной 3-х точки
СообщениеДобавлено: Ср июл 09, 2014 11:18:43 
Открыл глаза
Аватар пользователя

Зарегистрирован: Чт фев 28, 2013 00:08:02
Сообщений: 43
Откуда: Украина
Рейтинг сообщения: 0
Но я в украине. формулы можете подсказать. по расчету этих элементов.


Вернуться наверх
 
 Заголовок сообщения: Re: помогите расчитать емкостную трех точку на 140 кГц
СообщениеДобавлено: Ср июл 09, 2014 15:14:34 
Модератор
Аватар пользователя

Карма: 158
Рейтинг сообщений: 1600
Зарегистрирован: Пт апр 28, 2006 15:26:07
Сообщений: 11940
Откуда: Россия.
Рейтинг сообщения: 0
Медали: 2
Мявтор 3-й степени (1) Лучший человек Форума 2017 (1)
Vovchik.fva писал(а):
R1, R2, C1, C2 - по каким формулам считать, а то мне кажется они не верные?
Ссылка на ж. Радио 7-1964 год.
http://publ.lib.ru/ARCHIVES/R/''Radio'' ... fax%5d.zip
Стр. 40 - 42

Это стр. 40

Изображение


Вложения:
1.JPG [143.21 KiB]
Скачиваний: 3198
Вернуться наверх
 
 Заголовок сообщения: Re: помогите расчитать емкостную трех точку на 140 кГц
СообщениеДобавлено: Ср июл 09, 2014 15:39:28 
Потрогал лапой паяльник
Аватар пользователя

Карма: 15
Рейтинг сообщений: 99
Зарегистрирован: Пн окт 22, 2012 16:12:32
Сообщений: 338
Откуда: Иркутск, R0SBW
Рейтинг сообщения: 0
Для курсового, ссылка на журнал "Радио" - BD.
Для спаять, и поиграться - ОК.

_________________
Пацаны, не бойтесь меня – ни чему ХОРОШЕМУ я Вас не научу!


Вернуться наверх
 
 Заголовок сообщения: Re: помогите расчитать емкостную трех точку на 140 кГц
СообщениеДобавлено: Ср июл 09, 2014 16:42:34 
Модератор
Аватар пользователя

Карма: 158
Рейтинг сообщений: 1600
Зарегистрирован: Пт апр 28, 2006 15:26:07
Сообщений: 11940
Откуда: Россия.
Рейтинг сообщения: 0
Медали: 2
Мявтор 3-й степени (1) Лучший человек Форума 2017 (1)
Suh писал(а):
Для курсового, ссылка на журнал "Радио" - BD.
Судя по уровню задаваемых вопросов ТС, Вы считаете, что ему нужно было такую ссылку дать.
Книжка у меня перед носом лежит.
И что это ему полезного даст?

Изображение


Вложения:
11.JPG [335.36 KiB]
Скачиваний: 1833
Вернуться наверх
 
 Заголовок сообщения: Re: помогите расчитать емкостную трех точку на 140 кГц
СообщениеДобавлено: Ср июл 09, 2014 17:32:46 
Открыл глаза
Аватар пользователя

Зарегистрирован: Чт фев 28, 2013 00:08:02
Сообщений: 43
Откуда: Украина
Рейтинг сообщения: 0
Я вам свой расчет предоставил. вы конкретно него можете подсказать? Готовые варианты не интересуют важен расчет и познание не понятого.


Вернуться наверх
 
 Заголовок сообщения: Re: помогите расчитать емкостную трех точку на 140 кГц
СообщениеДобавлено: Ср июл 09, 2014 19:25:52 
Друг Кота
Аватар пользователя

Карма: 64
Рейтинг сообщений: 1102
Зарегистрирован: Ср ноя 17, 2010 23:10:55
Сообщений: 5837
Откуда: Ижевск LO66NU
Рейтинг сообщения: 0
Vovchik.fva писал(а):
R1, R2, C1, C2 - по каким формулам считать, а то мне кажется они не верные?
Так и попробуйте для начала прогнать рассчитанную схему в каком-нибудь симуляторе и, если там всё сойдется, собрать на макетке. Расчеты расчетами, а узнать точно можно только из практики.

_________________
В начале жизнь мучает вопросами, в конце - ответами...


Вернуться наверх
 
 Заголовок сообщения: Re: помогите расчитать емкостную трех точку на 140 кГц
СообщениеДобавлено: Ср июл 09, 2014 19:35:10 
Мудрый кот
Аватар пользователя

Карма: 27
Рейтинг сообщений: 77
Зарегистрирован: Пн июн 24, 2013 23:00:42
Сообщений: 1781
Откуда: Казахстан
Рейтинг сообщения: 0
А зачем трехточка? Почему бы не использовать NE555 например.

_________________
Изображение
Ваши хотелки за ваши деньги


Вернуться наверх
 
 Заголовок сообщения: Re: помогите расчитать емкостную трех точку на 140 кГц
СообщениеДобавлено: Ср июл 09, 2014 21:16:19 
Друг Кота
Аватар пользователя

Карма: 64
Рейтинг сообщений: 1102
Зарегистрирован: Ср ноя 17, 2010 23:10:55
Сообщений: 5837
Откуда: Ижевск LO66NU
Рейтинг сообщения: 0
Vovchik.fva писал(а):
важен расчет и познание не понятого.

_________________
В начале жизнь мучает вопросами, в конце - ответами...


Вернуться наверх
 
 Заголовок сообщения: Re: помогите расчитать емкостную трех точку на 140 кГц
СообщениеДобавлено: Чт июл 10, 2014 09:11:12 
Открыл глаза
Аватар пользователя

Зарегистрирован: Чт фев 28, 2013 00:08:02
Сообщений: 43
Откуда: Украина
Рейтинг сообщения: 0
Зачетно!



"NE555" нужен синус. Поэтому не подходит.


Вернуться наверх
 
 Заголовок сообщения: Re: помогите расчитать емкостную трех точку на 140 кГц
СообщениеДобавлено: Вт авг 05, 2014 20:16:05 
Друг Кота
Аватар пользователя

Карма: 77
Рейтинг сообщений: 1247
Зарегистрирован: Вс мар 29, 2009 22:09:05
Сообщений: 7518
Рейтинг сообщения: 0
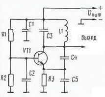
Я отнюдь не великий гуру автогенераторов, но предложу свой вариант расчета. Если я где-то неправ, пускай знающие люди меня поправят.

Итак, это я бы рассчитывал следующим образом:

Изображение

Пускай для простоты питание будет 5 В.

1. Расчет собственно усилительного каскада

1.1 Выбираем ток каскада с тем расчетом, чтобы хватило на подпитку контура и на какую-никакую, но нагрузку. Возьмем, например, 2 мА.
1.2 Мы хотим, чтобы на коллекторе транзистора была половина питания - стандартное условие при расчете усилителя. Исходя из этого считаем R3 = 2.5 / 0.002 = 1.3 кОм.
1.3 Выбираем резистор R4 равным, например, 100 Ом - это стандартная практика.
1.4 Исходя из выбранного тока считаем необходимое смещение на базе с учетом падения база-эмиттер: ((0.002 А * 100 Ом) + 0.6 В) = 0.8 В.
1.5 Рассчитываем делитель в базе (R1/R2) исходя из требуемого напряжения. Сопротивления берем в районе килоом, чтобы обеспечить требуемый ток базы (исходя из свойств эмиттерного повторителя, которым этот каскад является относительно R4). Например, возьмем R1 = 5.1 к, R2 = 1 к.

2. Превращение усилителя в генератор

2.1 C2 я бы не устанавливал. Он нужен для максимизации усиления на переменном токе. Без него усиление будет более предсказуемо - оно будет равно R3/R4, в нашем случае - 13, чего более чем достаточно. Еще можно попробовать просимулировать каскад чтобы убедиться, что на желаемой частоте генерации усиление будет больше единицы.

2.2 C1 выбирается исходя из минимального импеданса на рабочей частоте. Я бы поставил керамику 1 мкФ.

2.3 C3 и C4 я бы взял равных номиналов.

2.4 Далее по формуле Томсона рассчитываем колебательный контур на рабочую частоту. Конденсатор колебательного контура разбит на два - C3/C4, которые включены параллельно. Соответственно, они будут в два раза больше расчетной емкости.

С5 - фильтрующий, я бы поставил керамику 1 мкФ. С6 - разделительный, то же самое.

Все, дальше генератор можно собрать и окончательно подогнать частоту экспериментально, например, подстроечным сердечником в катушке.

_________________
Разница между теорией и практикой на практике гораздо больше, чем в теории.


Вернуться наверх
 
 Заголовок сообщения: Re: помогите расчитать емкостную трех точку на 140 кГц
СообщениеДобавлено: Ср авг 06, 2014 07:26:46 
Держит паяльник хвостом
Аватар пользователя

Карма: 42
Рейтинг сообщений: 393
Зарегистрирован: Ср июн 27, 2007 17:09:12
Сообщений: 970
Рейтинг сообщения: 0
YS писал(а):
Мы хотим, чтобы на коллекторе транзистора была
Если Вашу схему перерисовать более понятно, то видим, что у Вас обычный генератор Пирса.
Вот исходя из этого и нужно вести расчет.

Изображение

Самое простое, набрать в гугле
расчет генератора пирса
и вперед.


Вложения:
2.JPG [14.96 KiB]
Скачиваний: 1710
Вернуться наверх
 
 Заголовок сообщения: Re: помогите расчитать емкостную трех точку на 140 кГц
СообщениеДобавлено: Ср авг 06, 2014 22:45:59 
Друг Кота
Аватар пользователя

Карма: 77
Рейтинг сообщений: 1247
Зарегистрирован: Вс мар 29, 2009 22:09:05
Сообщений: 7518
Рейтинг сообщения: 0
Цитата:
Самое простое, набрать в гугле


Ну так я, собственно, хотел избавить топикстартера от необходимости гуглить. По крайней мере, на первом этапе. :)

_________________
Разница между теорией и практикой на практике гораздо больше, чем в теории.


Вернуться наверх
 
Показать сообщения за:  Сортировать по:  Вернуться наверх
Начать новую тему Ответить на тему  [ Сообщений: 18 ] 

Часовой пояс: UTC + 3 часа


Вы не можете начинать темы
Вы не можете отвечать на сообщения
Вы не можете редактировать свои сообщения
Вы не можете удалять свои сообщения
Вы не можете добавлять вложения

Найти:
Перейти:  


Powered by phpBB © 2000, 2002, 2005, 2007 phpBB Group
Русская поддержка phpBB
Extended by Karma MOD © 2007—2012 m157y
Extended by Topic Tags MOD © 2012 m157y