Например TDA7294

Форум РадиоКот • Просмотр темы - Мультивибратор. Обьясните, в чем дело?
Форум РадиоКот
Здесь можно немножко помяукать :)

Текущее время: Вс окт 26, 2025 10:39:36

Часовой пояс: UTC + 3 часа


ПРЯМО СЕЙЧАС:



Начать новую тему Ответить на тему  [ Сообщений: 58 ]  1, ,  
Автор Сообщение
Не в сети
 Заголовок сообщения: Мультивибратор. Обьясните, в чем дело?
СообщениеДобавлено: Вт май 05, 2009 16:07:09 
Первый раз сказал Мяу!

Зарегистрирован: Вт май 05, 2009 13:49:45
Сообщений: 23
Рейтинг сообщения: 0
Собрал схему, включил, вместо поочередного моргания светодиоды просто светятся, но при случайном соединении корпусов конденсаторов пальцами мультивибратор заработал как положено. Потом я соеденил их проводком (показан стрелкой) - работает. Почему так?


Вложения:
05052009161.jpg [64.03 KiB]
Скачиваний: 950
Вернуться наверх
 
Не в сети
 Заголовок сообщения:
СообщениеДобавлено: Вт май 05, 2009 16:41:46 
Модератор
Аватар пользователя

Карма: 14
Рейтинг сообщений: 37
Зарегистрирован: Чт дек 11, 2008 14:52:26
Сообщений: 11492
Откуда: град Нижний
Рейтинг сообщения: 0
Если светятся, то очевидно они переключаются с большой частотой, а не на той, с которой нужно..
А когда ты "закоротил" корпуса кондёров между собой, то ты внёс в схему дополнительную ёмкость и тем самым "задавил" не нужные колебания...


Вернуться наверх
 
Не в сети
 Заголовок сообщения:
СообщениеДобавлено: Вт май 05, 2009 16:51:39 
Друг Кота
Аватар пользователя

Карма: 44
Рейтинг сообщений: 601
Зарегистрирован: Вс мар 04, 2007 11:39:00
Сообщений: 4469
Откуда: Ukraine, Kyiv
Рейтинг сообщения: 0
Последовательно со светодиодами должны стоять токоограничивающие резисторы, неважно - к коллекторам транзисторов, или к питанию. А конденсаторы подключаются к коллекторам. Иначе, поскольку на светодиодах падает (в зависимости от их цвета) 1,7...3 В (Uпад), на коллекторах при открытых транзисторах не почти ноль (как должно быть), а Uпит - Uпад, т.е. не хватает напряжения для закрывания транзистора противоположного плеча - оба всегда открыты через базовые резисторы (2,2 кОм).

_________________
Выслушай и противную сторону, даже если она и противна


Вернуться наверх
 
Не в сети
 Заголовок сообщения:
СообщениеДобавлено: Вт май 05, 2009 17:58:24 
Первый раз сказал Мяу!

Зарегистрирован: Вт май 05, 2009 13:49:45
Сообщений: 23
Рейтинг сообщения: 0
С той схемой разобрался. А что может быть в этой схеме? Она должна плавно переключать светодиоды (плавно загораются и плавно гаснут поочередно), но опять же они просто светят.


Вложения:
03042009073.jpg [70.46 KiB]
Скачиваний: 919
Вернуться наверх
 
Эиком - электронные компоненты и радиодетали
Не в сети
 Заголовок сообщения:
СообщениеДобавлено: Вт май 05, 2009 18:14:27 
Друг Кота
Аватар пользователя

Карма: 44
Рейтинг сообщений: 601
Зарегистрирован: Вс мар 04, 2007 11:39:00
Сообщений: 4469
Откуда: Ukraine, Kyiv
Рейтинг сообщения: 0
Иллюстрации Вы делаете красивые - респект. Но очень уж малоинформативные (детали перекрывают связи). Просто выложите саму схему, безо всех этих буржуйских прибамбасов для тупых чайников. Небось, разберемся...

_________________
Выслушай и противную сторону, даже если она и противна


Вернуться наверх
 
Не в сети
 Заголовок сообщения:
СообщениеДобавлено: Вт май 05, 2009 18:35:54 
Первый раз сказал Мяу!

Зарегистрирован: Вт май 05, 2009 13:49:45
Сообщений: 23
Рейтинг сообщения: 0
Вот, пожалуйста...


Вложения:
1.jpg [16.58 KiB]
Скачиваний: 924
Вернуться наверх
 
Не в сети
 Заголовок сообщения:
СообщениеДобавлено: Вт май 05, 2009 20:41:23 
Друг Кота
Аватар пользователя

Карма: 44
Рейтинг сообщений: 601
Зарегистрирован: Вс мар 04, 2007 11:39:00
Сообщений: 4469
Откуда: Ukraine, Kyiv
Рейтинг сообщения: 0
СХЕМА - значит не рисунок микросхемы, а УГО (условные графические обозначения) ее элементов. Это значит - надо искать даташит на LM324, потом вырисовывать по ножкам свою схему, а уж потом - думать, что с ней такое...

Отходите от этих гнилых буржуинских прибамбасов...

_________________
Выслушай и противную сторону, даже если она и противна


Вернуться наверх
 
Не в сети
 Заголовок сообщения:
СообщениеДобавлено: Вт май 05, 2009 22:22:41 
Модератор
Аватар пользователя

Карма: 13
Рейтинг сообщений: 14
Зарегистрирован: Вс июн 01, 2008 00:17:35
Сообщений: 4673
Откуда: Я всего лишь плод вашего воображения...
Рейтинг сообщения: 0
Медали: 1
Получил миской по аватаре (1)
aliasnew писал(а):
Собрал схему, включил, вместо поочередного моргания светодиоды просто светятся, но при случайном соединении корпусов конденсаторов пальцами мультивибратор заработал как положено. Потом я соеденил их проводком (показан стрелкой) - работает. Почему так?


Вы эту схему рассчитали предварительно, или просто собрали? Я вас решительно прошу - мультивибратор на транзе требует расчета, иначе может быть срыв генерации.

Цитата:
С той схемой разобрался. А что может быть в этой схеме? Она должна плавно переключать светодиоды (плавно загораются и плавно гаснут поочередно), но опять же они просто светят.


Что, оба светят? Это Нансенс и Амундсенс. Светить должен кто-то один, иначе это не мигалка.... :)

А в вашей схеме иное и невозможно - транзисторы открываются при строго разных сигналах. Если ничего не напутано. Но вообще схема жуткая. Фтопку ее.

Теперь конкретнее. Представьте себе (на минуту), что на выходе первого ОУ из LM324 стоит 5В (понятно, что это абстракция, там не райл-ту-райл). Ну может же быть такое? И должно быть, вообще-то, иногда. Вне зависимости от состояния выхода второго ОУ на положительном входе второго ОУ будет что-то большее, чем 2,5В, которые вы сформировали делителем. Ибо если на выходе второго ОУ стоит 5В, то межвыходной делитель 47кОм/100кОм понятно что даст, а при нуле на оном будет три с небольшим вольта. И на выходе второго ОУ будет 5В в упоре. Тогда кондей и резистор (времязадающая цепь) окажутся промеж 5В и 5В. Кондей не будет ни заряжаться ни разряжаться. Аллес.

_________________
Знание - сила!


Вернуться наверх
 
Не в сети
 Заголовок сообщения:
СообщениеДобавлено: Вт май 05, 2009 22:54:09 
Друг Кота
Аватар пользователя

Карма: 44
Рейтинг сообщений: 601
Зарегистрирован: Вс мар 04, 2007 11:39:00
Сообщений: 4469
Откуда: Ukraine, Kyiv
Рейтинг сообщения: 0
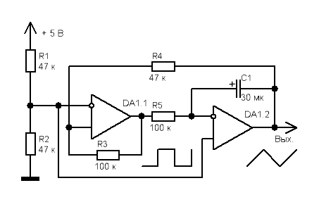
Не совсем так, Пухич, первый ОУ (1, 2, 3) представляет собой интегратор, а второй (5, 6, 7) - компаратор с гистерезисом. Резисторы по 47 кОм формируют "искусственную среднюю точку". Резистор с 7-го выхода на 2-й вход задает полярность формирования пилы (спад или нарастание), резистор 47 кОм с 1-го выхода на 5-й вход - управляет компаратором. Резистор 100 кОм с 7-го выхода на 5-й вход - задает гистерезис.

Схема до боли примитивно-классическая, скорее всего, содрана. При правильно подобранных номиналах не работать не имеет права.

Работоспособность можно проверить даже без осциллографа, подключив светодиод с последовательным резистором где-то на 1 кОм с 7-го выхода на землю или на +пит. Если будет мигать - значит работает. Только правильно соблюсти полярность светодиода!

Лажа, скорее всего, в управлении эмиттерными повторителями. Но как исправить этот трабл - после получения ответа о том, что схема формирует меандр.

_________________
Выслушай и противную сторону, даже если она и противна


Вернуться наверх
 
Не в сети
 Заголовок сообщения:
СообщениеДобавлено: Вт май 05, 2009 23:48:15 
Модератор
Аватар пользователя

Карма: 13
Рейтинг сообщений: 14
Зарегистрирован: Вс июн 01, 2008 00:17:35
Сообщений: 4673
Откуда: Я всего лишь плод вашего воображения...
Рейтинг сообщения: 0
Медали: 1
Получил миской по аватаре (1)
Цитата:
первый ОУ (1, 2, 3) представляет собой интегратор, а второй (5, 6, 7) - компаратор с гистерезисом.


Ну это я понял. :)

А толку? Если схема вполне способна встать в позу?

Цитата:
Резисторы по 47 кОм формируют "искусственную среднюю точку".


Об чем я и написал. Но - см. выше.

Цитата:
Схема до боли примитивно-классическая, скорее всего, содрана. При правильно подобранных номиналах не работать не имеет права.


А вот не совсем она "примитивно-классическая". "Примитивно-классическая" схема генератора на ОУ с однополярным питанием содержит один ОУ, четыре резюка и один кондей. Здесь всего больше. :)

_________________
Знание - сила!


Вернуться наверх
 
Не в сети
 Заголовок сообщения:
СообщениеДобавлено: Ср май 06, 2009 07:48:41 
Друг Кота
Аватар пользователя

Карма: 44
Рейтинг сообщений: 601
Зарегистрирован: Вс мар 04, 2007 11:39:00
Сообщений: 4469
Откуда: Ukraine, Kyiv
Рейтинг сообщения: 0
Видимо, у нас различные представления о "примитивности". Та схема, о которой пишете Вы - простой мультивибратор, а та, которую исследует топикавтор - т.н. "функциональный генератор", формирующий ТРЕУГОЛЬНОЕ напряжение. Потому и 2 ОУ. Описывалась в куче источников.

Ниже - скан из справочника "Электронные схемы на ОУ" В.И.Щербакова и Г.И.Грездова.- К.: Техника, 1983 (!!!).- С.72. Схема - генератора квадратурных колебаний, состоящая из 2-х зацикленных звеньев с хвухполярным питанием (поэтому нет формирователя искусственной средней точки). Любое из них - имено то, что сваял топикавтор (верхняя схема).
Пухич писал(а):
А толку? Если схема вполне способна встать в позу?
А вот тут Вы категорически заблуждаетесь. "В позу" она никогда не станет за счет ОС через резистор R4 (на моей схеме) при условии работоспособности деталей. Компаратор DA1.1 всегда будет переключаться при достижении пилы на выходе DA1.2 напряжения переключения. При этом пила пойдет в другую сторону до следующего переключения компаратора.

P.S. Топикавтору: Когда я писал "выложите схему", я имел в виду имено СХЕМУ, которую вычертил за Вас, а не рисунок.


Вложения:
.GIF [3.98 KiB]
Скачиваний: 1020
.jpg [90.49 KiB]
Скачиваний: 500

_________________
Выслушай и противную сторону, даже если она и противна
Вернуться наверх
 
Не в сети
 Заголовок сообщения:
СообщениеДобавлено: Ср май 06, 2009 09:31:47 
Прорезались зубы
Аватар пользователя

Зарегистрирован: Сб авг 25, 2007 19:52:50
Сообщений: 220
Откуда: Санкт-Петербург
Рейтинг сообщения: 0
мне одному кажется,что у автора конденсатор явно не на 30мкф стоит?


Вернуться наверх
 
Не в сети
 Заголовок сообщения:
СообщениеДобавлено: Ср май 06, 2009 13:16:05 
Друг Кота
Аватар пользователя

Карма: 44
Рейтинг сообщений: 601
Зарегистрирован: Вс мар 04, 2007 11:39:00
Сообщений: 4469
Откуда: Ukraine, Kyiv
Рейтинг сообщения: 0
Если на 30 мкф, то это скорее всего К50-6, а он именно такого размера...

_________________
Выслушай и противную сторону, даже если она и противна


Вернуться наверх
 
Не в сети
 Заголовок сообщения:
СообщениеДобавлено: Ср май 06, 2009 14:29:05 
Модератор
Аватар пользователя

Карма: 14
Рейтинг сообщений: 37
Зарегистрирован: Чт дек 11, 2008 14:52:26
Сообщений: 11492
Откуда: град Нижний
Рейтинг сообщения: 0
Мяу всем..
то это скорее всего К50-6
Какой К50-6 :shock: Это максимум 1мкФ..
И очевидно схема просто переключается с большой частотой и кажется, что горят оба светодиода...


Вернуться наверх
 
Не в сети
 Заголовок сообщения:
СообщениеДобавлено: Ср май 06, 2009 15:14:28 
Друг Кота
Аватар пользователя

Карма: 44
Рейтинг сообщений: 601
Зарегистрирован: Вс мар 04, 2007 11:39:00
Сообщений: 4469
Откуда: Ukraine, Kyiv
Рейтинг сообщения: 0
Миль пардон :oops: . С К50-6 я, конечно, лажанулся - чего-то "зациклился" на самой первой схеме, а пересмотреть было влом. Это т.н. "окукленный" конденсатор (тип сейчас не припомню, и вроде бы даже танталовый). Бывают до 47...100 мкф, так что никак не 1 мкф.

Но что-то топикавтор с горизонта исчез? А без него - это все гадание на кофейной гуще.

_________________
Выслушай и противную сторону, даже если она и противна


Вернуться наверх
 
Не в сети
 Заголовок сообщения:
СообщениеДобавлено: Ср май 06, 2009 19:27:20 
Модератор
Аватар пользователя

Карма: 13
Рейтинг сообщений: 14
Зарегистрирован: Вс июн 01, 2008 00:17:35
Сообщений: 4673
Откуда: Я всего лишь плод вашего воображения...
Рейтинг сообщения: 0
Медали: 1
Получил миской по аватаре (1)
Цитата:
Видимо, у нас различные представления о "примитивности". Та схема, о которой пишете Вы - простой мультивибратор, а та, которую исследует топикавтор - т.н. "функциональный генератор", формирующий ТРЕУГОЛЬНОЕ напряжение. Потому и 2 ОУ. Описывалась в куче источников.


Я подумал, что речь именно о мультике.

Цитата:
А вот тут Вы категорически заблуждаетесь. "В позу" она никогда не станет


Я при анализе промохал опорное на интеграторе. :)
Из-за его наличия схема не имеет устойчивых состояний. Будет генерить. И свечение светиков будет плавно меняться, раз с интегратора снимаем сигнал. Очень хорошая схема, не видел такой раньше. Идея-то ведь простая - простой интегратор и компаратор (правда чуть асимметричный будет треугольник при однополярном питании и хорошем райле не землю). Треугольный генератор я делал весьма давно для ШИМа, но там у меня компаратор, вместо переключения сигнала на интеграторе, производил разряд кондея. Тут все куда проще, это факт. Только чуть напильником подрихтовать.

А вот почему у автора не генерит? Чего у него на выходе первого ОУ?

_________________
Знание - сила!


Вернуться наверх
 
Не в сети
 Заголовок сообщения:
СообщениеДобавлено: Ср май 06, 2009 19:35:15 
Друг Кота
Аватар пользователя

Карма: 44
Рейтинг сообщений: 601
Зарегистрирован: Вс мар 04, 2007 11:39:00
Сообщений: 4469
Откуда: Ukraine, Kyiv
Рейтинг сообщения: 0
Пухич писал(а):
Я при анализе проморгал опорное на интеграторе.
А все потому, что топикавтор рисует не нормальные схемы, а картинки, перенятые у буржуинов для тупых чайников (могущих только собрать что-то готовое и примитивное). Но МЫ-то не такие! :)))
Цитата:
А вот почему у автора не генерит? Чего у него на выходе первого ОУ?
Подождем, что он отпишет...

_________________
Выслушай и противную сторону, даже если она и противна


Вернуться наверх
 
Не в сети
 Заголовок сообщения:
СообщениеДобавлено: Ср май 06, 2009 23:17:37 
Первый раз сказал Мяу!

Зарегистрирован: Вт май 05, 2009 13:49:45
Сообщений: 23
Рейтинг сообщения: 0
Извините за отсутствие, небыло времени. Рисунок - это все что я нашел на каком то сайте, по ней и собирал. Хочу сказать спасибо тем кто отписался и обьяснял принцип работы схемы, но мне это все не понятно, т.к. род деятельности у меня совсем другой, а схемки собираю всякие потому что интересно.
Кондер я поставил 33 микрофарада (33µ написано на нем).
Я проверил схему ссвеодиодом как писал falkonist - мигает.


Вернуться наверх
 
Не в сети
 Заголовок сообщения:
СообщениеДобавлено: Ср май 06, 2009 23:35:13 
Модератор
Аватар пользователя

Карма: 13
Рейтинг сообщений: 14
Зарегистрирован: Вс июн 01, 2008 00:17:35
Сообщений: 4673
Откуда: Я всего лишь плод вашего воображения...
Рейтинг сообщения: 0
Медали: 1
Получил миской по аватаре (1)
А с какой частотой мигает?

_________________
Знание - сила!


Вернуться наверх
 
Не в сети
 Заголовок сообщения:
СообщениеДобавлено: Ср май 06, 2009 23:49:46 
Первый раз сказал Мяу!

Зарегистрирован: Вт май 05, 2009 13:49:45
Сообщений: 23
Рейтинг сообщения: 0
Ну, на глаз, 5-7 герц.


Последний раз редактировалось aliasnew Ср май 06, 2009 23:56:51, всего редактировалось 2 раз(а).

Вернуться наверх
 
Показать сообщения за:  Сортировать по:  Вернуться наверх
Начать новую тему Ответить на тему  [ Сообщений: 58 ]  1, ,  

Часовой пояс: UTC + 3 часа


Кто сейчас на форуме

Сейчас этот форум просматривают: roman.com и гости: 21


Вы не можете начинать темы
Вы не можете отвечать на сообщения
Вы не можете редактировать свои сообщения
Вы не можете удалять свои сообщения
Вы не можете добавлять вложения

Найти:
Перейти:  


Powered by phpBB © 2000, 2002, 2005, 2007 phpBB Group
Русская поддержка phpBB
Extended by Karma MOD © 2007—2012 m157y
Extended by Topic Tags MOD © 2012 m157y