Например TDA7294

Форум РадиоКот • Просмотр темы - УКВ-ЧМ тюнер на К174ХА34 (TDA7021)
Форум РадиоКот
Здесь можно немножко помяукать :)

Текущее время: Вт окт 21, 2025 04:29:23

Часовой пояс: UTC + 3 часа


ПРЯМО СЕЙЧАС:



Начать новую тему Ответить на тему  [ Сообщений: 735 ]     ... , , , 27, , , ...  
Автор Сообщение
Не в сети
 Заголовок сообщения: Re: УКВ-ЧМ тюнер на К174ХА34 (TDA7021)
СообщениеДобавлено: Чт июл 07, 2016 13:10:19 
Собутыльник Кота
Аватар пользователя

Карма: 47
Рейтинг сообщений: 911
Зарегистрирован: Ср дек 04, 2013 14:37:35
Сообщений: 2879
Откуда: Санкт Петербург
Рейтинг сообщения: 0
Я бы сразу собрал макет на ИС в колодке, навесным монтажом, (но короткими проводами) чтобы не перепахивать плату.
Всех, кто делает одно устройство, не на SMD, агитирую использовать для плат НЕ фольгированный текстолит, а дорожки прокладывать лужёнкой нужного диаметра.
Никто не слушает. При настройке уродуют платы, теряют время и материал. :kill:


Предлагаю другой порядок настройки.
1) - уменьшить конденсатор в антенне до 2 - 4,7 пф,
2) - гетеродинную катушку - 4 витка ПЭВ 0,9 и КПЕ 4 - 40 пФ (переключатель и варикап с обвязкой убрать)
3) питание от батареи 4,5В (я питаю эти ИС от 5 - 6В - под завязку, чтобы ограничения по питанию не возникали внутри ИС РП)

_________________
С уважением, ВикторС.


Вернуться наверх
 
Не в сети
 Заголовок сообщения: Re: УКВ-ЧМ тюнер на К174ХА34 (TDA7021)
СообщениеДобавлено: Чт июл 07, 2016 17:16:19 
Встал на лапы

Карма: 2
Рейтинг сообщений: 3
Зарегистрирован: Вс авг 23, 2015 08:14:05
Сообщений: 133
Рейтинг сообщения: 0
ну дык, хочется ведь красиво, для себя как никак :) это я про плату ... эт всё Русский авось, авось сразу, с первого раза получиться :)

конденсатор на антенне попробовал уменьшить, правда небыло 2-4.7 минимальный был 10, его и использовал, вот только что 10 что 160 разница 0, как шипело так и шипит

гетеродинную катушку на плате не стал трогать, как и варикап, попробую на макетке (переключателя диапазонов у меня изначально небыло ибо меняя интересует только 88-108 диапазон)

питание попробовал от 4 батареек АА, они у меня подсевшие, как-раз 4.6 выдавали, в нагрузке 4.3, но также шипит

ради интереса попробовал впаять УРЧ, проверить с ним лучше или хуже чувствительность, оказалось намного лучше, ещё штук 10 станций сквозь шум поймал, и появилась странность, станция сквозь шум громко работает но слов не разобрать, далее чуть крутнёш настройку, громкость резко падает зато качество звучания резко увеличивается, хоть и фон в виде ш-ш-ш-ш-ш есть ...


вобщем соберу на макетке свою схему и схему отсюда (которая в клеточку) и отпишусь о результатах


Вернуться наверх
 
Не в сети
 Заголовок сообщения: Re: УКВ-ЧМ тюнер на К174ХА34 (TDA7021)
СообщениеДобавлено: Вт июл 12, 2016 08:16:15 
Встал на лапы

Карма: 2
Рейтинг сообщений: 3
Зарегистрирован: Вс авг 23, 2015 08:14:05
Сообщений: 133
Рейтинг сообщения: 0
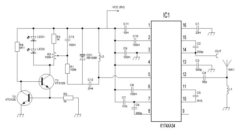
вобщем собрал я на макетке такую схему
Изображение
это просто перерисованная для удобства схема отсюда (которая на листочке в клеточку), надеюсь автор не обидится ...

схема шипит, на прикосновение к катушкам и антенне реагирует, т.е. по идее работает, но вот только ни 1-ной станции поймать не получилось, подозреваю что это настройка гетеродина

что пробовал - транзисторов кт312б не было, использовал bc547b, вроде по параметрам подходят, катушки мотал как на схеме 20 и 10 витков ф0.5, пробовал 6 и 5 витков ф0.9, варикап пробовал кв109в и кв109б,
пробовал без катушки антенны и всё без толку

собственно пара вопросов, а светодиоды должны светиться или нет ? у меня не светятся ...

ну и посоветоваться хотел, хочу откинуть для проверки гетеродина часть с транзисторами и светодиодами, вот так
Изображение
собственно ничего не нужно добавить-убрать в такой вариант схемы ?

про вариант исключить вообще варикап с обвязкой помню, но у меня нет КПЕ, а настраивать растяжением витков не особо удобно ... хотя попробую и это если никак иначе не выйдет


Вернуться наверх
 
Не в сети
 Заголовок сообщения: Re: УКВ-ЧМ тюнер на К174ХА34 (TDA7021)
СообщениеДобавлено: Вт июл 12, 2016 09:57:47 
Собутыльник Кота
Аватар пользователя

Карма: 47
Рейтинг сообщений: 911
Зарегистрирован: Ср дек 04, 2013 14:37:35
Сообщений: 2879
Откуда: Санкт Петербург
Рейтинг сообщения: 0
Денис,
Два транзистора - источник тока для двух светодиодов,
использован для стабилизации напряжения настройки - узел полезный, когда начинаем усовершенствовать базовую схему.
Сейчас задача - понять, исправна ХА34 или нет. Можно собирать по второй, упрощённой схеме.
ИМХО - 10 витков для гетеродина - очень много. Я бы оставил 5 витков.
Варикап КВ127, из СКМ - селектора каналов телевизора.

_________________
С уважением, ВикторС.


Вернуться наверх
 
Эиком - электронные компоненты и радиодетали
Не в сети
 Заголовок сообщения: Re: УКВ-ЧМ тюнер на К174ХА34 (TDA7021)
СообщениеДобавлено: Вт июл 12, 2016 10:26:38 
Встал на лапы

Карма: 2
Рейтинг сообщений: 3
Зарегистрирован: Вс авг 23, 2015 08:14:05
Сообщений: 133
Рейтинг сообщения: 0
ха34 вроде исправна, взял с предыдущей схемы, т.е. она хотя-бы что-то ловила

ок, сегодня попробую 5 витков ну и КВ127 попробую найти, где-то был селектор от старого телевизора


Вернуться наверх
 
Не в сети
 Заголовок сообщения: Re: УКВ-ЧМ тюнер на К174ХА34 (TDA7021)
СообщениеДобавлено: Вт июл 12, 2016 10:55:54 
Собутыльник Кота
Аватар пользователя

Карма: 47
Рейтинг сообщений: 911
Зарегистрирован: Ср дек 04, 2013 14:37:35
Сообщений: 2879
Откуда: Санкт Петербург
Рейтинг сообщения: 0
Старые ТВ селекторы - полезный источник ВЧ транзисторов, диодов и варикапов. :idea:

_________________
С уважением, ВикторС.


Вернуться наверх
 
Не в сети
 Заголовок сообщения: Re: УКВ-ЧМ тюнер на К174ХА34 (TDA7021)
СообщениеДобавлено: Вт июл 12, 2016 11:23:40 
Держит паяльник хвостом
Аватар пользователя

Карма: 42
Рейтинг сообщений: 393
Зарегистрирован: Ср июн 27, 2007 17:09:12
Сообщений: 970
Рейтинг сообщения: 0
Denis82 писал(а):
ха34 вроде исправна
Пока не замените, не узнаете.Был случай, что пришлось разрабатывать подобный приемник для набора. Ставили TDA7021 и проблем с наборами не было, но случилось так, что TDA7021 в DIP корпусах пропали из продажи и остались только К174ХА34.
Решили попробовать комплектовать наборы ими. Для начала закупили их десяток и стали пробовать. Три штуки из десяти отказались работать. Причина похожая на вашу. На выходе при отсутствии сигнала шум не "ровный", а какой то "рваный", а при приеме станции сигнал был сильно зашумленный.
Пришлось от этой затеи отказаться и переделывать печатку под другие корпуса и ставить как и прежде TDA7021. С ними таких проблем не было.


Вернуться наверх
 
Не в сети
 Заголовок сообщения: Re: УКВ-ЧМ тюнер на К174ХА34 (TDA7021)
СообщениеДобавлено: Вт июл 12, 2016 12:34:28 
Встал на лапы

Карма: 2
Рейтинг сообщений: 3
Зарегистрирован: Вс авг 23, 2015 08:14:05
Сообщений: 133
Рейтинг сообщения: 0
у меня ХА34 2шт, но обе БУ ибо в магазинах у себя не нашёл ни новых ха34 ни tda-шек

но опят-же нет гарантии что и 2-я рабочая, + они немного корпусами отличаются, 1-я грани корпуса чёткие, на 2-ой грани с радиусной фаской

если уж ничего не получиться с этими 2 микросхемами то придётся собирать на TA8164P или CXA1191, они вроде появились у нас в продаже ...


Вернуться наверх
 
Не в сети
 Заголовок сообщения: Re: УКВ-ЧМ тюнер на К174ХА34 (TDA7021)
СообщениеДобавлено: Вт июл 12, 2016 12:42:12 
Держит паяльник хвостом
Аватар пользователя

Карма: 42
Рейтинг сообщений: 393
Зарегистрирован: Ср июн 27, 2007 17:09:12
Сообщений: 970
Рейтинг сообщения: 0
Denis82 писал(а):
придётся собирать на TA8164P
Ну и правильно.
Приемник на TA8164 не намного сложнее, а работает намного лучше.
Вот у нас тема по нему.
viewtopic.php?f=25&t=15142


Вернуться наверх
 
Не в сети
 Заголовок сообщения: Re: УКВ-ЧМ тюнер на К174ХА34 (TDA7021)
СообщениеДобавлено: Вт июл 12, 2016 12:46:38 
Мучитель трёхпрограммников

Карма: -44
Рейтинг сообщений: -421
Зарегистрирован: Пн фев 29, 2016 10:10:26
Сообщений: 11351
Рейтинг сообщения: 0
у меня тоже приемники на ха 34 неплохо ловят,- но звук на настройках многих станций -как будто слегка заикается - у восьми приемников такая помеха


Вернуться наверх
 
Не в сети
 Заголовок сообщения: Re: УКВ-ЧМ тюнер на К174ХА34 (TDA7021)
СообщениеДобавлено: Вт июл 12, 2016 13:04:43 
Держит паяльник хвостом
Аватар пользователя

Карма: 42
Рейтинг сообщений: 393
Зарегистрирован: Ср июн 27, 2007 17:09:12
Сообщений: 970
Рейтинг сообщения: 0
vovw писал(а):
но звук на настройках многих станций -как будто слегка заикается
Да.
Про это можно здесь почитать.
http://www.chipinfo.ru/literature/radio ... /p19a.html


Вернуться наверх
 
Не в сети
 Заголовок сообщения: Re: УКВ-ЧМ тюнер на К174ХА34 (TDA7021)
СообщениеДобавлено: Вт июл 12, 2016 17:24:48 
Встал на лапы

Карма: 2
Рейтинг сообщений: 3
Зарегистрирован: Вс авг 23, 2015 08:14:05
Сообщений: 133
Рейтинг сообщения: 0
эхх, опять не получилось

1) уменьшил катушку гетеродина до 5 витков, растягивал-сжимал - результат 0
2) убрал узел с транзисторами и светодиодами - тоже
3) уменьшил катушку гетеродина до 3 витков, растягивал сжимал - тоже
4) взял 2-ю микросхему, шипит иначе но станций также нет
5) варикапы кв109в и кв109б
6) попробовал катушку 7 витков - тоже
все катушки проводом 0.5 на оправе 3.4 мм
всё это делал без катушки антенны, чтоб хоть сквозь помехи что-то услышать ...

ещё немного грешу на макетку, у меня такая
Изображение
где-то читал что если у них подложки нет то они не особо подходят для макетирования ВЧ схем, но у меня с подложкой ... что скажете знающие люди ?


Вернуться наверх
 
Не в сети
 Заголовок сообщения: Re: УКВ-ЧМ тюнер на К174ХА34 (TDA7021)
СообщениеДобавлено: Вт июл 12, 2016 17:35:02 
Собутыльник Кота
Аватар пользователя

Карма: 47
Рейтинг сообщений: 911
Зарегистрирован: Ср дек 04, 2013 14:37:35
Сообщений: 2879
Откуда: Санкт Петербург
Рейтинг сообщения: 0
Я, когда про макет говорил, имел ввиду "паутину" - когда детали паяются в соответствии со схемой, объёмным монтажом, без принудительной обрезки выводов деталей - что есть - то и ставим. Конечно, на ВЧ, лучше использовать резисторы и конденсаторы с более короткими ногами, а у транзисторов и ИС они и так не длинные. И всё паять! В макетках с закусом, возможен плохой контакт, кроме того, у такой макетки огромная межвыводная ёмкость.

К концу недели я планирую вернуться в город, к рабочему месту. Попробую собрать этот приёмник, на ХА34, с настройкой варикапом, навесным монтажом. Посмотрю, что там с параметрами катушек и общей настройкой. Даже интересно стало.

_________________
С уважением, ВикторС.


Вернуться наверх
 
Не в сети
 Заголовок сообщения: Re: УКВ-ЧМ тюнер на К174ХА34 (TDA7021)
СообщениеДобавлено: Вт июл 12, 2016 18:07:22 
Встал на лапы

Карма: 2
Рейтинг сообщений: 3
Зарегистрирован: Вс авг 23, 2015 08:14:05
Сообщений: 133
Рейтинг сообщения: 0
спасибо Виктор !
ради интереса не пожалею денег и куплю на выходных макетку под пайку (на картонке меня бесит собирать, все гнётся, ненадёжно, неудобно и т.д.)

мне уже тоже интересно на ха34 добиться результата, хоть отрицательного, хоть положительного ...

ну а т.к. в продаже у нас вроде появились TA8164P и CXA1191 то всё-таки в мастерскую попробую собрать на 1-ной из них, если только ха34 не покажет годное для меня качество приёма


Вернуться наверх
 
Не в сети
 Заголовок сообщения: Re: УКВ-ЧМ тюнер на К174ХА34 (TDA7021)
СообщениеДобавлено: Вт июл 12, 2016 18:45:07 
Собутыльник Кота
Аватар пользователя

Карма: 47
Рейтинг сообщений: 911
Зарегистрирован: Ср дек 04, 2013 14:37:35
Сообщений: 2879
Откуда: Санкт Петербург
Рейтинг сообщения: 0
Денис, НЕЕЕЕТ!

Никогда не покупайте дырчатые макетки под пайку,

особенно, если они с металлизацией. Та же проблема - высокая емкость монтажа и паразитные связи и, что самое главное - низкая скорость монтажа и трудности изменения схемы при настройке и подозрениях на неисправность компонентов (как Вы будете ХА34 из макетки выпаивать, для замены? Через колодку? А после успешного опыта, оставите эту колодку в макетке? По центру или с краю? А это будет удобно при разработке следующего проекта? А отверстия, после удаления не нужных деталей, Вы будете иголкой прочищать? А ещё про сопли из олова вспомним, которые, бывает, между соседними отверстиями залипают. :kill:

Я, в своё время, предлагал отдать свои макетки с двухсторонней метализацией, в обмен на НЕ фольгированный стеклотекстолит. Добрый человек прислал мне пакет этого НЕ фольгированного стеклотекстолита просто так. :beer: Так я эти макетки на дальнюю полку все убрал, и достаю только для ФИНАЛЬНОГО изготовления простых устройств, на которые мне фольгированный текстолит тратить жалко. И то, под такую макетку, нужно ПП разводить, строго с шагом 2,54, в то время как на гладком текстолите, можно паковать с шагом 1,27-0,63. Плюс к тому, дорожки формировать, из простой лужёнки, стрёмно - есть хороший риск КЗ через площадки металлизации отверстий, которые остались не заняты.

Ещё раз рекомендую попробовать освоить технологию монтажа "паутиной" - экономит время, нервы и детали. :idea:

_________________
С уважением, ВикторС.


Вернуться наверх
 
Не в сети
 Заголовок сообщения: Re: УКВ-ЧМ тюнер на К174ХА34 (TDA7021)
СообщениеДобавлено: Ср июл 13, 2016 07:32:14 
Встал на лапы

Карма: 2
Рейтинг сообщений: 3
Зарегистрирован: Вс авг 23, 2015 08:14:05
Сообщений: 133
Рейтинг сообщения: 0
Виктор, не ради спора и чтоб понять что удобнее

ведь не проблема купить макетку без металлизации, односторонние, типа таких
Изображение
текстолит
Изображение
гетинакс

по цене копейки

я ими сам не пользовался, но мне кажется что любой элемент хоть конденсатор хоть микросхема запаивается и выпаивается точно так-же как и на обычную ПП, только в отличии от ПП можно легко менять конфигурацию соединений

плюсом в отличии от монтажа паутинкой вижу что запаял обе ноги к примеру конденсатора и дальше проводами по очереди к нему подпаивайся, он никуда не денется, не шевельнётся и т.д., а если вывода деталей на соседних площадках то можно и просто "соплю" налепить
да и туже панельку или микросхему выпаять не проблема, что с помощью оловоотсоса что с помощью ленты, да хоть просто феном нагрел да выдернул

просто в юности жил в небольшом городке и с материалами были боооольшие проблемы, даже в СЮТЕ, посему собирал схемы на картонке, фанерке со штырьками и т.д. и у меня с детства осталась к этому антипатия :) а ПП или её аналог зажал в струбцины и паяй спокойно
сейчас конечно не проблема взять не фольгированный текстолит (или с фольгированного фольгу убрать), насверлить отверстий и монтажить паутинкой, но какие в этом плюсы не соображу ...

единственным минусом макеток под пайку вижу что со временем площадки отслоятся, но во первых это сколько-ж нужно запаивать выпаивать, а во вторых при их цене это не такой уж и минус


Вернуться наверх
 
Не в сети
 Заголовок сообщения: Re: УКВ-ЧМ тюнер на К174ХА34 (TDA7021)
СообщениеДобавлено: Ср июл 13, 2016 11:34:58 
Собутыльник Кота
Аватар пользователя

Карма: 47
Рейтинг сообщений: 911
Зарегистрирован: Ср дек 04, 2013 14:37:35
Сообщений: 2879
Откуда: Санкт Петербург
Рейтинг сообщения: 0
Денис, на чем макеты собирать - дело привычки и навыка. В школьные годы у меня была макетка формата А4, с контактными площадками, а печатные платы я рисовал лаком на фольгированном стеклотекстолите и травил хлорным железом. Совершенно запарная технология, для устройств, выпускаемых в единственном экземпляре. К тому же, всегда оказывалось, что разведённая ПП требует коррекции или в части ошибок в трассировке или из за коррекции схемы. Получалось, что вытравленная и распаянная ПП - тоже макет, только более чистый. Сначала я отказался от фольгированного текстолита, как материала для плат - дорожки выкладывал лужонкой, выводами самих деталей или МГТФом, если длинные или есть риск замыкания. Потом и ит макетных плат отказался. Запарило провода - перемычки делать и распаивать. Как раз то, о чём Вы говорите. Запаянную на макетку деталь, уже не подвинуть это 2D структура. Объёмный монтаж - 3D - более гибок и в прямом и в переносном смысле. Нужно только наловчиться его собирать. Многие мелкие узлы я и в окончательной версии собираю объёмным монтажом, максимально укорачивая выводы деталей. Заливаю парафином и заматываю в бумагу, обклеенную скотчем. Быстро просто и надёжно.

_________________
С уважением, ВикторС.


Вернуться наверх
 
Не в сети
 Заголовок сообщения: Re: УКВ-ЧМ тюнер на К174ХА34 (TDA7021)
СообщениеДобавлено: Пт июл 15, 2016 06:13:57 
Встал на лапы

Карма: 2
Рейтинг сообщений: 3
Зарегистрирован: Вс авг 23, 2015 08:14:05
Сообщений: 133
Рейтинг сообщения: 0
побщем собрал я на вчера на макетке (под пайку) упрощённую схему, без блока транзисторов и светодиодов и о счастье она заработала :))
сначала в качестве антенны был просто кусок монтажного провода где-то 20см, включаю, станцию поймал но шипит
прикручиваю раздвижную антенну где-то в метр длинной, шипит намного меньше
подпаиваю контур антенны, практически не шипит, чуть-чуть, на грани слышимости, вотщем терпимо
единственно контур гетеродина новый мотать не стал, взял старый 7 витков и попал с этим контуром в УКВ диапазон, ибо поймал только 1-ну станцию, Радио России, у нас это 71.18 мГц

сегодня намотаю 5 витков контур и попробую на FM настроится

пара вопросов:
1) как я понял блок с транзисторами и светодиодами нужен для стабилизации работы варикапа, вот только какой стабилизации ? стабилизации по питанию, тепловой стабилизации или ещё какой ... я к чему, приёмник у меня в последствии будет питаться от стабилизированного БП на 5в или 6в и не соображу нежен ли при таком раскладе этот блок
2) станция у меня ловиться уверенно и чётко, не шипит, не булькает и т.д. но звук какой-то сухой что-ли, рафинированный, так вот это нормально для этой ИМС или можно качество звучания улучшить ?


Вернуться наверх
 
Не в сети
 Заголовок сообщения: Re: УКВ-ЧМ тюнер на К174ХА34 (TDA7021)
СообщениеДобавлено: Пт июл 15, 2016 08:34:55 
Собутыльник Кота
Аватар пользователя

Карма: 47
Рейтинг сообщений: 911
Зарегистрирован: Ср дек 04, 2013 14:37:35
Сообщений: 2879
Откуда: Санкт Петербург
Рейтинг сообщения: 0
Денис, Поздравляю с успехом!

Теперь можно постепенно усложнять приёмник, с оглядкой на качество работы.

Источник тока стабилизирует ток через светодиоды, это нужно, чтобы настройка не плыла при изменении напряжения питания батареи. Я никогда не ставил источник тока тк питал от сетевого БП. Очень желательно подавать на варикап напряжение большого размаха. ТЕ, если приёмник питается +5В, то на варикап - хоть 12В подать надо - шире перестройка будет.

Про неестественный звук сказать ничего не могу, Все мои экземпляры работали качественно.
Единственное предположение - конденсаторы в обвеске ОУ фильтров ПЧ - не той ёмкости. Ваш тестер может измерять ёмкость?
Если нет, заготовьте ещё один комплект ёмкостей, тех же номиналов, но выглядящих по другому (других марок), запаяйте их, и послушайте, будет ли изменение в звучании.

_________________
С уважением, ВикторС.


Вернуться наверх
 
Не в сети
 Заголовок сообщения: Re: УКВ-ЧМ тюнер на К174ХА34 (TDA7021)
СообщениеДобавлено: Пт июл 15, 2016 10:14:40 
Встал на лапы

Карма: 2
Рейтинг сообщений: 3
Зарегистрирован: Вс авг 23, 2015 08:14:05
Сообщений: 133
Рейтинг сообщения: 0
спасибо Виктор :beer:

мультиметр да, ёмкость меряет, все номиналы (резисторы, конденсаторы) перед запайкой промеряю, отклонения есть но в пределах допусков
про звук я как-бы не сильно уверен, может много требую от этого приёмника, а может и УНЧ + динамик своё вносят, я цепляю к своему тестовому УНЧ на TDA2040, единственно там динамик у меня не очень, нужно будет к нормальной акустике попробовать подключить ...

Цитата:
Источник тока стабилизирует ток через светодиоды, это нужно, чтобы настройка не плыла при изменении напряжения питания батареи. Я никогда не ставил источник тока тк питал от сетевого БП. Очень желательно подавать на варикап напряжение большого размаха. ТЕ, если приёмник питается +5В, то на варикап - хоть 12В подать надо - шире перестройка будет.

т.е. мне блок с транзисторами и светодиодами тоже не особо нужен ...

кстати смоделировал работу блока транзисторов и светодиодов в Multisim, и мне он показал что напряжение на варикапе меняется от 1.8В до 19мВ, моделировал без этого блока и напряжение на варикапе меняется от нескольких милливольт до напряжение питания

а как поднять напряжение на варикапе до 12В при Uпит 5-6В ?


Вернуться наверх
 
Показать сообщения за:  Сортировать по:  Вернуться наверх
Начать новую тему Ответить на тему  [ Сообщений: 735 ]     ... , , , 27, , , ...  

Часовой пояс: UTC + 3 часа


Кто сейчас на форуме

Сейчас этот форум просматривают: нет зарегистрированных пользователей и гости: 27


Вы не можете начинать темы
Вы не можете отвечать на сообщения
Вы не можете редактировать свои сообщения
Вы не можете удалять свои сообщения
Вы не можете добавлять вложения

Найти:
Перейти:  


Powered by phpBB © 2000, 2002, 2005, 2007 phpBB Group
Русская поддержка phpBB
Extended by Karma MOD © 2007—2012 m157y
Extended by Topic Tags MOD © 2012 m157y