Например TDA7294

Форум РадиоКот • Просмотр темы - Простые часы на микроконтроллере
Форум РадиоКот
Здесь можно немножко помяукать :)

Текущее время: Вт фев 24, 2026 22:45:27

Часовой пояс: UTC + 3 часа


ПРЯМО СЕЙЧАС:



Начать новую тему Ответить на тему  [ Сообщений: 1127 ]     ... , , , 53, , , ,  
Автор Сообщение
 Заголовок сообщения: Re: Простые часы на микроконтроллере
СообщениеДобавлено: Ср ноя 02, 2016 12:04:34 
Друг Кота
Аватар пользователя

Карма: 197
Рейтинг сообщений: 8632
Зарегистрирован: Пн ноя 30, 2009 03:00:01
Сообщений: 43516
Откуда: Нерезиновая
Рейтинг сообщения: 0
Акма писал(а):
Кто нибудь ответит?
Думаю может что то в обвязке DS1307 ? хотя там той обвязки два резюка 4.7к :shock:
Возможно, у вас что- то не так с самой DS1307.. У меня в оборудовании этих DS- ок туева хуча.. От одной литиевой таблетки CR2025 они работают до восьми лет (просто "выкопалась" плата, которая три года проработала, и почти пять лет пролежала, при включении часы показывали относительно правильное время) :dont_know:

зы.. Хотя один раз попалась плата.. :facepalm: Питание подаёшь- часы идут, питание снимаешь- встают, но при этом не сбрасываются, а ПРОСТО СТОЯТ!! (резервная батарейка есть) :dont_know:


Вернуться наверх
 
 Заголовок сообщения: Re: Простые часы на микроконтроллере
СообщениеДобавлено: Чт ноя 24, 2016 11:19:07 
Открыл глаза
Аватар пользователя

Зарегистрирован: Пн июл 15, 2013 18:58:53
Сообщений: 55
Рейтинг сообщения: 0
Доброго дня всем кто просматривает данную тему :beer: .Собрал часы работают! Затем решил собрать часы с 25 страницы от Coviraylhik http://www.radiokot.ru/forum/viewtopic. ... &start=480. Тоже работают неплохо- но собрал вторые на больших индикаторах через транзисторные
ключи(аноды и сегменты). При включении питания как положено НУЛИ - вот только кнопки не отвечают(СТАРТ и прочее) :dont_know: Что посоветуете. Думаю дело в программе, хотя...(да ещё, убираю ключи-подключаю маленькие индикаторы- Фсё работает).


Вернуться наверх
 
 Заголовок сообщения: Re: Простые часы на микроконтроллере
СообщениеДобавлено: Чт ноя 24, 2016 11:28:25 
Друг Кота
Аватар пользователя

Карма: 197
Рейтинг сообщений: 8632
Зарегистрирован: Пн ноя 30, 2009 03:00:01
Сообщений: 43516
Откуда: Нерезиновая
Рейтинг сообщения: 0
killPIC&AVR писал(а):
собрал вторые на больших индикаторах через транзисторные
ключи(аноды и сегменты). При включении питания как положено НУЛИ - вот только кнопки не отвечают(СТАРТ и прочее) :dont_know: Что посоветуете. Думаю дело в программе, хотя...(да ещё, убираю ключи-подключаю маленькие индикаторы- Фсё работает).
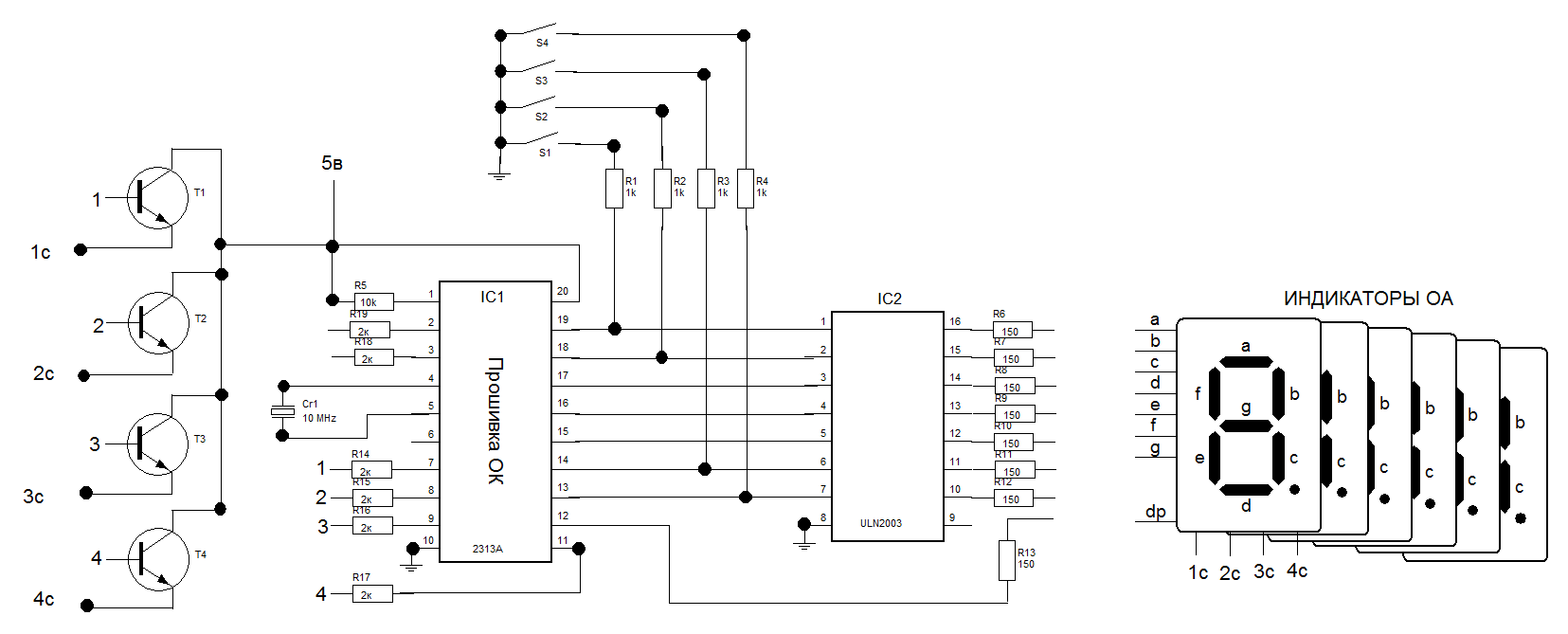
Схему уточните, а лучше- нарисуйте, именно как у вас собрано!!
Если схема вот эта:
Изображение
то, как вы к ней ключи подключили.
Резисторы в цепи базы есть?


Вернуться наверх
 
 Заголовок сообщения: Re: Простые часы на микроконтроллере
СообщениеДобавлено: Чт ноя 24, 2016 11:30:24 
Открыл глаза
Аватар пользователя

Зарегистрирован: Пн июл 15, 2013 18:58:53
Сообщений: 55
Рейтинг сообщения: 0
Быстро накидал схему но суть понятна!


Вложения:
SX1.GIF [24.8 KiB]
Скачиваний: 908
Вернуться наверх
 
Эиком - электронные компоненты и радиодетали
 Заголовок сообщения: Re: Простые часы на микроконтроллере
СообщениеДобавлено: Чт ноя 24, 2016 11:37:31 
Друг Кота

Карма: 66
Рейтинг сообщений: 1025
Зарегистрирован: Пт мар 07, 2008 06:54:43
Сообщений: 4400
Откуда: Ижевск
Рейтинг сообщения: 0
Да, наверно, дело в программе. Рисуйте схему что там подключено к анодам-катодам и куда подключены кнопки.


Вернуться наверх
 
 Заголовок сообщения: Re: Простые часы на микроконтроллере
СообщениеДобавлено: Чт ноя 24, 2016 11:59:52 
Друг Кота
Аватар пользователя

Карма: 197
Рейтинг сообщений: 8632
Зарегистрирован: Пн ноя 30, 2009 03:00:01
Сообщений: 43516
Откуда: Нерезиновая
Рейтинг сообщения: 0
А попробуйте выводы МК, куда подключены кнопки- подтянуть к плюсу через резистор, ну, 10 кОм, например.. Или больше.. - номинал надо подбирать так, чтобы кнопки срабатывали, а сегменты не светились.. :dont_know: Дело в том, что в составе ULN2003 на входе стоят резисторы 2,7 кОм, которые через эмиттеры транзисторов сидят на "земле", возможно, программа обрабатывает это как "нажатая кнопка", точнее- все 4 кнопки нажаты.. :dont_know: Или замените ULN2003 на полевики- типа IRFZ** или IRFL**..


Вернуться наверх
 
 Заголовок сообщения: Re: Простые часы на микроконтроллере
СообщениеДобавлено: Чт ноя 24, 2016 12:11:04 
Открыл глаза
Аватар пользователя

Зарегистрирован: Пн июл 15, 2013 18:58:53
Сообщений: 55
Рейтинг сообщения: 0
Резисторы подтягивал на 5v 10к. Я ещё вот что проделывал - перепрошивал МК на общий анод УБИРАЛ ULN2003, Оставлял только ключи на аноды- толку ноль.
Затем убрал ключи на аноды, оставил только всё как в схеме (постами выше) -подключаю индикаторы 0.56 с общим анодом Фсё работает.(ставлю всё на место перепрошиваю МК - кнопки не работают :dont_know: .


Вложения:
SX2.GIF [32.05 KiB]
Скачиваний: 777
Вернуться наверх
 
 Заголовок сообщения: Re: Простые часы на микроконтроллере
СообщениеДобавлено: Чт ноя 24, 2016 16:06:17 
Друг Кота

Карма: 66
Рейтинг сообщений: 1025
Зарегистрирован: Пт мар 07, 2008 06:54:43
Сообщений: 4400
Откуда: Ижевск
Рейтинг сообщения: 0
Убираете все ключи, ставите кнопки по схеме, корпус кварца соединяете с 10 лапой контроллера, загружаете из архива .hex. Задаете вопросы по косякам. :)
Вложение:
SX_1.PNG [75.26 KiB]
Скачиваний: 812

Вложение:
CLOCK_FULL_CA.rar [48.11 KiB]
Скачиваний: 470


Вернуться наверх
 
 Заголовок сообщения: Re: Простые часы на микроконтроллере
СообщениеДобавлено: Пт ноя 25, 2016 07:39:54 
Открыл глаза
Аватар пользователя

Зарегистрирован: Пн июл 15, 2013 18:58:53
Сообщений: 55
Рейтинг сообщения: 0
Прошивка для катода или анода? Без ключей тинька вытянет большие индикаторы? Тем не менее попробую. Пока экспериментировал плата осталась без дорожек.Буду монтировать с нуля :sleep:


Вернуться наверх
 
 Заголовок сообщения: Re:
СообщениеДобавлено: Сб дек 10, 2016 14:43:59 
Открыл глаза
Аватар пользователя

Зарегистрирован: Сб дек 10, 2016 14:31:31
Сообщений: 54
Рейтинг сообщения: 0
FrodoB писал(а):
Fuse для кварца 10Мгц : BODLEVEL=111 CKSEL=1111 SUT=11

Прошиваю через AVROSP II :

В нем достаточно установить две галочки:
первая на одной картинке
вторая на другой.

Все сделал именно так.Но часы сильно отстают.За 2.5 минуты реального времени проходят всего одну.
Подскажите как быть?


Вернуться наверх
 
 Заголовок сообщения: Re: Простые часы на микроконтроллере
СообщениеДобавлено: Сб дек 10, 2016 17:55:08 
Друг Кота

Карма: 66
Рейтинг сообщений: 1025
Зарегистрирован: Пт мар 07, 2008 06:54:43
Сообщений: 4400
Откуда: Ижевск
Рейтинг сообщения: 0
CKDIV8 должен быть не запрограммирован, т.е. 1. Хотя, в этой прошивке заложено программное отставание, но, конечно, не такое.


Вернуться наверх
 
 Заголовок сообщения: Re: Простые часы на микроконтроллере
СообщениеДобавлено: Сб дек 10, 2016 20:08:33 
Открыл глаза
Аватар пользователя

Зарегистрирован: Сб дек 10, 2016 14:31:31
Сообщений: 54
Рейтинг сообщения: 0
akl писал(а):
CKDIV8 должен быть не запрограммирован, т.е. 1. Хотя, в этой прошивке заложено программное отставание, но, конечно, не такое.

Я как бы только осваиваю.Напишите пожалуйста все фьюзы какие и где стоять должны.


Вернуться наверх
 
 Заголовок сообщения: Re: Простые часы на микроконтроллере
СообщениеДобавлено: Вс дек 11, 2016 06:37:21 
Друг Кота

Карма: 66
Рейтинг сообщений: 1025
Зарегистрирован: Пт мар 07, 2008 06:54:43
Сообщений: 4400
Откуда: Ижевск
Рейтинг сообщения: 0
Как Ваш программатор понимает FUSE-биты не знаю, поэтому привожу в соответствии с DS ATtiny2313
Fuse Extended Byte 11111111
Fuse High Byte 11011111
Fuse Low Byte 11111111
1-НЕзапрограммирован
0-ЗАпрограммирован
Лучше считать теперешнее состояние и выложить сюда картинку. Для упомянутого AVR OSP || должна выглядеть так
Вложение:
avr_osp_.PNG [18.74 KiB]
Скачиваний: 715


Вернуться наверх
 
 Заголовок сообщения: Re: Простые часы на микроконтроллере
СообщениеДобавлено: Пн дек 12, 2016 16:06:47 
Открыл глаза
Аватар пользователя

Зарегистрирован: Сб дек 10, 2016 14:31:31
Сообщений: 54
Рейтинг сообщения: 0
akl писал(а):
Как Ваш программатор понимает FUSE-биты не знаю, поэтому привожу в соответствии с DS ATtiny2313
Fuse Extended Byte 11111111
Fuse High Byte 11011111
Fuse Low Byte 11111111
1-НЕзапрограммирован
0-ЗАпрограммирован
Лучше считать теперешнее состояние и выложить сюда картинку. Для упомянутого AVR OSP || должна выглядеть так
Вложение:
avr_osp_.PNG

Спасибо все получилось


Вернуться наверх
 
 Заголовок сообщения: Re: Простые часы на микроконтроллере
СообщениеДобавлено: Сб апр 15, 2017 12:51:25 
Первый раз сказал Мяу!

Зарегистрирован: Вс мар 02, 2008 21:00:28
Сообщений: 28
Рейтинг сообщения: 0
Подскажите, пожалуйста чайнику как в часах отключить только индикацию?


Вернуться наверх
 
 Заголовок сообщения: Re: Простые часы на микроконтроллере
СообщениеДобавлено: Пн сен 11, 2017 11:01:04 
Открыл глаза

Зарегистрирован: Пн сен 11, 2017 10:49:54
Сообщений: 55
Рейтинг сообщения: 0
Подскажите в чем дело!
Собрал схему, прошил. На индикаторах горит 00.00 точка ооооочень медленно мигает и время не изменяется!
ПОМОГИТЕ!!!


Вернуться наверх
 
 Заголовок сообщения: Re: Простые часы на микроконтроллере
СообщениеДобавлено: Пн сен 11, 2017 13:56:56 
Друг Кота

Карма: 66
Рейтинг сообщений: 1025
Зарегистрирован: Пт мар 07, 2008 06:54:43
Сообщений: 4400
Откуда: Ижевск
Рейтинг сообщения: 0
CKDIV8 должен быть не запрограммирован.


Вернуться наверх
 
 Заголовок сообщения: Re: Простые часы на микроконтроллере
СообщениеДобавлено: Пн сен 11, 2017 18:47:51 
Открыл глаза

Зарегистрирован: Пн сен 11, 2017 10:49:54
Сообщений: 55
Рейтинг сообщения: 0
Простите, не корректно выразился: на часах время меняется, но когда на индикаторе появляется 00.01 (вместо 00.00) проходит 10 минут!!! В чем дело? Подскажите!!!


Вернуться наверх
 
 Заголовок сообщения: Re: Простые часы на микроконтроллере
СообщениеДобавлено: Пн сен 11, 2017 21:43:29 
Друг Кота
Аватар пользователя

Карма: 182
Рейтинг сообщений: 8343
Зарегистрирован: Пт фев 04, 2011 17:57:51
Сообщений: 20117
Откуда: Рыбинск
Рейтинг сообщения: 0
Медали: 1
Лучший человек Форума 2017 (1)
У вас тактовая частота в 8 раз меньше, чем нужно, тк при включенном фьюзе CKDIV8 частота кварца делится на 8.


Вернуться наверх
 
 Заголовок сообщения: Re: Простые часы на микроконтроллере
СообщениеДобавлено: Вт сен 12, 2017 05:23:05 
Друг Кота

Карма: 66
Рейтинг сообщений: 1025
Зарегистрирован: Пт мар 07, 2008 06:54:43
Сообщений: 4400
Откуда: Ижевск
Рейтинг сообщения: 0
...В чем дело? Подскажите!!!
Тема довольно бородатая, в ней своими прошивками отмечались многие. Думаю, Вам нужно прояснить ситуацию - какая схема? оригинальная?, полноразмерная?, с DS1307? Какой кварц установлен, какие FUSE-биты.


Вернуться наверх
 
Показать сообщения за:  Сортировать по:  Вернуться наверх
Начать новую тему Ответить на тему  [ Сообщений: 1127 ]     ... , , , 53, , , ,  

Часовой пояс: UTC + 3 часа


Вы не можете начинать темы
Вы не можете отвечать на сообщения
Вы не можете редактировать свои сообщения
Вы не можете удалять свои сообщения
Вы не можете добавлять вложения

Найти:
Перейти:  


Powered by phpBB © 2000, 2002, 2005, 2007 phpBB Group
Русская поддержка phpBB
Extended by Karma MOD © 2007—2012 m157y
Extended by Topic Tags MOD © 2012 m157y