Например TDA7294

Форум РадиоКот • Просмотр темы - Лазерная установка для засветки фоторезиста от AlphaCrow
Форум РадиоКот
Здесь можно немножко помяукать :)

Текущее время: Вс мар 22, 2026 17:48:14

Часовой пояс: UTC + 3 часа


ПРЯМО СЕЙЧАС:



Начать новую тему Ответить на тему  [ Сообщений: 10098 ]     ... , , , 176, , , ...  
Автор Сообщение
 Заголовок сообщения: Re: Лазер для засветки фоторезиста - идея для реализации.
СообщениеДобавлено: Вс фев 26, 2017 12:39:48 
Друг Кота
Аватар пользователя

Карма: 93
Рейтинг сообщений: 2157
Зарегистрирован: Сб май 05, 2012 20:19:55
Сообщений: 4961
Откуда: Минск
Рейтинг сообщения: 10
Хочу сделать небольшую заметочку по поводу камер, объективов и прочего этого касающегося, на основании уже приобретённого опыта. Китайцы продают очень много разновидностей камер, и как в последствии оказалось - внутри они тоже отличаются, причём самой важной для нас деталью - матрицей, а точнее её размером. Так вот, один и тот-же объектив при разных размерах матрицы будет давать разное увеличение. Чем больше будет матрица - тем меньше увеличение, но и выше светочувствительность.
В большинстве дешёвых китайских камер матрица стоит очень маленькая, и при применении слишком длиннофокусного объектива мы получим избыточное для применения в установке увеличение.
По ссылке mr_kot с моей фоткой - камера с на редкость большой матрицей, поэтому туда замечательно вписался объектив с 25 мм фокусного. Но сколько я не искал потом - таких камер я найти больше не смог. Все современные имеют матрицу меньше, и увеличение с припасёнными линзами F 25mm получается слишком большое. Поэтому будьте внимательны при выборе и заказе объективов. На фото экземпляр за 2$, который прекрасно работает с линзой F 5mm.
Изображение
Изображение


Вложения:
p.jpg [2.72 KiB]
Скачиваний: 4779

_________________
Прибор, защищённый предохранителем, сгорает первым, защитив предохранитель. Закон Мерфи.
Вернуться наверх
 
 Заголовок сообщения: Re: Лазер для засветки фоторезиста - идея для реализации.
СообщениеДобавлено: Вс фев 26, 2017 15:42:25 
Друг Кота
Аватар пользователя

Карма: 59
Рейтинг сообщений: 1578
Зарегистрирован: Вт окт 22, 2013 04:37:23
Сообщений: 3458
Откуда: Казань
Рейтинг сообщения: 0
Ruzik писал(а):
Я уже купил по совету Сергеj вот это
Вот такая камера матрицу имеет нормальную, хорошо с кольцами и объективом работающую с высоты 50 мм., и прямоугольная плата матрицы легко крепится, и стоит не так уж сильно дорого, и с драйверами проблем никаких. Очень возможно, что купленное тобой это та же камера, только в другом исполнении.

_________________
Платы для HLDI - установки лазерной засветки фоторезиста.
Фоторезист Ordyl Alpha 350
Жидкое олово для лужения плат (видео) - самое лучшее и только у меня.
Паяльные маски XV501T-4 и KSM-S6189 (5 цветов).
Заказ печатных плат - pcbsmac@gmail.com


Последний раз редактировалось Seriyvolk Вт сен 20, 2022 19:54:38, всего редактировалось 1 раз.

Вернуться наверх
 
 Заголовок сообщения: Re: Лазер для засветки фоторезиста - идея для реализации.
СообщениеДобавлено: Вс фев 26, 2017 21:23:37 
Потрогал лапой паяльник

Карма: 9
Рейтинг сообщений: 81
Зарегистрирован: Пн дек 29, 2008 15:32:44
Сообщений: 314
Рейтинг сообщения: 0
smacorp писал(а):
Вот такая камера матрицу имеет нормальную, хорошо с кольцами и объективом работающую с высоты 50 мм.

Я правильно понимаю, что для этой камеры докупаем объектив с фокусным 25мм и резьбой 12мм, и 3 удлинительных кольца?
ЗЫ кольца какой высоты нужно брать?


Вернуться наверх
 
 Заголовок сообщения: Re: Лазер для засветки фоторезиста - идея для реализации.
СообщениеДобавлено: Вс фев 26, 2017 21:35:03 
Друг Кота
Аватар пользователя

Карма: 55
Рейтинг сообщений: 1637
Зарегистрирован: Чт июн 09, 2011 17:17:47
Сообщений: 5725
Рейтинг сообщения: 0
Seriyvolk
Я хотел купить такую (первая фотка), но что то цена слишком низкая.
PolSerg писал(а):
Я правильно понимаю, что для этой камеры докупаем объектив с фокусным 25мм и резьбой 12мм, и 3 удлинительных кольца?
Ссылки потом кинь, где будешь брать.


Вернуться наверх
 
Эиком - электронные компоненты и радиодетали
 Заголовок сообщения: Re: Лазер для засветки фоторезиста - идея для реализации.
СообщениеДобавлено: Вс фев 26, 2017 21:40:15 
Друг Кота
Аватар пользователя

Карма: 59
Рейтинг сообщений: 1578
Зарегистрирован: Вт окт 22, 2013 04:37:23
Сообщений: 3458
Откуда: Казань
Рейтинг сообщения: 0
PolSerg писал(а):
правильно понимаю, что для этой камеры докупаем объектив с фокусным 25мм и резьбой 12мм, и 3 удлинительных кольца?
ЗЫ кольца какой высоты нужно брать?
Кольца брать вот такие - 10 мм. и 3 шт.
Объектив искать вот такой - в лоте все параметры точно указаны.

Если кто будет брать указанную мной камеру, имейте ввиду, что плата с матрицей имеет крепёжные отверстия под винты M2, которые часто легко не купишь. И под M3 рассверлить не получится. Возможно, имеет смысл сразу с кольцами\объективом и крепёж M2 заказать. В отличие от России, в Китае его с избытком.

_________________
Платы для HLDI - установки лазерной засветки фоторезиста.
Фоторезист Ordyl Alpha 350
Жидкое олово для лужения плат (видео) - самое лучшее и только у меня.
Паяльные маски XV501T-4 и KSM-S6189 (5 цветов).
Заказ печатных плат - pcbsmac@gmail.com


Вернуться наверх
 
 Заголовок сообщения: Re: Лазер для засветки фоторезиста - идея для реализации.
СообщениеДобавлено: Вс фев 26, 2017 22:01:34 
Встал на лапы
Аватар пользователя

Карма: 1
Рейтинг сообщений: 18
Зарегистрирован: Вс май 04, 2014 14:38:31
Сообщений: 90
Откуда: Краснодарский кр.
Рейтинг сообщения: 0
Кольца немного дешевле http://www.ebay.com/itm/252047407592


Вернуться наверх
 
 Заголовок сообщения: Re: Лазер для засветки фоторезиста - идея для реализации.
СообщениеДобавлено: Пн фев 27, 2017 02:49:24 
Мучитель микросхем
Аватар пользователя

Карма: 21
Рейтинг сообщений: 1015
Зарегистрирован: Сб фев 06, 2016 14:34:29
Сообщений: 482
Откуда: Саянск, Иркутская область
Рейтинг сообщения: 0
smacorp писал(а):
Ruzik, наверное ты сам в курсе, но на всякий случай - не ведись на эту ерунду с эндоскопом.

Нормально все с эндоскопом, дополнительный объектив решает проблему.
Изображение
Изображение с 50 мм от объекта
Изображение
Но есть и беда :) эндоскоп через хаб у меня не заработал.


Вернуться наверх
 
 Заголовок сообщения: Re: Лазер для засветки фоторезиста - идея для реализации.
СообщениеДобавлено: Пн фев 27, 2017 02:51:56 
Друг Кота
Аватар пользователя

Карма: 59
Рейтинг сообщений: 1578
Зарегистрирован: Вт окт 22, 2013 04:37:23
Сообщений: 3458
Откуда: Казань
Рейтинг сообщения: 0
SDimok писал(а):
Нормально все с эндоскопом... Но есть и беда
Жжёте. :)

_________________
Платы для HLDI - установки лазерной засветки фоторезиста.
Фоторезист Ordyl Alpha 350
Жидкое олово для лужения плат (видео) - самое лучшее и только у меня.
Паяльные маски XV501T-4 и KSM-S6189 (5 цветов).
Заказ печатных плат - pcbsmac@gmail.com


Вернуться наверх
 
 Заголовок сообщения: Re: Лазер для засветки фоторезиста - идея для реализации.
СообщениеДобавлено: Пн фев 27, 2017 07:51:07 
Потрогал лапой паяльник

Карма: 9
Рейтинг сообщений: 81
Зарегистрирован: Пн дек 29, 2008 15:32:44
Сообщений: 314
Рейтинг сообщения: 0
Вот активный лот на объектив, через мобильное приложение чуть дешевле https://ru.aliexpress.com/item/25mm-CCTV-Board-MTV-lens-M12-0-5-wide-viewing-angle-12degree-suitable-for-1-3/32791043519.html?spm=2114.14010208.99999999.262.8HHeh1
Кольца заказывать пока не буду, как линза придет поэксперриментирую с 3D принтером, либо кольца, либо целиком крепление объектива к плате напечатаю...


Последний раз редактировалось PolSerg Пн фев 27, 2017 09:04:03, всего редактировалось 1 раз.

Вернуться наверх
 
 Заголовок сообщения: Re: Лазер для засветки фоторезиста - идея для реализации.
СообщениеДобавлено: Пн фев 27, 2017 13:37:13 
Родился

Зарегистрирован: Пт дек 18, 2009 15:03:42
Сообщений: 4
Рейтинг сообщения: 2
Давненько я не заходил.
Итак попытка работать без камеры провалилась с треском при первой же двухсторонней плате.
Не то чтобы она не получилась но для таких длительных предварительных ласк при каждой двухсторонней плате я был явно не готов.
И вот где то в глубине души раздался крик "идиот поставь камеру".
Был у меня под рукой китайский эндоскоп. Поставил и работать стало приятно, и точность и комфорт при сведении возросли.

Лазер, мой первый любимый - но увы и меня не обошла стороной "традиция" спалить его.
Произошло это не сразу. Сначала начались банальные пропуски строк, но не полностью.
Я никак не мог понять в чем проблема, хотя длина проводов от контроллера шагового двигателя как бы намекала на источник помех.
Но понять их связь с неполным пропуском строк я не мог.
В конце концов яркость лазера стала обратно пропорциональной значению вводимой в программе. а потом и вовсе ушла на нет.
Марка лазера SLD3232VF, рабочий ток 55мА. стабилизатор классический на транзисторах.
Так ка у меня в закромах остался только один лазер - начал копать причину. Оказывается у лазеров проблемы при превышении мощности не с охлаждением а с зеркалами на торцах кристалла.
Они начинают разрушаться при превышении оптической мощности. Так как для данной марки не указана импульсная мощность, а указана только максимальная 50мВт, следовательно получение полной мощности возможно только используя оптическую обратную связь, чего у меня нет.
Так как стабилизатор у меня настроен на 55мА(на максимум), а у лазера оптическая мощность обратно пропорциональна температуре - то эксплуатируя установку в помещении при низких температурах я предрек лазер на смерть.
Изображение
В результате резервный лазер работает на пониженном токе пока я не сделаю стабилизатор с обратной связью по оптическому каналу.
Так же установил плату новой ревизии. Изменения:
1. Контроллер шагового двигателя на A4988.
2. Двигатель каретки перевел на питание от 24В.

По поводу Altium Gerber - в проекте есть файл Gerber2.OutJob
Он генерить гербер плюс сверловку. После генерации сразу открывает кам для сверловки - из этого CAM сверловку экспортируете в гербер.
Эти файлы HLDI распознает нормально(сверловку добавлять при инверсии).

Всем удачи!!!

Не получилось ужать до 1МБ https://drive.google.com/file/d/0B76pZWNSS-0jVXJQak5zZmJIclE/view?usp=sharing


Вернуться наверх
 
 Заголовок сообщения: Re: Лазер для засветки фоторезиста - идея для реализации.
СообщениеДобавлено: Вт фев 28, 2017 08:44:05 
Встал на лапы
Аватар пользователя

Карма: 4
Рейтинг сообщений: 39
Зарегистрирован: Ср май 11, 2016 16:07:50
Сообщений: 84
Рейтинг сообщения: 0
подскажите, кто пользовал этот лазерный диод. По даташиту у него вроде как 3-й вывод это общий катод, а на всех схемах 3-й вывод это обычно это анод лаз. диода и катод фотодиода.


Вложения:
ICPDF-SLD3232VF-GD.PDF [130.63 KiB]
Скачиваний: 401
Вернуться наверх
 
 Заголовок сообщения: Re: Лазер для засветки фоторезиста - идея для реализации.
СообщениеДобавлено: Вт фев 28, 2017 08:53:31 
Друг Кота
Аватар пользователя

Карма: 95
Рейтинг сообщений: 2207
Зарегистрирован: Ср янв 06, 2010 23:31:56
Сообщений: 3254
Откуда: Боровичи, Новг. обл.
Рейтинг сообщения: 0
Медали: 1
Лучший человек Форума 2017 (1)
banzayy писал(а):
3-й вывод это общий катод, а на всех схемах 3-й вывод это обычно это анод лаз. диода и катод фотодиода.
3 как раз почти всегда общий катод, анод лазера на 1 выводе. Даташит верный.

_________________
Прототипы печатных плат на заказ https://radiokot.ru/forum/viewtopic.php?f=54&t=122701


Вернуться наверх
 
 Заголовок сообщения: Re: Лазер для засветки фоторезиста - идея для реализации.
СообщениеДобавлено: Пн мар 06, 2017 07:36:53 
Встал на лапы
Аватар пользователя

Карма: 4
Рейтинг сообщений: 39
Зарегистрирован: Ср май 11, 2016 16:07:50
Сообщений: 84
Рейтинг сообщения: 0
спасибо Serj_K за исходник под usb. Т.к Кейлом не пользуюсь, то переделал под Coocox, убрал кнопки (пользуюсь камерой) и добавил концевики на Y, а то бывает что по недогляду стол упирается


Вернуться наверх
 
 Заголовок сообщения: Re: Лазер для засветки фоторезиста - идея для реализации.
СообщениеДобавлено: Пн мар 06, 2017 11:12:16 
Опытный кот

Карма: 16
Рейтинг сообщений: 177
Зарегистрирован: Сб апр 14, 2012 16:11:35
Сообщений: 718
Рейтинг сообщения: 10
banzayy писал(а):
спасибо Serj_K за исходник под usb. Т.к Кейлом не пользуюсь, то переделал под Coocox, убрал кнопки (пользуюсь камерой) и добавил концевики на Y, а то бывает что по недогляду стол упирается
Пожалуйста. Я это прежде всего для себя любимого делал. Код кнопок не влияет на работу в обычном режиме никак. Если ими не пользоваться, то можно было и не трогать. Вот то, что на кокос перенесено, это хорошо. Мне он как-то больше нравится. Я когда-то попробовал под него перенести - сходу не получилось, не помню уже почему, оставил на кейле. Но в кейле отладчик на много лучше, проще искать проблемы.

Большая просьба к тем, кто предлагает разные роторные, двухсторонние и другие конструкции - создайте для этого новые темы. В этой теме как-то устаканилась одна конкретная конструкция, а все остальные всё равно превращались во флуд.


Вернуться наверх
 
 Заголовок сообщения: Re: Лазер для засветки фоторезиста - идея для реализации.
СообщениеДобавлено: Вт мар 07, 2017 08:54:06 
Вымогатель припоя
Аватар пользователя

Карма: 4
Рейтинг сообщений: 171
Зарегистрирован: Вт сен 23, 2008 19:36:10
Сообщений: 538
Откуда: Магнитогорск
Рейтинг сообщения: 0
smacorp, Дружище, помнится выкладывал ты схемку на электронику станка, не сложно кинуть ссылку на топик или схемку приложить... до 150 страницы с конца добрался, или пропустил или не до шел....

Seriyvolk, Друг, схема каретки с активным торможением актуальна? (вроде бы твой труд во вложении ?)

Собрался с усами, силами и нервами приступить к сборке сей чудо шайтан машины :)


Вложения:
схема привода каретки с активным торможеннием.png [17.93 KiB]
Скачиваний: 864
Вернуться наверх
 
 Заголовок сообщения: Re: Лазер для засветки фоторезиста - идея для реализации.
СообщениеДобавлено: Вт мар 07, 2017 10:06:48 
Друг Кота
Аватар пользователя

Карма: 55
Рейтинг сообщений: 1637
Зарегистрирован: Чт июн 09, 2011 17:17:47
Сообщений: 5725
Рейтинг сообщения: 5
psychos
Во вложении.
Думаю из собравших никто не обидится, архив заметок, схем и тд по теме (размер 156 мб)... https://yadi.sk/d/OgDgiNeP3FC3NX


Вложения:
Транзисторы AO4614. AO4606. IRF7319 15..18 вольт.jpg [75.27 KiB]
Скачиваний: 636


Последний раз редактировалось Ruzik Вт мар 07, 2017 10:51:50, всего редактировалось 1 раз.
Вернуться наверх
 
 Заголовок сообщения: Re: Лазер для засветки фоторезиста - идея для реализации.
СообщениеДобавлено: Вт мар 07, 2017 10:15:59 
Опытный кот

Карма: 16
Рейтинг сообщений: 177
Зарегистрирован: Сб апр 14, 2012 16:11:35
Сообщений: 718
Рейтинг сообщения: 0
psychos писал(а):
smacorp, Дружище, помнится выкладывал ты схемку на электронику станка, не сложно кинуть ссылку на топик или схемку приложить... до 150 страницы с конца добрался, или пропустил или не до шел....

Seriyvolk, Друг, схема каретки с активным торможением актуальна? (вроде бы твой труд во вложении ?)

Собрался с усами, силами и нервами приступить к сборке сей чудо шайтан машины
По идее, самая простая схема у меня была - на 4 стандартных модулях и 2 стабилизаторах для основной платы. Драйвер лазера у каждого свой. Выкладывал проект в пределах примерно 20 страниц назад. Активное торможение прекрасно работает на стандартном модуле на L298N. Отличается от приведенной схемы фактически только типом выходных транзисторов - у L298N они биполярные, но всё равно не греются и ценой.

ПС. Сейчас у меня в качестве драйвера лазера используется просто мосфет, в качестве ограничителя максимального тока - резистор. Ток устанавливается выходным напряжением понижающего преобразователя. Работает очень хорошо. Лазер 50мВт. Для нормальной засветки плёночного ФР при разрешении 0.2/0.2мм устанавливаю мощность лазера 0.35 при скорости 800. Паразитных засветок практически нет. Поэтому считаю, что можно обходиться т простыми дешёвыми решениями.


Вернуться наверх
 
 Заголовок сообщения: Re: Лазер для засветки фоторезиста - идея для реализации.
СообщениеДобавлено: Вт мар 07, 2017 14:13:13 
Вымогатель припоя
Аватар пользователя

Карма: 4
Рейтинг сообщений: 171
Зарегистрирован: Вт сен 23, 2008 19:36:10
Сообщений: 538
Откуда: Магнитогорск
Рейтинг сообщения: 0
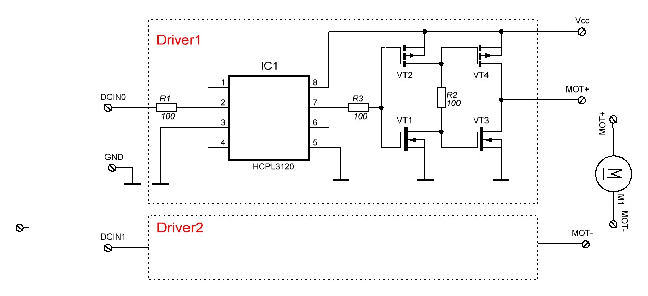
Благодарю всех откликнувшихся за оперативность, накидал схемку драйвера мотора, с схемы Серого Волка. вроде верно срисовал.

Serj_K, По поводу драйвера лазера, я правильно понял ? и вопрос по поводу 200оммного резистора - подтяжка фотодиода к земле, чтобы просто не болтался, я правильно понял ?(то есть фактически использование "встроенной защиты" лазерного диода отсутствтвует ? только защита от статики и обратных импульсов напруги). Методики и практики использования встроенного фотодиода "на коленке" я так понимаю нет, только спец драйверы для лазеров... ?

Изображение

Под спойлером, тут ошибка по лазеру
СпойлерИзображение

Seriyvolk, на сколько я понял ёмкость этих кандёров несколько десятков микрофарад, а какую роль они играют в данных местах, ведь они каждый с земли на питание идут...

Изображение


Вложения:
DCMotorDirver 1.jpg [192.66 KiB]
Скачиваний: 741
Драйвер каретки AO4614. AO4606. IRF7319.JPG [75.27 KiB]
Скачиваний: 717
_del.jpg [127.72 KiB]
Скачиваний: 4135
_delErr.jpg [101.54 KiB]
Скачиваний: 1696
LaserDriver IMG_8512.jpg [100.56 KiB]
Скачиваний: 4130


Последний раз редактировалось aen Ср мар 08, 2017 22:00:39, всего редактировалось 9 раз(а).
Исправил по просьбе автора.
Вернуться наверх
 
 Заголовок сообщения: Re: Лазер для засветки фоторезиста - идея для реализации.
СообщениеДобавлено: Вт мар 07, 2017 14:27:28 
Друг Кота
Аватар пользователя

Карма: 59
Рейтинг сообщений: 1578
Зарегистрирован: Вт окт 22, 2013 04:37:23
Сообщений: 3458
Откуда: Казань
Рейтинг сообщения: 0
psychos писал(а):
помнится выкладывал ты схемку на электронику станка, не сложно кинуть ссылку на топик
Вот здесь есть ссылка.

_________________
Платы для HLDI - установки лазерной засветки фоторезиста.
Фоторезист Ordyl Alpha 350
Жидкое олово для лужения плат (видео) - самое лучшее и только у меня.
Паяльные маски XV501T-4 и KSM-S6189 (5 цветов).
Заказ печатных плат - pcbsmac@gmail.com


Вернуться наверх
 
 Заголовок сообщения: Re: Лазер для засветки фоторезиста - идея для реализации.
СообщениеДобавлено: Вт мар 07, 2017 14:57:06 
Опытный кот

Карма: 16
Рейтинг сообщений: 177
Зарегистрирован: Сб апр 14, 2012 16:11:35
Сообщений: 718
Рейтинг сообщения: 0
psychos писал(а):
Serj_K, По поводу драйвера лазера, я правильно понял ? и вопрос по поводу 200оммного резистора - подтяжка фотодиода к земле, чтобы просто не болтался, я правильно понял ?(то есть фактически использование "встроенной защиты" лазерного диода отсутствтвует ? только защита от статики и обратных импульсов напруги). Методики и практики использования встроенного фотодиода "на коленке" я так понимаю нет, только спец драйверы для лазеров... ?
Не знаю - я не телепат. Если понятое изложено на картинке - то нет. И понимать вообще нечего - нужно просто открыть мою схему.
Фотодиод на лазере никто не использовал. У меня его вывод остался не подключенным.


Вернуться наверх
 
Показать сообщения за:  Сортировать по:  Вернуться наверх
Начать новую тему Ответить на тему  [ Сообщений: 10098 ]     ... , , , 176, , , ...  

Часовой пояс: UTC + 3 часа


Вы не можете начинать темы
Вы не можете отвечать на сообщения
Вы не можете редактировать свои сообщения
Вы не можете удалять свои сообщения
Вы не можете добавлять вложения

Найти:
Перейти:  


Powered by phpBB © 2000, 2002, 2005, 2007 phpBB Group
Русская поддержка phpBB
Extended by Karma MOD © 2007—2012 m157y
Extended by Topic Tags MOD © 2012 m157y