Например TDA7294

Форум РадиоКот • Просмотр темы - Переделка ATX БП в лабораторный на ШИМ 3528 (FSP)
Форум РадиоКот
Здесь можно немножко помяукать :)

Текущее время: Вт ноя 18, 2025 15:30:17

Часовой пояс: UTC + 3 часа


ПРЯМО СЕЙЧАС:



Начать новую тему Ответить на тему  [ Сообщений: 81 ]    , , , 4,  
Автор Сообщение
Не в сети
 Заголовок сообщения: Re: Переделка ATX БП в лабораторный на ШИМ 3528 (FSP)
СообщениеДобавлено: Пн июн 16, 2014 19:21:18 
Родился
Аватар пользователя

Зарегистрирован: Ср мар 26, 2014 12:39:39
Сообщений: 2
Рейтинг сообщения: 0
Помогите пожалуйста! Переделал блок ATX в лабораторный и случайно закоротил, в итоге вылетели силовики, ШИМ, мост и транзисторы С945 на 8 и 11 ногах ШИМ (7500 блок Codegen 250 P4). Заменил все, блок ожил но при нагрузке сильно греются высоковольтные транзисторы, и я не могу понять, что тому виной. Надеюсь на Вашу отзывчивость.


Вернуться наверх
 
Не в сети
 Заголовок сообщения: Re: Переделка ATX БП в лабораторный на ШИМ 3528 (FSP)
СообщениеДобавлено: Пт сен 26, 2014 11:11:35 
Мудрый кот
Аватар пользователя

Карма: 22
Рейтинг сообщений: 275
Зарегистрирован: Ср май 26, 2010 14:41:09
Сообщений: 1741
Рейтинг сообщения: 0
Eще один вариант переделки бп на fsp3528.
http://texvedkom.org/archives/1816
Сегодня его буду испытывать так как он самый простой и возможно рабочий :))

_________________
Философская мудрость века настоящего, становится всеобщим здравым смыслом века последующего.


Вернуться наверх
 
Не в сети
 Заголовок сообщения: Re: Переделка ATX БП в лабораторный на ШИМ 3528 (FSP)
СообщениеДобавлено: Пт янв 16, 2015 06:18:37 
Мучитель микросхем
Аватар пользователя

Карма: 7
Рейтинг сообщений: 60
Зарегистрирован: Ср фев 22, 2012 17:50:27
Сообщений: 404
Откуда: РФ, Европа
Рейтинг сообщения: 0
GaGuLa писал(а):
... Переделал блок ATX в лабораторный и случайно закоротил, в итоге вылетели силовики, ШИМ, мост и транзисторы С945 на 8 и 11 ногах ШИМ (7500 блок Codegen 250 P4). Заменил все, блок ожил но...

Круто вы его переделали... Вам по моему в тему по TL494, а можно и сюда.
_RUS73_ писал(а):
Eще один вариант переделки бп на fsp3528...

Почему то на одном сайте две одинаковые ветки.

_________________
Изображение


Вернуться наверх
 
Не в сети
 Заголовок сообщения: Re: Переделка ATX БП в лабораторный на ШИМ 3528 (FSP)
СообщениеДобавлено: Пн мар 14, 2016 10:13:03 
Родился

Зарегистрирован: Пн мар 14, 2016 09:16:54
Сообщений: 2
Рейтинг сообщения: 0
Подскажите кто знает как сделать регулировку? на блок питания Fsp ATX-350PA на шиме 3528. Сижу 2 месяца смотрю на него, не знаю с чего начать что-бы регулировался хоть 12-0в. или как нибудь по другому я не силен в электронике может кто подскажет зарание благодарю.http://img.radiokot.ru/files/114193/vrglyjhsv.jpg


Вернуться наверх
 
Эиком - электронные компоненты и радиодетали
Не в сети
 Заголовок сообщения: Re: Переделка ATX БП в лабораторный на ШИМ 3528 (FSP)
СообщениеДобавлено: Пн мар 14, 2016 11:00:23 
Говорящий с текстолитом

Карма: 46
Рейтинг сообщений: 332
Зарегистрирован: Пн май 28, 2012 19:52:17
Сообщений: 1523
Откуда: г.Киров (Вятка)
Рейтинг сообщения: 0
Андрей-77 писал(а):
Подскажите кто знает как сделать регулировку?...

В соседней теме этажа проблема ...viewtopic.php?f=11&p=2691281#p2691281
goldmen8 писал(а):
SWKOT писал(а):
... к обратной связи по напряжению...

Схему управления напряжение+ток можно у "Сергей-74" позаимствовать download/file.php?id=237516
Вот здесь описание микросхемы ШИМ FSP3528.
Как многие ремонтники отмечают микросхемы ka3511 и FSP3528 очень похожи. Дату от FSP3528 найти не получается, а вот дату на ka3511 можно взять для сравнения


Вернуться наверх
 
Не в сети
 Заголовок сообщения: Re: Переделка ATX БП в лабораторный на ШИМ 3528 (FSP)
СообщениеДобавлено: Сб апр 08, 2017 21:59:39 
Первый раз сказал Мяу!

Зарегистрирован: Сб янв 12, 2013 22:11:54
Сообщений: 20
Откуда: Одесса
Рейтинг сообщения: 0
Здравствуйте, ув коты. Переделывал 2 блока fsp с шимом fsp3528 на модулях по вот этой ссылке.
https://www.youtube.com/watch?v=MJZ6SSDkXKw
Александр предлагает использовать вынесенные отдельные регулировки по току и напряжению каждый на своем операционнике с соответствующими ос. Управление идет на 2ю ногу шима (comp).Вроде все просто до безобразия. 1 й блок собрал, получилось все отлично, стабилизация напряжения регулируется плавно, равно как и ограничение тока. Все отлично, единственное что смущает, в начале регулировки где-то от 0 до 1,5в напряжение немного скачет, блок как бы "чихает" выше работает стабильно. Второй блок собирал из подобного, но получился он почему-то не очень удачно. "неустойчивые"диапазоны у него также в начале диапазона и в середине до 19в. И запуск блока питания происходит через раз. Вроде использовал те же детали, lm358p и всю обвязку. Не могу понять почему такой эффект происходит? (У автора все плавно во всем диапазоне) Поделитесь пожалуйста мыслью кто что думает, почему такое может происходить? Светодиод по напряжению зеленый светится не одинаково во всем диапазоне, тускло в основном. Может дело в неправильно подобранном светодиоде или в отсутсвии динамической нагрузки на кренке, как у автора (я оставил исходный нагрузочный резистор). Спасибо.

_________________
Рождённый мяукать, - иногда может загавкать!


Вернуться наверх
 
Не в сети
 Заголовок сообщения: Re: Переделка ATX БП в лабораторный на ШИМ 3528 (FSP)
СообщениеДобавлено: Сб апр 08, 2017 22:15:53 
Друг Кота
Аватар пользователя

Карма: 146
Рейтинг сообщений: 6062
Зарегистрирован: Чт июн 04, 2009 21:06:49
Сообщений: 36292
Откуда: г.Мариинск
Рейтинг сообщения: 0
Медали: 1
Лучший человек Форума 2017 (1)
Давайте схему будем разбираться.
raindy писал(а):
У автора все плавно во всем диапазоне
На ютубе можно снять что угодно, там море фальсификации.

_________________
Тем кого не устаревает наличия ошибок в моем тексте, оставляю права не пользоваться моими советами или просто не читать мои сообщения.


Вернуться наверх
 
Не в сети
 Заголовок сообщения: Re: Переделка ATX БП в лабораторный на ШИМ 3528 (FSP)
СообщениеДобавлено: Сб апр 08, 2017 23:05:17 
Первый раз сказал Мяу!

Зарегистрирован: Сб янв 12, 2013 22:11:54
Сообщений: 20
Откуда: Одесса
Рейтинг сообщения: 0
за основу взята следующая схема
http://vrtp.ru/index.php?act=Attach&type=post&id=715629
это что касается идеи.
А схема самого блока естественно отличается. Где-то была вроде нашел, чуть позже выложу ссылку.

Добавлено after 25 minutes 3 seconds:
Изображение
очень похожий по компоновке. (ну просто 99%). Вот первую схему я скрещивал с этой. Все лишнее удалялось полностью даже smd компоненты.
повторюсь первый блок уже давно работает и приносит радость человеку который им пользуется. диапазон в районе 1в ему не критичен поэтому я не особо заморачивался, мой же экземпляр почему-то получается хуже. хотя ставлю те-же номиналы.(((.
Вот ссылка на архив, это изо на хостинге почему-то сжалось.
http://archive.espec.ws/file32836.html

_________________
Рождённый мяукать, - иногда может загавкать!


Вернуться наверх
 
Не в сети
 Заголовок сообщения: Re: Переделка ATX БП в лабораторный на ШИМ 3528 (FSP)
СообщениеДобавлено: Вт апр 11, 2017 19:12:23 
Первый раз сказал Мяу!

Зарегистрирован: Сб янв 12, 2013 22:11:54
Сообщений: 20
Откуда: Одесса
Рейтинг сообщения: 0
Телекот писал(а):
Давайте схему будем разбираться.

Ну где же вы пропали?

_________________
Рождённый мяукать, - иногда может загавкать!


Вернуться наверх
 
Не в сети
 Заголовок сообщения: Re: Переделка ATX БП в лабораторный на ШИМ 3528 (FSP)
СообщениеДобавлено: Вт апр 11, 2017 22:11:33 
Друг Кота
Аватар пользователя

Карма: 146
Рейтинг сообщений: 6062
Зарегистрирован: Чт июн 04, 2009 21:06:49
Сообщений: 36292
Откуда: г.Мариинск
Рейтинг сообщения: 0
Медали: 1
Лучший человек Форума 2017 (1)
Такая схема у меня есть, мне надо все ваши переделки.

_________________
Тем кого не устаревает наличия ошибок в моем тексте, оставляю права не пользоваться моими советами или просто не читать мои сообщения.


Вернуться наверх
 
Не в сети
 Заголовок сообщения: Re: Переделка ATX БП в лабораторный на ШИМ 3528 (FSP)
СообщениеДобавлено: Ср апр 12, 2017 21:42:58 
Первый раз сказал Мяу!

Зарегистрирован: Сб янв 12, 2013 22:11:54
Сообщений: 20
Откуда: Одесса
Рейтинг сообщения: 0
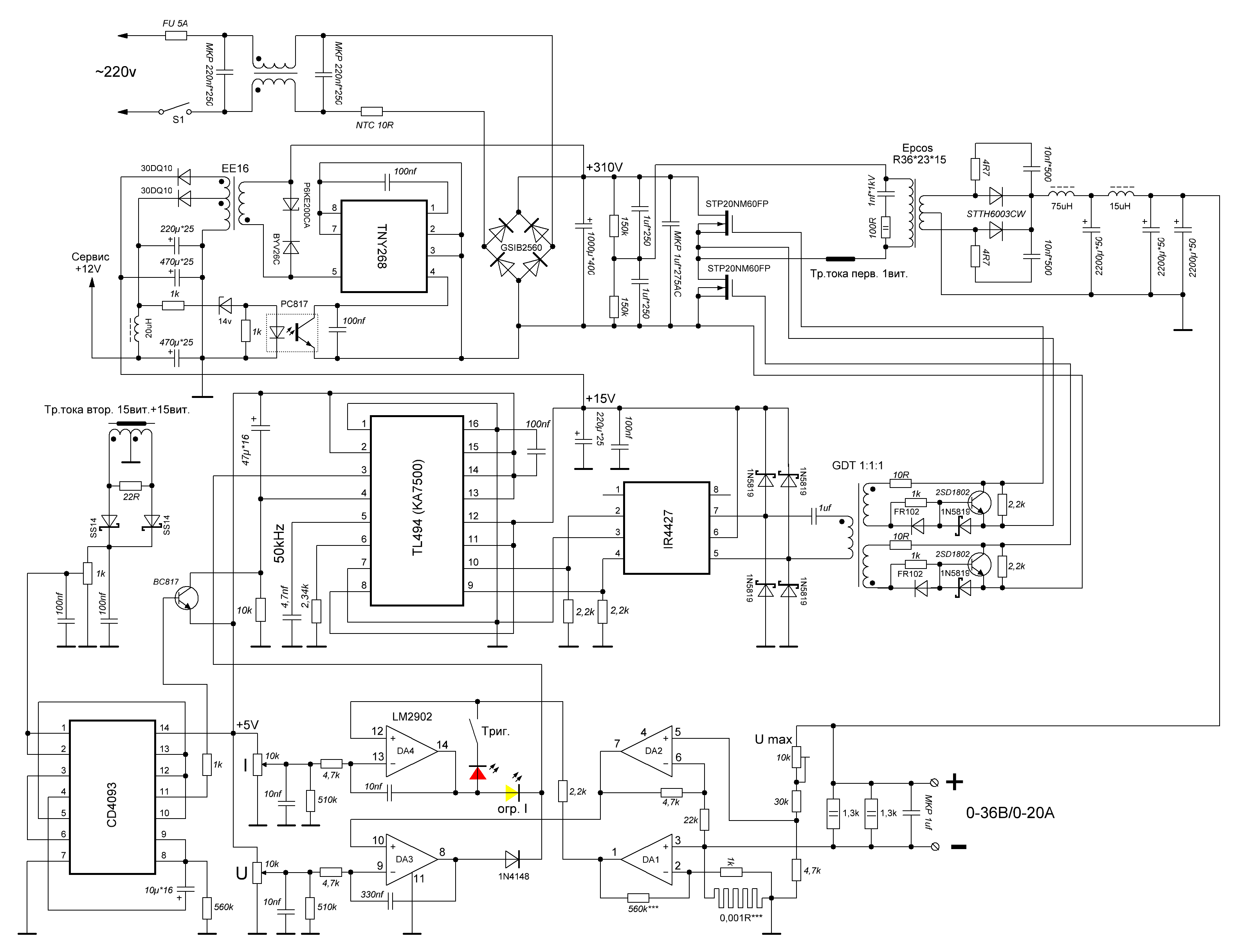
СпойлерИзображение

Как то так, если что упустил нарисовать, то поправте. ну ps-on ессно на земле.

_________________
Рождённый мяукать, - иногда может загавкать!


Вернуться наверх
 
Не в сети
 Заголовок сообщения: Re: Переделка ATX БП в лабораторный на ШИМ 3528 (FSP)
СообщениеДобавлено: Чт апр 13, 2017 13:59:51 
Друг Кота
Аватар пользователя

Карма: 146
Рейтинг сообщений: 6062
Зарегистрирован: Чт июн 04, 2009 21:06:49
Сообщений: 36292
Откуда: г.Мариинск
Рейтинг сообщения: 0
Медали: 1
Лучший человек Форума 2017 (1)
Сей час использую телефон, картинки рассмотреть не получается, буду дома после праздника.

_________________
Тем кого не устаревает наличия ошибок в моем тексте, оставляю права не пользоваться моими советами или просто не читать мои сообщения.


Вернуться наверх
 
Не в сети
 Заголовок сообщения: Re: Переделка ATX БП в лабораторный на ШИМ 3528 (FSP)
СообщениеДобавлено: Вт апр 25, 2017 20:59:46 
Первый раз сказал Мяу!

Зарегистрирован: Сб янв 12, 2013 22:11:54
Сообщений: 20
Откуда: Одесса
Рейтинг сообщения: 0
ох и затяжные праздники нынче )))

_________________
Рождённый мяукать, - иногда может загавкать!


Вернуться наверх
 
Не в сети
 Заголовок сообщения: Re: Переделка ATX БП в лабораторный на ШИМ 3528 (FSP)
СообщениеДобавлено: Ср апр 26, 2017 15:43:54 
Говорящий с текстолитом

Карма: 46
Рейтинг сообщений: 332
Зарегистрирован: Пн май 28, 2012 19:52:17
Сообщений: 1523
Откуда: г.Киров (Вятка)
Рейтинг сообщения: 0
raindy писал(а):
Александр предлагает использовать вынесенные отдельные регулировки по току и напряжению каждый на своем операционнике с соответствующими ос. Управление идет на 2ю ногу шима (comp).Вроде все просто до безобразия.
Точно до безобразия...
Вывод микросхемы № 2 (COMP) служит как Выход
Выход усилителя ошибки. Внутри микросхемы контакт соединен с неинвертирующим входом ШИМ-компаратора. На этом выводе формируется напряжение, являющееся разностью входных напряжений усилителя ошибки E/A+ и E/A- (конт.3 и конт.4). Во время нормальной работы микросхемы, на контакте присутствует напряжение около 2.4В.
Вы к выходу усилителя ошибки подключаете ещё выход (выхода) других оперативников. Один едет в лес а другой куда везёт?
Спойлервывод 3 ( E/A-) - Вход
Инвертирующий вход усилителя ошибки. Внутри микросхемы этот вход смещен на величину 1.25В . Опорное напряжение величиной 1.25В формируется внутренним источником. Во время нормальной работы микросхемы, на контакте должно присутствовать напряжение 1.23В.
вывод 4 (E/A+) - Вход
Не инвертирующий вход усилителя ошибки. Этот вход можно использовать для контроля выходных напряжений блока питания, т.е. этот контакт можно считать входом сигнала обратной связи. В реальных схемах, на этот контакт подается сигнал обратной связи, получаемый суммированием всех выходных напряжений блока питания (+3.3V/+5V/+12V). Во время нормальной работы микросхемы, на контакте должно присутствовать напряжение 1.24В.
Может быть стоило оставить обвязку вокруг 2, 3 и 4 выводов, и выхода дополнительных микросхем подключить к 4 выводу (на не инвертирующий вход усилителя ошибки).


Вернуться наверх
 
Не в сети
 Заголовок сообщения: Re: Переделка ATX БП в лабораторный на ШИМ 3528 (FSP)
СообщениеДобавлено: Сб апр 29, 2017 21:58:25 
Первый раз сказал Мяу!

Зарегистрирован: Сб янв 12, 2013 22:11:54
Сообщений: 20
Откуда: Одесса
Рейтинг сообщения: 0
Так внутренний усилитель ошибки не используется, для этого и отключена обвязка 3 и 4. Вместо него задействованы два внешних, с соответствующими ос по току и напряжению Повторюсь один блок питания уже переделан по этой схеме и успешно работает. Загвоздка стала с этим.

Добавлено after 9 minutes 55 seconds:
Хотя может бы стоило посадить 3 и 4 на землю для надежного исключения внутреннего усилителя. А вывод сомр как вы говорите является неинвертирующим входом шим компаратора и в этом вся суть.

_________________
Рождённый мяукать, - иногда может загавкать!


Вернуться наверх
 
Не в сети
 Заголовок сообщения: Re: Переделка ATX БП в лабораторный на ШИМ 3528 (FSP)
СообщениеДобавлено: Вс апр 30, 2017 10:25:37 
Говорящий с текстолитом

Карма: 46
Рейтинг сообщений: 332
Зарегистрирован: Пн май 28, 2012 19:52:17
Сообщений: 1523
Откуда: г.Киров (Вятка)
Рейтинг сообщения: 0
А выход усилителя ошибки, который внутри микросхемы тоже отключил?
Поделись, как это делается?


Вернуться наверх
 
Не в сети
 Заголовок сообщения: Re: Переделка ATX БП в лабораторный на ШИМ 3528 (FSP)
СообщениеДобавлено: Вс апр 30, 2017 17:00:58 
Первый раз сказал Мяу!

Зарегистрирован: Сб янв 12, 2013 22:11:54
Сообщений: 20
Откуда: Одесса
Рейтинг сообщения: 0
goldmen8 писал(а):
А выход усилителя ошибки, который внутри микросхемы тоже отключил?
Поделись, как это делается?

т.е. вы считаете что усилитель ошибки на своем выходе имеет некоторую нестабильность которая суммируется с управляющим сигналом с внешних оу, которая вытекает во все эти "чихи". Что ж, :? вполне может быть. Попробую просто его стабилизировать родной обвязкой которую я удалил, возможно в прошлом переделанном бп обвязку по входам усилителя ошибки оставлял нетронутой... поэтому прошлый бп не колбасило так. Попробую, затем отпишусь. Спасибо за мысль.

Добавлено after 5 hours 51 minute 31 second:
блин, сейчас не запускается. ps-on на земле wtf? буду копать.

_________________
Рождённый мяукать, - иногда может загавкать!


Вернуться наверх
 
Не в сети
 Заголовок сообщения: Re: Переделка ATX БП в лабораторный на ШИМ 3528 (FSP)
СообщениеДобавлено: Вт май 02, 2017 21:49:54 
Первый раз сказал Мяу!

Зарегистрирован: Сб янв 12, 2013 22:11:54
Сообщений: 20
Откуда: Одесса
Рейтинг сообщения: 0
как вы думаете что явилось причиной такого поведения бп? - Банально плохая пайка земли делителя на неинвертирующем входе внешего усилителя ошибки, (на схеме резистор 3к). резюк советский с окислами. просто перелудил и пропаял. А внутренний услитель ошибки с отключенной обвязкой не вносит абсолютно никакого влияния на работу шима. Регулировка осуществляется через вывод 2 вход компаратора шима. Напряжение плавно регулируется от 0 до 21 в.

_________________
Рождённый мяукать, - иногда может загавкать!


Вернуться наверх
 
Не в сети
 Заголовок сообщения: Re: Переделка ATX БП в лабораторный на ШИМ 3528 (FSP)
СообщениеДобавлено: Вт янв 23, 2018 11:48:52 
Родился
Аватар пользователя

Зарегистрирован: Вт дек 19, 2017 17:27:19
Сообщений: 8
Рейтинг сообщения: 0
СпойлерИзображение

Как то так, если что упустил нарисовать, то поправте. ну ps-on ессно на земле.

Всем доброго дня. Прошу помощи в переделке БП, собрал согласно схемы
СпойлерИзображение

при включении блока питания на выходе 0 вольт, но если прикоснутся шупом 3 контакта шима 3528 блок питания стартует и регулируется напряжения. Подскажите с чем связано такое поведение, подправте мою схему.


Вернуться наверх
 
Не в сети
 Заголовок сообщения: Re: Переделка ATX БП в лабораторный на ШИМ 3528 (FSP)
СообщениеДобавлено: Пн фев 05, 2018 10:18:39 
Мучитель микросхем
Аватар пользователя

Карма: 7
Рейтинг сообщений: 60
Зарегистрирован: Ср фев 22, 2012 17:50:27
Сообщений: 404
Откуда: РФ, Европа
Рейтинг сообщения: 0
...если прикоснутся шупом 3 контакта шима 3528 блок питания стартует и регулируется напряжения...

Где брали схему? Схема ущербная. Да и goldmen8 выше писал практически о том же. Почитайте о назначении выводов микросхемы здесь и есть тема рядом. Зачем делать лишний усилитель ошибки, если он уже есть в микросхеме (выводы 2, 3, 4)?

_________________
Изображение


Вернуться наверх
 
Показать сообщения за:  Сортировать по:  Вернуться наверх
Начать новую тему Ответить на тему  [ Сообщений: 81 ]    , , , 4,  

Часовой пояс: UTC + 3 часа


Кто сейчас на форуме

Сейчас этот форум просматривают: krserv и гости: 65


Вы не можете начинать темы
Вы не можете отвечать на сообщения
Вы не можете редактировать свои сообщения
Вы не можете удалять свои сообщения
Вы не можете добавлять вложения

Найти:
Перейти:  


Powered by phpBB © 2000, 2002, 2005, 2007 phpBB Group
Русская поддержка phpBB
Extended by Karma MOD © 2007—2012 m157y
Extended by Topic Tags MOD © 2012 m157y