Например TDA7294

Форум РадиоКот • Просмотр темы - Нужно сделать мигалку на 555
Форум РадиоКот
Здесь можно немножко помяукать :)

Текущее время: Сб фев 14, 2026 05:32:36

Часовой пояс: UTC + 3 часа


ПРЯМО СЕЙЧАС:



Начать новую тему Ответить на тему  [ Сообщений: 100 ]    , , , , 5
Автор Сообщение
Не в сети
 Заголовок сообщения: Re: Нужно сделать мигалку на 555
СообщениеДобавлено: Сб янв 03, 2026 01:30:42 
Сверлит текстолит когтями

Карма: 5
Рейтинг сообщений: 178
Зарегистрирован: Пн май 01, 2017 20:01:45
Сообщений: 1110
Рейтинг сообщения: 3
Martin76 считает, что абсолютно нормально:
:o Как же эта схема много десятков лет работала то?


Вернуться наверх
 
Не в сети
 Заголовок сообщения: Re: Нужно сделать мигалку на 555
СообщениеДобавлено: Сб янв 03, 2026 01:37:48 
Друг Кота
Аватар пользователя

Карма: 31
Рейтинг сообщений: 933
Зарегистрирован: Пт сен 10, 2021 15:19:36
Сообщений: 6376
Откуда: Протвино
Рейтинг сообщения: 0
не ну понятно 15mJ это не 1J
да и h21e может меньше, и нарастание по вах не мгновенное, может и 1mJ в конкретном случае реально оказываться,
...но както имхо на грани добра и зла.


Вернуться наверх
 
Не в сети
 Заголовок сообщения: Re: Нужно сделать мигалку на 555
СообщениеДобавлено: Сб янв 03, 2026 05:28:47 
Друг Кота
Аватар пользователя

Карма: 197
Рейтинг сообщений: 8629
Зарегистрирован: Пн ноя 30, 2009 03:00:01
Сообщений: 43472
Откуда: Нерезиновая
Рейтинг сообщения: 0
AlexS4 писал(а):
а транзисторы то какие?

Не знаю, какие у General_Blackbird-а стоят, у меня "первые попавшиеся" КТ502Е

:facepalm:
Мда.. Импульс на базе- до минус 9 вольт, при допустимом -5 вольт..
СпойлерИзображение
Вложение:
WIN_20260103_05_35_57_Pro.jpg [88.25 KiB]
Скачиваний: 346

Нужно с этим что-то делать.


Вернуться наверх
 
Не в сети
 Заголовок сообщения: Re: Нужно сделать мигалку на 555
СообщениеДобавлено: Сб янв 03, 2026 05:44:44 
Держит паяльник хвостом

Карма: 2
Рейтинг сообщений: 122
Зарегистрирован: Пт ноя 22, 2024 14:08:43
Сообщений: 997
Рейтинг сообщения: 0
да то уже на 9 В пробойчик наступает, поэтому растёт только до 9 при увеличении питания от 5 и до ХХ....)...на 315х тоже примерно так...


Вернуться наверх
 
Эиком - электронные компоненты и радиодетали
Не в сети
 Заголовок сообщения: Re: Нужно сделать мигалку на 555
СообщениеДобавлено: Сб янв 03, 2026 14:37:42 
Первый раз сказал Мяу!
Аватар пользователя

Зарегистрирован: Чт мар 31, 2022 22:31:57
Сообщений: 32
Откуда: УЛВФ
Рейтинг сообщения: 0
General_Blackbird писал(а):
Да. Перепроверил. Почему то точка была не там.
А зачем у вас аж 4 светодиода?

Потери на просвет пластика оказались больше чем я предполагал.

_________________
Какие странные моторы - вода, огонь и ветер втроем. Дым над полосой, ни огонька, но наше небо выпускает шасси.


Вернуться наверх
 
Не в сети
 Заголовок сообщения: Re: Нужно сделать мигалку на 555
СообщениеДобавлено: Сб янв 03, 2026 16:40:12 
Друг Кота
Аватар пользователя

Карма: 31
Рейтинг сообщений: 933
Зарегистрирован: Пт сен 10, 2021 15:19:36
Сообщений: 6376
Откуда: Протвино
Рейтинг сообщения: 0
Krismi70 писал(а):
на 9 В пробойчик наступает, поэтому растёт только до 9

ну да, у мелких транзисторов пробой эмиттера (Vebr) обычно в диапазоне 6..10V
а конденсатор у такого мультивибратора заряжается до ~ полного Vcc
соответственно при 24 V энергия импульса (~(С(Vcc^2-Vebr^2)/2 ) делится между эмиттером закрытого транзистора и коллектором открытого в пропорции соответственно Vcc/Vebr -1

АлександрЛ писал(а):
Нужно с этим что-то делать.

тут вроде только диоды аля Krismi70 , чтоб обойти пробой (их можно и в цепь эмиттера, в случае если не нужен макс размах напряжения на выходе) или резисторы (в любом месте контура) чтоб ограничить ток. или снижать Vcc ниже Vebr :dont_know:

итого 11 компанентов а не 9 :music: ;)

можно светодиоды использовать как ограничители напряжения (чтоб они светились при закрытом транзисторе)
тогда экономится 1 компанент защиты. или 1 общий токоограничивающий резистор в эмиттер не-выходного транзистора. тож дает 10компанентов минимум,

Добавлено after 1 hour 34 minutes 55 seconds:
еще u37 обратил мое внимание на то что ИИ мне настойчиво повторял а я не замечал:
Цитата:
2. Деградация коэффициента усиления (βbeta):
Если ток пробоя не ограничен и процесс повторяется часто (как в автоколебательном мультивибраторе), происходит постепенная деградация кристалла. Основной эффект — необратимое снижение статического коэффициента передачи тока (

другими словами под действием тепловых импульсов в эмиттере (от которого отвод тепла хуже обычно) транзистор постепенно деградирует по h21e и видимо это может продолжаться до момента когода макс ток коллектора снизится настолько что импульс в эмиттер соседнего транзистора станет уже не-деструктивным, тогда дальнейшая деградация видимо прекратится и схема будет работать 100500 лет ...если не сломается :)))


Вернуться наверх
 
Не в сети
 Заголовок сообщения: Re: Нужно сделать мигалку на 555
СообщениеДобавлено: Сб янв 03, 2026 17:12:45 
Друг Кота
Аватар пользователя

Карма: 23
Рейтинг сообщений: 402
Зарегистрирован: Вс окт 24, 2010 16:02:46
Сообщений: 3509
Откуда: Ижевск
Рейтинг сообщения: 3
Я бы вот так попробовал
Изображение
Можно и на NPN транзисторе, только полярность питания и диодов поменять на противоположную.


Вернуться наверх
 
Не в сети
 Заголовок сообщения: Re: Нужно сделать мигалку на 555
СообщениеДобавлено: Сб янв 03, 2026 18:17:21 
Друг Кота
Аватар пользователя

Карма: 31
Рейтинг сообщений: 933
Зарегистрирован: Пт сен 10, 2021 15:19:36
Сообщений: 6376
Откуда: Протвино
Рейтинг сообщения: 0
можно просто последовательно с мигающим (на 12V макс) включить цепочку например ~ 7..9 немигающих Vfw~2V(желтых,зеленых) или 4..6 c Vfw~3V белых или 8..12 1.5V красных и сми можете посчитать сколько надо синих 2.5V ;)

и еще резистор 100R навсяк чтоб помягче былО.


Вернуться наверх
 
Не в сети
 Заголовок сообщения: Re: Нужно сделать мигалку на 555
СообщениеДобавлено: Сб янв 03, 2026 18:36:43 
Сверлит текстолит когтями

Карма: 5
Рейтинг сообщений: 178
Зарегистрирован: Пн май 01, 2017 20:01:45
Сообщений: 1110
Рейтинг сообщения: 0
транзистор постепенно деградирует по h21e и видимо это может продолжаться до момента когода макс ток коллектора снизится настолько что импульс в эмиттер соседнего транзистора станет уже не-деструктивным, тогда дальнейшая деградация видимо прекратится и схема будет работать 100500 лет ...если не сломается :)))
Дочитайте файл до конца, измените точку зрения.


Вернуться наверх
 
Не в сети
 Заголовок сообщения: Re: Нужно сделать мигалку на 555
СообщениеДобавлено: Сб янв 03, 2026 19:59:36 
Друг Кота
Аватар пользователя

Карма: 31
Рейтинг сообщений: 933
Зарегистрирован: Пт сен 10, 2021 15:19:36
Сообщений: 6376
Откуда: Протвино
Рейтинг сообщения: 0
Цитата:
2. Масштаб падения hFE (конкретные цифры) 
Практики отмечают следующую динамику при токах пробоя около 1–5 мА: 
• Через 1 минуту: hFE может упасть с исходных 250–300 до 100–120 (падение в 2-3 раза).
• Через 1 час: усиление может снизиться до 30–50.
• Особенность: сильнее всего деградация проявляется при малых токах коллектора (микроамперы). При больших рабочих токах (десятки мА) падение усиления будет менее заметным, но всё равно существенным. 

остается только прверить это экспериментально :) както трудно заставить себя доверять неизвестным источникам ... :)

ps я часто использу пробой эмиттера, даже в пром схемотехнике, но токи обычно порядка 100uA (именно на низких токах это впринципе дает преимущество перед зенерами). соответственно деградации не замечал. проверю. любопытно. bc847(846) тож один из самых популярных у нас ;)


Вернуться наверх
 
Не в сети
 Заголовок сообщения: Re: Нужно сделать мигалку на 555
СообщениеДобавлено: Сб янв 03, 2026 20:10:26 
Сверлит текстолит когтями

Карма: 5
Рейтинг сообщений: 178
Зарегистрирован: Пн май 01, 2017 20:01:45
Сообщений: 1110
Рейтинг сообщения: 0
(Неа, до конца, а не до середины. Транзистор деградирует в отказ)


Вернуться наверх
 
Не в сети
 Заголовок сообщения: Re: Нужно сделать мигалку на 555
СообщениеДобавлено: Сб янв 03, 2026 22:14:21 
Грызет канифоль

Карма: 2
Рейтинг сообщений: 91
Зарегистрирован: Сб авг 03, 2013 16:01:29
Сообщений: 285
Рейтинг сообщения: 0
Цитата:
Масштаб падения hFE (конкретные цифры)
• Через 1 минуту: hFE может упасть с исходных 250–300 до 100–120 (падение в 2-3 раза).

подтверждаю, замечал такое явление (для 315), но не обращал на это внимание.


Вернуться наверх
 
Не в сети
 Заголовок сообщения: Re: Нужно сделать мигалку на 555
СообщениеДобавлено: Вс янв 04, 2026 02:07:59 
Друг Кота
Аватар пользователя

Карма: 197
Рейтинг сообщений: 8629
Зарегистрирован: Пн ноя 30, 2009 03:00:01
Сообщений: 43472
Откуда: Нерезиновая
Рейтинг сообщения: 0
Попробовал устранить выброс отрицательного напряжения на базе, погасив его диодами:
СпойлерИзображение
Вложение:
Классический мультивибратор.PNG [36.18 KiB]
Скачиваний: 202

Получилось вот так:
(видео 4 сек. в архиве)
Вложение:
WIN_20260104_01_41_40_Pro.zip [264 KiB]
Скачиваний: 25

Правда, пришлось изменить номиналы резисторов и конденсаторов, чтобы сохранить частоту мигания- ~1 импульс в секунду.
Диоды- наверное, проще всего что-то типа 1N400* (от 4001 до 4007)
Конденсаторы- 100~220 мкФ, если нужно "ровно", то ёмкости одинаковые (по 150 мкФ), нужны разные длительности- ставите разные конденсаторы.
Резисторы, вместо 47 кОм поставил 150 кОм.


Вернуться наверх
 
Не в сети
 Заголовок сообщения: Re: Нужно сделать мигалку на 555
СообщениеДобавлено: Вс янв 04, 2026 03:02:12 
Друг Кота
Аватар пользователя

Карма: 31
Рейтинг сообщений: 933
Зарегистрирован: Пт сен 10, 2021 15:19:36
Сообщений: 6376
Откуда: Протвино
Рейтинг сообщения: 0
АлександрЛ писал(а):
Получилось вот так:

а зачем шунтировать то :o
это ж только эмиттеры бережет, а в коллекторах остаются жесткие импульсы, даже более жесткие потому что уже все напряжение в коллектор. а с учетом увеличения емостей - так вообще сильно хуже...


Вернуться наверх
 
Не в сети
 Заголовок сообщения: Re: Нужно сделать мигалку на 555
СообщениеДобавлено: Вс янв 04, 2026 11:12:14 
Мудрый кот

Карма: 25
Рейтинг сообщений: 499
Зарегистрирован: Сб май 05, 2012 20:24:52
Сообщений: 1867
Откуда: KN34PC, Болгария
Рейтинг сообщения: 0
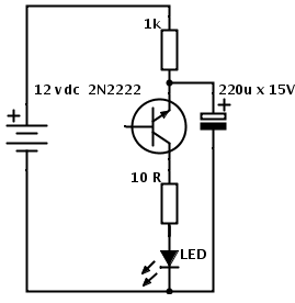
Также можете попробовать "волшебную схему" (понимаем: из "невозможной электроники"), которая работает :).

Изображение


Вернуться наверх
 
Не в сети
 Заголовок сообщения: Re: Нужно сделать мигалку на 555
СообщениеДобавлено: Вс янв 04, 2026 12:32:07 
Грызет канифоль

Карма: 2
Рейтинг сообщений: 91
Зарегистрирован: Сб авг 03, 2013 16:01:29
Сообщений: 285
Рейтинг сообщения: 0
Если принципиально нужно питание не менее 12 в, то можно использовать КТ208/209Ж-М, у них Uб-э max больше.


Вернуться наверх
 
Не в сети
 Заголовок сообщения: Re: Нужно сделать мигалку на 555
СообщениеДобавлено: Вс янв 04, 2026 14:14:26 
Друг Кота
Аватар пользователя

Карма: 31
Рейтинг сообщений: 933
Зарегистрирован: Пт сен 10, 2021 15:19:36
Сообщений: 6376
Откуда: Протвино
Рейтинг сообщения: 0
Также можете попробовать "волшебную схему" (понимаем: из "невозможной электроники"), которая работает :).

Изображение

волшебная схема называется лавинный режим при пробое коллектора
да еще и инверсное включение транзистора
(в качестве обратимо пробиваемого коллектора используется эмиттерный переход у которого напряжение этого пробоя намного ниже)
по сути эта схема - та же, что предлагали в самом начале, только в качестве динистора применен jbt в лавинном режиме.

впринципе довольно хорошо изученный режим и по моему опыту - вполне надежно работающие схемы, но как мы с простым мультивибратором увидели есть нюансы :). в защиту этой простейшей схемки скажу что энергия импульса обратного пробоя эмиттера там ничтожно маленькая, на многие порядки ниже чем в мультивибраторе, а дальше - запускается лавинообразный процесс (почти) нормальной работы jbt в результате которого транзистор шунтирует электрический пробой своего перехода. а единственное плохое в реверсном включении - это использование эмиттерного перехода (с плохим теплоотводом) в качестве коллектора , при этом макс допустимая мощность коммутируемая транзистором на ~порядок меньше. ну и еще, для реверсного режима подходят не все транзисторы, кроме 2222 должен норм работать 5551 , еще какието из кт502/503/209/208/ (не помню точно)


Последний раз редактировалось AlexS4 Вс янв 04, 2026 14:38:26, всего редактировалось 1 раз.

Вернуться наверх
 
Не в сети
 Заголовок сообщения: Re: Нужно сделать мигалку на 555
СообщениеДобавлено: Вс янв 04, 2026 14:47:01 
Мудрый кот

Карма: 25
Рейтинг сообщений: 499
Зарегистрирован: Сб май 05, 2012 20:24:52
Сообщений: 1867
Откуда: KN34PC, Болгария
Рейтинг сообщения: 0
Принципы давно ясны. Проверенные схемы, с явными недостатками и преимуществами.
Мы просто генерируем идеи. ТС нужна схема, чтобы ее собрать и безусловно работать.
---
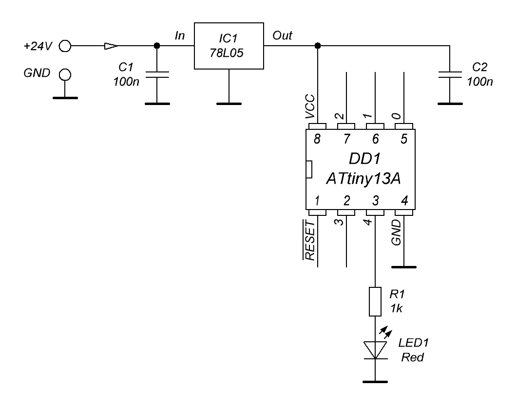
(Чтобы создать беспорядок) нужен микроконтроллер :)) .
Схема с 5 ел. компонента (без LED): 500 ms вкл / 500 ms выкл

Изображение


Вложения:
blink_attiny13a_1200000L.zip [305 байт]
Скачиваний: 19
Вернуться наверх
 
Не в сети
 Заголовок сообщения: Re: Нужно сделать мигалку на 555
СообщениеДобавлено: Вс янв 04, 2026 15:09:58 
Друг Кота
Аватар пользователя

Карма: 31
Рейтинг сообщений: 933
Зарегистрирован: Пт сен 10, 2021 15:19:36
Сообщений: 6376
Откуда: Протвино
Рейтинг сообщения: 0
в этой же схеме цепочку из нескольких последовательно включенных led можно вставить между +24V и С1 (вход 78L05) а R1 ~300R - просто повесить на Vcc или Gnd.


Вернуться наверх
 
Не в сети
 Заголовок сообщения: Re: Нужно сделать мигалку на 555
СообщениеДобавлено: Чт янв 29, 2026 22:42:17 
Первый раз сказал Мяу!
Аватар пользователя

Зарегистрирован: Чт мар 31, 2022 22:31:57
Сообщений: 32
Откуда: УЛВФ
Рейтинг сообщения: 0
Товарищи коты, а по вопросу контроллера нагрева сюда же?

_________________
Какие странные моторы - вода, огонь и ветер втроем. Дым над полосой, ни огонька, но наше небо выпускает шасси.


Вернуться наверх
 
Показать сообщения за:  Сортировать по:  Вернуться наверх
Начать новую тему Ответить на тему  [ Сообщений: 100 ]    , , , , 5

Часовой пояс: UTC + 3 часа


Кто сейчас на форуме

Сейчас этот форум просматривают: нет зарегистрированных пользователей и гости: 19


Вы не можете начинать темы
Вы не можете отвечать на сообщения
Вы не можете редактировать свои сообщения
Вы не можете удалять свои сообщения
Вы не можете добавлять вложения

Найти:
Перейти:  


Powered by phpBB © 2000, 2002, 2005, 2007 phpBB Group
Русская поддержка phpBB
Extended by Karma MOD © 2007—2012 m157y
Extended by Topic Tags MOD © 2012 m157y