Например TDA7294

Форум РадиоКот • Просмотр темы - Uni-T UT61-E сильно занижает ток цепи при измерении в mА
Форум РадиоКот
Здесь можно немножко помяукать :)

Текущее время: Вт фев 10, 2026 20:41:19

Часовой пояс: UTC + 3 часа


ПРЯМО СЕЙЧАС:



Начать новую тему Ответить на тему  [ Сообщений: 44 ]  1, ,  
Автор Сообщение
Не в сети
 Заголовок сообщения: Uni-T UT61-E сильно занижает ток цепи при измерении в mА
СообщениеДобавлено: Сб июн 13, 2020 20:00:36 
Первый раз сказал Мяу!

Зарегистрирован: Ср окт 16, 2019 09:55:54
Сообщений: 31
Рейтинг сообщения: 0
Добрый день. Обнаружил такую вот проблему... Есть три мультиметра: Uni-T UT61-E, старенький Unigor, и какой-то Мастеч. Все точно откалиброваны. Однако, если поставить uni-t в разрыв цепи и замерить ток в режиме mA, то он показывает ток процентов на 20 меньше, чем два других. Я озадачился этим, и собрал условно прецизионную схему из источника питания и точно замеренного резистора с расчетным током цепи 180mA. Unigor и Мастеч по отдельности показали практически расчетные 179mA, а вот 61-ый всего 138mA. Если в цепь поставить разом все три мультиметра, показания на них идентичны (примерно 136мА). Получается, что Uni-t ток-то показывает верно, но за счет высокого сопротивления своего внутреннего шунтирующего делителя сам ток в цепи резко снижает. Если я правильно понимаю схему 61-ого (лежит везде в инете), этот шунт-делитель состоит из R30 9ом с встречно-параллельными D5 и D6 + R29 1ом. те делитель 1/9 суммарно 10 ом? Это ведь много? Все резисторы проверил, диоды 4007 даже поменял, хотя и старые были живые.

Если взять юни-т, вытащить батарейку, поставить движок на mA, и воткнуть в цепь с другими мультиметрами, то они покажут те же 138mA.

Если поставить Uni-T на 10А и провести те же опыты, он, как и остальные мультиметры, покажет нужные 0,18A Это и понятно, там шунт 0,01ом

Сразу скажу, что юни-т полностью исправен и во всех режимах показывает точно то, что надо. Калибровался по китайскому опорнику с известными напругами до пятого знака после запятой, хотя можно было и не калибровать, тк со стока врал при 10в, если правильно помню, 3 единицы в последнем разряде, те вполне точно было.

Кто что скажет? У всех 61-х так? Получается, что этим юни-том ток не померить правильно или все же есть проблема с экземпляром? Тогда куда копать?


Вернуться наверх
 
Не в сети
 Заголовок сообщения: Re: Uni-T UT61-E сильно занижает ток цепи при измерении в mА
СообщениеДобавлено: Сб июн 13, 2020 20:29:02 
Опытный кот
Аватар пользователя

Карма: 10
Рейтинг сообщений: 387
Зарегистрирован: Пт май 01, 2015 14:33:13
Сообщений: 855
Рейтинг сообщения: 6
У всех 61-х так? Получается, что этим юни-том ток не померить правильно или все же есть проблема с экземпляром? Тогда куда копать?

Копать в сторону закона Ома... И умения учитывать внутреннее сопротивление прибора при измерении тока. Для этого надо знать особенности внутренних шунтов в различных приборах, тогда не будет глупых вопросов.
На пределе mA при токе 100 mA на UT61-E падение напряжения 0.859 вольта с учетом родных щупов.


Вернуться наверх
 
Не в сети
 Заголовок сообщения: Re: Uni-T UT61-E сильно занижает ток цепи при измерении в mА
СообщениеДобавлено: Сб июн 13, 2020 20:44:06 
Первый раз сказал Мяу!

Зарегистрирован: Ср окт 16, 2019 09:55:54
Сообщений: 31
Рейтинг сообщения: -3
Читай вопрос и относись к задающему его с уважением, либо проходи мимо и не пиши глупых ответов. Клавиатура чище будет.


Вернуться наверх
 
Не в сети
 Заголовок сообщения: Re: Uni-T UT61-E сильно занижает ток цепи при измерении в mА
СообщениеДобавлено: Сб июн 13, 2020 21:40:20 
Поставщик валерьянки для Кота
Аватар пользователя

Карма: 18
Рейтинг сообщений: 461
Зарегистрирован: Чт ноя 15, 2012 20:47:59
Сообщений: 2234
Откуда: Крымск
Рейтинг сообщения: 0
IGhost47 писал(а):
Тогда куда копать?

В сторону "источника калиброванного тока", с помощью данного устройства подавать эталонную величину на приборы и смотреть как они себя ведут! :idea:


Вернуться наверх
 
Эиком - электронные компоненты и радиодетали
Не в сети
 Заголовок сообщения: Re: Uni-T UT61-E сильно занижает ток цепи при измерении в mА
СообщениеДобавлено: Сб июн 13, 2020 21:51:28 
Первый раз сказал Мяу!

Зарегистрирован: Ср окт 16, 2019 09:55:54
Сообщений: 31
Рейтинг сообщения: 0
Так на "стендовой модели" собственно так и делалось. Расчетный ток цепи модели - 180мА. Остальные мультиметры и по отдельности, и вместе почти точно его и показывали, те своими внутренними сопротивлениями практически не занижали ток всей цепи. Вопрос - почему юни-т, как только появляется в цепи, так сильно занижает ток, хотя и показывает его значение правильно? Понятно, что из-за внутреннего сопротивления своего миллиамперного шунта-делителя, но почему оно такое большое?
Если уж строго, источника калиброванного тока у меня нет.


Вернуться наверх
 
Не в сети
 Заголовок сообщения: Re: Uni-T UT61-E сильно занижает ток цепи при измерении в mА
СообщениеДобавлено: Вс июн 14, 2020 00:29:06 
Мудрый кот
Аватар пользователя

Карма: 9
Рейтинг сообщений: 101
Зарегистрирован: Вс окт 04, 2009 13:23:12
Сообщений: 1833
Откуда: н. новгород
Рейтинг сообщения: 0
Могу предположить что источник напряжения 5 вольт, а нагрузка 27 Ом. Тогда суммируя 10 Ом шунта + 27 Ом нагрузки и получится такой ток.

_________________
Лучше умному тупить, чем тупому умничать


Вернуться наверх
 
Не в сети
 Заголовок сообщения: Re: Uni-T UT61-E сильно занижает ток цепи при измерении в mА
СообщениеДобавлено: Вс июн 14, 2020 01:11:54 
Первый раз сказал Мяу!

Зарегистрирован: Ср окт 16, 2019 09:55:54
Сообщений: 31
Рейтинг сообщения: 0
Ну, почти... Я сейчас точно не скажу, но напряжение источника было 4в, а R в цепи около 20 ом Если приплюсовать R самого юнит-а, то как раз и получится что-то похожее. Но не в этом суть-то... Почему у 61e такое высокое внутреннее сопротивление на измерении mA?? Это у всех так и это нормально? Если да, то 61e как-то не очень годится для измерения маленьких токов. Слишком большую погрешность вносит.


Вернуться наверх
 
Не в сети
 Заголовок сообщения: Re: Uni-T UT61-E сильно занижает ток цепи при измерении в mА
СообщениеДобавлено: Вс июн 14, 2020 01:51:02 
Друг Кота
Аватар пользователя

Карма: 127
Рейтинг сообщений: 11154
Зарегистрирован: Ср янв 08, 2014 04:21:09
Сообщений: 32325
Откуда: Москва
Рейтинг сообщения: 0
Так сам же знаешь ответ на вопрос. В электронике редко измеряют токи в разрыв цепи, обычно по падению напряжения на известном сопротивлении.

Но в моем понимании 10 Ом шунта это неприлично много, для приличного прибора.


Вернуться наверх
 
Не в сети
 Заголовок сообщения: Re: Uni-T UT61-E сильно занижает ток цепи при измерении в mА
СообщениеДобавлено: Вс июн 14, 2020 08:13:39 
Потрогал лапой паяльник
Аватар пользователя

Карма: 1
Рейтинг сообщений: 215
Зарегистрирован: Вт дек 27, 2011 05:26:56
Сообщений: 319
Рейтинг сообщения: 0
Кто что скажет? У всех 61-х так? Получается, что этим юни-том ток не померить правильно или все же есть проблема с экземпляром? Тогда куда копать?

У меня Uni-T UT61D
Вот что намерялось.
Включены ПОСЛЕДОВАТЕЛЬНО.
Изображение Изображение Изображение
P.S. Не один из приборов НЕ КАЛИБРОВАН!
У TR6120 предел тока 100 мА, а TR6150 влом ставить(у него предел 300 мА),
но думаю картина будет та-же :))


Последний раз редактировалось TrexREXX Вс июн 14, 2020 08:20:34, всего редактировалось 1 раз.

Вернуться наверх
 
Не в сети
 Заголовок сообщения: Re: Uni-T UT61-E сильно занижает ток цепи при измерении в mА
СообщениеДобавлено: Вс июн 14, 2020 08:19:07 
Друг Кота
Аватар пользователя

Карма: 127
Рейтинг сообщений: 11154
Зарегистрирован: Ср янв 08, 2014 04:21:09
Сообщений: 32325
Откуда: Москва
Рейтинг сообщения: 0
При последовательном включении эксперимент не имеет смысла. Ток будет всегда одинаков. здесь требуется не проверка точности прибора, а проверка его влияния на ток в цепи.


Вернуться наверх
 
Не в сети
 Заголовок сообщения: Re: Uni-T UT61-E сильно занижает ток цепи при измерении в mА
СообщениеДобавлено: Вс июн 14, 2020 08:33:03 
Потрогал лапой паяльник
Аватар пользователя

Карма: 1
Рейтинг сообщений: 215
Зарегистрирован: Вт дек 27, 2011 05:26:56
Сообщений: 319
Рейтинг сообщения: 0
При последовательном включении эксперимент не имеет смысла. Ток будет всегда одинаков. здесь требуется не проверка точности прибора, а проверка его влияния на ток в цепи.

Выше было написано
Однако, если поставить uni-t в разрыв цепи и замерить ток в режиме mA, то он показывает ток процентов на 20 меньше, чем два других. Я озадачился этим, и собрал условно прецизионную схему из источника питания и точно замеренного резистора с расчетным током цепи 180mA. Unigor и Мастеч по отдельности показали практически расчетные 179mA, а вот 61-ый всего 138mA. Если в цепь поставить разом все три мультиметра, показания на них идентичны (примерно 136мА).
При подаче тока с КАЛИБРАТОРА ТОКА пиборы показывают ОДИНАКОВО, что не так? Про точность и не было впросов :))


Вернуться наверх
 
Не в сети
 Заголовок сообщения: Re: Uni-T UT61-E сильно занижает ток цепи при измерении в mА
СообщениеДобавлено: Вс июн 14, 2020 09:07:47 
Друг Кота
Аватар пользователя

Карма: 127
Рейтинг сообщений: 11154
Зарегистрирован: Ср янв 08, 2014 04:21:09
Сообщений: 32325
Откуда: Москва
Рейтинг сообщения: 0
Так у ТСа написано что не так - сильное влияние прибора на измеряемую цепь.


Вернуться наверх
 
Не в сети
 Заголовок сообщения: Re: Uni-T UT61-E сильно занижает ток цепи при измерении в mА
СообщениеДобавлено: Вс июн 14, 2020 09:27:00 
Первый раз сказал Мяу!

Зарегистрирован: Ср окт 16, 2019 09:55:54
Сообщений: 31
Рейтинг сообщения: 0
TrexREXX, доброе утро! При последовательном включении и у меня все три мультиметра идентично показывают. Вы, если не трудно, попробуйте замерить сначала воткнув в цепь например r6871, а затем вместо него UNI-T.
Уважаемый kentgaryk прав, не в точности замера вопрос, а во влиянии UNI-T UT61 на ток в замеряемой "реальной" цепи. При постановке опыта так же не имеет смысла использовать цепь со стабилизированным значением тока, тк ясно, что все мультиметры покажут одно и то же значение. Нужно просто взять батарейку с резистором из расчета примерно на 100 - 150 мА и померить в цепи ток вначале одним каким-нибудь мультиметром, а затем UT-61


Вернуться наверх
 
Не в сети
 Заголовок сообщения: Re: Uni-T UT61-E сильно занижает ток цепи при измерении в mА
СообщениеДобавлено: Вс июн 14, 2020 09:52:48 
Опытный кот
Аватар пользователя

Карма: 10
Рейтинг сообщений: 387
Зарегистрирован: Пт май 01, 2015 14:33:13
Сообщений: 855
Рейтинг сообщения: 0
Ну вот опять, Вам был дан ответ, что показания в такой цепи зависят от сопротивления шунта на выбранном пределе измерения.
UT61-E прибор имеет 22000 отсчетов и сопротивление шунта в нем в разы выше, чем у приборов на 4000 или 1999 отсчетов. Это надеюсь понятно?


Вернуться наверх
 
Не в сети
 Заголовок сообщения: Re: Uni-T UT61-E сильно занижает ток цепи при измерении в mА
СообщениеДобавлено: Вс июн 14, 2020 10:21:28 
Первый раз сказал Мяу!

Зарегистрирован: Ср окт 16, 2019 09:55:54
Сообщений: 31
Рейтинг сообщения: 0
Ну вот опять, Вам был дан ответ, что показания в такой цепи зависят от сопротивления шунта на выбранном пределе измерения.


Я не это спрашиваю

UT61-E прибор имеет 22000 отсчетов и сопротивление шунта в нем в разы выше, чем у приборов на 4000 или 1999 отсчетов. Это надеюсь понятно?


Не понятно! И Вам самому тоже. Что, чем больше кол-во отсчетов, тем менее прибор пригоден для измерения малых токов в разрыв цепи??? Какая связь? Тогда 71-ую серию вообще в топку? У 71-ого, кстати, шунт-делитель тоже 9/1 но с меньшими в два раза сопротивлениями резисторов.


Вернуться наверх
 
Не в сети
 Заголовок сообщения: Re: Uni-T UT61-E сильно занижает ток цепи при измерении в mА
СообщениеДобавлено: Вс июн 14, 2020 10:26:25 
Потрогал лапой паяльник
Аватар пользователя

Карма: 1
Рейтинг сообщений: 215
Зарегистрирован: Вт дек 27, 2011 05:26:56
Сообщений: 319
Рейтинг сообщения: 0
TrexREXX, доброе утро! При последовательном включении и у меня все три мультиметра идентично показывают. Вы, если не трудно, попробуйте замерить сначала воткнув в цепь например r6871, а затем вместо него UNI-T.
Уважаемый kentgaryk прав, не в точности замера вопрос, а во влиянии UNI-T UT61 на ток в замеряемой "реальной" цепи. При постановке опыта так же не имеет смысла использовать цепь со стабилизированным значением тока, тк ясно, что все мультиметры покажут одно и то же значение. Нужно просто взять батарейку с резистором из расчета примерно на 100 - 150 мА и померить в цепи ток вначале одним каким-нибудь мультиметром, а затем UT-61

UNI-T и r6871 с калибратора по отдельности.
Изображение Изображение
Они же с Agilent 6632B через резистор 11 Ом, пока ищу батарейкУ :))
Изображение Изображение
Те же и батарейка :))
Изображение Изображение
Проценты подсчитаете сами :))
И еще: Уважаемый kentgaryk прав, не в точности замера вопрос,
Что вы привязались к точности, я скинул то что просили :))
Если в цепь поставить разом все три мультиметра, показания на них идентичны (примерно 136мА) НО НЕПРАВИЛЬНЫХ ЗНАЧЕНИЯ. У меня два, НО ПРАВИЛЬНЫХ!


Вернуться наверх
 
Не в сети
 Заголовок сообщения: Re: Uni-T UT61-E сильно занижает ток цепи при измерении в mА
СообщениеДобавлено: Вс июн 14, 2020 10:51:05 
Первый раз сказал Мяу!

Зарегистрирован: Ср окт 16, 2019 09:55:54
Сообщений: 31
Рейтинг сообщения: 0
Спасибо. Мдаа, разница не такая значительная... Мои мысли все больше смещаются в сторону конкретного экземпляра
Две последние картинки - это замер токов цепи с батарейкой каждым прибором по-отдельности?


Вернуться наверх
 
Не в сети
 Заголовок сообщения: Re: Uni-T UT61-E сильно занижает ток цепи при измерении в mА
СообщениеДобавлено: Вс июн 14, 2020 11:35:54 
Друг Кота
Аватар пользователя

Карма: 127
Рейтинг сообщений: 11154
Зарегистрирован: Ср янв 08, 2014 04:21:09
Сообщений: 32325
Откуда: Москва
Рейтинг сообщения: 0
У E и у D приборов возможно разные шунты.


Вернуться наверх
 
Не в сети
 Заголовок сообщения: Re: Uni-T UT61-E сильно занижает ток цепи при измерении в mА
СообщениеДобавлено: Вс июн 14, 2020 11:37:51 
Поставщик валерьянки для Кота

Карма: 77
Рейтинг сообщений: 3492
Зарегистрирован: Чт сен 09, 2010 07:32:24
Сообщений: 2331
Откуда: г. Рыбинск
Рейтинг сообщения: 3
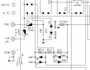
Такое поведение UT61E - расплата за АВП. На пределах измерения 22 и 220 мА в цепи тока всегда включены 2 резистора последовательно - 1 и 9 Ом. На пределе 22 мА как шунт задействованы оба. На 220 мА задействован только 1 Ом, второй же только тепло рассеивает почём зря. Как вариант, можно попробовать заменить диоды D5 и D6 на шоттки, по 2 шт. последовательно. Но при этом может увеличиться погрешность на пределе 22 мА.

Изображение


Вернуться наверх
 
Не в сети
 Заголовок сообщения: Re: Uni-T UT61-E сильно занижает ток цепи при измерении в mА
СообщениеДобавлено: Вс июн 14, 2020 11:55:42 
Первый раз сказал Мяу!

Зарегистрирован: Ср окт 16, 2019 09:55:54
Сообщений: 31
Рейтинг сообщения: 0
У E и у D приборов возможно разные шунты.


Возможно... Я схему D-шки найти не могу. У 71-ой серии, например, эти шунты имеют номиналы резисторов в два раза меньше.


Вернуться наверх
 
Показать сообщения за:  Сортировать по:  Вернуться наверх
Начать новую тему Ответить на тему  [ Сообщений: 44 ]  1, ,  

Часовой пояс: UTC + 3 часа


Кто сейчас на форуме

Сейчас этот форум просматривают: xterro и гости: 20


Вы не можете начинать темы
Вы не можете отвечать на сообщения
Вы не можете редактировать свои сообщения
Вы не можете удалять свои сообщения
Вы не можете добавлять вложения

Найти:
Перейти:  


Powered by phpBB © 2000, 2002, 2005, 2007 phpBB Group
Русская поддержка phpBB
Extended by Karma MOD © 2007—2012 m157y
Extended by Topic Tags MOD © 2012 m157y