Например TDA7294

Форум РадиоКот • Просмотр темы - DC-DC преобразователь
Форум РадиоКот
Здесь можно немножко помяукать :)

Текущее время: Сб мар 28, 2026 23:45:40

Часовой пояс: UTC + 3 часа


ПРЯМО СЕЙЧАС:



Начать новую тему Ответить на тему  [ Сообщений: 121 ]     ... , , , 6,  
Автор Сообщение
 Заголовок сообщения: Re: DC-DC преобразователь
СообщениеДобавлено: Пн мар 09, 2026 12:13:17 
Нашел транзистор. Понюхал.

Зарегистрирован: Пт авг 21, 2015 12:01:25
Сообщений: 162
Откуда: г. Орел
Рейтинг сообщения: 0
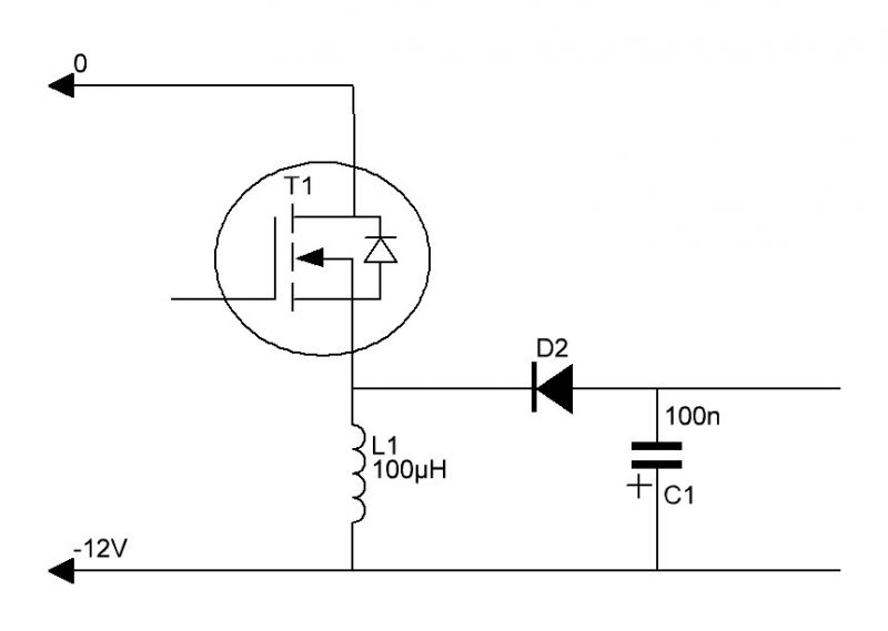
Изображение
Как то так будет выглядеть в итоге.


Последний раз редактировалось prizrack* Вт мар 10, 2026 11:06:18, всего редактировалось 1 раз.

Вернуться наверх
 
 Заголовок сообщения: Re: DC-DC преобразователь
СообщениеДобавлено: Пн мар 09, 2026 20:11:05 
Друг Кота
Аватар пользователя

Карма: 32
Рейтинг сообщений: 976
Зарегистрирован: Пт сен 10, 2021 15:19:36
Сообщений: 6605
Откуда: Протвино
Рейтинг сообщения: 0
prizrack*, а в чем смысл применять трансформатор, если не использовать гальваическую развязку ?!
чтоб сохранить полностью полярности импульсов надо просто дроссель подтягивть fet ключем к -12V а диодом брать +150М с него же.
это раза в 1.5+ улучшит макс мощность с того же сердечника.

ну или сделать фидбек по самоиндукции первичной обмотки а вторичку сделать полностью изолированной. будет +ошибка порядка 10% ... ну и бог с ней жеж.


Вернуться наверх
 
 Заголовок сообщения: Re: DC-DC преобразователь
СообщениеДобавлено: Пн мар 09, 2026 22:34:47 
Нашел транзистор. Понюхал.

Зарегистрирован: Пт авг 21, 2015 12:01:25
Сообщений: 162
Откуда: г. Орел
Рейтинг сообщения: 0
AlexS4, Не совсем понял как подтягивать к -12В с однополярным питанием, пример схемки можно? Вторая обмотка просто чтобы избавиться от+12 через диод на выходном конденсаторе. Полностью изолированную вторичку возможно позже буду делать, сейчас для упрощения схемы(обратной связи) и измерений минусы связал. Ну и есть подозрение что с одной обмотки может не получиться 100-130В из 12-ти.


Вернуться наверх
 
 Заголовок сообщения: Re: DC-DC преобразователь
СообщениеДобавлено: Вт мар 10, 2026 07:54:28 
Друг Кота
Аватар пользователя

Карма: 32
Рейтинг сообщений: 976
Зарегистрирован: Пт сен 10, 2021 15:19:36
Сообщений: 6605
Откуда: Протвино
Рейтинг сообщения: 0
prizrack*, предположим у нас есть некий гальванически изолированный источник 12V,
сейчас на схеме к общему (земляному) проводу подключен его минус.
если к общему подключить его + то индуктор одним концом окажется на общем, при той же схеме и на нем -12V будет возникать тоько импульсами при накачке (оно будет отсекаться диодом если электрод питать напрямую с индуктора). и это будет аналогично случаю с трансформатором на схеме выше.

Цитата:
есть подозрение что с одной обмотки может не получиться 100-130В из 12-ти.

нпример на катушке зажигания автомобильного двс самоиндукция на низковольтном конце порядка 400V обычно.

напряжение там практически ограничено только напряжением пробоя ключа (fet) и для конкретного случая - временем закрытого состояния fet по отношению к четверть периоду собственных колебаий LC (индуктора и заряжаемого конденсатора).


Вернуться наверх
 
Эиком - электронные компоненты и радиодетали
 Заголовок сообщения: Re: DC-DC преобразователь
СообщениеДобавлено: Вт мар 10, 2026 09:55:56 
Модератор
Аватар пользователя

Карма: 153
Рейтинг сообщений: 2942
Зарегистрирован: Сб авг 14, 2010 15:05:51
Сообщений: 19030
Откуда: г. Озерск, Челябинская обл.
Рейтинг сообщения: 0
Медали: 1
Лучший человек Форума 2017 (1)
AlexS4, а ты с катушкой от автомобильного зажигания сможешь получить частоту искр 100 кГц с амплитудой 400 Вольт?
в автомобиле частота сравнительно низкая. и с ростом частоты вращения двигателя сокращается время накопления энергии и, соответственно, амплитуда выброса.

_________________
Мудрость приходит вместе с импотенцией...
Когда на русском форуме переходят на Вы, в реальной жизни начинают бить морду.


Вернуться наверх
 
 Заголовок сообщения: Re: DC-DC преобразователь
СообщениеДобавлено: Вт мар 10, 2026 10:17:55 
Нашел транзистор. Понюхал.

Зарегистрирован: Пт авг 21, 2015 12:01:25
Сообщений: 162
Откуда: г. Орел
Рейтинг сообщения: 0
AlexS4, Типо такого?
Изображение
Напрямую с индуктора питать электрод нельзя, зазор физически постоянно меняется, конденсатор нужен обязательно и слежение за его разрядом.
Ну и в катушке зажигания индуктивность в разы больше(кол-во витков и сопротивление больше), а у меня расчетная 3 мкГн, там от 1 до 4-х витков в зависимости от сердечника, может и не получиться большого напряжения, надо пробовать....
Starichok51, Вот и у меня сомнения максимум что я видел на обратном выбросе 130В, но там индуктивность первички была 20мкГн и время заряда большое, правда и вторичка нагружена была, а при 3мкГн больше 30В обратный импульс не поднимался......

С точки зрения физики, я это понимаю так: чтобы получить на куске провода с низким сопротивлением: активным + "реактивным"(зависит от индуктивности) - большое напряжение необходимо максимальное изменение магнитного потока, оно в свою очередь зависит от скорости и амплитуды, амплитуду мы не можем поднять из-за насыщения сердечника, а чтобы поднять скорость нужно уменьшать индуктивность, что еще уменьшит сопротивление и начнутся проблемы с ключами. В данном случаем, судя по расчетам, все это где-то близко к предельным значениям. В итоге получаем что использование различных обмоток (индуктивностей) дает возможность разделить заряд и разряд дросселя, ну и потери из-за этого растут и возникает необходимость ставить снабер (хотя тут можно скинуть обратный импульс на питание, но это не точно).


Последний раз редактировалось prizrack* Вт мар 10, 2026 11:56:24, всего редактировалось 9 раз(а).

Вернуться наверх
 
 Заголовок сообщения: Re: DC-DC преобразователь
СообщениеДобавлено: Вт мар 10, 2026 10:20:51 
Друг Кота
Аватар пользователя

Карма: 17
Рейтинг сообщений: 476
Зарегистрирован: Ср ноя 11, 2009 17:19:30
Сообщений: 5706
Откуда: Воронеж
Рейтинг сообщения: 0
Особого выигрыша нет от такого. Соотношение напряжений таково, что эта "вольтдобавка" от питающего напряжения не даст заметного прироста энергии.

_________________
"Привет!" - соврал он.


Вернуться наверх
 
 Заголовок сообщения: Re: DC-DC преобразователь
СообщениеДобавлено: Вт мар 10, 2026 10:25:56 
Нашел транзистор. Понюхал.

Зарегистрирован: Пт авг 21, 2015 12:01:25
Сообщений: 162
Откуда: г. Орел
Рейтинг сообщения: 0
>TEHb<, Это про что? В последней схеме вообще нет добавки от питающего(. А в классической эта добавка через диод постоянно подпитывает кондер, что не приемлимо в моем случае.


Вернуться наверх
 
 Заголовок сообщения: Re: DC-DC преобразователь
СообщениеДобавлено: Вт мар 10, 2026 12:14:40 
Модератор
Аватар пользователя

Карма: 153
Рейтинг сообщений: 2942
Зарегистрирован: Сб авг 14, 2010 15:05:51
Сообщений: 19030
Откуда: г. Озерск, Челябинская обл.
Рейтинг сообщения: 0
Медали: 1
Лучший человек Форума 2017 (1)
prizrack*, я посмотрел твою итоговую схему на этой странице.
С6 не нужен вообще.
и у С7, по-моему, слишком большая емкость.
к тому же, С7 будет забирать слишком много накопленной энергии при закрытии ключа, а потом её будет также бесполезно отдавать через открывшийся ключ.

_________________
Мудрость приходит вместе с импотенцией...
Когда на русском форуме переходят на Вы, в реальной жизни начинают бить морду.


Вернуться наверх
 
 Заголовок сообщения: Re: DC-DC преобразователь
СообщениеДобавлено: Вт мар 10, 2026 12:30:41 
Друг Кота
Аватар пользователя

Карма: 32
Рейтинг сообщений: 976
Зарегистрирован: Пт сен 10, 2021 15:19:36
Сообщений: 6605
Откуда: Протвино
Рейтинг сообщения: 0
Цитата:
с катушкой от автомобильного зажигания сможешь получить частоту искр 100 кГц с амплитудой 400 Вольт?

у катушки зажигания огромная индуктивность (даже у первички)
и низкая частота собственных колебаний связанная с емкостью в высоковольтной вторичке

Цитата:
Типо такого?

дане, тот же n-fet со стороны -12V !
а индуктор на заземленном +12V
диод анодом к индуктору ловит выбросы самоиндукции в +.


и да вольтдобавка 12V к 130V это менее 20% к энергии, не стоит о ней плакать, если она чемуто мешает.
(1+12/130)**2
1.1931360946745564


Вернуться наверх
 
 Заголовок сообщения: Re: DC-DC преобразователь
СообщениеДобавлено: Вт мар 10, 2026 12:59:51 
Сверлит текстолит когтями

Карма: 5
Рейтинг сообщений: 182
Зарегистрирован: Пн май 01, 2017 20:01:45
Сообщений: 1186
Рейтинг сообщения: 0
Starichok51, это подобие квази-квазирезонансного обратноходового.


Вернуться наверх
 
 Заголовок сообщения: Re: DC-DC преобразователь
СообщениеДобавлено: Вт мар 10, 2026 17:29:47 
Нашел транзистор. Понюхал.

Зарегистрирован: Пт авг 21, 2015 12:01:25
Сообщений: 162
Откуда: г. Орел
Рейтинг сообщения: 0
Starichok51, С7 там вместо резистора, он поидее ничего не забирает(по крайней мере по потреблению и выходу я не заметил), мощность падает на С6 и резисторе, номиналы подбирались на тестовом варианте, там все навесным монтажом было(без нормальной разводки), в итоговом еще поиграюсь со снабером, его задача в принципе только первый выброс сгладить, чтобы можно было более низковольтный ключ поставить(у них сопротивление канала меньше), а может и без него все норм будет. С двумя конденсаторам "красивее" форма обратного импульса была, меньше потребление и падение напряжения на вторичке было, при его подключении.
AlexS4, так?
Изображение
так интереснее, главное чтобы напруги хватило и пару транзисторов придется для обратной связи поставить, но это не проблема.
u37, Нету там никакого резонанса, обычный обратноход, только с ньансами.


Вернуться наверх
 
 Заголовок сообщения: Re: DC-DC преобразователь
СообщениеДобавлено: Вт мар 10, 2026 20:57:48 
Друг Кота
Аватар пользователя

Карма: 32
Рейтинг сообщений: 976
Зарегистрирован: Пт сен 10, 2021 15:19:36
Сообщений: 6605
Откуда: Протвино
Рейтинг сообщения: 0
prizrack* писал(а):
так?

да, ну только обозвать 0V(=общий=Gnd) верхний, а нижний провод питания соответственно -12V

там вроде даже и фидбек для ir2121 инвертировать не надо, только делитель.
единственная особенность что управляющие сигналы по факту будут отсчитываться от -12V, но виртуально это легко нивилировать делителями и смещениями, при необходимости.


Вернуться наверх
 
 Заголовок сообщения: Re: DC-DC преобразователь
СообщениеДобавлено: Вт мар 10, 2026 22:09:54 
Модератор
Аватар пользователя

Карма: 153
Рейтинг сообщений: 2942
Зарегистрирован: Сб авг 14, 2010 15:05:51
Сообщений: 19030
Откуда: г. Озерск, Челябинская обл.
Рейтинг сообщения: 0
Медали: 1
Лучший человек Форума 2017 (1)
AlexS4, от перемены названий проводов схема не изменится.
так что, изменение названий питающих проводов - это твоя очередная (а может, внеочередная) глупость.

_________________
Мудрость приходит вместе с импотенцией...
Когда на русском форуме переходят на Вы, в реальной жизни начинают бить морду.


Вернуться наверх
 
 Заголовок сообщения: Re: DC-DC преобразователь
СообщениеДобавлено: Вт мар 10, 2026 22:14:10 
Нашел транзистор. Понюхал.

Зарегистрирован: Пт авг 21, 2015 12:01:25
Сообщений: 162
Откуда: г. Орел
Рейтинг сообщения: 0
AlexS4, Спасибо, попробую с дросселем. Гляну сколько получиться вытащить вольтажа.
Starichok51, Интересно кол-во витков дросселя (при неизменной индуктивности), если изменять габариты и зазор в сердечнике повлияет на напряжение разряда? В теории не должно....

Ну и по названию проводов соглашусь со Старичком, +,-, 0. - тут как кому удобней воспринимать, "общий" логично использовать когда много каскадов, например если посмотреть на эту простую схемку, то логично "общим" назвать "+" источника, а если дорисовать драйвер, генератор, контроллер, то общим уже окажется "-" питания т.к. он будет соединять больше всяких узлов))
Имеет какое-то значения только земля, собственно что мы посадим на корпус и в моем случае реально заземлим, что-бы некого током не "екнуло" и ей скорее всего окажется положительный электрод, т.к. он идет на заготовку и есть большая вероятность короткого на корпус станка.


Вернуться наверх
 
 Заголовок сообщения: Re: DC-DC преобразователь
СообщениеДобавлено: Ср мар 11, 2026 09:43:10 
Модератор
Аватар пользователя

Карма: 153
Рейтинг сообщений: 2942
Зарегистрирован: Сб авг 14, 2010 15:05:51
Сообщений: 19030
Откуда: г. Озерск, Челябинская обл.
Рейтинг сообщения: 1
Медали: 1
Лучший человек Форума 2017 (1)
количество витков может влиять - разная межвитковая емкость, которая добавляется в схему.
но это влияние можно даже не заметить на фоне суммарной емкости всех элементов схемы.

_________________
Мудрость приходит вместе с импотенцией...
Когда на русском форуме переходят на Вы, в реальной жизни начинают бить морду.


Вернуться наверх
 
 Заголовок сообщения: Re: DC-DC преобразователь
СообщениеДобавлено: Ср мар 11, 2026 09:57:53 
Нашел транзистор. Понюхал.

Зарегистрирован: Пт авг 21, 2015 12:01:25
Сообщений: 162
Откуда: г. Орел
Рейтинг сообщения: 0
Starichok51, Спасибо, еще вопросик который меня давно интересует: Если мы заземляем в данном примере положительный электрод, то получается что вся схема вместе со вторичной стороной источника питания постоянно изменяет потенциал относительно земли. Она в свою очередь образует "некую" паразитную емкость между землей и скажем минусом питания (т.к. он самый массивный получается). Насколько эта емкость может сказаться на работе схемы? Или ее влияние будет мизерным и можно на нее смело забить на этих частотах?


Вернуться наверх
 
 Заголовок сообщения: Re: DC-DC преобразователь
СообщениеДобавлено: Ср мар 11, 2026 12:01:13 
Модератор
Аватар пользователя

Карма: 153
Рейтинг сообщений: 2942
Зарегистрирован: Сб авг 14, 2010 15:05:51
Сообщений: 19030
Откуда: г. Озерск, Челябинская обл.
Рейтинг сообщения: 0
Медали: 1
Лучший человек Форума 2017 (1)
скорее всего, не скажется.

_________________
Мудрость приходит вместе с импотенцией...
Когда на русском форуме переходят на Вы, в реальной жизни начинают бить морду.


Вернуться наверх
 
 Заголовок сообщения: Re: DC-DC преобразователь
СообщениеДобавлено: Ср мар 11, 2026 14:07:27 
Друг Кота
Аватар пользователя

Карма: 32
Рейтинг сообщений: 976
Зарегистрирован: Пт сен 10, 2021 15:19:36
Сообщений: 6605
Откуда: Протвино
Рейтинг сообщения: 0
конечно я имел ввиду не важность формальных названий а правильность включения относительно корпуса установки ;)
но ваша интерпритация, Starichok51, забавная, очень умная и деликатная, как обычно. :)


Цитата:
например если посмотреть на эту простую схемку, то логично "общим" назвать "+" источника, а если дорисовать драйвер, генератор, контроллер, то общим уже окажется "-" питания т.к. он будет соединять больше всяких узлов))

если например там какоето сложное устройство и удобно чтоб скажем его множество входов-выходов имело общий провод соответствующий корпусу установки то переход удобнее всего осуществить по входу драйвера.
тоесть драйвер запитываем от силовых -12V а все остальное управление от маломощного источника +3/5/12V.
а неинвертирующее преобразование уровней сделать на 1 pnp транзисторе c базой на 0V и 2 резисторами.

а скажем перетаскивание драйвера наверх уже потребует трансформатора, это явно сложнее=хуже.


Вернуться наверх
 
 Заголовок сообщения: Re: DC-DC преобразователь
СообщениеДобавлено: Ср мар 11, 2026 22:10:47 
Нашел транзистор. Понюхал.

Зарегистрирован: Пт авг 21, 2015 12:01:25
Сообщений: 162
Откуда: г. Орел
Рейтинг сообщения: 0
AlexS4, Не совсем понял, там и так вроде все нормально как и в моей схеме с общим минусом, разница только на выходе и обратной связи. От одного изолированного источника 12В все питаться будет: контролер, драйвер и силовая часть. Обратную связь думаю через оптопару развязать, + выходного конденсатора заземлю, а вся связь со станком будет с оптической развязкой. Ну и корпус всего этого дела тоже будет на земле сидеть и не соединяться с выводами источника питания.


Вернуться наверх
 
Показать сообщения за:  Сортировать по:  Вернуться наверх
Начать новую тему Ответить на тему  [ Сообщений: 121 ]     ... , , , 6,  

Часовой пояс: UTC + 3 часа


Вы не можете начинать темы
Вы не можете отвечать на сообщения
Вы не можете редактировать свои сообщения
Вы не можете удалять свои сообщения
Вы не можете добавлять вложения

Найти:
Перейти:  


Powered by phpBB © 2000, 2002, 2005, 2007 phpBB Group
Русская поддержка phpBB
Extended by Karma MOD © 2007—2012 m157y
Extended by Topic Tags MOD © 2012 m157y