Например TDA7294

Форум РадиоКот • Просмотр темы - Преобразователь 0.5-1.5V в 5-9V
Форум РадиоКот
Здесь можно немножко помяукать :)

Текущее время: Ср янв 14, 2026 06:26:41

Часовой пояс: UTC + 3 часа


ПРЯМО СЕЙЧАС:



Начать новую тему Ответить на тему  [ Сообщений: 1072 ]     ... , , , 34, , , ...  
Автор Сообщение
Не в сети
 Заголовок сообщения: Re: Преобразователь 0.5 -1.5V в 5 V
СообщениеДобавлено: Сб янв 06, 2018 14:59:09 
Друг Кота
Аватар пользователя

Карма: 77
Рейтинг сообщений: 1247
Зарегистрирован: Вс мар 29, 2009 22:09:05
Сообщений: 7518
Рейтинг сообщения: 0
Блиин. :) Ну вы бы писали вопросы под соответствующей схемой, проматывать то...

Но вообще, объем ваших поисков впечатляет. :shock:

Давайте я попробую ответить на те вопросы, на которые считаю себя способным ответить. Еще рекомендую вам пригласить в тему специалистов по преобразователям и просто хороших людей: было бы хорошо, если бы сюда заглянули, например, Moskatov и Starichok51, это из тех, кого я знаю, и кто точно занимается преобразователями.

Вопросов много, потому ответы лаконичные. Отвечал быстро, мог что-то проглядеть.

1-2 Я подозреваю, что это не частотозадающая цепочка, а конденсатор является форсирующим для ускорения переключения транзистора. Резистор же нужен для того, чтобы транзистор открылся изначально. Про форсирующую (ускоряющую) цепочку я писал в своем блоге. По факту она не рассчитывается, а подбирается.

1-3 По-видимому, да.

1-6 Лень вникать.

1-7 Принцип тот же, что и у всех остальных. Модификация с C1 и включением диода - попытка повысить КПД. Но я бы ее не собирал.

1-8 В любом генераторе ОС нужна, чтобы, как ни странно, он генерировал. Эта схема представляет собой схему типа 1-2-3-4, к которой домотали еще одну обмотку. Работает совершенно так же, единственно только выходное напряжение снимается с отдельной обмотки. Это позволяет разгрузить транзистор по напряжению.

2-1 Общий принцип тот же, что и 1-2-3-4, но схема плохая.

3-1 Строгого расчета подобных схем (на практике) не существует из-за того, что существенное влияние на их работу оказывают паразитные параметры деталей. Элементы подбираются исходя из понимания принципа работы.

3-3, 3-4 Я бы назвал их просто "релаксационный генератор", один из.

3-8 У германиевых транзисторов ниже напряжение открытого перехода. Это единственное отличие. Германиевые транзисторы давно не используются.

3-9 В чем вопрос? Вы видите его на картинке.

4-5 Не уверен, что у него есть название

7-1 Похоже на сильно упрощенный генератор Колпитца на каскаде с общей базой. Я бы сказал, что это варварское использование этой топологии.

11-1 Просто разновидность двухтактного генератора. Работает примерно так же, как схемы 1-2-3-4.

5-1, 5-2 Ограничено рассеиваемой мощностью транзисторов, потерями в них и мощностью источника питания.

6-1 По-видимому, использовать PNP-транзистор и полностью перевернуть схему.

8-2 Да, это генератор Колпитца. На форуме есть темы про него.

9-1 Стремная схема.

10-1 Это экзотика. Не вижу в ней особого смысла.

Цитата:
Общий вопрос: в случае если необходимое напряжение на выходе преобразователя не превышает напряжение К-Э, какой из способов подключения нагрузки лучше? Непосредственно к Э-К (1-1), через дополнительную обмотку (1-8, 3-7) или к дросселю (3-5)?


1-8, по типу обратноходового преобразователя. Только еще снаббер поставить.

Цитата:
1-5, 1-7, 3-2, 3-6, 4-3, 8-1, 11-1 насколько эти схемы правильные


1-5 Нормально
1-7 Стремно, плохо реализовано смещение транзистора
3-2 Вроде ничего этакого, хотя экзотично
3-6 Нормально
4-3 Нормально
8-1 Вообще пример из учебника, кристалльная классика
11-1 Нормально

_________________
Разница между теорией и практикой на практике гораздо больше, чем в теории.


Вернуться наверх
 
Не в сети
 Заголовок сообщения: Re: Преобразователь 0.5 -1.5V в 5 V
СообщениеДобавлено: Сб янв 06, 2018 16:17:03 
Мучитель микросхем
Аватар пользователя

Карма: 8
Рейтинг сообщений: 135
Зарегистрирован: Пн янв 01, 2018 17:00:18
Сообщений: 483
Откуда: Россия
Рейтинг сообщения: 0
Спасибо за ответы, пользователям Moskatov и Starichok51 я написал.
Это далеко не все, что я накопал, просто по этим схемам вопросы накопились

1-6 Блокинг-генератор со стабилизацией по току
без диода R2 = 0.7/I, как его рассчитать при наличии диода?

1-8 Блокинг-генератор с повышающей обмоткой. Я не совсем точно сформулировал вопрос, зачем соединяют 3-ю обмотку и «–», встречал оба варианта.

2-1 Блокинг-генератор на полевом транзисторе
Я не сомневаюсь что схема не совсем правильная (в ходе экспериментов спалил 2 полевика), это все, что нашел. Как будет выглядеть правильная схема?

3-1 Преобразователь на основе несимметричного мультивибратора
Расчетов совсем нет? Хотя бы на уровне расчета частоты для симметричного мультивибратора.

3-3 и 3-4 Преобразователь на основе несимметричного мультивибратора?
Т.е. если мы заменим конденсатор, в схеме несимметричного мультивибратора резистором он перестанет им быть?

3-8 Преобразователь на основе RL-генератора
У меня валяется несколько ГТ и МП, меня привлекла возможность их использовать в данном преобразователе, поскольку я не знаю как рассчитать несимметричный мультивибратор, можно упростить схему, исключив 1 неизвестный элемент (конденсатор).
С 2-я кремниевыми эта схема не работает, видимо есть отличие германия от кремния помимо напряжения открытого перехода.

3-9 Преобразователь на основе последовательного мультивибратора
У Шустова написано: В генераторах, в качестве активного элемента используется несколько необычное последовательное соединение транзисторов разного типа проводимости. Я такой схемы больше нигде не встречал, хотел бы узнать про нее подробнее.

4-5 Схема преобразователя с японского сайта
Т.е. генератор на Q1 и Q2, это оригинальная идея японца?

7-1 Преобразователь с колебательным контуром
В генераторе Колпитца только 1 дроссель…

11-1 Схема из журнала A Radio. Prakticka Elektronika 2007-08
Так в двухтактном транзисторы одной структуры, а здесь комплементарная пара

5-1 и 5-2 Двухтактный преобразователь
Я эти схемы собирал, выходной ток оказался меньше, чем у блокинга, поэтому и задал этот вопрос, может у кого лучше получилось.

8-2 Вариант преобразователя с 1-м транзистором и 1 дросселем
Расчеты там есть?

9-1 Преобразователь без конденсаторов и резисторов
Согласен, что стремная, но она работает. Как ее обозвать? L-генератор?

1-5 Блокинг-генератор с обратной связью
Эта схема где-то вам встречалась?

1-7 Схема с конденсатором
Ее можно как-то оптимизировать?

3-2 3-2 Преобразователь на основе несимметричного мультивибратора
Что дает перенос дросселя на вход?

4-3 Преобразователь на основе двухкаскадного усилителя с ПОС
Здесь в R1C1 конденсатор является форсирующим для ускорения переключения транзистора?

8-1 Преобразователь на основе генератора с фазосдвигающей RC цепочкой
Потери в этой схеме не будут слишком большими?


Вернуться наверх
 
Не в сети
 Заголовок сообщения: Re: Преобразователь 0.5 -1.5V в 5 V
СообщениеДобавлено: Сб янв 06, 2018 16:55:37 
Друг Кота
Аватар пользователя

Карма: 77
Рейтинг сообщений: 1247
Зарегистрирован: Вс мар 29, 2009 22:09:05
Сообщений: 7518
Рейтинг сообщения: 0
Господи, ну приводите же схемы рядом с вопросами. Проматывать до нумерованных схем - крайне неудобно. Как в учебнике шестидесятых годов, чесслово. Тогда и ответы будут, как там же: "несложную задачу рассчета приведенной схемы автор оставляет любознательному читателю".

1-6 Где диод? Какой диод?

Цитата:
Я не совсем точно сформулировал вопрос, зачем соединяют 3-ю обмотку и «–», встречал оба варианта.


Соединяют, если нужна гальваническая связь входа и выхода (например, требуется общая земля). Если не нужна (или ее прямо не должно быть) - не соединяют.

Цитата:
Как будет выглядеть правильная схема?


Подавать на затвор напряжение с делителя.

3-1 Можно прикинуть, конечно, но это потянет на что-то вроде тех статей, которые я писал про схемы типа 1..4.

Ну, 3-4 это точно не несимметричный мультивибратор (как я его понимаю). Там все завязано на катушку. Насчет предыдущей надо думать.

4-5 Ну, прямо насчет оригинальности я бы поспорил, но схема явно не самая классическая.

11-1 Я думаю, если подвести питание к середине трансформатора, схема сведется к чему-то вроде генератора Ройера.

9-1 Все такие схемы можно называть "релаксационный генератор".

Цитата:
В генераторе Колпитца только 1 дроссель…


Есть разные варианты. Иногда контурный конденсатор и правда не ставят.

1-5 Именно в этом виде нет.

1-7 Не уверен, что это имеет смысл.

3-2 Не уверен, что в этом есть какой-то глубинный смысл. Просто и так тоже можно.

4-3 Я думаю, да.

8-1 Надо просто мерять. Но я бы не использовал эту схему для импульсного режима.

_________________
Разница между теорией и практикой на практике гораздо больше, чем в теории.


Вернуться наверх
 
Не в сети
 Заголовок сообщения: Re: Преобразователь 0.5 -1.5V в 5 V
СообщениеДобавлено: Сб янв 06, 2018 17:25:43 
Мучитель микросхем
Аватар пользователя

Карма: 8
Рейтинг сообщений: 135
Зарегистрирован: Пн янв 01, 2018 17:00:18
Сообщений: 483
Откуда: Россия
Рейтинг сообщения: 0
Первоначальное сообщение отредактировал, перенес вопросы под схемы

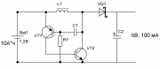
1-6 Блокинг-генератор со стабилизацией по току
Вот с диодом и без:
Изображение
С диодом шоттки в базе транзистора Q2 как написано в http://zpostbox.ru/az.htm уменьшится номинал R2 и соответственно потери на нем, как рассчитать R2 в этом случае (без диода R2 = 0.7/I)

2-1 Блокинг-генератор на полевом транзисторе
Пример готовой правильной схемы не приведете?

3-1 Преобразователь на основе несимметричного мультивибратора
Происхождение несимметричного мультивибратора вам неизвестно?


Последний раз редактировалось Querist Сб янв 06, 2018 17:34:33, всего редактировалось 1 раз.

Вернуться наверх
 
Эиком - электронные компоненты и радиодетали
Не в сети
 Заголовок сообщения: Re: Преобразователь 0.5 -1.5V в 5 V
СообщениеДобавлено: Сб янв 06, 2018 17:31:58 
Модератор
Аватар пользователя

Карма: 153
Рейтинг сообщений: 2927
Зарегистрирован: Сб авг 14, 2010 15:05:51
Сообщений: 18908
Откуда: г. Озерск, Челябинская обл.
Рейтинг сообщения: 0
Медали: 1
Лучший человек Форума 2017 (1)
на счет диода - схемы с ошибкой - нет резистора в базе, создающего ток через диод.
именно падение на диоде вычитается из напряжения база-эмиттер, что оставляет на резисторе маленькое напряжение для того, чтобы транзистор открылся.

_________________
Мудрость приходит вместе с импотенцией...
Когда на русском форуме переходят на Вы, в реальной жизни начинают бить морду.


Вернуться наверх
 
Не в сети
 Заголовок сообщения: Re: Преобразователь 0.5 -1.5V в 5 V
СообщениеДобавлено: Сб янв 06, 2018 17:54:17 
Мучитель микросхем
Аватар пользователя

Карма: 8
Рейтинг сообщений: 135
Зарегистрирован: Пн янв 01, 2018 17:00:18
Сообщений: 483
Откуда: Россия
Рейтинг сообщения: 0
Резистор в базе как изображено на http://zpostbox.ru/az.htm ?
Изображение Изображение


Вернуться наверх
 
Не в сети
 Заголовок сообщения: Re: Преобразователь 0.5 -1.5V в 5 V
СообщениеДобавлено: Вс янв 07, 2018 03:14:14 
Друг Кота
Аватар пользователя

Карма: 75
Рейтинг сообщений: 621
Зарегистрирован: Ср дек 24, 2008 09:58:58
Сообщений: 3768
Рейтинг сообщения: 0
Медали: 3
Мявтор 1-й степени (1) Мявтор 2-й степени (1) Мявтор 3-й степени (1)
Querist - Вы спрашивали про рассчёт схем. Однако, неясно для какой цели предполагается преобразователь (питание светодиода/ов, или микропотребляющей схемы, или ...), какие требования на входное и выходное напряжение, и под какой ток нагрузки. В большинстве приведённых схем на выходе стоят светодиоды (но не на всех) и это неявно указывает на цель. Или я неверно понял? Также, напряжения на входе и выходе не всегда одни и теже. Преобразователи, способные работать от одной пальчиковой батарейки или от двух - это две большие разницы, если даже некоторые из приведённых схем работают от обоих напряжений. Или Вас интересуют повышающие преобразователи в принципе? Если да, то явно недостаёт обзора по интегральным решениям.

Обзор схем получился безусловно интересным, но не во всех ссылках указана эффективность преобразователя и зависимость его от входных/выходных напряжений и токов. Для меня, например, это самый важный параметр, определяющий выбор той или иной схемы. Если Вы собирали эти схемы, может подумаете насчёт замеров параметров и оформления обзора как статью здесь?


Вернуться наверх
 
Не в сети
 Заголовок сообщения: Re: Преобразователь 0.5 -1.5V в 5 V
СообщениеДобавлено: Вс янв 07, 2018 06:56:17 
Модератор
Аватар пользователя

Карма: 153
Рейтинг сообщений: 2927
Зарегистрирован: Сб авг 14, 2010 15:05:51
Сообщений: 18908
Откуда: г. Озерск, Челябинская обл.
Рейтинг сообщения: 0
Медали: 1
Лучший человек Форума 2017 (1)
Querist писал(а):
Резистор в базе как изображено на ...
да.

_________________
Мудрость приходит вместе с импотенцией...
Когда на русском форуме переходят на Вы, в реальной жизни начинают бить морду.


Вернуться наверх
 
Не в сети
 Заголовок сообщения: Re: Преобразователь 0.5 -1.5V в 5 V
СообщениеДобавлено: Вс янв 07, 2018 12:55:41 
Мучитель микросхем
Аватар пользователя

Карма: 8
Рейтинг сообщений: 135
Зарегистрирован: Пн янв 01, 2018 17:00:18
Сообщений: 483
Откуда: Россия
Рейтинг сообщения: 0
Ser60
На счет моего поста – это не обзор, это просто список вопросов по заинтересовавшим меня схемам. До написания нормальной статьи мне как до луны.
Данным преобразователям можно найти широкое применение, выходной ток (в случае питания светодиодов) задать не проблема (например 1-6 Блокинг-генератор со стабилизацией по току) так же как и напряжение (3-8 Преобразователь на основе RL-генератора) или:
Изображение
Преобразователь напряжения с ШИ стабилизацией (Радио 10 за 1985)
Меня интересует питание от 1 NiMH аккумулятора.
На большинстве ресурсов просто приводят схемы, без замеров, никак не объясняя принцип работы, а если и объясняют, как работает, нигде нет перехода от теории к практике. Как номиналы деталей влияют, допустим, на выходной ток, не пишут.
Единственная практическая рекомендация которую я нашел для 3-1 Преобразователь на основе несимметричного мультивибратора: емкость С1 должна составлять от 5 до 10 пФ на 1 мкГн дросселя (т.е. если L1 = 100 мкГн, то С1 = 500-1000 пФ), почему так, автор не говорит.
Интегральные решения не рассматриваю. В большинстве случаев их использование лишено смысла, т.к. их трудно достать, а высокая цена микросхем с большим КПД от известных фирм делает их покупку экономически нецелесообразной (посчитайте, сколько КВт можно «закачать» в аккумуляторы на разницу в цене между самодельным преобразователем и микросхемой фирмы Maxim за 300-400 руб.).

Если нет расчетов даже такой примитивной схемы как несимметричный мультивибратор, как тогда раньше делали сложные транзисторные схемы? Заменяли все резисторы и конденсаторы подстроечниками и сидели крутили?


Вернуться наверх
 
Не в сети
 Заголовок сообщения: Re: Преобразователь 0.5 -1.5V в 5 V
СообщениеДобавлено: Вс янв 07, 2018 13:20:27 
Мудрый кот
Аватар пользователя

Карма: 35
Рейтинг сообщений: 279
Зарегистрирован: Сб июл 30, 2011 08:40:10
Сообщений: 1713
Откуда: Россия
Рейтинг сообщения: 0
Если нет расчетов даже такой примитивной схемы как несимметричный мультивибратор, как тогда раньше делали...
Если тебе потребуется сделать табуретку, Изображение то ты начнешь с расчетов или просто начнешь её делать?


Вложения:
таб.jpg [2.79 KiB]
Скачиваний: 7998
Вернуться наверх
 
Не в сети
 Заголовок сообщения: Re: Преобразователь 0.5 -1.5V в 5 V
СообщениеДобавлено: Вс янв 07, 2018 13:40:07 
Друг Кота
Аватар пользователя

Карма: 123
Рейтинг сообщений: 7959
Зарегистрирован: Сб сен 13, 2014 16:27:32
Сообщений: 39199
Откуда: СпиртоГонск созвездия Омега
Рейтинг сообщения: 0
тут зависить от мастера
грамотный столяр найдет чертеж и лиш потом начнет чтото делать
ва вот деревенский плотник дядка иван который сопромат и теори в вузах не учил да ПТУ тоже не закончил-выгнали за бахню просто берект топорик и делает на глазок... но неучам иногда везет
правда вызодит обычно не стул а скамейка.....не стол а настил...не лесница а.....

_________________
ZМудрость(Опыт и выдержка) приходит с годами.
Все Ваши беды и проблемы, от недостатка знаний.
Умный и у дурака научится, а дураку и ..
Алберт Ейнштейн не поможет и ВВП не спасет.и МЧС опаздает


Вернуться наверх
 
Не в сети
 Заголовок сообщения: Re: Преобразователь 0.5 -1.5V в 5 V
СообщениеДобавлено: Вс янв 07, 2018 14:03:21 
Мучитель микросхем
Аватар пользователя

Карма: 8
Рейтинг сообщений: 135
Зарегистрирован: Пн янв 01, 2018 17:00:18
Сообщений: 483
Откуда: Россия
Рейтинг сообщения: 0
Котёнок
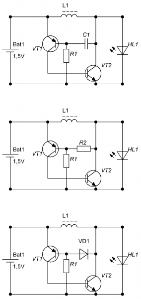
Странная аналогия - радиосхемы и табуретки. Но если это так просто, скажи как сделать, например вот такую табуретку - несимметричный мультивибратор. VT1 - S8550, VT2 - S8050. какие будут R1, C1 и L1
Изображение


Вернуться наверх
 
Не в сети
 Заголовок сообщения: Re: Преобразователь 0.5 -1.5V в 5 V
СообщениеДобавлено: Вс янв 07, 2018 15:21:02 
Друг Кота
Аватар пользователя

Карма: 77
Рейтинг сообщений: 1247
Зарегистрирован: Вс мар 29, 2009 22:09:05
Сообщений: 7518
Рейтинг сообщения: 7
Цитата:
Если нет расчетов даже такой примитивной схемы как несимметричный мультивибратор, как тогда раньше делали сложные транзисторные схемы?


Я вас сейчас удивлю. :)

Заблуждение считать, что чем больше в схеме элементов, тем сложнее она рассчитывается. Часто бывает наоборот, и дополнительные элементы добавляют именно для того, чтобы упростить расчет!

Простой пример: если мы согласовываем два каскада некоего абстрактного усилителя, можно сидеть и пытаться учесть их выходные и входные сопротивления с использованием диких моделей на страницу формул, а можно просто добавить между ними буфер, входное сопротивление которого будет заведомо гораздо больше выходного сопротивления предыдущего каскада, а выходное - гораздо меньше входного сопротивления последующего. Все, проблема решена, расчет упрощается путем усложнения схемы.

Еще один пример: точный рассчет мультивибратора почти невозможен (там можно дойти до применения моделей Эберса-Молла), в то время как генератор на 555 (а там два операционных усилителя и триггер!) рассчитывается элементарно.

И так далее.

Схемы, которые вы приводите, относятся именно к тому классу с виду простых схем, расчет которых очень сложен.

Цитата:
Заменяли все резисторы и конденсаторы подстроечниками и сидели крутили?


Примерно так. Любую схему надо макетировать, аналоговую - обязательно.

Цитата:
Но если это так просто, скажи как сделать, например вот такую табуретку - несимметричный мультивибратор.


Прежде всего надо на качественном уровне понять, как схема работает.

Изображение

Здесь, я так понимаю, после подачи питания VT1 будет открыт током через резистор R1, что откроет VT2.

Кстати, ток через базу VT2 неплохо было бы ограничить резистором.

На коллекторе VT2 напряжение будет близко к нулю из-за наличия индуктивности. Так что ток базы VT1 увеличится еще и за счет импульса заряда конденсатора C1, который почти мгновенно зарядится почти до напряжения питания за вычетом падения напряжения на переходе база-эмиттер VT1.

При этом ток через индуктивность будет понемногу расти, как и напряжение на коллекторе VT2. В рассуждениях про конденсатор мы этого не учитывали. Точнее, учли словом "почти" при описании того напряжения, до которого он зарядится.

В какой-то момент ток перестанет расти за счет ограниченности коэффициента передачи тока VT2. В этот момент катушка даст всплеск напряжения на коллекторе.

Конденсатор C1 начнет перезаряжаться через R1, при этом падение напряжения на R1 закроет VT1 что приведет к выключению VT2 (базу которого было бы неплохо подтянуть резистором к земле).

Время, пока напряжение на R1 не упадет ниже разности напряжения питания и падения на переходе база-эмиттер VT1 и будет временем передачи энергии в нагрузку. Это в предположении, что это время не будет ограничено количеством энергии, запасенной в самой катушке (чем выше напряжение на выходе - тем осторожнее надо быть с этим предположением).

Если указанное выше предположение не действует, то после окончания передачи энергии конденсатор (успевший немного зарядиться во время передачи энергии) начнет разряжаться через катушку и переход база-эмиттер VT1, что откроет VT1 и запустит новый цикл.

Если действует - то после того, как C1 зарядится, VT1 откроется током через R1, что откроет VT2 и запустит новый цикл.

Вывод: цепь R1C1 ограничивает время передачи энергии в нагрузку. Время накопления энергии задается индуктивностью катушки и током базы транзистора вкупе с его коэффициентом передачи тока.

Вы видите, что в этой схеме все влияет на все, и, в частности, рабочая частота будет плавать в зависимости от температуры, напряжения питания и внутреннего сопротивления батарейки (а если оно невелико и R1 мал, транзисторы могут просто сгореть).

Даже формулу для времени передачи энергии выводить бесполезно, потому что оно, кроме очевидных параметров R1 и C1, будет зависеть от падения напряжения на переходе база-эмиттер VT1, напряжения насыщения VT2, напряжения питания, индуктивности и сопротивления катушки а также пикового напряжения на коллекторе VT1 (которое, в свою очередь, зависит от нагрузки). Естесственно, в процессе работы все перечисленные величины меняются, причем часть - даже в пределах одного цикла.

Это делает расчет схемы невозможным и нецелесообразным. Так что да, проще всего на макетке подобрать номиналы для нужного диапазона входных и выходных напряжений.

Понимание принципа работы дает нам следующие идеи:

1. R1 опосредованно влияет на пиковый ток катушки и время передачи энергии.
2. C1 влияет на время передачи энергии и почти не влияет на пиковый ток катушки.

Из этих соображений можно исходить при подборе номиналов.

Надеюсь, я смог проиллюстрировать, в чем состоит проблема с рассчетом простых схем. :)

_________________
Разница между теорией и практикой на практике гораздо больше, чем в теории.


Вернуться наверх
 
Не в сети
 Заголовок сообщения: Re: Преобразователь 0.5 -1.5V в 5 V
СообщениеДобавлено: Вс янв 07, 2018 17:00:20 
Мудрый кот
Аватар пользователя

Карма: 35
Рейтинг сообщений: 279
Зарегистрирован: Сб июл 30, 2011 08:40:10
Сообщений: 1713
Откуда: Россия
Рейтинг сообщения: 0
Котёнок
Но если это так просто, скажи как сделать, например вот такую табуретку - несимметричный мультивибратор.
Очень просто. Я делал подобные схемы десятки раз и подобные схемы для меня по сути те же "табуретки"
Я знаю на память какие в общем то должны там величины элементов

Хотя делая в первый раз, просто посмотрел, как это делали до меня другие.
Вот например схема "электронной спички" в поторой применили такой же мультивибртор.
Разница только в том, что вместо дросселя стоит повышающий трансформатор.
http://electroz.narod.ru/electrospichka.htm

Изображение

Вот с этого я и начинал. Просто спаял и попробовал для "полного счастья" :)) менять детали :)) и смотреть, что получается.
Этого мне вполне хватило, что бы разобраться с порядком деталей.
Любую схему надо макетировать, аналоговую - обязательно.
Понятно, что принцип работы схемы нужно знать, но это изучают по многочисленным книжкам.


Вложения:
image004.gif [15.55 KiB]
Скачиваний: 8225
Вернуться наверх
 
Не в сети
 Заголовок сообщения: Re: Преобразователь 0.5 -1.5V в 5 V
СообщениеДобавлено: Вс янв 07, 2018 17:04:37 
Мучитель микросхем
Аватар пользователя

Карма: 8
Рейтинг сообщений: 135
Зарегистрирован: Пн янв 01, 2018 17:00:18
Сообщений: 483
Откуда: Россия
Рейтинг сообщения: 0
YS
Спасибо большое за объяснение принципа работы преобразователя.

Вот пример практического подхода к изготовлению преобразователя:
В брошюре Номограммы для радиолюбителей (В.Я. Брускин)
http://www.radiolamps.ru/library/mrb/mrb-0793.html
На стр. 59 рассмотрен транзисторный преобразователь напряжения. По номограммам этого параграфа можно определить основные параметры транзисторного двухтактного преобразователя низкого постоянного напряжения (3 – 30 в) в переменное или постоянное напряжение заданной величины.

А вот расчет простой схемы преобразователя на основе двухкаскадного усилителя с ПОС:
Изображение
http://www.instructables.com/id/The-any ... h-power-w/


Вернуться наверх
 
Не в сети
 Заголовок сообщения: Re: Преобразователь 0.5 -1.5V в 5 V
СообщениеДобавлено: Вс янв 07, 2018 20:12:54 
Друг Кота
Аватар пользователя

Карма: 75
Рейтинг сообщений: 621
Зарегистрирован: Ср дек 24, 2008 09:58:58
Сообщений: 3768
Рейтинг сообщения: 0
Медали: 3
Мявтор 1-й степени (1) Мявтор 2-й степени (1) Мявтор 3-й степени (1)
Меня интересует питание от 1 NiMH аккумулятора.

Вот - что-то уже конкретное. Тогда, если судить по надписям на схеме, около трети их из первого поста не проходят по этому параметру. Следующий шаг - определиться с параметрами нагрузки. Если я правильно понял, Ваша цель получить отработанные схемы с расчётными формулами так, что если понадобится преобразователь, то подставил в формулы требуемые параметры и voila. Однако, формулы получатся такие, что посчитать по ним что-то без численных методов будет нереально. Да и включать они будут параметры транзисторов, которые варьируются в широких пределах. Проще и быстрее будет воспользоваться симулятором и/или собрать схему на макетке и обмерить.

Тут я полностью согласен с YS (здравствуйте, кстати), что схему из большого числа транзисторов рассчитать часто проще, чем из малого. В тех-же микросхемах преобразователей от Максима транзисторов несколько сотен. На них выполнены такие блоки как ОУ или компаратор. Большое число транзисторов делает их ближе к "идеальным", рассчёт которых сводится к линейным уравнениям. Недаром в ДШ на интегральные преобразователи всё сводится к простой линейной зависимости для задания выходного напряжения или тока. Остальные параметры гарантируются схемотехникой.

Что хотелось-бы видеть наряду со схемой преобразователя - это детальное значение параметров в зависимости, скажем, от тока нагрузки и входного напряжения. Отличным примером является эта статья для конкретного приложения преобразователя для фонарика. Или посмотрите графики в любом ДШ на интегральный преобразователь. Вообще, от приложения и следует начинать "плясать" с выбором преобразователя. К примеру, для своих приложений с питанием от батарей я выделил 3 класса: микромощные с выходным током до 2мА, "средней" мощности - до 40мА, и "мощные" всё что выше. Устройства с бОльшим током потребления питать от 1.2В аккума нецелесообразно. Под каждый класс у меня список микросхем. Например, в недавнем проекте "среднего" класса использовал замечательную микросхему TPS610985 стоимостью всего около 1.5USD в розницу. Сможете сделать такое на 2-3 транзисторах? Ещё пример - для "мощных" приложений типа фонарика со стабилизацией тока ставлю TPS61200 ценой в 2.50USD. Окуда Вы взяли 400 рублей, не знаю. Впрочем, Максим - фирма действительно дорогая. Однако, для высоковольтных преобразователей, например, в дозиметрах, схемы на транзисторах сегодня имеют преимущество. Короче, думаю читателям будет небезынтересно узнать проверенные на практике подходящие схемы транзисторных преобразователей для определённых классов приложений.


Вернуться наверх
 
Не в сети
 Заголовок сообщения: Re: Преобразователь 0.5 -1.5V в 5 V
СообщениеДобавлено: Вс янв 07, 2018 21:31:09 
Мучитель микросхем
Аватар пользователя

Карма: 8
Рейтинг сообщений: 135
Зарегистрирован: Пн янв 01, 2018 17:00:18
Сообщений: 483
Откуда: Россия
Рейтинг сообщения: 0
Ser60
Похоже, мы свернули не туда. Ну ладно. Я спрашивал по поводу названий генераторов используемых в преобразователях и об из происхождении и правильности схем и на часть вопросов ответы получил от YS за что ему еще раз спасибо.

На счет микросхем. Я могу сам посоветовать с десяток нормальных микросхем – преобразователей (кстати, ваша TPS61201 http://radiokot.ru/circuit/power/converter/49/ – дорогая, партия из 10 шт. на али стоит от 600 до 1000 руб.)
Если бы я решил сделать достаточно мощный фонарик, я бы взял банку лития и, например популярную платку на MT3608, переделав ее в стабилизатор тока: https://ahkur.ru/?p=322 или http://mysku.ru/blog/aliexpress/47954.html


Вернуться наверх
 
Не в сети
 Заголовок сообщения: Re: Преобразователь 0.5 -1.5V в 5 V
СообщениеДобавлено: Пн янв 08, 2018 00:45:36 
Друг Кота
Аватар пользователя

Карма: 75
Рейтинг сообщений: 621
Зарегистрирован: Ср дек 24, 2008 09:58:58
Сообщений: 3768
Рейтинг сообщения: 0
Медали: 3
Мявтор 1-й степени (1) Мявтор 2-й степени (1) Мявтор 3-й степени (1)
Я могу сам посоветовать с десяток нормальных микросхем – преобразователей

Отлично! Посоветуйте пожалуйста. Меня прежде всего интересует работа от 1В до 3В с выходным напряжением 3 - 3.3В и ток нагрузки до 40мА. И спасибо за информацию по MT3608.


Вернуться наверх
 
Не в сети
 Заголовок сообщения: Re: Преобразователь 0.5 -1.5V в 5 V
СообщениеДобавлено: Пн янв 08, 2018 11:31:15 
Друг Кота
Аватар пользователя

Карма: 77
Рейтинг сообщений: 1247
Зарегистрирован: Вс мар 29, 2009 22:09:05
Сообщений: 7518
Рейтинг сообщения: 0
Цитата:
Понятно, что принцип работы схемы нужно знать, но это изучают по многочисленным книжкам.


Если эти книжки есть... :) Знаете, сколько времени я пытался найти внятное описание принципа работы распространенной схемы, которая joule thief? Скажу, что долго. Все точно так же "смотрят, как делают другие" и повторяют с незначительными (и, по всей видимости, эмпирическими) изменениями, не углубляясь в принцип работы.

Я находил похожие схемы в отечественных книжках шестидесятых-семидесятых годов, но там как раз таки дается расчет чуть ли не с моделями Эберса-Молла, и понять из него, что составляет сущность функционирования схемы, а что можно принять малым или усреднить (как напряжение на переходе "база-эмиттер", скажем), нереально. Эти книжки по большей части годны только для того, чтобы ссылаться на них в списке литературы к диссертации.

В итоге я просто взял и сам разобрался, как оно работает (справедливости ради, в процессе мне помог Vga), после чего написал статью. Насколько мне известно, это единственный доступный разбор принципа функционирования такого преобразователя.

Цитата:
Спасибо большое за объяснение принципа работы преобразователя.


Не за что. Правда, я был бы не против, чтобы мое объяснение проверили знающие люди. Я писал его быстро (с картинки, даже не проверяя предположения в SPICE), и потому мог что-то упустить.

Цитата:
Однако, формулы получатся такие, что посчитать по ним что-то без численных методов будет нереально.


Либо очень приближенные, после расчетов по которым требуется дополнительный подбор номиналов на макете.

Цитата:
здравствуйте, кстати


Здравствуйте! Рад вас видеть! :beer:

Цитата:
Я спрашивал по поводу названий генераторов используемых в преобразователях и об из происхождении и правильности схем


Не каждая схема имеет внятное название, тем более, если она экзотическая. :) Происхождение тоже часто покрыто мраком. Кто, например, изобрел резистивный делитель? :wink:

Так что я бы рекомендовал сконцентрироваться на параметрах и принципе работы. :idea:

_________________
Разница между теорией и практикой на практике гораздо больше, чем в теории.


Вернуться наверх
 
Не в сети
 Заголовок сообщения: Re: Преобразователь 0.5 -1.5V в 5 V
СообщениеДобавлено: Пн янв 08, 2018 16:24:52 
Мучитель микросхем
Аватар пользователя

Карма: 8
Рейтинг сообщений: 135
Зарегистрирован: Пн янв 01, 2018 17:00:18
Сообщений: 483
Откуда: Россия
Рейтинг сообщения: 0
Ser60
готовые платки на основе ME2108, стоят чуть больше 40 руб. (вход 0,8-3,3 выход 3,3)
на алиэкспресс наберите: DC-DC 0.8-3.3V
обзор:
https://dzrmo.wordpress.com/2017/01/26/ ... converter/
https://dzrmo.wordpress.com/2017/04/26/ ... ts-inside/

из дешевых: NCP1400A, NCP1402, pam2803, HT7733A, YX8115

А вот пример использования двайвера садового светильника YX8018 (можно заменить аналогом QX5252F):
http://www.radioradar.net/radiofan/lighting/yx8018.html
http://we.easyelectronics.ru/Sparker/te ... entov.html
на али эти микросхемы вообще копейки стоят, знакомый взял партию QX5252F в прошлом году, примерно по 2 руб/шт


YS
Это оказывается я на вас ссылался: https://embedderslife.wordpress.com/201 ... ый-преобр/

Несимметричный мультивибратор с ОС через конденсатор это частный случай, собрал на макетке все 3 работают:
Изображение
Нашел описание его работы: http://we.easyelectronics.ru/upgrade-re ... a.html#cut

А что скажете на счет примеров из моего поста: viewtopic.php?f=11&t=11244&p=3277157#p3277157


Вернуться наверх
 
Показать сообщения за:  Сортировать по:  Вернуться наверх
Начать новую тему Ответить на тему  [ Сообщений: 1072 ]     ... , , , 34, , , ...  

Часовой пояс: UTC + 3 часа


Кто сейчас на форуме

Сейчас этот форум просматривают: AlexS4 и гости: 31


Вы не можете начинать темы
Вы не можете отвечать на сообщения
Вы не можете редактировать свои сообщения
Вы не можете удалять свои сообщения
Вы не можете добавлять вложения

Найти:
Перейти:  


Powered by phpBB © 2000, 2002, 2005, 2007 phpBB Group
Русская поддержка phpBB
Extended by Karma MOD © 2007—2012 m157y
Extended by Topic Tags MOD © 2012 m157y