Например TDA7294

Форум РадиоКот • Просмотр темы - Мелкие вопросы по питанию.
Форум РадиоКот
Здесь можно немножко помяукать :)

Текущее время: Вс фев 15, 2026 10:57:20

Часовой пояс: UTC + 3 часа


ПРЯМО СЕЙЧАС:



Начать новую тему Ответить на тему  [ Сообщений: 47981 ]     ... , , , 428, , , ...  
Автор Сообщение
Не в сети
 Заголовок сообщения: Re: Мелкие вопросы по питанию.
СообщениеДобавлено: Вс окт 28, 2012 19:23:56 
Мучитель микросхем
Аватар пользователя

Карма: 3
Рейтинг сообщений: 5
Зарегистрирован: Пн авг 03, 2009 19:03:32
Сообщений: 485
Откуда: Пермь
Рейтинг сообщения: 0
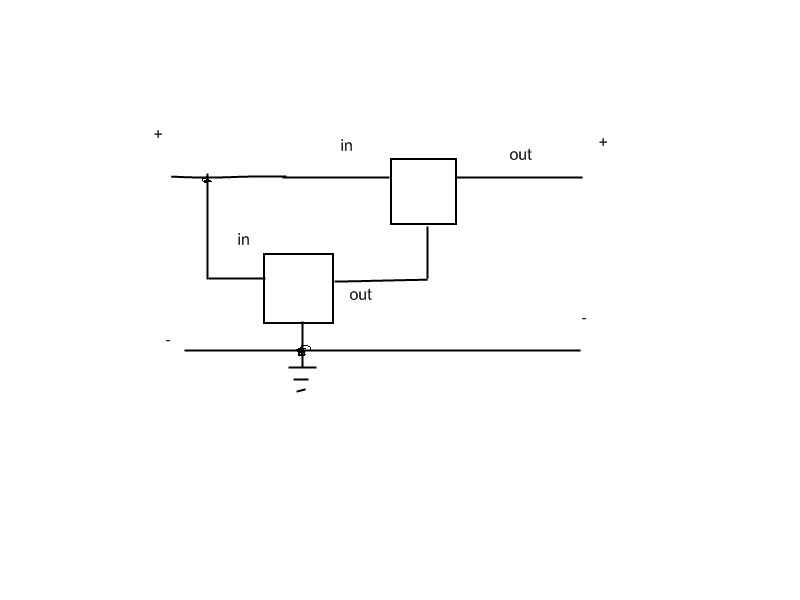
Как то так


Вложения:
пр1.jpg [20.24 KiB]
Скачиваний: 316
Вернуться наверх
 
В сети
 Заголовок сообщения: Re: Мелкие вопросы по питанию.
СообщениеДобавлено: Вс окт 28, 2012 19:34:55 
Друг Кота
Аватар пользователя

Карма: 93
Рейтинг сообщений: 2157
Зарегистрирован: Сб май 05, 2012 20:19:55
Сообщений: 4957
Откуда: Минск
Рейтинг сообщения: 0
Murlock писал(а):
на своём выходе кренка напряжение повышать может, а понижать - не может
Может наоборот? :)
220V писал(а):
Как то так
Так можно. Выходные напряжения кренок сложатся, а ток потечёт через верхнюю. Никакой выгоды, по сравнению с обычным резистивным делителем на опорное кренки.

_________________
Прибор, защищённый предохранителем, сгорает первым, защитив предохранитель. Закон Мерфи.


Вернуться наверх
 
Не в сети
 Заголовок сообщения: Re: Мелкие вопросы по питанию.
СообщениеДобавлено: Вс окт 28, 2012 19:40:12 
Мучитель микросхем
Аватар пользователя

Карма: 3
Рейтинг сообщений: 5
Зарегистрирован: Пн авг 03, 2009 19:03:32
Сообщений: 485
Откуда: Пермь
Рейтинг сообщения: 0
Последний ответ, полагаю, наиболее справедлив, 30 вольт в таком включении я получил :))


Вернуться наверх
 
Не в сети
 Заголовок сообщения: Re: Мелкие вопросы по питанию.
СообщениеДобавлено: Вс окт 28, 2012 19:48:27 
Друг Кота

Карма: 10
Рейтинг сообщений: 721
Зарегистрирован: Чт май 13, 2010 23:42:03
Сообщений: 6282
Откуда: Минск
Рейтинг сообщения: 0
Медали: 1
Получил миской по аватаре (1)
Seriyvolk писал(а):
Murlock писал(а):
на своём выходе кренка напряжение повышать может, а понижать - не может
Может наоборот? :)
не. вот смотрите: когда нагрузка возрастает, напряжение на выходе кренки понижается, и она пытаелся скомпенсировать это понижение открывая проходной транзистор. если напряжениена выходе кренки повышается выше напряжения стабилизации, кренка может это только терпеть.

_________________
" Если на небе есть ангелы, то, их небесное воинство построено на принципах мафии"
У.Н. Румфорд.
----------
http://www.youtube.com/watch?v=qWfIYU9Zzs4 А.К. "Легион"


Вернуться наверх
 
Эиком - электронные компоненты и радиодетали
В сети
 Заголовок сообщения: Re: Мелкие вопросы по питанию.
СообщениеДобавлено: Вс окт 28, 2012 20:02:27 
Друг Кота
Аватар пользователя

Карма: 93
Рейтинг сообщений: 2157
Зарегистрирован: Сб май 05, 2012 20:19:55
Сообщений: 4957
Откуда: Минск
Рейтинг сообщения: 0
Murlock писал(а):
не. вот смотрите
Понял. Правильнее было сказать, что кренка не допускает по выходу входящий ток :)) И это действительно так. Схема, приведённая в начале странички, будет работать, если нижнюю кренку подгрузить резистором на ток под 20 мА. Извиняюсь, упустил этот момент.

_________________
Прибор, защищённый предохранителем, сгорает первым, защитив предохранитель. Закон Мерфи.


Вернуться наверх
 
Не в сети
 Заголовок сообщения: Re: Мелкие вопросы по питанию.
СообщениеДобавлено: Вс окт 28, 2012 20:42:45 
Мучитель микросхем
Аватар пользователя

Карма: 3
Рейтинг сообщений: 5
Зарегистрирован: Пн авг 03, 2009 19:03:32
Сообщений: 485
Откуда: Пермь
Рейтинг сообщения: 0
В принципе я уже заменил нижнюю кренку стабилитронами, но можно ее обратно :))) Второй день просто с бубнами вокруг схемы простого БП прыгаю. всё хотел на выход полевик поставить, думаю внутренее сопротивление меньше-и греться будет меньше (ставил irfp44n) но не тут то было, на нем падает 3 вольт примерно, под нагрузкой напряжение на трансформаторе проседает немного, соответстенно и на входах кренок проседает и напряжение падает и на выходе (т.е. после диодов имеем 32вольт, просадка до 29(это ниже "общей" стабилизации в 30 вольт), а на полевике еще на 3-4 вольт, в итоге получал 25-26. Сейчас заменил полевик на кт819, подобрал стабилитроны(нужно 27вольт) и теперь всё прекрасно работает с падением на выходе на 0,5 вольт :))) )

но 819 греется и придется планы с радиатором менять :dont_know:


Вернуться наверх
 
Не в сети
 Заголовок сообщения: Re: Мелкие вопросы по питанию.
СообщениеДобавлено: Вс окт 28, 2012 23:10:46 
Друг Кота

Карма: 27
Рейтинг сообщений: 206
Зарегистрирован: Чт ноя 26, 2009 11:16:50
Сообщений: 6015
Откуда: Москва
Рейтинг сообщения: 0
Я слышал, что есть некоторые стабилизаторы напряжения, допускающие не только выходящий, но и входящий ток. Например, стабилизаторы для терминации быстродействующих шин (на материнках бывают), или выходы мощных ОУ могут так работать, если на них сделана соответствующая схема. Но обычные КРЕНки - нет.


Вернуться наверх
 
Не в сети
 Заголовок сообщения: Re: Мелкие вопросы по питанию.
СообщениеДобавлено: Вс окт 28, 2012 23:21:11 
Поставщик валерьянки для Кота
Аватар пользователя

Карма: 2
Рейтинг сообщений: 15
Зарегистрирован: Чт янв 20, 2011 16:47:18
Сообщений: 1954
Откуда: Старый Оскол
Рейтинг сообщения: 0
что можно повесить для теста нагрузки на ATX-питальник, по линии 12-и вольт?
лампу автомобильную случайно навернул... нечайно... в магазин теперь в вторник доберусь

_________________
Быстро, Качественно, Недорого.
Выбрать можно только 2 варианта.


Вернуться наверх
 
Не в сети
 Заголовок сообщения: Re: Мелкие вопросы по питанию.
СообщениеДобавлено: Вс окт 28, 2012 23:39:50 
Друг Кота

Карма: 27
Рейтинг сообщений: 206
Зарегистрирован: Чт ноя 26, 2009 11:16:50
Сообщений: 6015
Откуда: Москва
Рейтинг сообщения: 0
Вроде на МОСФЕТах делают эквиваленты нагрузки. Они мощные (если на радиаторе), можно регулировать их сопротивление, напряжением на затворе. Но проверенную схему сходу не подскажу


Вернуться наверх
 
Не в сети
 Заголовок сообщения: Re: Мелкие вопросы по питанию.
СообщениеДобавлено: Вс окт 28, 2012 23:50:26 
Грызет канифоль
Аватар пользователя

Зарегистрирован: Чт май 17, 2007 09:44:13
Сообщений: 268
Откуда: Украина, г. Кривой Рог
Рейтинг сообщения: 0
Добрый вечер,
Под конец дня совсем уже перестал соображать.... :(
Банальная картинка:
Есть традиционный трансформатор 12Вх5А
Диодный мост 1000Вх6А (kbu6m)
После моста конденсатор 2200х25 и помехозащитный 0,1
Дальше нагрузка чуть больше 2А.
И какого то лешего мост после полминуты работы нагревается до 70-80 градусов :shock:
Вот с чего бы это?
Извините за глупые вопросы :oops:


Последний раз редактировалось pavel123 Вс окт 28, 2012 23:59:56, всего редактировалось 1 раз.

Вернуться наверх
 
Не в сети
 Заголовок сообщения: Re: Мелкие вопросы по питанию.
СообщениеДобавлено: Вс окт 28, 2012 23:59:40 
Друг Кота

Карма: 27
Рейтинг сообщений: 206
Зарегистрирован: Чт ноя 26, 2009 11:16:50
Сообщений: 6015
Откуда: Москва
Рейтинг сообщения: 0
При 2А и падении напряжения 2*0,8В это будет более 3Вт (допустим, 4Вт, если ток "более 2А"). При тепловом сопротивлении 9С/W нагреется на 9*4=36C, то есть больше 60С, а это уже на ощупь горячо


Вернуться наверх
 
Не в сети
 Заголовок сообщения: Re: Мелкие вопросы по питанию.
СообщениеДобавлено: Пн окт 29, 2012 00:03:39 
Грызет канифоль
Аватар пользователя

Зарегистрирован: Чт май 17, 2007 09:44:13
Сообщений: 268
Откуда: Украина, г. Кривой Рог
Рейтинг сообщения: 0
Т.е., 70 градусов для моста нормально?
Если мост заменить отдельными 4-мя диодами?
Температура сильно снизиться?.....


Вернуться наверх
 
Не в сети
 Заголовок сообщения: Re: Мелкие вопросы по питанию.
СообщениеДобавлено: Пн окт 29, 2012 00:07:38 
Друг Кота

Карма: 27
Рейтинг сообщений: 206
Зарегистрирован: Чт ноя 26, 2009 11:16:50
Сообщений: 6015
Откуда: Москва
Рейтинг сообщения: 0
70 градусов для моста нормально. Там, в даташите, есть график допустимого тока от температуры моста, можно его посмотреть. Главное, чтобы мост не грел стоящие рядом электролитические конденсаторы. У некоторых мостов дырочки, типа их можно прикрутить к железке или медному полигону материнской платы... т.к. снижение температуры увеличивает надежность.


Вернуться наверх
 
Не в сети
 Заголовок сообщения: Re: Мелкие вопросы по питанию.
СообщениеДобавлено: Пн окт 29, 2012 00:16:11 
Грызет канифоль
Аватар пользователя

Зарегистрирован: Чт май 17, 2007 09:44:13
Сообщений: 268
Откуда: Украина, г. Кривой Рог
Рейтинг сообщения: 0
Да-а-а-а, уж-ж-ж...
У меня в конструкции места мало, все так напичкано.
Вот мостик и впихнул, бочком. А он зараза, греется как утюг.
Спасибо, понял. :)
Буду думать как радиторчик прикрутить.


Вернуться наверх
 
В сети
 Заголовок сообщения: Re: Мелкие вопросы по питанию.
СообщениеДобавлено: Пн окт 29, 2012 01:03:25 
Друг Кота
Аватар пользователя

Карма: 93
Рейтинг сообщений: 2157
Зарегистрирован: Сб май 05, 2012 20:19:55
Сообщений: 4957
Откуда: Минск
Рейтинг сообщения: 0
Av4arik писал(а):
что можно повесить для теста нагрузки на ATX-питальник, по линии 12-и вольт?
лампу автомобильную случайно навернул... нечайно... в магазин теперь в вторник доберусь

Можно сделать так (схема немного упрощённая). Гуглить "электронная нагрузка". Силовой транз обязательно на радиатор, на нём будет сеяться вся моща.
http://radiohlam.ru/raznoe/nagruzka.htm
Изображение

_________________
Прибор, защищённый предохранителем, сгорает первым, защитив предохранитель. Закон Мерфи.


Вернуться наверх
 
Не в сети
 Заголовок сообщения: Re: Мелкие вопросы по питанию.
СообщениеДобавлено: Пн окт 29, 2012 01:17:58 
Поставщик валерьянки для Кота
Аватар пользователя

Карма: 2
Рейтинг сообщений: 15
Зарегистрирован: Чт янв 20, 2011 16:47:18
Сообщений: 1954
Откуда: Старый Оскол
Рейтинг сообщения: 0
Seriyvolk , а что повесить в качестве токоизмерительного резистора, если нет шунта? мощность то не один десяток Ватт.

_________________
Быстро, Качественно, Недорого.
Выбрать можно только 2 варианта.


Вернуться наверх
 
Не в сети
 Заголовок сообщения: Re: Мелкие вопросы по питанию.
СообщениеДобавлено: Пн окт 29, 2012 02:34:44 
Поставщик валерьянки для Кота
Аватар пользователя

Карма: 6
Рейтинг сообщений: 27
Зарегистрирован: Пн май 02, 2011 20:52:47
Сообщений: 1910
Откуда: НИИ Агропром
Рейтинг сообщения: 0
спутанный комок провода , но надо точно R\м знать :)))


Вернуться наверх
 
Не в сети
 Заголовок сообщения: Re: Мелкие вопросы по питанию.
СообщениеДобавлено: Пн окт 29, 2012 02:48:32 
Друг Кота
Аватар пользователя

Карма: 146
Рейтинг сообщений: 6067
Зарегистрирован: Чт июн 04, 2009 21:06:49
Сообщений: 36290
Откуда: г.Мариинск
Рейтинг сообщения: 0
Медали: 1
Лучший человек Форума 2017 (1)
Av4arik писал(а):
мощность то не один десяток Ватт.

При опорном напряжении 0,1в 4-5вт хватит за глаза.
svs0230 писал(а):
путанный комок провода

У медного, алюминиевого, стального провода довольно большой ТКС.

_________________
Тем кого не устаревает наличия ошибок в моем тексте, оставляю права не пользоваться моими советами или просто не читать мои сообщения.


Вернуться наверх
 
Не в сети
 Заголовок сообщения: Re: Мелкие вопросы по питанию.
СообщениеДобавлено: Пн окт 29, 2012 02:55:27 
Поставщик валерьянки для Кота
Аватар пользователя

Карма: 6
Рейтинг сообщений: 27
Зарегистрирован: Пн май 02, 2011 20:52:47
Сообщений: 1910
Откуда: НИИ Агропром
Рейтинг сообщения: 0
ну это на любителя , и необязательно его до красна греть , можно и запас сделать , забыли что в тесторах?


Вернуться наверх
 
Не в сети
 Заголовок сообщения: Re: Мелкие вопросы по питанию.
СообщениеДобавлено: Пн окт 29, 2012 04:00:20 
Поставщик валерьянки для Кота
Аватар пользователя

Карма: 2
Рейтинг сообщений: 15
Зарегистрирован: Чт янв 20, 2011 16:47:18
Сообщений: 1954
Откуда: Старый Оскол
Рейтинг сообщения: 0
а ничего страшного не случится, если два IRFZ44N запаралелить?
под охлаждение пущу боксовый вентилятор с радиатором от FX8120, он около 100Вт неплохо охлаждает.

и ещё такой несколько нубский вопрос. почему нельзя заюзать резисторный делитель, подстроечник и полевик, без ОУ, и токового резистора?

или нагромодить нагрузку на 34063 + драйвер полевика с самим полевиком? или вообще 555-ый таймер заюзать.

_________________
Быстро, Качественно, Недорого.
Выбрать можно только 2 варианта.


Вернуться наверх
 
Показать сообщения за:  Сортировать по:  Вернуться наверх
Начать новую тему Ответить на тему  [ Сообщений: 47981 ]     ... , , , 428, , , ...  

Часовой пояс: UTC + 3 часа


Кто сейчас на форуме

Сейчас этот форум просматривают: нет зарегистрированных пользователей и гости: 89


Вы не можете начинать темы
Вы не можете отвечать на сообщения
Вы не можете редактировать свои сообщения
Вы не можете удалять свои сообщения
Вы не можете добавлять вложения

Найти:
Перейти:  


Powered by phpBB © 2000, 2002, 2005, 2007 phpBB Group
Русская поддержка phpBB
Extended by Karma MOD © 2007—2012 m157y
Extended by Topic Tags MOD © 2012 m157y