Например TDA7294

Форум РадиоКот • Просмотр темы - Не запускается codegen-300w
Форум РадиоКот
Здесь можно немножко помяукать :)

Текущее время: Ср ноя 19, 2025 14:18:39

Часовой пояс: UTC + 3 часа


ПРЯМО СЕЙЧАС:



Начать новую тему Ответить на тему  [ Сообщений: 20 ] 
Автор Сообщение
Не в сети
 Заголовок сообщения: Не запускается codegen-300w
СообщениеДобавлено: Ср июн 21, 2017 11:34:12 
Первый раз сказал Мяу!

Зарегистрирован: Ср мар 08, 2017 08:29:26
Сообщений: 32
Рейтинг сообщения: 0
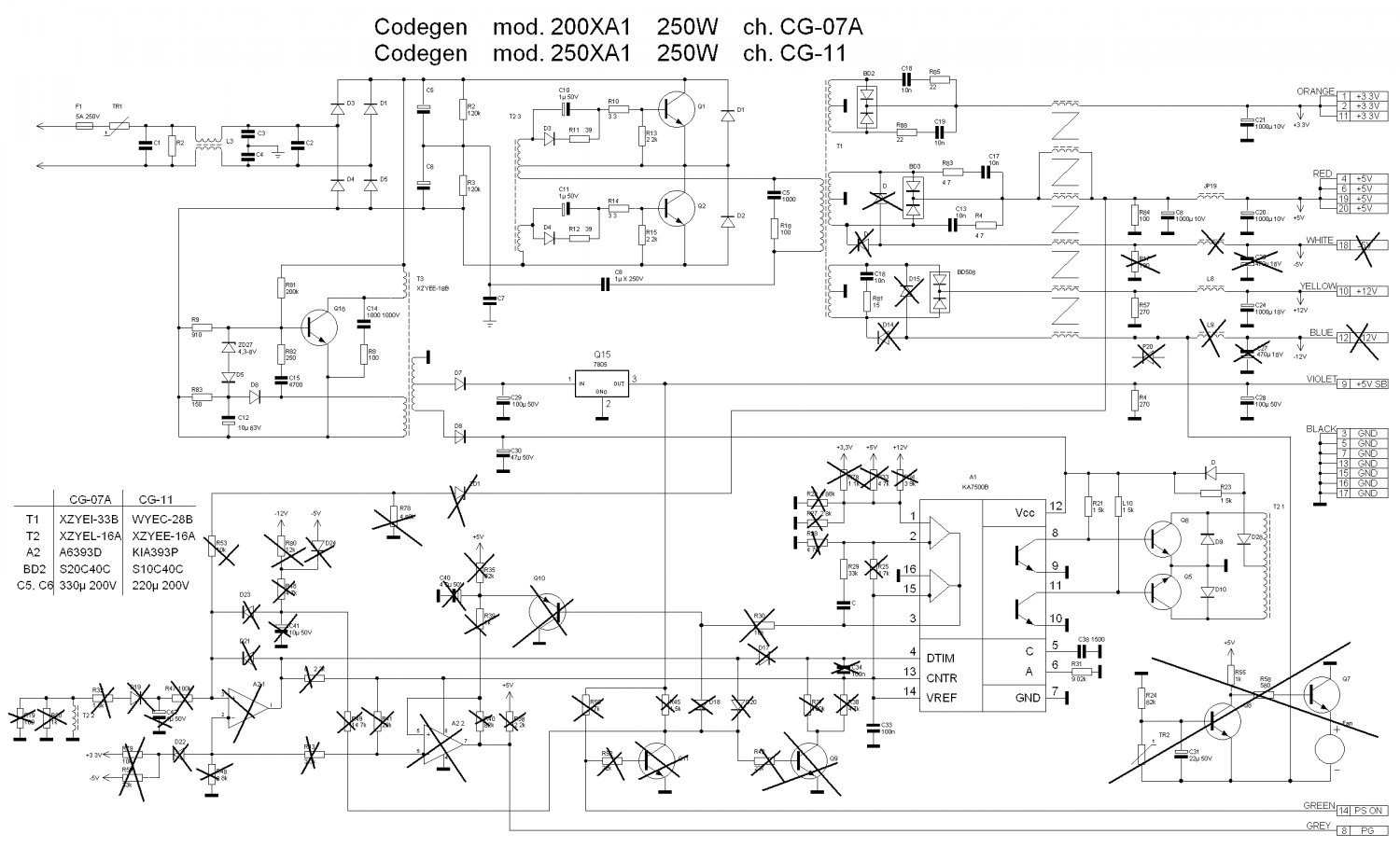
Всем доброго дня. Решил своять регулируемый БП из codegen-300w, перед тем как выпаивать лишнее проверил блок рабочий вот схема
Вложение:
BP-shema-rasprostranennaya_2.gif [73.25 KiB]
Скачиваний: 804

единственное отличие дежурка не такая а вот эта
Вложение:
codegen-300w_v2.03_sb.gif [39.5 KiB]
Скачиваний: 798

вот по этой схеме делал
Вложение:
codegen_250_00.jpg [204.51 KiB]
Скачиваний: 715

Вложение:
IMG_20170621_112403.gif [242.83 KiB]
Скачиваний: 616

Вложение:
IMG_20170621_112431.gif [253.29 KiB]
Скачиваний: 660

Включаю через лампочку лампа мигнула и сразу погасла но на выходе с блока ничего нет. Померял на 12 ноге шим напруга прыгает от 1.3в до 4.5в. А подключил внешний источник на 24в всё нормально заработало и регулируется. Подскажите пожалуйста что с дежуркой что я выпаял лишнее что она не хочет работать как положено?


Вернуться наверх
 
Не в сети
 Заголовок сообщения: Re: Не запускается codegen-300w
СообщениеДобавлено: Ср июн 21, 2017 12:10:09 
Встал на лапы

Карма: -3
Рейтинг сообщений: 9
Зарегистрирован: Сб фев 06, 2016 21:10:20
Сообщений: 136
Откуда: ДНР
Рейтинг сообщения: 0
Эээм, я ничего не понял, но может дело в том, что обратная связь от дежурки завязана на +5VSB? А tl494 висит на +12?
Повесь какую-то нагрузку на +5 вольт с дежурки, например лампочку, что-то чтоб потребляло 100..150 мА


Вернуться наверх
 
Не в сети
 Заголовок сообщения: Re: Не запускается codegen-300w
СообщениеДобавлено: Ср июн 21, 2017 13:03:08 
Первый раз сказал Мяу!

Зарегистрирован: Ср мар 08, 2017 08:29:26
Сообщений: 32
Рейтинг сообщения: 0
Вы имеете ввиду что на средний вывод после диода (кренку я выпаял) трансформатора дежурки (исходя из моей схемы) прицепить какую то нагрузку.
И то что вы говорите о ТЛке вы имеете ввиду обратную связь на первую ногу или питание на 12. Если питание то оно с того же транса дежрки идёт. Или я не правильно понял.


Вернуться наверх
 
Не в сети
 Заголовок сообщения: Re: Не запускается codegen-300w
СообщениеДобавлено: Ср июн 21, 2017 13:13:22 
Встал на лапы

Карма: -3
Рейтинг сообщений: 9
Зарегистрирован: Сб фев 06, 2016 21:10:20
Сообщений: 136
Откуда: ДНР
Рейтинг сообщения: 0
ГДЕ В ТВОЕЙ ДЕЖУРКЕ КРЕНКА???
Ты же сам сказал, что дежурка по второй схеме.
А во второй схеме нет кренки, там микросхема шим-контроллера.
Ты что, ЕЕ ВЫПАЯЛ? :shock:

Так, ладно, кажется я успокоился. Верни все как было в дежурке и не трогай ее, бога ради. Твою дежурку не надо было переделывать вообще, ничего не надо было там выпаивать, нет там никаких кренок.


Вернуться наверх
 
Эиком - электронные компоненты и радиодетали
Не в сети
 Заголовок сообщения: Re: Не запускается codegen-300w
СообщениеДобавлено: Ср июн 21, 2017 16:12:55 
Опытный кот
Аватар пользователя

Карма: 18
Рейтинг сообщений: 166
Зарегистрирован: Чт сен 01, 2016 03:15:07
Сообщений: 816
Рейтинг сообщения: 0
в дежурке после диодов(там их 2), должно быть 5 и около 20 вольт...
там где 5 вольт стоит стабилизатор самой дежурке через обратную связь(оптопара и ее обвязка) - там ничего не трогай...

кстати у тебя ноги ШИМ 1 и 2 (грубо говоря) в воздухе(не подпаяны не кчему), с помощью их идет регулировка выходного напряжения, то есть, нужно делители из резисторов ставить на эти ноги

Добавлено after 7 minutes 3 seconds:
да, еще, на выходе дежурки там где 5 вольт - стоит нагрузочный резистор на 100 Ом - его тоже не нужно выпаивать


Вернуться наверх
 
Не в сети
 Заголовок сообщения: Re: Не запускается codegen-300w
СообщениеДобавлено: Ср июн 21, 2017 22:58:46 
Первый раз сказал Мяу!

Зарегистрирован: Ср мар 08, 2017 08:29:26
Сообщений: 32
Рейтинг сообщения: 0
ГДЕ В ТВОЕЙ ДЕЖУРКЕ КРЕНКА???
Ты же сам сказал, что дежурка по второй схеме.
А во второй схеме нет кренки, там микросхема шим-контроллера.
Ты что, ЕЕ ВЫПАЯЛ? :shock:

Согласен с кренкой перегнул.

Так, ладно, кажется я успокоился. Верни все как было в дежурке и не трогай ее, бога ради. Твою дежурку не надо было переделывать вообще, ничего не надо было там выпаивать, нет там никаких кренок.


А со всем остальным не согласен на фото всё видно хоть и плохо но это не моя вина. Большего разрешения не грузятся.
Вложение:
1.gif [167.69 KiB]
Скачиваний: 355


Добавлено after 11 minutes 47 seconds:
в дежурке после диодов(там их 2), должно быть 5 и около 20 вольт...
там где 5 вольт стоит стабилизатор самой дежурке через обратную связь(оптопара и ее обвязка) - там ничего не трогай...

кстати у тебя ноги ШИМ 1 и 2 (грубо говоря) в воздухе(не подпаяны не кчему), с помощью их идет регулировка выходного напряжения, то есть, нужно делители из резисторов ставить на эти ноги

Там где 5в вообще ничего нет а там где 20в напруга скакает от 1,5 до 4,7 примерно. Стабилизатор подразумевается оптопара и обвязка?
А по поводу остального в предыдущем посте на фото видно.

Добавлено after 7 minutes 3 seconds:
да, еще, на выходе дежурки там где 5 вольт - стоит нагрузочный резистор на 100 Ом - его тоже не нужно выпаивать

Вот этот резистор я скорее всего выпаял. Завтра впаяю.
Да и спасибо.


Вернуться наверх
 
Не в сети
 Заголовок сообщения: Re: Не запускается codegen-300w
СообщениеДобавлено: Чт июн 22, 2017 02:10:00 
Встал на лапы

Карма: -3
Рейтинг сообщений: 9
Зарегистрирован: Сб фев 06, 2016 21:10:20
Сообщений: 136
Откуда: ДНР
Рейтинг сообщения: 0
Так, резисторы от оптопары вижу, а что с ней самой?
Надо найти причину отсутствия напряжений дежурки...


Вернуться наверх
 
Не в сети
 Заголовок сообщения: Re: Не запускается codegen-300w
СообщениеДобавлено: Чт июн 22, 2017 05:55:07 
Первый раз сказал Мяу!

Зарегистрирован: Ср мар 08, 2017 08:29:26
Сообщений: 32
Рейтинг сообщения: 0
Оптопара левее возле торца радиатора. А без нагрузочного резистора он может не запускаться?

Добавлено after 3 minutes 43 seconds:
И есчо вопрос. Если дежурку убрать и 12ногу пустить на 12в шину он звпустится как АТ блок?


Вернуться наверх
 
Не в сети
 Заголовок сообщения: Re: Не запускается codegen-300w
СообщениеДобавлено: Чт июн 22, 2017 06:08:28 
Друг Кота
Аватар пользователя

Карма: 146
Рейтинг сообщений: 6062
Зарегистрирован: Чт июн 04, 2009 21:06:49
Сообщений: 36292
Откуда: г.Мариинск
Рейтинг сообщения: 0
Медали: 1
Лучший человек Форума 2017 (1)
shurik2950 писал(а):
Если дежурку убрать и 12ногу пустить на 12в шину он звпустится как АТ блок?

Нет, схема то от АТХ.

_________________
Тем кого не устаревает наличия ошибок в моем тексте, оставляю права не пользоваться моими советами или просто не читать мои сообщения.


Вернуться наверх
 
Не в сети
 Заголовок сообщения: Re: Не запускается codegen-300w
СообщениеДобавлено: Чт июн 22, 2017 07:51:47 
Опытный кот
Аватар пользователя

Карма: 18
Рейтинг сообщений: 166
Зарегистрирован: Чт сен 01, 2016 03:15:07
Сообщений: 816
Рейтинг сообщения: 0
СпойлерИзображение


там случайно не TL431?или какой нубуть стабилитрон
СпойлерИзображение


а здесь видно что ты выпаял лишнее...верни как было и нормально срисуй схему


Вернуться наверх
 
Не в сети
 Заголовок сообщения: Re: Не запускается codegen-300w
СообщениеДобавлено: Чт июн 22, 2017 21:31:23 
Первый раз сказал Мяу!

Зарегистрирован: Ср мар 08, 2017 08:29:26
Сообщений: 32
Рейтинг сообщения: 0
Вроде бы нет на плате обозначен как транзистор, а когда выпаивал не глянул что конкретно было, смотрел на схему и на обозначение на плате. ТЛ431 была в другой стороне платы на фото будет видно.
Изображение
Изображение
И вот фото платы с видео с ютуба у человека работает но у него там 2 транзистора и несколько сопротивлений что нет у меня. Я перед тем как распаивать свой пытался понять зачем он их оставил (это схемка управления куллером) но наверное именно для куллера.
Изображение
Сегодня в качестве нагрузки на 5вольтовый выход дежурки повесил куллер в качестве нагрузки он еле еле крутится и то рывками , напруга скачет я писал ранее.


Вложения:
2017-06-15_184524.jpg [213.24 KiB]
Скачиваний: 1741
220812.gif [82.24 KiB]
Скачиваний: 1188
215244_2.gif [196.17 KiB]
Скачиваний: 1584
Вернуться наверх
 
Не в сети
 Заголовок сообщения: Re: Не запускается codegen-300w
СообщениеДобавлено: Чт июн 22, 2017 23:40:19 
Опытный кот
Аватар пользователя

Карма: 18
Рейтинг сообщений: 166
Зарегистрирован: Чт сен 01, 2016 03:15:07
Сообщений: 816
Рейтинг сообщения: 0
shurik2950 писал(а):
И вот фото платы с видео с ютуба у человека работает но у него там 2 транзистора
и несколько сопротивлений что нет у меня. Я перед тем как распаивать свой пытался понять зачем он их оставил
(это схемка управления куллером) но наверное именно для куллера.
это С945 ниже на фотках покажу(первая моя, вторая с интернета),
а на твоей схеме из первого поста они в квадрате 6
СпойлерИзображение
Изображение
как видиш мои транзисторы далеко от Тр 2 и им ничего не мешает работать с ним.
shurik2950 писал(а):
Там где 5в вообще ничего нет а там где 20в напруга скакает от 1,5 до 4,7 примерно.
shurik2950 писал(а):
Сегодня в качестве нагрузки на 5вольтовый выход дежурки повесил куллер в качестве нагрузки он еле еле крутится и то рывками ,
напруга скачет я писал ранее.

писал про +20в., а не про +5в SB
для примера: у меня вых. часть дежурки - вот такая...
СпойлерИзображение


з.ы. - я недавно смотрел видео на юТюбе, типа - самая простая передела БП от компа на регулируемый...
так там чел поставил линейные регуляторы напряжения и тока на транзисторах или кренках, хз, я не вникал сильно...
прикольно, то что это видео было первое в поиске через гугл :shock: еще и скважность шим.а минимальная :facepalm:


Вернуться наверх
 
Не в сети
 Заголовок сообщения: Re: Не запускается codegen-300w
СообщениеДобавлено: Пт июн 23, 2017 05:40:33 
Первый раз сказал Мяу!

Зарегистрирован: Ср мар 08, 2017 08:29:26
Сообщений: 32
Рейтинг сообщения: 0
[quote="shurik2950"]
а на твоей схеме из первого поста они в квадрате 6 как видиш мои транзисторы далеко от Тр 2 и им ничего не мешает работать с ним

з.ы. - я недавно смотрел видео на юТюбе, типа - самая простая передела БП от компа на регулируемый...
так там чел поставил линейные регуляторы напряжения и тока на транзисторах или кренках, хз, я не вникал сильно...
прикольно, то что это видео было первое в поиске через гугл :shock: еще и скважность шим.а минимальная :facepalm:


Нет это не они. У меня они стоят под самым трасформатором.
Изображение


Вложения:
2017-06-23_063229.gif [156.52 KiB]
Скачиваний: 1377
Вернуться наверх
 
Не в сети
 Заголовок сообщения: Re: Не запускается codegen-300w
СообщениеДобавлено: Пт июн 23, 2017 10:52:37 
Опытный кот
Аватар пользователя

Карма: 18
Рейтинг сообщений: 166
Зарегистрирован: Чт сен 01, 2016 03:15:07
Сообщений: 816
Рейтинг сообщения: 0
я только что мерял у себя китайским цифровым мультиметром, так он показывал тоже от 0 до 2в.
(когда дотрагиваешся пальцем к масе - показывает немного больше)...
меряй стрелочным вольтметром


Вернуться наверх
 
Не в сети
 Заголовок сообщения: Re: Не запускается codegen-300w
СообщениеДобавлено: Пт июн 23, 2017 20:03:28 
Первый раз сказал Мяу!

Зарегистрирован: Ср мар 08, 2017 08:29:26
Сообщений: 32
Рейтинг сообщения: 0
Нет стрелочного, когда-то был взял на работу а там смерти. Нашол схемку БП с такой дежуркой и присмотреться к ней и к своей плате и судя по разводка где место подQ12 стояла TL431 попробую впаять с обвязкой.

Добавлено after 7 hours 30 minutes 16 seconds:
Заработало. :))) :))) :))) Действительно на месте Q12 стояла ТЛ431. Вот схемки и фото мож кому пригодится.
Изображение
Изображение


Вложения:
2017-06-23_205706.gif [163.65 KiB]
Скачиваний: 1422
1428838985.gif [37.67 KiB]
Скачиваний: 1547
Вернуться наверх
 
Не в сети
 Заголовок сообщения: Re: Не запускается codegen-300w
СообщениеДобавлено: Чт июл 06, 2017 20:02:07 
Первый раз сказал Мяу!

Зарегистрирован: Ср мар 08, 2017 08:29:26
Сообщений: 32
Рейтинг сообщения: 0
Люди снова нужна ваша помощь. После того как всё заработало собрал в корпус поствил вольтметр,амперметр погонял на 2 амперах с лампами пару часов. Дал ему (перекурить) и решил подключить аккум 55тый попробовать зарядить. Подключил минут 10 на 5А всё нормально радиаторы пробовал тёплые и тут бах предохранитель ну и всё. 2сц2625 сгорели резисторы в базах 2625 сгорели не знаю какие были поставил 2,2 Ом. Диоды в обвязке заменил, конденсаторы 1мКф 50в заменил, транзисторы правда поставил 13009. В холодной части транзисторы 945тые, диоды на коллекторах, на выходе диодную сборку заменил, тл494 заменил. Дежурка есть,на 12 ноге питание есть, 5в на 14 ноге есть на базах 945тых 1.5в на коллекторах 0.75 (сколько должно быть не знаю). Да при включении через лампу лампа мигнула и погасла.
А на выходе нет ничего. Ткните носом в схему высше где есчо покопать.


Вернуться наверх
 
Не в сети
 Заголовок сообщения: Re: Не запускается codegen-300w
СообщениеДобавлено: Чт июл 06, 2017 21:10:35 
Друг Кота
Аватар пользователя

Карма: 146
Рейтинг сообщений: 6062
Зарегистрирован: Чт июн 04, 2009 21:06:49
Сообщений: 36292
Откуда: г.Мариинск
Рейтинг сообщения: 0
Медали: 1
Лучший человек Форума 2017 (1)
Надо взять осциллограф и смотреть импульсы.

_________________
Тем кого не устаревает наличия ошибок в моем тексте, оставляю права не пользоваться моими советами или просто не читать мои сообщения.


Вернуться наверх
 
Не в сети
 Заголовок сообщения: Re: Не запускается codegen-300w
СообщениеДобавлено: Чт июл 06, 2017 21:15:09 
Первый раз сказал Мяу!

Зарегистрирован: Ср мар 08, 2017 08:29:26
Сообщений: 32
Рейтинг сообщения: 0
без осцилографа ни как?


Вернуться наверх
 
Не в сети
 Заголовок сообщения: Re: Не запускается codegen-300w
СообщениеДобавлено: Пт июл 07, 2017 09:43:02 
Модератор
Аватар пользователя

Карма: 153
Рейтинг сообщений: 2926
Зарегистрирован: Сб авг 14, 2010 15:05:51
Сообщений: 18874
Откуда: г. Озерск, Челябинская обл.
Рейтинг сообщения: 0
Медали: 1
Лучший человек Форума 2017 (1)
ну, можешь попробовать научить свой глаз вдеть форму импульсов в электрических цепях...

_________________
Мудрость приходит вместе с импотенцией...
Когда на русском форуме переходят на Вы, в реальной жизни начинают бить морду.


Вернуться наверх
 
Не в сети
 Заголовок сообщения: Re: Не запускается codegen-300w
СообщениеДобавлено: Пт июл 07, 2017 21:03:35 
Первый раз сказал Мяу!

Зарегистрирован: Ср мар 08, 2017 08:29:26
Сообщений: 32
Рейтинг сообщения: 0
Подскажите где почитать где и какие должны быть импульсы.


Вернуться наверх
 
Показать сообщения за:  Сортировать по:  Вернуться наверх
Начать новую тему Ответить на тему  [ Сообщений: 20 ] 

Часовой пояс: UTC + 3 часа


Кто сейчас на форуме

Сейчас этот форум просматривают: нет зарегистрированных пользователей и гости: 75


Вы не можете начинать темы
Вы не можете отвечать на сообщения
Вы не можете редактировать свои сообщения
Вы не можете удалять свои сообщения
Вы не можете добавлять вложения

Найти:
Перейти:  


Powered by phpBB © 2000, 2002, 2005, 2007 phpBB Group
Русская поддержка phpBB
Extended by Karma MOD © 2007—2012 m157y
Extended by Topic Tags MOD © 2012 m157y