Например TDA7294

Форум РадиоКот • Просмотр темы - Знатоки ПУЭ -- нужен совет по вторичному БП в станке
Форум РадиоКот
Здесь можно немножко помяукать :)

Текущее время: Пн янв 26, 2026 19:22:34

Часовой пояс: UTC + 3 часа


ПРЯМО СЕЙЧАС:



Начать новую тему Ответить на тему  [ Сообщений: 25 ]  1,  
Автор Сообщение
Не в сети
 Заголовок сообщения: Знатоки ПУЭ -- нужен совет по вторичному БП в станке
СообщениеДобавлено: Вт май 23, 2023 15:42:15 
Открыл глаза

Зарегистрирован: Вт июн 22, 2010 16:45:24
Сообщений: 47
Рейтинг сообщения: 0
Приветствую!

Имеется станочек с питанием 380 вольт, к которому требуется прикрутить щит управления, причём станочек будет работать в весьма мокрых условиях. Коллеги, подскажите, как правильнее построить в нём вторичный источник питания 24 вольт для всей слаботочки:
Вариант 1 -- разделительный трансформатор 380\220 - импульсный БП 220\24 и далее по потребителям.
Вариант 2 -- без трансформатора, сразу БП 380\24
Вариант 3 -- БП 220\24 запитанный от одной фазы и рабочего нуля N

Посмотрел аналогичные схемы, встречаются все три варианта, но третий реже остальных.

Как сделать правильно и с точки зрения нормативов и в плане безопасности? Заземление PE, автоматы защиты и прочее оставляем за кадром, они в схеме, понятное дело, присутствуют.

Спасибо!


Вернуться наверх
 
Не в сети
 Заголовок сообщения: Re: Знатоки ПУЭ -- нужен совет по вторичному БП в станке
СообщениеДобавлено: Вт май 23, 2023 15:51:20 
Друг Кота
Аватар пользователя

Карма: 59
Рейтинг сообщений: 2229
Зарегистрирован: Чт янв 26, 2012 16:44:29
Сообщений: 19739
Откуда: Таксимо
Рейтинг сообщения: 0
Какой дешевле по моему мнению

Добавлено after 4 minutes 5 seconds:
Где в щитах чтото делал, чинил, везде от фазы и нуля блоки

_________________
Мои поставщики запчастей с отличной репутацией
texnomag.ru
radioremont.com
pl-1.org
4ip.info
elitan.ru


Вернуться наверх
 
Не в сети
 Заголовок сообщения: Re: Знатоки ПУЭ -- нужен совет по вторичному БП в станке
СообщениеДобавлено: Вт май 23, 2023 16:41:33 
Друг Кота
Аватар пользователя

Карма: 17
Рейтинг сообщений: 467
Зарегистрирован: Ср ноя 11, 2009 17:19:30
Сообщений: 5610
Откуда: Воронеж
Рейтинг сообщения: 0
Тоже не могу ничего плохого сказать про вариант запитаться от фазы и нуля (3).

_________________
"Привет!" - соврал он.


Вернуться наверх
 
Не в сети
 Заголовок сообщения: Re: Знатоки ПУЭ -- нужен совет по вторичному БП в станке
СообщениеДобавлено: Вт май 23, 2023 20:46:45 
Сверлит текстолит когтями

Зарегистрирован: Вт ноя 19, 2019 06:10:18
Сообщений: 1272
Рейтинг сообщения: 0
Зачем ещё тащить "ноль"? Возьми источник для трёхфазной сети без "нуля". У Mean well такие были, у Phoenix contact.


Вернуться наверх
 
Эиком - электронные компоненты и радиодетали
Не в сети
 Заголовок сообщения: Re: Знатоки ПУЭ -- нужен совет по вторичному БП в станке
СообщениеДобавлено: Вт май 23, 2023 20:50:23 
Друг Кота

Карма: 67
Рейтинг сообщений: 1964
Зарегистрирован: Сб дек 18, 2021 19:25:32
Сообщений: 12867
Рейтинг сообщения: 0
phoenix contact не поставляет в РФ


Вернуться наверх
 
Не в сети
 Заголовок сообщения: Re: Знатоки ПУЭ -- нужен совет по вторичному БП в станке
СообщениеДобавлено: Вт май 23, 2023 20:58:57 
Друг Кота
Аватар пользователя

Карма: 197
Рейтинг сообщений: 8617
Зарегистрирован: Пн ноя 30, 2009 03:00:01
Сообщений: 43321
Откуда: Нерезиновая
Рейтинг сообщения: 0
Kalessin72 писал(а):
Имеется станочек с питанием 380 вольт, к которому требуется прикрутить щит управления, причём станочек будет работать в весьма мокрых условиях. Коллеги, подскажите, как правильнее построить в нём вторичный источник питания 24 вольт для всей слаботочки:
А не проще взять какой-нибудь ОСМ с первичкой на 380 вольт, подходящей мощности и с нужным напряжением?

https://www.tdtransformator.ru/transfor ... nacheniya/

http://elecom31.ru/files/storage/ocm1.pdf


Вернуться наверх
 
Не в сети
 Заголовок сообщения: Re: Знатоки ПУЭ -- нужен совет по вторичному БП в станке
СообщениеДобавлено: Ср май 24, 2023 06:00:03 
Сверлит текстолит когтями

Зарегистрирован: Вт ноя 19, 2019 06:10:18
Сообщений: 1272
Рейтинг сообщения: 0
Martian писал(а):
phoenix contact не поставляет в РФ

Верно. Зачем поставлять? Они тут производятся.


Вернуться наверх
 
Не в сети
 Заголовок сообщения: Re: Знатоки ПУЭ -- нужен совет по вторичному БП в станке
СообщениеДобавлено: Ср май 24, 2023 06:16:39 
Собутыльник Кота
Аватар пользователя

Карма: -22
Рейтинг сообщений: -41
Зарегистрирован: Вс окт 02, 2016 07:34:45
Сообщений: 2976
Рейтинг сообщения: 0
Вариант 1 -- разделительный трансформатор 380\220 - импульсный БП 220\24 и далее по потребителям.
Вариант 2 -- без трансформатора, сразу БП 380\24
Вариант 3 -- БП 220\24 запитанный от одной фазы и рабочего нуля N

Правильный вариант 2.
Но для питания станочного ПК буржуины применяют вариант 1 - разделительный трансформатор 380\220. Т.е. этот вариант тоже для Вас приемлем.
Вариант 3 - однозначный признак того, что либо станок делала ключница, либо в него уже залезали самоделкины.


Вернуться наверх
 
Не в сети
 Заголовок сообщения: Re: Знатоки ПУЭ -- нужен совет по вторичному БП в станке
СообщениеДобавлено: Ср май 24, 2023 06:22:42 
Друг Кота

Карма: 6
Рейтинг сообщений: 303
Зарегистрирован: Вт авг 26, 2008 14:36:02
Сообщений: 5248
Откуда: москва
Рейтинг сообщения: 0
Оборудование пром прачечных сделано по обычной схеме, земля, ноль, фаза. Транс 380(230) /24


Вернуться наверх
 
Не в сети
 Заголовок сообщения: Re: Знатоки ПУЭ -- нужен совет по вторичному БП в станке
СообщениеДобавлено: Ср май 24, 2023 07:18:19 
Друг Кота
Аватар пользователя

Карма: 5
Рейтинг сообщений: 61
Зарегистрирован: Ср сен 30, 2020 16:51:47
Сообщений: 4634
Откуда: РФ
Рейтинг сообщения: 0
Kalessin72,
Вариант 2. Только с заземлением обязательно.


Вернуться наверх
 
Не в сети
 Заголовок сообщения: Re: Знатоки ПУЭ -- нужен совет по вторичному БП в станке
СообщениеДобавлено: Ср май 24, 2023 07:37:18 
Прорезались зубы

Карма: -2
Рейтинг сообщений: -20
Зарегистрирован: Чт ноя 19, 2020 14:36:17
Сообщений: 244
Откуда: N44.977113 E37.333451
Рейтинг сообщения: 0
абсолютно все три варианта рабочие
лично я выбрал бы 220/24 из-за условий что работать станочек будет в весьма мокрых условиях


Вернуться наверх
 
Не в сети
 Заголовок сообщения: Re: Знатоки ПУЭ -- нужен совет по вторичному БП в станке
СообщениеДобавлено: Ср май 24, 2023 08:36:25 
Вымогатель припоя

Карма: 3
Рейтинг сообщений: 148
Зарегистрирован: Пт май 18, 2007 07:49:27
Сообщений: 520
Рейтинг сообщения: 0
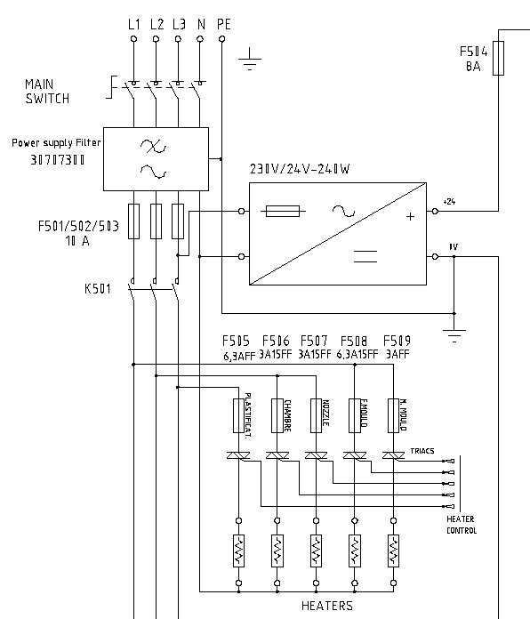
Вот кусок схемы одного испанского станка:
Изображение
Используется импульсный БП 230V/24V.


Вернуться наверх
 
Не в сети
 Заголовок сообщения: Re: Знатоки ПУЭ -- нужен совет по вторичному БП в станке
СообщениеДобавлено: Ср май 24, 2023 09:51:11 
Друг Кота
Аватар пользователя

Карма: 17
Рейтинг сообщений: 467
Зарегистрирован: Ср ноя 11, 2009 17:19:30
Сообщений: 5610
Откуда: Воронеж
Рейтинг сообщения: 0
ART_ME писал(а):
однозначный признак того, что либо станок делала ключница

Можете пояснить что с этим вариантом не так? Кроме "так не делают", а какие-нибудь объективные причины или предписания.

_________________
"Привет!" - соврал он.


Вернуться наверх
 
Не в сети
 Заголовок сообщения: Re: Знатоки ПУЭ -- нужен совет по вторичному БП в станке
СообщениеДобавлено: Ср май 24, 2023 11:31:15 
Собутыльник Кота
Аватар пользователя

Карма: -22
Рейтинг сообщений: -41
Зарегистрирован: Вс окт 02, 2016 07:34:45
Сообщений: 2976
Рейтинг сообщения: 1
ART_ME писал(а):
однозначный признак того, что либо станок делала ключница

Можете пояснить что с этим вариантом не так? Кроме "так не делают", а какие-нибудь объективные причины или предписания.

Станок - это гарантированная очень большая и непредсказуемая нагрузка, что обеспечивает как минимум кратковременнные перекосы фаз на вводе шкафа станка.
БП на такие скачки напряжения, как правило, не рассчитывают.
Вариант 2 ничем не хуже варианта 1, но у буржуинов мощные трансы стОят гораздо дороже мощных импульсных БП.


Вернуться наверх
 
Не в сети
 Заголовок сообщения: Re: Знатоки ПУЭ -- нужен совет по вторичному БП в станке
СообщениеДобавлено: Ср май 24, 2023 11:36:28 
Прорезались зубы

Карма: 2
Рейтинг сообщений: 26
Зарегистрирован: Чт май 19, 2022 04:12:01
Сообщений: 238
Рейтинг сообщения: 0
Kalessin72 писал(а):
причём станочек будет работать в весьма мокрых условиях.

Не понятно как эти условия влияют на выбор варианта. Любой вариант одинаково опасен и требует просто герметичного корпуса или заливки. Самый доступный 3 вариант.


Вернуться наверх
 
Не в сети
 Заголовок сообщения: Re: Знатоки ПУЭ -- нужен совет по вторичному БП в станке
СообщениеДобавлено: Ср май 24, 2023 11:53:33 
Друг Кота

Карма: 6
Рейтинг сообщений: 303
Зарегистрирован: Вт авг 26, 2008 14:36:02
Сообщений: 5248
Откуда: москва
Рейтинг сообщения: 0
Понятие мокрые условия слишком широкое, надо точно знать условия работы для принятия мер безопасности не столько оборудования , а сколько персонала.


Вернуться наверх
 
Не в сети
 Заголовок сообщения: Re: Знатоки ПУЭ -- нужен совет по вторичному БП в станке
СообщениеДобавлено: Ср май 24, 2023 11:53:57 
Друг Кота
Аватар пользователя

Карма: 17
Рейтинг сообщений: 467
Зарегистрирован: Ср ноя 11, 2009 17:19:30
Сообщений: 5610
Откуда: Воронеж
Рейтинг сообщения: 0
ART_ME писал(а):
БП на такие скачки напряжения, как правило, не рассчитывают.

Так и выбрать такой, который рассчитан. Хоть с диапазоном 85 - 240 . С помехами и выбросами аналогичная история.

_________________
"Привет!" - соврал он.


Вернуться наверх
 
Не в сети
 Заголовок сообщения: Re: Знатоки ПУЭ -- нужен совет по вторичному БП в станке
СообщениеДобавлено: Ср май 24, 2023 12:02:59 
Открыл глаза

Зарегистрирован: Вт июн 22, 2010 16:45:24
Сообщений: 47
Рейтинг сообщения: 0
Вот, не ожидал такой бурной дискуссии :) Спасибо всем, кто принимает в ней участие!
Полистал ещё аналогичные схемы. Да, "Европа" очень любит ставить разделительный транс, "Азия" лепит напрямую, через ноль. Пожалуй, пока остановлюсь на втором варианте, без рабочего нуля, БП 380 вольт, благо в продаже удалось найти. Тем не менее, если у кого ещё есть мысли -- охотно с ними ознакомлюсь. Станочек, всё-таки, не гаражная самоделка, а несложное, но промоборудование, и хочется всё в нём сделать правильно.


Вернуться наверх
 
Не в сети
 Заголовок сообщения: Re: Знатоки ПУЭ -- нужен совет по вторичному БП в станке
СообщениеДобавлено: Ср май 24, 2023 12:21:05 
Это не хвост, это антенна

Карма: -9
Рейтинг сообщений: 80
Зарегистрирован: Сб апр 15, 2023 13:56:13
Сообщений: 1306
Рейтинг сообщения: 0
Kalessin72 писал(а):
Европа" очень любит ставить разделительный транс

и это разумно (380/220), и БП потом проще (наверняка и дешевле)выбирать и менять, ведь как ни крути, а имп. БП всегда элемент ненадёжности, особенно, если не проанализирован на возможные недостатки...Разд. трансформатор помогает и с т.з. помех для цифровых ус-в. С т.з. безопасности, то всё равно, ведь всё заземлено должно быть...


Вернуться наверх
 
Не в сети
 Заголовок сообщения: Re: Знатоки ПУЭ -- нужен совет по вторичному БП в станке
СообщениеДобавлено: Чт май 25, 2023 10:23:05 
Вымогатель припоя
Аватар пользователя

Карма: 1
Рейтинг сообщений: 129
Зарегистрирован: Вт мар 03, 2015 20:13:46
Сообщений: 617
Откуда: рядом с "не резиновой" живу в деревне
Рейтинг сообщения: 0
ПУЭ об этом не отвечает ..
Если важен контроль фаз внутренним оборудованием, то лучше импульсный с питанием от 3 фаз - вапервых исключает влияние отгорание нуля, во вторых в случае пропадания одной и даже двух фаз остаётся питание и соответственно контроль.
Это наиболее надёжно и компактно.
Много электронных плат выходит из строя при отгорании нуля при питании через трансформатор 220 - tvs диоды иногда взрываются но ШИМ контроллеры питания успевают иногда сдохнуть.. личный многолетний опыт в ремонте пром электроники.


Вернуться наверх
 
Показать сообщения за:  Сортировать по:  Вернуться наверх
Начать новую тему Ответить на тему  [ Сообщений: 25 ]  1,  

Часовой пояс: UTC + 3 часа


Кто сейчас на форуме

Сейчас этот форум просматривают: нет зарегистрированных пользователей и гости: 60


Вы не можете начинать темы
Вы не можете отвечать на сообщения
Вы не можете редактировать свои сообщения
Вы не можете удалять свои сообщения
Вы не можете добавлять вложения

Найти:
Перейти:  


Powered by phpBB © 2000, 2002, 2005, 2007 phpBB Group
Русская поддержка phpBB
Extended by Karma MOD © 2007—2012 m157y
Extended by Topic Tags MOD © 2012 m157y