Например TDA7294

Форум РадиоКот • Просмотр темы - Зарядка Metabo AC 30
Форум РадиоКот
Здесь можно немножко помяукать :)

Текущее время: Вт фев 03, 2026 17:07:14

Часовой пояс: UTC + 3 часа


ПРЯМО СЕЙЧАС:



Начать новую тему Ответить на тему  [ Сообщений: 27 ]  1,  
Автор Сообщение
Не в сети
 Заголовок сообщения: Зарядка Metabo AC 30
СообщениеДобавлено: Пт авг 28, 2020 17:59:06 
Родился

Зарегистрирован: Пт мар 03, 2017 07:53:10
Сообщений: 14
Рейтинг сообщения: 0
Здравствуйте.
Знатоки подскажите как реализовать зарядку для li-ion на базе зарядки metabo AC 30 для nicd.
Есть зарядка metabo, надо к ней подключить преобразователь CC CV.
Просмотрел видео подобных переделок по ним вроде ничего сложного. Преобразователь цепляют к диодному мосту.
Вскрыл свою зарядку и диодного моста там не обнаружил. И куда подключить преобразователь не понятно.
Кто в теме пожалуйста подскажите откуда взять питание для преобразователя.
Фото со стороны дорожек отзеркалено.


Вложения:
AC 30 1 а.jpg [176.2 KiB]
Скачиваний: 909
Комментарий к файлу: отзеркалена
AC 30 а.jpg [231.44 KiB]
Скачиваний: 686
Вернуться наверх
 
Не в сети
 Заголовок сообщения: Re: Зарядка Metabo AC 30
СообщениеДобавлено: Пт авг 28, 2020 18:26:08 
Друг Кота

Карма: 14
Рейтинг сообщений: 372
Зарегистрирован: Вс фев 15, 2009 01:04:58
Сообщений: 5066
Откуда: Kaluga
Рейтинг сообщения: 0
Начинать надо с восстановления схемы по монтажу. По ней уже думать что и где выкинуть и куда подключить.


Вернуться наверх
 
Не в сети
 Заголовок сообщения: Re: Зарядка Metabo AC 30
СообщениеДобавлено: Пт авг 28, 2020 18:33:05 
Родился

Зарегистрирован: Пт мар 03, 2017 07:53:10
Сообщений: 14
Рейтинг сообщения: 0
Начинать надо с восстановления схемы по монтажу. По ней уже думать что и где выкинуть и куда подключить.


В смысле? Зарядка целая, рабочая только для nicd, я хочу ее на liion переделать.

Добавлено after 1 minute 15 seconds:
Принципиальной схемы в нете не нашел.


Вернуться наверх
 
Не в сети
 Заголовок сообщения: Re: Зарядка Metabo AC 30
СообщениеДобавлено: Сб авг 29, 2020 11:05:51 
Друг Кота
Аватар пользователя

Карма: 20
Рейтинг сообщений: 488
Зарегистрирован: Сб ноя 20, 2010 21:54:31
Сообщений: 3954
Рейтинг сообщения: 0
Мост справа вверху на первом фото, перед дросселем


Вернуться наверх
 
Эиком - электронные компоненты и радиодетали
Не в сети
 Заголовок сообщения: Re: Зарядка Metabo AC 30
СообщениеДобавлено: Сб авг 29, 2020 11:49:15 
Друг Кота
Аватар пользователя

Карма: 59
Рейтинг сообщений: 2237
Зарегистрирован: Чт янв 26, 2012 16:44:29
Сообщений: 19832
Откуда: Таксимо
Рейтинг сообщения: 0
какой мост, научите сейчас! внизу на радиаторе диод черныйи на нем напряжение для зарядки вольт 18-24

Добавлено after 3 minutes 10 seconds:
я нарисовал + и -
Вложение:
AC 30 а.jpg [104.07 KiB]
Скачиваний: 687

_________________
Мои поставщики запчастей с отличной репутацией
texnomag.ru
radioremont.com
pl-1.org
4ip.info
elitan.ru


Вернуться наверх
 
Не в сети
 Заголовок сообщения: Re: Зарядка Metabo AC 30
СообщениеДобавлено: Сб авг 29, 2020 12:03:28 
Родился

Зарегистрирован: Пт мар 03, 2017 07:53:10
Сообщений: 14
Рейтинг сообщения: 0
Я так и думал, но смутило напряжение на выходе моста 300В. и между + и - моста стоит электролит 100мкф. 400В.


Вернуться наверх
 
Не в сети
 Заголовок сообщения: Re: Зарядка Metabo AC 30
СообщениеДобавлено: Сб авг 29, 2020 12:13:10 
Опытный кот
Аватар пользователя

Карма: 4
Рейтинг сообщений: 241
Зарегистрирован: Пн апр 01, 2013 04:08:37
Сообщений: 875
Рейтинг сообщения: 0
MiheyM писал(а):
Я так и думал, но смутило напряжение на выходе моста 300В

Неправильно думали, это выпрямитель, да не тот. Не во всех схемах выпрямление переменного напряжения осуществляется мостовой схемой. Вам уже сказали выше, что здесь, в роли нужного Вам выпрямителя, выступает сдвоенный диод, который на фотографии стоит снизу, под трансформатором, на радиаторе


Вернуться наверх
 
Не в сети
 Заголовок сообщения: Re: Зарядка Metabo AC 30
СообщениеДобавлено: Сб авг 29, 2020 12:18:22 
Родился

Зарегистрирован: Пт мар 03, 2017 07:53:10
Сообщений: 14
Рейтинг сообщения: 0
Замерил напряжение в этих точках. Без нагрузки 31В., под нагрузкой 12,3В и падает до 11,5В. может и ниже, дальше не стал замерять.


Вернуться наверх
 
Не в сети
 Заголовок сообщения: Re: Зарядка Metabo AC 30
СообщениеДобавлено: Сб авг 29, 2020 15:02:15 
Это не хвост, это антенна

Карма: 1
Рейтинг сообщений: 257
Зарегистрирован: Сб фев 26, 2011 05:56:54
Сообщений: 1470
Откуда: Киев
Рейтинг сообщения: 0
Так и должно быть.
Это ж зарядка.
Как уже выше советовали -- по монтажу восстанавливайте схему, в нее нужно добавить тренер по нужному напряжения.

Можно и на этот мост добавить зарядку-понижайку CC/CV, но только не большой зарядный ток можно будет использовать


Вернуться наверх
 
Не в сети
 Заголовок сообщения: Re: Зарядка Metabo AC 30
СообщениеДобавлено: Сб авг 29, 2020 18:32:53 
Родился

Зарегистрирован: Пт мар 03, 2017 07:53:10
Сообщений: 14
Рейтинг сообщения: 0
Схему для себя разделил на три части. Первая часть- 220В., вторая часть которая отвечает за зарядку и третья часть которая следит за температурой аккумулятора. Только не знаю где заканчивается вторая часть и начинается третья.
Можете выделить на фото часть монтажа с которого нужна схема.
Я уже срисовал часть схемы процентов 20-30. Уже глаза с мозгом пухнут. В некоторых местах smd монтаж плотный, что некоторых дорожек не видно. Всю плату думаю не осилю.
Срисовал часть схемы от контактов которые к аккумулятору подключаются и до транса.


Вернуться наверх
 
Не в сети
 Заголовок сообщения: Re: Зарядка Metabo AC 30
СообщениеДобавлено: Сб авг 29, 2020 21:50:45 
Друг Кота
Аватар пользователя

Карма: 59
Рейтинг сообщений: 2237
Зарегистрирован: Чт янв 26, 2012 16:44:29
Сообщений: 19832
Откуда: Таксимо
Рейтинг сообщения: 0
Тебе не нужна вся схема, уточни что упрпвляет оптопарой обратной связи, выкинь лишнее, поставь туда 431 если нету, и алга сапога. На фотке даже кулер есть,кмк мощная зарядка и потянет и твои аккумы и даже тесла поедет на этой зарядке. Но это не точно

_________________
Мои поставщики запчастей с отличной репутацией
texnomag.ru
radioremont.com
pl-1.org
4ip.info
elitan.ru


Вернуться наверх
 
Не в сети
 Заголовок сообщения: Re: Зарядка Metabo AC 30
СообщениеДобавлено: Сб авг 29, 2020 22:43:36 
Родился

Зарегистрирован: Пт мар 03, 2017 07:53:10
Сообщений: 14
Рейтинг сообщения: 0
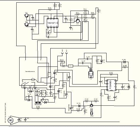
Нарисовал, что смог. Надеюсь этого достаточно. Возможно есть ошибки, проверил несколько раз мне в глаза не бросились. Где знак вопроса там номинал не известен, залит лаком.


Вложения:
FC 30 схема.jpg [42.53 KiB]
Скачиваний: 702
Вернуться наверх
 
Не в сети
 Заголовок сообщения: Re: Зарядка Metabo AC 30
СообщениеДобавлено: Вс авг 30, 2020 06:18:14 
Это не хвост, это антенна

Карма: 1
Рейтинг сообщений: 257
Зарегистрирован: Сб фев 26, 2011 05:56:54
Сообщений: 1470
Откуда: Киев
Рейтинг сообщения: 0
Схему для себя разделил на три части. Первая часть- 220В., вторая часть которая отвечает за зарядку и третья часть которая следит за температурой аккумулятора. Только не знаю где заканчивается вторая часть и начинается третья.

Первая часть состоит только из одного моста и конденденсатора.
Все остальное -- это и есть зарядка. Тут нет того, что можно назвать блоком питания зарядки.
В зарядке есть триггер отключения зарядки по термодатчику.
Вот его и надо найти и добавить схему триггера по напряжению, так что бы при достижении нужного напряжения зарядка думала, что температура стала слишком высокой и останавливала зарядку.
Это самый простой способ отмодить эту зарядку для лития.


Зы
Выложенный кусочек схемы -- вообще ни о чем. Вообще ничего не видно и не понятно.


Вернуться наверх
 
Не в сети
 Заголовок сообщения: Re: Зарядка Metabo AC 30
СообщениеДобавлено: Вс авг 30, 2020 10:04:48 
Родился

Зарегистрирован: Пт мар 03, 2017 07:53:10
Сообщений: 14
Рейтинг сообщения: 0
Рисовал в Splanе, могу его файл выложить.


Вернуться наверх
 
Не в сети
 Заголовок сообщения: Re: Зарядка Metabo AC 30
СообщениеДобавлено: Вс авг 30, 2020 10:56:36 
Друг Кота
Аватар пользователя

Карма: 59
Рейтинг сообщений: 2237
Зарегистрирован: Чт янв 26, 2012 16:44:29
Сообщений: 19832
Откуда: Таксимо
Рейтинг сообщения: 0
Ну предположим для cc cv нужно 24 вольта. Отрезвем все цепи от питания и по аналогии с каким тонибудь блоком питания импульсным с оптопарой переделываем часть эту, чтобы стабилизировалось напряжение выходное

_________________
Мои поставщики запчастей с отличной репутацией
texnomag.ru
radioremont.com
pl-1.org
4ip.info
elitan.ru


Вернуться наверх
 
Не в сети
 Заголовок сообщения: Re: Зарядка Metabo AC 30
СообщениеДобавлено: Вс авг 30, 2020 13:57:02 
Это не хвост, это антенна

Карма: 1
Рейтинг сообщений: 257
Зарегистрирован: Сб фев 26, 2011 05:56:54
Сообщений: 1470
Откуда: Киев
Рейтинг сообщения: 0
Можно и так.
Но нужен дополнительно модуль dc/dc cc/cv. Дополнить этот модуль защитой от разрядки через него аккума при пропадании напряжения. Переделать схему этой зарядки на схему обыного БП.

Это сложнее, чем просто добавить простую схемку слежения за напряжением, например на 431. Которая при достижении нужного напряжения, имитирует высокую температуру на входе штатного контроля температуры и зарядка останавливается.


Вернуться наверх
 
Не в сети
 Заголовок сообщения: Re: Зарядка Metabo AC 30
СообщениеДобавлено: Вс авг 30, 2020 14:29:52 
Родился

Зарегистрирован: Пт мар 03, 2017 07:53:10
Сообщений: 14
Рейтинг сообщения: 0
Удалось прочитать маркировку некоторых деталюх. Еще на плате присутствует LM255. Ее рисовать не стал т.к. думаю, что она для питания процессора MC68HC908.

Добавлено after 21 minute 30 seconds:
ceramicmail, как то все сложно и не понятно для меня пока во всяком случае.
Разве не достаточно найти на плате напряжение 15-30 вольт и подключить к нему модуль CC/CV из китая? Аккумуляторы подключены через BMS 3S на 40 А.


Вложения:
AC 30 схема.jpg [45.49 KiB]
Скачиваний: 508
Вернуться наверх
 
Не в сети
 Заголовок сообщения: Re: Зарядка Metabo AC 30
СообщениеДобавлено: Вс авг 30, 2020 14:40:33 
Это не хвост, это антенна

Карма: 1
Рейтинг сообщений: 257
Зарегистрирован: Сб фев 26, 2011 05:56:54
Сообщений: 1470
Откуда: Киев
Рейтинг сообщения: 0
Разве не достаточно найти на плате напряжение 15-30 вольт
И откуда оно там возьмется?!
Это-же зарядка. Вы внимательно ее характеристики посмотрите: 4,8V-18V.

Аккумуляторы подключены через BMS 3S на 40 А.
И что?
К чему эта информация?


Вернуться наверх
 
Не в сети
 Заголовок сообщения: Re: Зарядка Metabo AC 30
СообщениеДобавлено: Вс авг 30, 2020 14:59:39 
Родился

Зарегистрирован: Пт мар 03, 2017 07:53:10
Сообщений: 14
Рейтинг сообщения: 0
На шильде зарядки написано output: 4,8-18V 2,5A. Ее максимальный вольтаж подходит, сила тоже. Предполагал, что надо, что б напряжение постоянное было, а до нужных значений модулем CC/CV отрегулировать. А про BMS на всякий случай сообщил.


Вернуться наверх
 
Не в сети
 Заголовок сообщения: Re: Зарядка Metabo AC 30
СообщениеДобавлено: Вс авг 30, 2020 15:09:27 
Это не хвост, это антенна

Карма: 1
Рейтинг сообщений: 257
Зарегистрирован: Сб фев 26, 2011 05:56:54
Сообщений: 1470
Откуда: Киев
Рейтинг сообщения: 0
Предполагал, что надо, что б напряжение постоянное было, а до нужных значений модулем CC/CV отрегулировать.
Можно и так.
Не самый простой способ переделки. И совсем не самый хороший способ зарядки аккумов для шурика.
Но можно.
Для этого, сначала, из зарядки нужно сделать блок питания. Выбросить всю вторичку и сделать типовую обратную связь по напряжению.
Например, типа такого:
Изображение
красным цветом, https://www.kirich.blog/stati/informaci ... ast-5.html


Вернуться наверх
 
Показать сообщения за:  Сортировать по:  Вернуться наверх
Начать новую тему Ответить на тему  [ Сообщений: 27 ]  1,  

Часовой пояс: UTC + 3 часа


Кто сейчас на форуме

Сейчас этот форум просматривают: нет зарегистрированных пользователей и гости: 76


Вы не можете начинать темы
Вы не можете отвечать на сообщения
Вы не можете редактировать свои сообщения
Вы не можете удалять свои сообщения
Вы не можете добавлять вложения

Найти:
Перейти:  


Powered by phpBB © 2000, 2002, 2005, 2007 phpBB Group
Русская поддержка phpBB
Extended by Karma MOD © 2007—2012 m157y
Extended by Topic Tags MOD © 2012 m157y