Например TDA7294

Форум РадиоКот • Просмотр темы - Часы на К176ИЕ18-ИВ-22
Форум РадиоКот
Здесь можно немножко помяукать :)

Текущее время: Пн окт 06, 2025 14:12:58

Часовой пояс: UTC + 3 часа


ПРЯМО СЕЙЧАС:



Начать новую тему Ответить на тему  [ Сообщений: 74 ]  1, , ,  
Автор Сообщение
Не в сети
 Заголовок сообщения: Часы на К176ИЕ18-ИВ-22
СообщениеДобавлено: Вт мар 24, 2020 19:30:36 
Первый раз сказал Мяу!
Аватар пользователя

Зарегистрирован: Сб май 18, 2013 18:21:00
Сообщений: 36
Откуда: г. Волгодонск
Рейтинг сообщения: 0
Всем привет! Вот собрал часы на советских элементах и индикаторных лампах ИВ-22, но на индикаторах видно засвечивание выключенных сегментов. Как можно исправить этот недостаток?
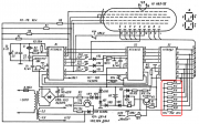
Собирал по этой схеме:
Изображение

Вот как выглядит этот дефект:
Изображение

А это плата:
Изображение


Вернуться наверх
 
Не в сети
 Заголовок сообщения: Re: Часы на К176ИЕ18-ИВ-22
СообщениеДобавлено: Вт мар 24, 2020 19:38:49 
Собутыльник Кота

Карма: 36
Рейтинг сообщений: 808
Зарегистрирован: Ср ноя 29, 2017 06:58:50
Сообщений: 2906
Рейтинг сообщения: 0
пункт 4. хотя я бы рекомендовал прочитать всё.

Изображение

_________________
Меня здесь больше нет


Вернуться наверх
 
Не в сети
 Заголовок сообщения: Re: Часы на К176ИЕ18-ИВ-22
СообщениеДобавлено: Вт мар 24, 2020 20:23:00 
Друг Кота
Аватар пользователя

Карма: 182
Рейтинг сообщений: 8304
Зарегистрирован: Пт фев 04, 2011 17:57:51
Сообщений: 19854
Откуда: Рыбинск
Рейтинг сообщения: 2
Медали: 1
Лучший человек Форума 2017 (1)
Эти резисторы должны соединяться с -30, а не с катодом, особенно сеточные. Выделенных на схеме резисторов во многих часах вообще нет, но засветки нет, при правильном подключении сеточных резисторов.


Вернуться наверх
 
Не в сети
 Заголовок сообщения: Re: Часы на К176ИЕ18-ИВ-22
СообщениеДобавлено: Вт мар 24, 2020 20:38:20 
Друг Кота
Аватар пользователя

Карма: 195
Рейтинг сообщений: 8549
Зарегистрирован: Пн ноя 30, 2009 03:00:01
Сообщений: 42654
Откуда: Нерезиновая
Рейтинг сообщения: 0
А зачем все стабилитроны наоборот стоят?
Или они на плате наоборот нарисованы?

Не самая удачная схема питания часов, есть проще..

По идее, "общий провод" резисторов R14~R20 и общий провод резисторов R5~R8 должны быть соединены не через стабилитрон, а ВМЕСТЕ, и напряжение на этой точке соединения должно быть ниже, чем напряжение на среднем выводе обмотки накала.


Вернуться наверх
 
Не в сети
 Заголовок сообщения: Re: Часы на К176ИЕ18-ИВ-22
СообщениеДобавлено: Вт мар 24, 2020 23:47:44 
Первый раз сказал Мяу!
Аватар пользователя

Зарегистрирован: Сб май 18, 2013 18:21:00
Сообщений: 36
Откуда: г. Волгодонск
Рейтинг сообщения: 0
Ошибка изображения на плате, поэтому стабилитроны впаял наоборот.
Документацию на индикатор тоже читал, и у меня, как я измерил, получилось напряжение примерно 1.1В.

Вот померил напряжения на стабилитроне:
Изображение

Резисторы R14-R20, особо ни на что не влияют, уменьшение номинала приводит к тусклому свечению индикаторов, но засветка всё равно остаётся.


Вернуться наверх
 
Не в сети
 Заголовок сообщения: Re: Часы на К176ИЕ18-ИВ-22
СообщениеДобавлено: Ср мар 25, 2020 00:05:35 
Друг Кота
Аватар пользователя

Карма: 195
Рейтинг сообщений: 8549
Зарегистрирован: Пн ноя 30, 2009 03:00:01
Сообщений: 42654
Откуда: Нерезиновая
Рейтинг сообщения: 0
Вообще- то, у вас между этими точками измерения должно было бы быть 6,8 вольт..
То есть- минус 19 и минус 25 вольт.. Иначе- нафига там стабилитрон на 6,8 вольта?


Вернуться наверх
 
Не в сети
 Заголовок сообщения: Re: Часы на К176ИЕ18-ИВ-22
СообщениеДобавлено: Ср мар 25, 2020 00:10:54 
Первый раз сказал Мяу!
Аватар пользователя

Зарегистрирован: Сб май 18, 2013 18:21:00
Сообщений: 36
Откуда: г. Волгодонск
Рейтинг сообщения: 0
Измерял относительно земли, на самом стабилитроне напряжение 1.3В, странно, может быть стабилитрон негодный.


Вернуться наверх
 
Не в сети
 Заголовок сообщения: Re: Часы на К176ИЕ18-ИВ-22
СообщениеДобавлено: Ср мар 25, 2020 00:15:04 
Друг Кота
Аватар пользователя

Карма: 195
Рейтинг сообщений: 8549
Зарегистрирован: Пн ноя 30, 2009 03:00:01
Сообщений: 42654
Откуда: Нерезиновая
Рейтинг сообщения: 0
на самом стабилитроне напряжение 1.3В, странно, может быть стабилитрон негодный.

Или впаян наоборот..
Вот, смотрите- ОБА стабилитрона- КС168!!
Изображение Изображение


Последний раз редактировалось АлександрЛ Ср мар 25, 2020 00:18:24, всего редактировалось 1 раз.

Вернуться наверх
 
Не в сети
 Заголовок сообщения: Re: Часы на К176ИЕ18-ИВ-22
СообщениеДобавлено: Ср мар 25, 2020 00:15:20 
Друг Кота
Аватар пользователя

Карма: 123
Рейтинг сообщений: 7959
Зарегистрирован: Сб сен 13, 2014 16:27:32
Сообщений: 39199
Откуда: СпиртоГонск созвездия Омега
Рейтинг сообщения: 0
зпирающе должно бвть не менне 4в резисторы подтяжек ДОЛЖНЫ идут напрямую к -27..30в а мне после зенера! ка у вас видимо кривая от роду схема подтяжка 33-100к без разницыесли запирающего мало то зенер меняют на 5-6в тут вашн зачемто зенера коротят ключом
\или зенер дохлфй или кверхногами стоит\ а может тот транзюк течет

_________________
ZМудрость(Опыт и выдержка) приходит с годами.
Все Ваши беды и проблемы, от недостатка знаний.
Умный и у дурака научится, а дураку и ..
Алберт Ейнштейн не поможет и ВВП не спасет.и МЧС опаздает


Вернуться наверх
 
Не в сети
 Заголовок сообщения: Re: Часы на К176ИЕ18-ИВ-22
СообщениеДобавлено: Ср мар 25, 2020 00:19:46 
Друг Кота
Аватар пользователя

Карма: 195
Рейтинг сообщений: 8549
Зарегистрирован: Пн ноя 30, 2009 03:00:01
Сообщений: 42654
Откуда: Нерезиновая
Рейтинг сообщения: 0
тут вашн зачемто зенера коротят ключом
\или зенер дохлфй или кверхногами стоит\ а может тот транзюк течет
Мне показалось, что это не "ключ" а "стабилизатор".. :dont_know:


Вернуться наверх
 
Не в сети
 Заголовок сообщения: Re: Часы на К176ИЕ18-ИВ-22
СообщениеДобавлено: Ср мар 25, 2020 00:25:03 
Первый раз сказал Мяу!
Аватар пользователя

Зарегистрирован: Сб май 18, 2013 18:21:00
Сообщений: 36
Откуда: г. Волгодонск
Рейтинг сообщения: 0
Поищу другой подходящий стабилитрон, ещё раз перепроверю, после исправления отпишусь.


Вернуться наверх
 
Не в сети
 Заголовок сообщения: Re: Часы на К176ИЕ18-ИВ-22
СообщениеДобавлено: Ср мар 25, 2020 00:29:03 
Друг Кота
Аватар пользователя

Карма: 195
Рейтинг сообщений: 8549
Зарегистрирован: Пн ноя 30, 2009 03:00:01
Сообщений: 42654
Откуда: Нерезиновая
Рейтинг сообщения: 0
Поищу другой подходящий стабилитрон, ещё раз перепроверю,.

Так вы ЭТОТ проверьте! В СССР стабилитроны и диоды выпускали с "прямой" и "обратной" полярностью, выяснить полярность можно по рисунку на корпусе (как я видел на фото- там полярность обозначена), и проанализировать подключение стабилитрона на плате- может, он всё- таки ПРАВИЛЬНО нарисован?


Вернуться наверх
 
Не в сети
 Заголовок сообщения: Re: Часы на К176ИЕ18-ИВ-22
СообщениеДобавлено: Ср мар 25, 2020 00:51:50 
Первый раз сказал Мяу!
Аватар пользователя

Зарегистрирован: Сб май 18, 2013 18:21:00
Сообщений: 36
Откуда: г. Волгодонск
Рейтинг сообщения: 0
Впаян стабилитрон правильно, катодом к резисторам R14-R20, это на плате рисунок неправильный.

Добавлено after 12 minutes 14 seconds:
Взял другой такой же стабилитрон, и на корпусе обозначение такое же, на макетке проверил - в одну сторону напряжение 1.4В, а в другую 7В. Перепаяю его наоборот, посмотрим что получится.


Вернуться наверх
 
Не в сети
 Заголовок сообщения: Re: Часы на К176ИЕ18-ИВ-22
СообщениеДобавлено: Ср мар 25, 2020 01:00:26 
Друг Кота
Аватар пользователя

Карма: 142
Рейтинг сообщений: 5959
Зарегистрирован: Чт авг 09, 2012 01:09:39
Сообщений: 6642
Откуда: Ливны
Рейтинг сообщения: 0
gear3d писал(а):
Перепаяю его наоборот, посмотрим что получится.
Всё заработает как положено. :)

_________________
Большой опыт, порой, не даёт находить/видеть нам простые и очевидные решения. :(
Всегда с уважением, Александр.


Вернуться наверх
 
Не в сети
 Заголовок сообщения: Re: Часы на К176ИЕ18-ИВ-22
СообщениеДобавлено: Ср мар 25, 2020 02:51:55 
Первый раз сказал Мяу!
Аватар пользователя

Зарегистрирован: Сб май 18, 2013 18:21:00
Сообщений: 36
Откуда: г. Волгодонск
Рейтинг сообщения: 0
Перепаял наоборот, ничего не поменялось, засветка немного даже усилилась. Впаял другой такой же стабилитрон как положено по схеме, предварительно проверил его, выдаёт 6.9В. В схеме также выдаёт 1.3В. Транзистор стоит КТ814Г новый.

Добавлено after 23 minutes 53 seconds:
Вот есть ещё похожая схема от часов Электроника 2-06
Изображение

Подключение такое же.


Вернуться наверх
 
Не в сети
 Заголовок сообщения: Re: Часы на К176ИЕ18-ИВ-22
СообщениеДобавлено: Ср мар 25, 2020 03:03:16 
Собутыльник Кота

Карма: 36
Рейтинг сообщений: 808
Зарегистрирован: Ср ноя 29, 2017 06:58:50
Сообщений: 2906
Рейтинг сообщения: 0
а здесь другая:
https://forum.cxem.net/uploads/monthly_ ... 0ddff4.jpg
да и здесь, в описании к 176ИД3:
http://tec.org.ru/board/k176id3/149-1-0-1909

_________________
Меня здесь больше нет


Последний раз редактировалось BlackKilkennyCat Ср мар 25, 2020 03:19:28, всего редактировалось 1 раз.

Вернуться наверх
 
Не в сети
 Заголовок сообщения: Re: Часы на К176ИЕ18-ИВ-22
СообщениеДобавлено: Ср мар 25, 2020 03:13:34 
Друг Кота
Аватар пользователя

Карма: 195
Рейтинг сообщений: 8549
Зарегистрирован: Пн ноя 30, 2009 03:00:01
Сообщений: 42654
Откуда: Нерезиновая
Рейтинг сообщения: 0
Вообще- то странная схема, а напряжения у вас ещё "страннее" :)))
Вроде как на конденсаторе С6 должно быть 30 вольт, а в базе стабилизатора на VT2 - стабилитронов аж на 36 вольт - получается, что этот транзистор просто открыт.. Вот если бы на С6 было бы хотя бы 38~40 вольт, то всё как- бы "встаёт на место"..
Какое у вас реально напряжение на конденсаторе С6?
То, что написано на минусовом выводе- минус 30 вольт "относительно земли"..
Вот примерно какие должны быть напряжения в БП ваших часов, проверяйте..
Изображение

зы.. Я не знаю, за каким хером "авторы" схем будильников придумывают какие- то транзисторные усилители звонка, когда выход на "звонок" у 176ИЕ18 РАССЧИТАН на подключение "пищалки" сопротивлением в, если я правильно помню, 32 Ом между выводом 7 микросхемы и плюс 9 вольт..

Вот есть ещё похожая схема от часов Электроника 2-06
Изображение
Подключение такое же.

Это не "похожая схема", это ТА ЖЕ САМАЯ СХЕМА!! :))) Только забыли соединение эмиттера транзистора с катодом стабилитрона нарисовать..


Последний раз редактировалось АлександрЛ Ср мар 25, 2020 03:31:17, всего редактировалось 1 раз.

Вернуться наверх
 
Не в сети
 Заголовок сообщения: Re: Часы на К176ИЕ18-ИВ-22
СообщениеДобавлено: Ср мар 25, 2020 03:22:28 
Собутыльник Кота

Карма: 36
Рейтинг сообщений: 808
Зарегистрирован: Ср ноя 29, 2017 06:58:50
Сообщений: 2906
Рейтинг сообщения: 0
АлександрЛ, странная - это не то слово. Попытка осознать как работает звукоизлучатель вызвала у меня желание идти спать.

_________________
Меня здесь больше нет


Вернуться наверх
 
Не в сети
 Заголовок сообщения: Re: Часы на К176ИЕ18-ИВ-22
СообщениеДобавлено: Ср мар 25, 2020 03:34:57 
Первый раз сказал Мяу!
Аватар пользователя

Зарегистрирован: Сб май 18, 2013 18:21:00
Сообщений: 36
Откуда: г. Волгодонск
Рейтинг сообщения: 0
Померил напряжения, отметил синим на схеме
Изображение

Трансформатор взят от старых таких же часов, только в виде настольной лампы, плафон лампы уже давно поплавился от лампы накаливания, а часы были сломаны когда-то давно.


Вернуться наверх
 
Не в сети
 Заголовок сообщения: Re: Часы на К176ИЕ18-ИВ-22
СообщениеДобавлено: Ср мар 25, 2020 10:37:28 
Друг Кота
Аватар пользователя

Карма: 142
Рейтинг сообщений: 5959
Зарегистрирован: Чт авг 09, 2012 01:09:39
Сообщений: 6642
Откуда: Ливны
Рейтинг сообщения: 0
gear3d писал(а):
Померил напряжения, отметил синим на схеме
Всё в норме кроме напряжения на аноде стабилитрона VD9, там должно быть не более -26В. Непонятно только как измерено напряжение на C6. :roll: Если измерено относительно общего на его минусовом выводе -29,3В. то норма :) , если это напряжение непосредственно на его выводах, то напряжение занижено. :(

_________________
Большой опыт, порой, не даёт находить/видеть нам простые и очевидные решения. :(
Всегда с уважением, Александр.


Вернуться наверх
 
Показать сообщения за:  Сортировать по:  Вернуться наверх
Начать новую тему Ответить на тему  [ Сообщений: 74 ]  1, , ,  

Часовой пояс: UTC + 3 часа


Кто сейчас на форуме

Сейчас этот форум просматривают: нет зарегистрированных пользователей и гости: 21


Вы не можете начинать темы
Вы не можете отвечать на сообщения
Вы не можете редактировать свои сообщения
Вы не можете удалять свои сообщения
Вы не можете добавлять вложения

Найти:
Перейти:  


Powered by phpBB © 2000, 2002, 2005, 2007 phpBB Group
Русская поддержка phpBB
Extended by Karma MOD © 2007—2012 m157y
Extended by Topic Tags MOD © 2012 m157y