Например TDA7294

Форум РадиоКот • Просмотр темы - Расчёт варистора в сетевой фильтр
Форум РадиоКот
Здесь можно немножко помяукать :)

Текущее время: Пт ноя 28, 2025 08:34:09

Часовой пояс: UTC + 3 часа


ПРЯМО СЕЙЧАС:



Начать новую тему Ответить на тему  [ Сообщений: 116 ]    , , , , , 6
Автор Сообщение
Не в сети
 Заголовок сообщения: Re: Расчёт варистора в сетевой фильтр
СообщениеДобавлено: Пн июл 08, 2013 09:07:00 
Друг Кота
Аватар пользователя

Карма: 67
Рейтинг сообщений: 1065
Зарегистрирован: Чт сен 18, 2008 12:27:21
Сообщений: 19932
Откуда: Столица Мира Санкт-Петербург
Рейтинг сообщения: 0
Медали: 1
Получил миской по аватаре (1)
Соник писал(а):
Ток через 220KD07 составил 1 мА при напряжении 23 В пост. тока. При 25 В пост. тока ток поднялся до 5 мА.

Ну, всё правильно. "220" значит 22 В классификационное, укладывается в допуск 20-24 В. По той же таблице макс. рабочее 18 В (постоянки).

_________________
[ Всё дело не столько в вашей глупости, сколько в моей гениальности ] [ Правильно заданный вопрос содержит в себе половину ответа ]
Измерить нннада?


Вернуться наверх
 
Не в сети
 Заголовок сообщения: Re: Расчёт варистора в сетевой фильтр
СообщениеДобавлено: Сб окт 19, 2013 17:06:31 
Встал на лапы

Зарегистрирован: Вт авг 20, 2013 20:06:43
Сообщений: 97
Откуда: Київ
Рейтинг сообщения: -3
Имеет ли смысл включать варистор на выходе блока питания(в паралель +-) как защиту от статического электричества?

_________________
Пришел из ниоткуда, уйду в никуда.


Вернуться наверх
 
Не в сети
 Заголовок сообщения: Re: Расчёт варистора в сетевой фильтр
СообщениеДобавлено: Вс мар 05, 2017 12:30:26 
Родился

Зарегистрирован: Вс мар 05, 2017 09:42:00
Сообщений: 1
Рейтинг сообщения: 0
Бродяга писал(а):
Имеет ли смысл включать варистор на выходе блока питания(в паралель +-) как защиту от статического электричества?
В блоке питания на выход обычно ставится мощный сглаживающий электролитический конденсатор, а поскольку энергия электростатического разряда не так уж и велика, конденсатор с большой вероятностью ее просто съест и не подавится.
По крайней мере не встречал схем блоков питания, где бы стояла защита на выходе такого плана.

Сижу тут проектирую схему защиты.
Почитал немного тему, но так и не понял, по какому принципу считать тандем варистор/предохранитель.
У варистора по параметрам есть максимально допустимое напряжение (как я понял, это напряжение срабатывания защиты, про DC и ACrms по крайней мере для меня тут все ясно, берем по максимально допустимым мгновенным), maximum clamping voltage (не совсем понимаю смысл параметра), withstanding surge current 8/20us (насколько я понимаю, это предельно допустимый ток, с учетом выживаемости варистора), rated wattage (как я понимаю, это максимальная рассеиваемая варистором мощность при работе в продолжительном режиме) и energy 10/1000us (максимальная энергия, рассеиваемая при одиночном импульсе с указанными параметрами, так?)
Прошу поправить, если где-то ошибаюсь с терминологией. Также интересует смысл параметра maximum clamping voltage.
Да, данные смотрю пока тут, но ни к чему конкретному не привязываюсь пока, просто пытаюсь разобраться в вопросе, как это считать.
А вот с плавкими предохранителями все гораздо интереснее. Про номинальный рабочий ток и напряжение понятно. А вот дальше все не так просто. При разном уровне перегрузки у них разное время срабатывания. Цифры примерно следующего порядка: 110% номинального тока - 4 часа, 210% - 10 сек, 275% - 2 сек. Тут очень сильно напрягает тот факт, что для варистора указаны параметры в диапазоне до десятков миллисекунд, а тут секунды, и то при достаточно сильных перегрузках...

Интересует как раз таки алгоритм расчета пары предохранитель/варистор таким образом, чтобы при любой перегрузке (в определенных пределах, естественно) из строя выходил именно предохранитель, а не варистор.
Или я что-то в этой кухне не так понимаю?


Вернуться наверх
 
Не в сети
 Заголовок сообщения: Re: Расчёт варистора в сетевой фильтр
СообщениеДобавлено: Ср ноя 14, 2018 08:42:41 
Мучитель микросхем
Аватар пользователя

Карма: 1
Рейтинг сообщений: 30
Зарегистрирован: Ср июн 11, 2014 01:26:40
Сообщений: 439
Рейтинг сообщения: 0
пну мумию
в щитке на лестничной площадке на три квартиры отгорел ноль
1. в пилоте стоял 14D471 - геройски погиб, унося за собой предохранитель, подключенные зарядки не погибли
2. в мультиварке погиб 10D431 - предохранителя не было, зато пожглась дорожка к X2 0.47uF ~275 конденсатору (выжил), далее сетевой транс не пострадал.
3. погибло радио мохнатых ~2003, т.к. никакой защиты, выгорела первичка сетевого трансф.
выжили
1. холодильник,
2. ламповый ТВ в дежурном режиме


К делу не относится:
1. по ходу паяльных работ БП АТХ Dell NPS-110AB 85W (это реально по китайским меркам 200 ватник, на ERL28) перемкнуло вход ~230V (сопля) cгорели два TNR 9G241K установленных последовательно входному сетевому напряжению (после моста), параллельно каждому высоковольтному конденсатору 330uF 200V.
2. Также установленные варисторы сгорели в Hipper R580W, номиналы уже не помню
3. неопределённая ситуация с FSP-400PNR после вышеупомянутого отгорания земли...


Вернуться наверх
 
Эиком - электронные компоненты и радиодетали
Не в сети
 Заголовок сообщения: Re: Расчёт варистора в сетевой фильтр
СообщениеДобавлено: Сб авг 15, 2020 13:04:39 
Нашел транзистор. Понюхал.
Аватар пользователя

Зарегистрирован: Пн янв 24, 2011 01:51:48
Сообщений: 197
Откуда: Украина, Киев
Рейтинг сообщения: 0
подскажите как подобрать диаметр (а точнее рассеиваемую мощность) варистора для предохранителя 0,5А 250В.
варистор должен проработать 10 лет +-


Вернуться наверх
 
Не в сети
 Заголовок сообщения: Re: Расчёт варистора в сетевой фильтр
СообщениеДобавлено: Пн июл 18, 2022 13:52:33 
Открыл глаза
Аватар пользователя

Карма: 6
Рейтинг сообщений: 8
Зарегистрирован: Вт май 10, 2016 15:35:19
Сообщений: 55
Откуда: Санкт-Петербург
Рейтинг сообщения: 0
Приветствую. Так же назрела необходимость защиты дачи от импульсов в электросети во время ударов молний - в первом случае при ударе молнии примерно в 40 метрах от дома сгорел блок питания HDMI разветвителя на два телевизора и одновременно с этим вышел из строя на одном телевизоре сам HDMI вход ( второй вход уцелел), на другой день во время грозы бабахнул варистор в пилоте перед бесперебойником системы видеонаблюдения, автомат на 10 А отключился. При чём во втором эпизоде - питание на пилот шло от электронного стабилизатора напряжения SVEN... Ну может просто совпало с грозой время ему пришло...))) В обоих случаях - ни реле напряжения установленные в доме на каждую фазу, ни штатная положенная грозозащита в водном уличном щите ни как на эти импульсы не отреагировали, чего и следовало ожидать, хорошо хоть реле напряжения не сгорели как у нескольких соседей. Прочитал всю тему - очень познавательно и интересно, спасибо за информацию. Конечно можно в каждую розетку включить предварительно одиночный фильтр питания или пилот с функцией защиты , но считаю это не эффективным по следующим причинам -
1. Качество недорогих китайских фильтров оставляет желать лучшего.
2. Пилоты с клавишей отключения не выдерживают больших нагрузок - кнопки плавятся от чайников и холодильников легко.
3. Хлопотно каждый раз разбирать и менять варистор в фильтре.
4. И самое главное - это не решает вопрос защиты мощных нагревательных приборов с электронным управлением, подключенных без розеток напрямую к линии от щитка ( электроплиты, обогреватели и т.д.)
Искал простое и недорогое решение, что бы даже неподготовленные люди могли устранить последствия таких всплесков в электросети . Придумал следующее - в домашнем щите после вводного автомата ( в моём случае 20А) , ВАЖНО - до реле напряжения - ставится розетка 220 вольт на дин рейку - цена около 200 рублей. В корпус обычной евровилки устанавливается варистор необходимого номинала(должен поместиться) и включается в эту розетку. В случае всплеска во время грозы варистор коротит сеть и вводной автомат на 20 А выключается. Для замены варистора нужно лишь вытащить вилку из розетки и включить другую, с новым варистором. После этого вновь включаем автомат - и вся линейка потребителей вновь под защитой. Стоимость евровилки 80-150 рублей , можно для домочадцев сделать коробочку таких запасных))) Как Вам такой вариант, может я не вижу каких то подводных камней, жду Ваше мнение.
С уважением, Сергей.

_________________
Мои остальные товары -

https://directlot.ru/user.php?id=13364&f=tovary


Вернуться наверх
 
Не в сети
 Заголовок сообщения: Re: Расчёт варистора в сетевой фильтр
СообщениеДобавлено: Пн июл 18, 2022 17:13:50 
Сверлит текстолит когтями

Зарегистрирован: Вт ноя 19, 2019 06:10:18
Сообщений: 1261
Рейтинг сообщения: 0
Почитайте стандарт на защиту, там есть ответы почти на все вопросы.
Защита от молний делается, по-стандарту, трёхуровневой. Варистор в розетке- это последняя ступень, которая зачищает то, что пролезло через две предыдущие. На практике хорошо показало себя решение с питанием оборудования через разделительные трансформаторы, ессно, варисторы с обеих сторон, предохранители и заземлённая экранирующая обмотка. Транс ограничивает проходящую через него мощность, поэтому его брал под нагрузку с минимальным запасом мощности. Кстати, до варисторов, на первой ступени, должны стоять разрядники.


Вернуться наверх
 
Не в сети
 Заголовок сообщения: Re: Расчёт варистора в сетевой фильтр
СообщениеДобавлено: Пн июл 18, 2022 19:49:36 
Друг Кота
Аватар пользователя

Карма: 59
Рейтинг сообщений: 2217
Зарегистрирован: Чт янв 26, 2012 16:44:29
Сообщений: 19452
Откуда: Таксимо
Рейтинг сообщения: 0
Ламповый телевизор в дежурном режиме, это интересно

_________________
Мои поставщики запчастей с отличной репутацией
texnomag.ru
radioremont.com
pl-1.org
4ip.info
elitan.ru


Вернуться наверх
 
Не в сети
 Заголовок сообщения: Re: Расчёт варистора в сетевой фильтр
СообщениеДобавлено: Ср май 01, 2024 17:15:28 
Открыл глаза

Зарегистрирован: Пн фев 09, 2009 22:53:06
Сообщений: 60
Рейтинг сообщения: -7
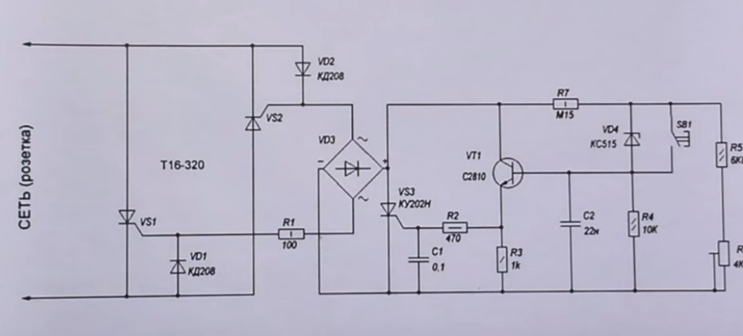
В том-то и дело, что варистор для этого не предназначен! Для этого можно применить мощный тиристор и стабилитрон. (см. схему)

dr.doc, Ваш метод шунтирования нагрузки
при U>270V в эл. сети с помощью тиристора:

Изображение

Реализовал Дмитрий Коржевский в 2019г у себя дома:

Изображение
viewtopic.php?f=11&t=193282

В чем недостатки схемы Д.Коржевского ?

Добавлено after 31 minute 33 seconds:
В нормальных конструкциях предназначенных для эксплуатации в полевых условиях и передвижных источников энергоснабжения применяются реле напряжения и в особо требовательной аппаратуре защита путем закорачиванием источника с помощью тиристора (симистора) и сжигания плавкого предохранителя.

Anatol378, спасибо за ценный практический опыт применения мощного тиристора для блокировки перенапряжения.
Дмитрий Коржевский использовал этот метод,
в отличие от популярного обрыва питания нагрузки.

Упрощенный вариант схемы:

Изображение


Вернуться наверх
 
Не в сети
 Заголовок сообщения: Re: Расчёт варистора в сетевой фильтр
СообщениеДобавлено: Пт май 03, 2024 15:39:06 
Открыл глаза

Зарегистрирован: Пн фев 09, 2009 22:53:06
Сообщений: 60
Рейтинг сообщения: -4
dr.doc писал(а):
В том-то и дело, что варистор для этого не предназначен! Для этого можно применить мощный тиристор и стабилитрон. (см. схему)

И дополнительно самому сделать хорошее заземление и соединить с нулевым проводом. покуда на подстанции не отгорит "0" перенапряжений кроме импульсных (сварка) не будет


N и GND нельзя соединять!

Лучше установить УЗО и супрессор 1.5KE400CA
в диагональ УЗО подключить между L/ GND.

При перенапряжении через супрессор протечет ток
не более 0.03А
https://forum.vegalab.ru/showthread.php?t=23959


Вернуться наверх
 
Не в сети
 Заголовок сообщения: Re: Расчёт варистора в сетевой фильтр
СообщениеДобавлено: Пт май 03, 2024 17:33:41 
Друг Кота

Карма: 67
Рейтинг сообщений: 1964
Зарегистрирован: Сб дек 18, 2021 19:25:32
Сообщений: 12867
Рейтинг сообщения: 0
Где Вы увидели совет соединять N и GND? И почему нельзя?
Вы снова несёте чушь.


Вернуться наверх
 
Не в сети
 Заголовок сообщения: Re: Расчёт варистора в сетевой фильтр
СообщениеДобавлено: Сб июн 08, 2024 10:37:35 
Родился

Зарегистрирован: Сб июн 08, 2024 10:32:56
Сообщений: 6
Рейтинг сообщения: 0
Всем привет, умные люди, подскажите пожалуйста. Имеется тренажер, на плате питания взорванный 400в конденсатор и треснутый варистор 14N431K. Хотя аппарат работает, но что то дико гудит на плате. в районе кондера и варистора темные дорожки и резисторы, понятно грелись, предохранителя нет.
Вопрос, найти не могу 14N, есть варистор 14D431K. Он подойдет? Смущает буква вторая, не пойму что она обозначает.
Спасибо.

п.с Попутно возник вопрос, варистор стоит на входе цепи питания 220в. Перед ним по идее должен стоять предохранитель. Его нет видимо с завода, варистор пробил и тупо выгорели дорожки к нему и все) он просто остался на плате изолирован, как так такая защита может работать?)
И еще вопрос, на сколько ампер поставить предохранитель перед ним, не могу найти потребляемую мощность тренажера. 5А или все же 10? Сработает 10А от варистора? Ссори за глупые вопросы) впервые с этим столкнулся


Вернуться наверх
 
Не в сети
 Заголовок сообщения: Re: Расчёт варистора в сетевой фильтр
СообщениеДобавлено: Сб июн 08, 2024 14:10:42 
Друг Кота
Аватар пользователя

Карма: 116
Рейтинг сообщений: 4501
Зарегистрирован: Пт мар 30, 2012 05:17:29
Сообщений: 16013
Откуда: Екатеринбург
Рейтинг сообщения: 0
Вопрос, найти не могу 14N, есть варистор 14D431K. Он подойдет? Смущает буква вторая, не пойму что она обозначает.
Судя по параметрам из даташитов, подойдёт. Отличается, вероятно, составом. Предохранитель поставьте. Измерить потребляемый ток можно с любым, потом уточните его номинал по результатам замера.

_________________
И хрюкотали зелюки,
Как мюмзики в мове.


Вернуться наверх
 
Не в сети
 Заголовок сообщения: Re: Расчёт варистора в сетевой фильтр
СообщениеДобавлено: Сб июн 08, 2024 14:13:07 
Мучитель микросхем

Карма: 4
Рейтинг сообщений: 162
Зарегистрирован: Вт янв 23, 2024 19:26:30
Сообщений: 490
Откуда: Москва
Рейтинг сообщения: 0
Эта буква (у разных производителей) может означать что угодно. У одних - способность без разрушения поглощать разную энергию (стандарт/высокая энергия/очень высокая энергия) - по сути, параметр, подобный параметру "мощность рассеивания" обычного резистора.
Что они значат в твоем случае - хз, ищи даташит, если известен производитель.
Нов целом, думаю, можешь просто менять - диаметр совпадает (первые две цифры), напряжение срабатывания тоже (430В), а каких-то мощных выбросов энергии в твоем применении ждать не приходится.


Вернуться наверх
 
Не в сети
 Заголовок сообщения: Re: Расчёт варистора в сетевой фильтр
СообщениеДобавлено: Сб июн 08, 2024 14:54:24 
Родился

Зарегистрирован: Сб июн 08, 2024 10:32:56
Сообщений: 6
Рейтинг сообщения: 0
Спасибо ребят, да, даташиты основные параметры одинаковые. По предохранителю, оказывается кнопка питания с защитой, первый раз такую вижу. Два положения reset и off. На ней написано 8А, значит после нее врежу в цепь 8А предохранитель 5*20 обычный в держателе.


Вернуться наверх
 
Не в сети
 Заголовок сообщения: Re: Расчёт варистора в сетевой фильтр
СообщениеДобавлено: Сб июн 08, 2024 15:36:11 
Мучитель микросхем

Карма: 4
Рейтинг сообщений: 162
Зарегистрирован: Вт янв 23, 2024 19:26:30
Сообщений: 490
Откуда: Москва
Рейтинг сообщения: 0
crysis-gra, это не кнопка, это автомат такой. Сомнительное решение, они быстро выходят из строя.


Вернуться наверх
 
Показать сообщения за:  Сортировать по:  Вернуться наверх
Начать новую тему Ответить на тему  [ Сообщений: 116 ]    , , , , , 6

Часовой пояс: UTC + 3 часа


Кто сейчас на форуме

Сейчас этот форум просматривают: нет зарегистрированных пользователей и гости: 32


Вы не можете начинать темы
Вы не можете отвечать на сообщения
Вы не можете редактировать свои сообщения
Вы не можете удалять свои сообщения
Вы не можете добавлять вложения

Найти:
Перейти:  


Powered by phpBB © 2000, 2002, 2005, 2007 phpBB Group
Русская поддержка phpBB
Extended by Karma MOD © 2007—2012 m157y
Extended by Topic Tags MOD © 2012 m157y