Например TDA7294

Форум РадиоКот • Просмотр темы - Мелкие вопросы по теории
Форум РадиоКот
Здесь можно немножко помяукать :)

Текущее время: Пт янв 23, 2026 17:11:08

Часовой пояс: UTC + 3 часа


ПРЯМО СЕЙЧАС:



Начать новую тему Ответить на тему  [ Сообщений: 41941 ]     ... , , , 2097,  
Автор Сообщение
Не в сети
 Заголовок сообщения: Re: Мелкие вопросы по теории
СообщениеДобавлено: Чт дек 25, 2025 18:26:04 
Друг Кота
Аватар пользователя

Карма: 139
Рейтинг сообщений: 2930
Зарегистрирован: Чт янв 10, 2008 22:01:02
Сообщений: 24722
Откуда: Московская область, Фрязино
Рейтинг сообщения: 0
Если подать 220 вольт на часть обмотки, рассчитанную на 160, скорее всего, введётся: едва ли ЛАТР сделан с таким большим запасом.

Условие задачи - сеть 160 Вольт. Выставляем ЛАТР на 160 Вольт и подаем сеть на его выход.
Что тут не так?
ЛАТР- это взаимное устройство. Поэтому не важно где вход и выход. Для получения 220 Вольт в качестве повышайки он абсолютно пригоден.


Вернуться наверх
 
В сети
 Заголовок сообщения: Re: Мелкие вопросы по теории
СообщениеДобавлено: Чт дек 25, 2025 19:05:59 
Собутыльник Кота
Аватар пользователя

Карма: -19
Рейтинг сообщений: -154
Зарегистрирован: Пт янв 03, 2025 16:26:44
Сообщений: 2688
Рейтинг сообщения: 0
Райтер, по условию в сети постоянно 160 В. Если другое, надо просто перевести регулятор в новое положение. Риск ровно такой как ранее когда не было стабилизаторов и появились телевизоры, народ пользовался автотрансформаторами. Там тоже надо было следить за напряжением и вовремя открутить или прикрутить. Тем не менее пользовались же. Все знали, что напряжение подскочит когда кончится хоккей. Притом за этим даже на ГЭС следили, за временем окончания. Выход из синхронизма страшное дело, летит вся сеть на полстраны.

Ни у кого же нет возражений что транс 220/127 можно использовать в любом направлении, любая обмотка может быть первичной любая вторичной. Так и ЛАТР.

_________________
Нет смысла перечислять игнорируемых, пускай догадываются сами по отсутствию ответов. Да и не по фэнь-шую называть их недоброжелателями, это просто глупые люди, число которых, увы, растет.


Вернуться наверх
 
Не в сети
 Заголовок сообщения: Re: Мелкие вопросы по теории
СообщениеДобавлено: Чт дек 25, 2025 19:40:07 
Друг Кота

Карма: 20
Рейтинг сообщений: 820
Зарегистрирован: Пт ноя 02, 2018 16:14:36
Сообщений: 3142
Рейтинг сообщения: 0
КРАМ писал(а):
Условие задачи - сеть 160 Вольт. Выставляем ЛАТР на 160 Вольт и подаем сеть на его выход.
Что тут не так?
Психология. Невнимательно прочитал исходный вопрос: его авторство уже привычно не располагает к чтению.

_________________
Нет ничего практичнее хорошей теории


Вернуться наверх
 
В сети
 Заголовок сообщения: Re: Мелкие вопросы по теории
СообщениеДобавлено: Чт дек 25, 2025 20:02:48 
Собутыльник Кота
Аватар пользователя

Карма: -19
Рейтинг сообщений: -154
Зарегистрирован: Пт янв 03, 2025 16:26:44
Сообщений: 2688
Рейтинг сообщения: 0
Чистосердечное признание облегчает участь. Райтер, ты все подряд из моего читай, не ведись на чужие мнения, это все фрики. 3 статьи про оценку габаритной мощности трансформаторов при отсутствии паспортных данных и невозможности или нежелательности разборки полностью закрыли тему.

_________________
Нет смысла перечислять игнорируемых, пускай догадываются сами по отсутствию ответов. Да и не по фэнь-шую называть их недоброжелателями, это просто глупые люди, число которых, увы, растет.


Вернуться наверх
 
Эиком - электронные компоненты и радиодетали
Не в сети
 Заголовок сообщения: Re: Мелкие вопросы по теории
СообщениеДобавлено: Чт дек 25, 2025 20:52:50 
Друг Кота
Аватар пользователя

Карма: 31
Рейтинг сообщений: 917
Зарегистрирован: Пт сен 10, 2021 15:19:36
Сообщений: 6287
Откуда: Протвино
Рейтинг сообщения: 0
все современное, что потенциально можно запитать через латр, отлично работает и от 160V, а многое из того что маркировано 85-260 уже от 60V норм работает. :music:

ну а стиралку или микроволновку скажем - такоесебе через латр врубать, ... ну чисто теоретически ;)
он хотяб 8A? или 2? ...


Вернуться наверх
 
Не в сети
 Заголовок сообщения: Re: Мелкие вопросы по теории
СообщениеДобавлено: Пт дек 26, 2025 09:21:35 
Друг Кота
Аватар пользователя

Карма: 139
Рейтинг сообщений: 2930
Зарегистрирован: Чт янв 10, 2008 22:01:02
Сообщений: 24722
Откуда: Московская область, Фрязино
Рейтинг сообщения: 0
Группа квазиинженеров на одном форуме сочла, что подключение сети к гнездам выхода ЛАТР при установке регулятора на 160 В и подключении нагрузки к гнездам входа 220 В является неприемлемым оттого как "наоборот".

Что думают по этому поводу коты?

Витюша привычно соврал.
Его послали нах по причинам не относящимся к автотрансформации.
Никто не утверждал, что так работать не будет.


Вернуться наверх
 
В сети
 Заголовок сообщения: Re: Мелкие вопросы по теории
СообщениеДобавлено: Пт дек 26, 2025 09:22:17 
Собутыльник Кота
Аватар пользователя

Карма: -19
Рейтинг сообщений: -154
Зарегистрирован: Пт янв 03, 2025 16:26:44
Сообщений: 2688
Рейтинг сообщения: 0
Другой теор. вопрос - намотка трансформаторов в колхозе. Это таки не отработанное производство с милилоными тиражами, хотя не отрицаю что любителю тоже хоцца сделать лучше и проявить грамотность. Вопрос о секционировании обмоток, что понятно особый гемор - или 2 вывода от обмотки или много секций с их последующим соединением.

При этом столкнулся со случаем, когда переоценивается влияние индуктивности рассеяния. Эта индуктивность максимальна при намотке обмоток одна поверх другой, и теоретически может быть уменьшена до 0 при перемежающихся слоях обмоток% на практике ограничиваются расположением одной обмотки между 2 слоями другой, что уменьшает индуктивность рассеяния в 4 раза.
Но напряжение потерь на инд. расс. не складывается напрямую с прочими потерями. Макс. потери на сопр. обмоток, особенно при большой плотности тока и малом сечении провода, а тут сложение по теореме Пифагора. А есди один катет меньше другого даже в 2 раза, гипотенуза уже незначительно отличается от длины большого катета.
Да и потери на вихревые токи есть. Все это уменьшает влияние рассеяния.

Пускай этим занимаются расчетчики трансформаторов для подстанций, ни в одном расчете для радиолюбителей, притом весьма обстоятельном, не встречался учет рассеяния и даже упоминание о необходимости как можно большего секционирования - расчет один.
При этом потери в обмотках учитываются графиком зависимости от габаритной мощности - и все.
В статье на коте
https://www.radiokot.ru/konkursCatDay2014/05/01.pdf
вообще считается по 5% на каждой из обмоток и баста. На столько уменьшается число витков первичной и увеливается вторичной исходя из простого расчета по коэф. трансформации с пропорциональностью. При этом в более подробных справочниках это коэф. возрастает до 10% при мощности 20 Вт.

При этом в справочниках расчеты далеко не как в книжках 60-х годов для пионеров - рассчитывается сопротивление обмоток (без чего пионеры обходились), параметры диодов выпрямителя и пр.

Так в чем причина замалчивания вопроса для радиолюбителей? Ничтожность величин и поправок при избыточности и сложности расчета? А выпячивают те кто хорошо учился, и рассматривался вопрос в общем случае - для транса 10.000 кВА, где каждые 0,1% обойдутся в миллионы потерь, и переносят свои знания на самопальный транс 100 Вт?

_________________
Нет смысла перечислять игнорируемых, пускай догадываются сами по отсутствию ответов. Да и не по фэнь-шую называть их недоброжелателями, это просто глупые люди, число которых, увы, растет.


Вернуться наверх
 
Не в сети
 Заголовок сообщения: Re: Мелкие вопросы по теории
СообщениеДобавлено: Пт дек 26, 2025 10:06:58 
Друг Кота
Аватар пользователя

Карма: 139
Рейтинг сообщений: 2930
Зарегистрирован: Чт янв 10, 2008 22:01:02
Сообщений: 24722
Откуда: Московская область, Фрязино
Рейтинг сообщения: 0
При этом столкнулся со случаем, когда переоценивается влияние индуктивности рассеяния. Эта индуктивность максимальна при намотке обмоток одна поверх другой, и теоретически может быть уменьшена до 0 при перемежающихся слоях обмоток% на практике ограничиваются расположением одной обмотки между 2 слоями другой, что уменьшает индуктивность рассеяния в 4 раза.
Но напряжение потерь ... бла...бла...бла...

Нет, Витюша, уменьшить индуктивность рассеяния до нуля даже теоретически невозможно.
Для этого бы потребовалось пространственно соединить индуктивно связанные витки - любой их разнос приводит к рассеянию магнитного поля.
Что касается намотки на разных кернах, то ты вроде как обещал измерить рассеяние.
Или,как обычно, соврал и никаких измерений не будет?
:music:


Вернуться наверх
 
Не в сети
 Заголовок сообщения: Re: Мелкие вопросы по теории
СообщениеДобавлено: Пт дек 26, 2025 11:45:58 
Друг Кота
Аватар пользователя

Карма: 116
Рейтинг сообщений: 4518
Зарегистрирован: Пт мар 30, 2012 05:17:29
Сообщений: 16154
Откуда: Екатеринбург
Рейтинг сообщения: 0
ни в одном расчете для радиолюбителей, притом весьма обстоятельном, не встречался учет рассеяния и даже упоминание о необходимости как можно большего секционирования - расчет один.
Снижением индуктивности рассеяния занимаются, и довольно успешно, тёплые ламповые аудиофилы, ибо она влияет на частотные характеристики выходного трансформатора и всего аудиотракта. Для разных питательных устройств важнее снижение межобмоточных емкостей. Ну и, конечно, экранирование между первичными и вторичными обмотками. То и другое противоречит снижению индуктивности рассеяния.

_________________
И хрюкотали зелюки,
Как мюмзики в мове.


Вернуться наверх
 
Не в сети
 Заголовок сообщения: Re: Мелкие вопросы по теории
СообщениеДобавлено: Пт дек 26, 2025 12:22:54 
Друг Кота
Аватар пользователя

Карма: 139
Рейтинг сообщений: 2930
Зарегистрирован: Чт янв 10, 2008 22:01:02
Сообщений: 24722
Откуда: Московская область, Фрязино
Рейтинг сообщения: 0
То и другое противоречит снижению индуктивности рассеяния.

Витюша даже примерно не представляет себе насколько влияет разнесение по разным кернам на рассеяние.
И, что характерно, даже измерить его конкретно на ТС-180 не в состоянии. Двоешник, однако... :facepalm:


Вернуться наверх
 
Не в сети
 Заголовок сообщения: Re: Мелкие вопросы по теории
СообщениеДобавлено: Пт дек 26, 2025 16:58:07 
Друг Кота
Аватар пользователя

Карма: 31
Рейтинг сообщений: 917
Зарегистрирован: Пт сен 10, 2021 15:19:36
Сообщений: 6287
Откуда: Протвино
Рейтинг сообщения: 0
для теплых ламповых аудиофилов можно посоветовать транс мотать витой парой с количеством обмоток = к трансформации, а затем одни провода пар соединять параллельно а другие - последовательно.
аудиофилы они такие, любят всякое эдакое :))


Вернуться наверх
 
Не в сети
 Заголовок сообщения: Re: Мелкие вопросы по теории
СообщениеДобавлено: Вс дек 28, 2025 16:20:11 
Друг Кота

Карма: 20
Рейтинг сообщений: 820
Зарегистрирован: Пт ноя 02, 2018 16:14:36
Сообщений: 3142
Рейтинг сообщения: 0
Для любителей головоломок вопрос: где автор ошибся? Всё читать не обязательно, ошибка близко к началу. А потом автор начинает плясать с бубном, чтобы затолкать её под ковёр.
https://ww1.microchip.com/downloads/en/ ... 00954a.pdf

_________________
Нет ничего практичнее хорошей теории


Вернуться наверх
 
Не в сети
 Заголовок сообщения: Re: Мелкие вопросы по теории
СообщениеДобавлено: Вс дек 28, 2025 17:46:59 
Друг Кота
Аватар пользователя

Карма: 31
Рейтинг сообщений: 917
Зарегистрирован: Пт сен 10, 2021 15:19:36
Сообщений: 6287
Откуда: Протвино
Рейтинг сообщения: 0
HochReiter,
1 . там странный выбор размещения врезки балластов в нейтраль(N) а не в фазу (L)
2. в резистивном балласте зачемто рассеивают вдвое большую мощность вместо применения высоковольтного диода


почемуто также в нетраль пихают "онлайн" бак регуляторы в дэйташитах майкрочипа. вразумительного обьяснения почему так я не встречал (правда и не искал :) )


Вернуться наверх
 
Не в сети
 Заголовок сообщения: Re: Мелкие вопросы по теории
СообщениеДобавлено: Вс дек 28, 2025 19:08:26 
Друг Кота

Карма: 20
Рейтинг сообщений: 820
Зарегистрирован: Пт ноя 02, 2018 16:14:36
Сообщений: 3142
Рейтинг сообщения: 0
AlexS4, нейтраль и фазу можно поменять местами, перевернув вилку, а высоковольтный диод - требуется 5 вольт, а не больше.
Не, там юмор тоньше, но смешнее.

_________________
Нет ничего практичнее хорошей теории


Вернуться наверх
 
Не в сети
 Заголовок сообщения: Re: Мелкие вопросы по теории
СообщениеДобавлено: Пн дек 29, 2025 14:10:39 
Родился

Зарегистрирован: Пн дек 29, 2025 13:26:49
Сообщений: 1
Рейтинг сообщения: 0
Здравствуйте, с наступающим !
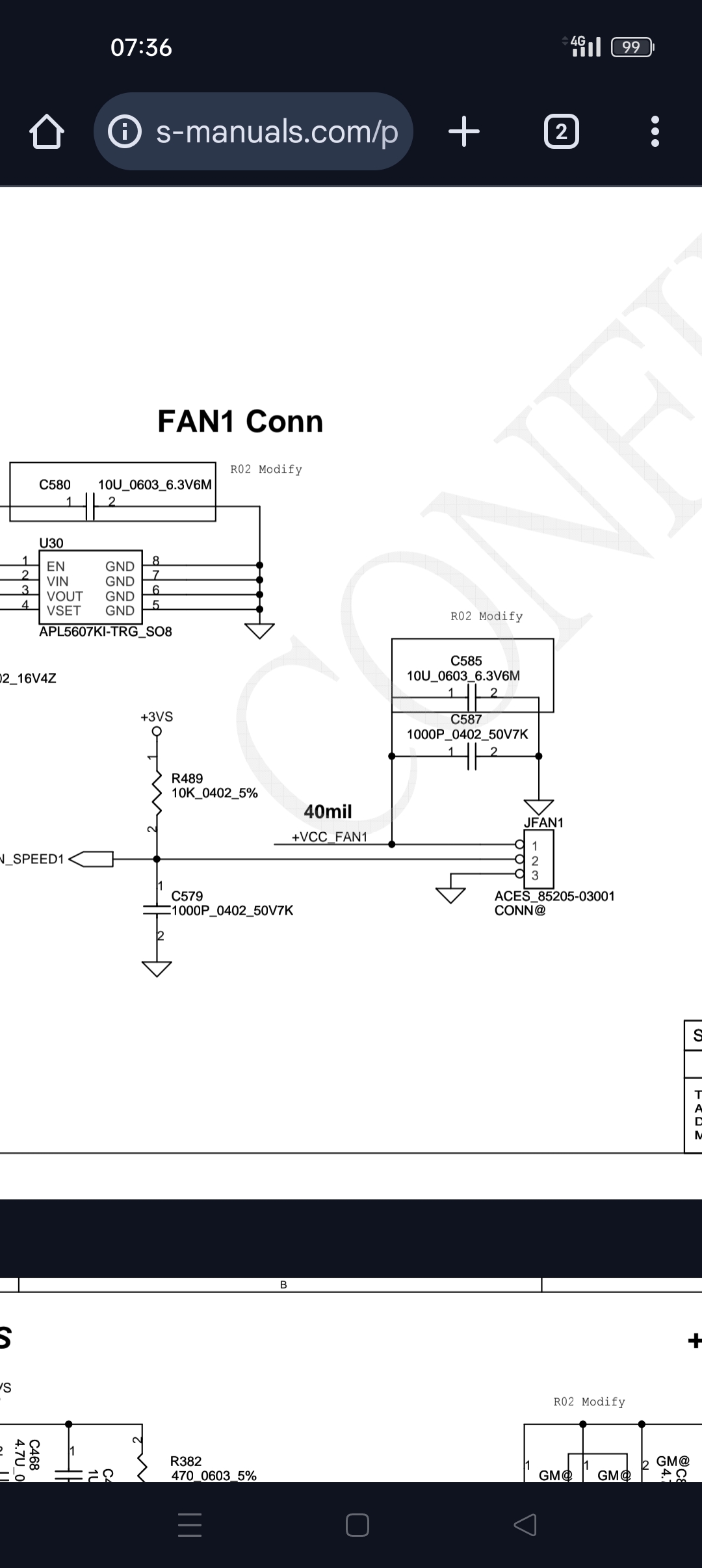
Моддинг системы охлаждения ноутбука подкинул мне задачку. С завода на плате только один разъём питания кулера.
Я установил второй кулер. Припаял паралельно к мк вертушки второй такой же и снял с него нагрузку на 2 кулер.
Первый мк 600 мА охлаждение цпу не греется, почему греется второй мк не пойму. Потребление мизерное в районе 250 мА .
Вертушки одинаковые, мк одинаковые. Но самый главный вопрос есть ли альтернатива этому МК,
ампера на 1-2. Кому не всё равно, подскажите пожалуйста . Я скинул по 20 градусов с каждого кристалла, и хочу чтобы вертушки крутили на автомате и дальше. Не хочу шим регулятор ставить на вторую вертушку. Фото прикладываю.
https://img.radiokot.ru/files/162332/3ycg83dku3.jpg

https://img.radiokot.ru/files/162332/3ycg86t29i.jpg

https://img.radiokot.ru/files/162332/3ycg88m95p.jpg


Вложения:
Screenshot_2025-12-21-07-36-48-53_40deb401b9ffe8e1df2f1cc5ba480b12.jpg [251.71 KiB]
Скачиваний: 21
Вернуться наверх
 
Не в сети
 Заголовок сообщения: Re: Мелкие вопросы по теории
СообщениеДобавлено: Ср дек 31, 2025 09:49:48 
Друг Кота
Аватар пользователя

Карма: 31
Рейтинг сообщений: 917
Зарегистрирован: Пт сен 10, 2021 15:19:36
Сообщений: 6287
Откуда: Протвино
Рейтинг сообщения: 0
HochReiter писал(а):
а высоковольтный диод - требуется 5 вольт, а не больше.

снизить обратку в диоде с 350V до 5V - стоит УДВОЕНИЯ мощщи в резисторном балласте жеж :dont_know:


Вернуться наверх
 
Не в сети
 Заголовок сообщения: Re: Мелкие вопросы по теории
СообщениеДобавлено: Сб янв 03, 2026 09:52:09 
Друг Кота

Карма: 20
Рейтинг сообщений: 820
Зарегистрирован: Пт ноя 02, 2018 16:14:36
Сообщений: 3142
Рейтинг сообщения: 0
AlexS4, я не понял вашей идеи про уменьшение обратки в емкостном балласте.
Юмор там на второй странице, в equation4. Во-первых, сумма сопротивлений R и Xc без учёта фаз. И, во-вторых, ещё интереснее: автор считает среднеквадратичный ток, а не средний.
Дальше он начинает пляски с бубном: считает токи с учётом отклонений входного напряжения, ёмкости и сопротивления, краешком вписывается в результат, полученный для номинальных значений и утверждает, что тем самым доказал правильность теории.

_________________
Нет ничего практичнее хорошей теории


Вернуться наверх
 
Не в сети
 Заголовок сообщения: Re: Мелкие вопросы по теории
СообщениеДобавлено: Сб янв 03, 2026 21:17:56 
Друг Кота
Аватар пользователя

Карма: 31
Рейтинг сообщений: 917
Зарегистрирован: Пт сен 10, 2021 15:19:36
Сообщений: 6287
Откуда: Протвино
Рейтинг сообщения: 0
HochReiter, я говорил только про резистивный балласт! вроде нигде не забывал это прямо отметить ;)

идея в том что нет смысла на резисторе рассеивать неиспользуемую полуволну.

c емкостным балластом конечно такой фокус не пройдет, но там обычно и нет существенной рассеиваемой активной мощности.


а про статейку -забавненько, tbf я сломался уже на месте где стартап диаграммы пошли с разной нагрузкой и "разное" поведение ... , я решил что статью написякал либо ментальный гуманитарий (независимо от формально полученного образования) , либо это одна из первых итераций ИИ по нечетко поставленному заданию. короче для майкрочипа имхо это скорее :facepalm: чем :) :dont_know:


Вернуться наверх
 
Не в сети
 Заголовок сообщения: Re: Мелкие вопросы по теории
СообщениеДобавлено: Чт янв 08, 2026 18:04:08 
Родился

Зарегистрирован: Чт янв 08, 2026 17:41:53
Сообщений: 1
Рейтинг сообщения: 0
подскажите пожалуйста есть компьютерный блок питания Evga 1000w.Не работает сгорел термистор был зеленого цвета маркировка на плате БП 1RT1.Какой это должен быть термистор обозначение? Нашел такой NTC 5D-11 пойдет?


Вернуться наверх
 
Не в сети
 Заголовок сообщения: Re: Мелкие вопросы по теории
СообщениеДобавлено: Пт янв 09, 2026 03:18:25 
Друг Кота

Карма: 20
Рейтинг сообщений: 820
Зарегистрирован: Пт ноя 02, 2018 16:14:36
Сообщений: 3142
Рейтинг сообщения: 0
Рассуждая обучабельно-теоретически: отчего сгорел термистор?

_________________
Нет ничего практичнее хорошей теории


Вернуться наверх
 
Показать сообщения за:  Сортировать по:  Вернуться наверх
Начать новую тему Ответить на тему  [ Сообщений: 41941 ]     ... , , , 2097,  

Часовой пояс: UTC + 3 часа


Кто сейчас на форуме

Сейчас этот форум просматривают: нет зарегистрированных пользователей и гости: 20


Вы не можете начинать темы
Вы не можете отвечать на сообщения
Вы не можете редактировать свои сообщения
Вы не можете удалять свои сообщения
Вы не можете добавлять вложения

Найти:
Перейти:  


Powered by phpBB © 2000, 2002, 2005, 2007 phpBB Group
Русская поддержка phpBB
Extended by Karma MOD © 2007—2012 m157y
Extended by Topic Tags MOD © 2012 m157y