Например TDA7294

Форум РадиоКот • Просмотр темы - Тиристор, симистор. Принцип работы.
Форум РадиоКот
Здесь можно немножко помяукать :)

Текущее время: Вс ноя 30, 2025 11:32:21

Часовой пояс: UTC + 3 часа


ПРЯМО СЕЙЧАС:



Начать новую тему Ответить на тему  [ Сообщений: 268 ]    , , , 4, , , ...  
Автор Сообщение
Не в сети
 Заголовок сообщения: Re: Делаем фонарик с регулируемой яркостью
СообщениеДобавлено: Вс дек 03, 2017 00:22:23 
Нашел транзистор. Понюхал.
Аватар пользователя

Карма: 2
Рейтинг сообщений: 37
Зарегистрирован: Пн дек 10, 2007 12:19:18
Сообщений: 174
Откуда: Санкт-Петербург
Рейтинг сообщения: 0
Резисторы и конденсатор составляют делитель напряжения. Резисторы - верхнее плечо, конденсатор - нижнее. Делитель делит входную синусоиду. Динистор открывается напряжением. Как только синус, разделенный делителем, превысит этот порог - все сработает. Задержка там тоже есть, она в этом месте только на пользу)


Вернуться наверх
 
Не в сети
 Заголовок сообщения: Re: Тиристор, симистор. Принцип работы.
СообщениеДобавлено: Чт фев 08, 2018 18:57:57 
Вымогатель припоя
Аватар пользователя

Зарегистрирован: Вс июн 08, 2008 14:26:20
Сообщений: 607
Откуда: г. Астрахань
Рейтинг сообщения: 0
Здравствуйте. Вот схема плавного пуска электроинструмента. Объясните, пожалуйста, работу симистора T1.
Предположим, имеем полуволну (Ua>Ub). Тогда, чтобы открыть симистор, чтобы ток протекал от условного катода к условному аноду, надо на базу транзистора VT1 приложить положительное напряжение относительно анода диода D1. Транзистор VT1 открывается. Т.к. при данной полуволне потенциал на аноде диода D1 меньше потенциала "a"(или на условном катоде симистора T1), то к управляющему электроду симистору будет приложено отрицательное напряжение(относительно условного катода). Симистор откроется и ток пойдет от условного катода к условному аноду.
Теперь, предположим, имеем другую полуволну (Ub>Ua). Чтобы пропустить ток от условного анода к условному катоду, нужно на управляющий электрод симистора подать положительное напряжение относительно условного катода. Вопрос: как это осуществляется? Транзистор VT1 проводит ток лишь в одном направлении (от коллектора к эмиттеру).
И еще вопрос:
В схеме стоит диод D1. Он обеспечивает пульсирующий ток. Но почему напряжение, на которое рассчитан конденсатор C3 выбрано 50 В? Разве оно не должно быть 310 В?
СпойлерИзображение


Вернуться наверх
 
Не в сети
 Заголовок сообщения: Re: Тиристор, симистор. Принцип работы.
СообщениеДобавлено: Чт фев 08, 2018 21:10:11 
Друг Кота
Аватар пользователя

Карма: 52
Рейтинг сообщений: 2114
Зарегистрирован: Пт ноя 11, 2016 05:48:09
Сообщений: 7055
Откуда: Сердце Пармы
Рейтинг сообщения: 0
Медали: 2
Получил миской по аватаре (2)
а там ещё резистор Р2 так что это только легкая подтяжечка - до 310 в кондей никак не зарядится.

Добавлено after 2 minutes 5 seconds:
прочитай пр квадранты симистора. (если вкратце - отрицатпльным потенциалом на УЭ он открывается при любой полуволне)

_________________
Для тех, кто не учил магию мир полон физики :)
Безграмотно вопрошающим про силовую или высоковольтную электронику я не отвечаю, а то ещё посадят за участие в (само)убиении оболтуса...


Вернуться наверх
 
Не в сети
 Заголовок сообщения: Re: Тиристор, симистор. Принцип работы.
СообщениеДобавлено: Пт фев 09, 2018 11:01:59 
Вымогатель припоя
Аватар пользователя

Зарегистрирован: Вс июн 08, 2008 14:26:20
Сообщений: 607
Откуда: г. Астрахань
Рейтинг сообщения: 0
Т.е. правильно ли я понял, что конденсатор C3 обеспечивает напряжением работу управляющей схемы, и, в частности, функционирование транзистора VT1 при любой полуволне?
Предположим, Ua>Ub. Ток идет от УК до УА; напряжение УЭ-УК<0 Это третий квадрант работы симистора.
Предположим, Ua<Ub. Ток идет от УА до УК; напряжение УЭ-УК<0 Это второй квадрант работы симистора.
Правильно?


Вернуться наверх
 
Эиком - электронные компоненты и радиодетали
Не в сети
 Заголовок сообщения: фазоимпульсный регулятор
СообщениеДобавлено: Пт июн 22, 2018 18:48:01 
Родился

Зарегистрирован: Сб сен 02, 2017 14:11:02
Сообщений: 7
Рейтинг сообщения: 0
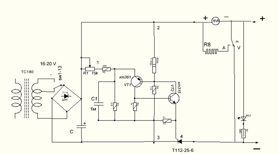
2 вопроса по фазоимпульсным регуляторам: в приведённой схеме, время переключения тиристора зависит от времени заряда конденсатора С1. Стоит подключить конденсатор фильтра С - схема работать перестаёт. Как это влияет на заряд и разряд конденсатора С2?
И второе: если подобный регулятор совместить с выпрямленным напряжением 15 - 18 вольт от импульсного трансформатора (35 - 50 кГц) будет ли работоспособна эта схема?
Вложение:
11.jpg [36.85 KiB]
Скачиваний: 704




Сюда перенес.
Насчет конденсатора "С" почитайте данную тему с самого начала.
aen


Вернуться наверх
 
Не в сети
 Заголовок сообщения: Re: фазоимпульсный регулятор для постоянного напряжения
СообщениеДобавлено: Пт июн 22, 2018 19:10:29 
Друг Кота
Аватар пользователя

Карма: 146
Рейтинг сообщений: 6062
Зарегистрирован: Чт июн 04, 2009 21:06:49
Сообщений: 36292
Откуда: г.Мариинск
Рейтинг сообщения: 0
Медали: 1
Лучший человек Форума 2017 (1)
При подключении конденсатора С напряжение из пульсирующего превращается в постоянное, а у постоянного напряжения нет фазы там есть потенциал. Значит фазоимпульсное регулирование невозможно.
На высокой частоте не будет работать как схема так и тиристор.

_________________
Тем кого не устаревает наличия ошибок в моем тексте, оставляю права не пользоваться моими советами или просто не читать мои сообщения.


Вернуться наверх
 
Не в сети
 Заголовок сообщения: Re: Тиристор, симистор. Принцип работы.
СообщениеДобавлено: Пт июн 22, 2018 19:44:59 
Родился

Зарегистрирован: Сб сен 02, 2017 14:11:02
Сообщений: 7
Рейтинг сообщения: 0
Спасибо, понятно.


Вернуться наверх
 
Не в сети
 Заголовок сообщения: Re: фазоимпульсный регулятор
СообщениеДобавлено: Сб июн 23, 2018 07:08:57 
Прорезались зубы

Карма: 3
Рейтинг сообщений: 4
Зарегистрирован: Вт фев 11, 2014 14:28:13
Сообщений: 210
Откуда: Россия Москва
Рейтинг сообщения: 0
2 вопроса по фазоимпульсным регуляторам:... будет ли работоспособна эта схема?
Вложение:
11.jpg
В приведенной схеме индикатор стрелочный включен неверно. Для переключения режима индикации напряжения/ток - низкоОмный резистор(шунт) ставится последовательно в разрыв выходной цепи, а измерительная головка уже переключается между вторым выводом шунта и балластным сопротивлением (на схеме вообще нет!) идущем от 2ой точки измеряемого напряжения.

Есть множество разных вариантов схем простых тиристорных регуляторов.
Для варианта включения после понижающего 50Гц трансформатора могу поискать более удобную.
Про фильтрующий конденсатор перед регулятором уже верно сказано.
Фильтрацию в таких случаях нужно проводить уже на выходе регулятора. Конденсатор придется ставить очень большой емкости поскольку пульсации на выходе будут зверские.
Перед этим конденсатором большой емкости на выходе нужен сглаживающий элемент(дроссель, резистор) хотябы чтобы не пожечь тиристор.

В импульсных схемах блоков питания применение таких дополнительных регуляторов вцелом нецелесообразно, поскольку собственно схемы импульсных преобразователей позволяют задавать на своих выходах необходимые стабилизированные напряжения/тока.
Например многие переделывают компьютерные АТХ Бп под ЛБП, зарядники аккумуляторов и т.п. просто незначительно изменяя штатную схему.


Вернуться наверх
 
Не в сети
 Заголовок сообщения: Re: фазоимпульсный регулятор
СообщениеДобавлено: Сб июн 23, 2018 11:44:44 
Грызет канифоль

Карма: -3
Рейтинг сообщений: 29
Зарегистрирован: Вт дек 22, 2009 22:09:47
Сообщений: 250
Рейтинг сообщения: 0
Для варианта включения после понижающего 50Гц трансформатора могу поискать более удобную.
Тема есть на форуме.
Называется "Управляемые выпрямители"
https://radiokot.ru:443/forum/viewtopic ... 70#p318170

_________________
Троллей не кормите.


Вернуться наверх
 
Не в сети
 Заголовок сообщения: Re: фазоимпульсный регулятор
СообщениеДобавлено: Вс июн 24, 2018 17:02:16 
Прорезались зубы

Карма: 3
Рейтинг сообщений: 4
Зарегистрирован: Вт фев 11, 2014 14:28:13
Сообщений: 210
Откуда: Россия Москва
Рейтинг сообщения: 0
Stepa Тоже подходящий вариант.
Выходной фильтр(дроссель с отводом и конденсаторами) сложнее, наверное лучше.
Что не построена на редком однопереходном транзисторе либо часто глючных заменителях, несомненно плюс.
Мой вариант из этой же серии но немного другой.
(Привожу первоисточник из Интернет. Выходной фильтр уже сам добавлял, номиналы немного подстраивал под свои условия)
Вложение:
tтва.jpg [30.24 KiB]
Скачиваний: 359


Вернуться наверх
 
Не в сети
 Заголовок сообщения: Re: Тиристор, симистор. Принцип работы.
СообщениеДобавлено: Чт авг 15, 2019 18:23:11 
Встал на лапы

Карма: 1
Рейтинг сообщений: 6
Зарегистрирован: Пт авг 10, 2018 10:48:30
Сообщений: 105
Рейтинг сообщения: 0
Доброго всем вечера.

Имею незначительные знания по теме тиристоров, но задумался о возможной замене магнитного пускателя на тиристорную группу для коммутации асинхронного двигателя мощностью 5 кВт. Возможно ли, и какие проблемы могут быть на этом пути?

И немного теории:
1. Поскольку тиристор выключается в момент нулевого тока, индуктивные элементы в его цепи не должны вызывать броска ЭДС при выключении.
Ну, или эти скачки должны быть маленькими. Правильно ли я понимаю?
2. Как защитить тиристор от грязного сигнала в питающей сети? Я читал, что он может самопроизвольно включиться от dU/dt и dI/dt, стало быть какие-нибудь помехи могут повлиять на работу. Или нет?
3. Какую ВАХ имеет управляющий электрод? То есть, что там что-то "диодообразное" я понимаю, но неясно значение обратного напряжения, которое может его пробить.
4. Правильно ли я понимаю, что для полноценного управления нужно использовать комплект из n- и p-управляемых тиристоров? Кстати не знаю номенклатуры, как правильно их называть?

Вроде бы суть раскрыл, может ещё чего спрошу. А может чушь пишу?


Вернуться наверх
 
Не в сети
 Заголовок сообщения: Re: Тиристор, симистор. Принцип работы.
СообщениеДобавлено: Пт авг 16, 2019 05:06:08 
Друг Кота

Карма: 3
Рейтинг сообщений: 727
Зарегистрирован: Чт окт 20, 2016 13:51:03
Сообщений: 3702
Рейтинг сообщения: 0
Погугли электронные пускатели/твердотельные реле для асинхронных двигателей. Имея даже исчезающе малые знания по тиристорам, но видя цены на готовые устройства, можно представить себе сложность задачи.


Вернуться наверх
 
Не в сети
 Заголовок сообщения: Re: Тиристор, симистор. Принцип работы.
СообщениеДобавлено: Пт авг 16, 2019 06:31:10 
Друг Кота

Карма: 20
Рейтинг сообщений: 814
Зарегистрирован: Пт ноя 02, 2018 16:14:36
Сообщений: 3084
Рейтинг сообщения: 0
1. В момент нулевого тока броски напряжения тоже будут нулевыми.
2. Устраняется RC-снаббером.
3-4. Самое практичное - управлять мощным тиристором/симистором при помощи оптосимистора. Посмотрите типовую схему включения MOC3041, например.
5. Чем не устраивает магнитный пускатель?

_________________
Нет ничего практичнее хорошей теории


Вернуться наверх
 
Не в сети
 Заголовок сообщения: Re: Тиристор, симистор. Принцип работы.
СообщениеДобавлено: Пт авг 16, 2019 18:45:54 
Встал на лапы

Карма: 1
Рейтинг сообщений: 6
Зарегистрирован: Пт авг 10, 2018 10:48:30
Сообщений: 105
Рейтинг сообщения: 0
...электронные пускатели/твердотельные реле для асинхронных двигателей...

Твердотельные реле вроде не на тиристорах, а на полевиках со встроенной оптопарой.
Может быть мне кажется, но эти реле не заточены под индуктивную нагрузку.

HochReiter писал(а):
2. Устраняется RC-снаббером.
3-4. Самое практичное - управлять мощным тиристором/симистором при помощи оптосимистора. Посмотрите типовую схему включения MOC3041, например.
5. Чем не устраивает магнитный пускатель?

Я так понимаю, фильтровать придётся силовую часть. Какой тип фильтра считаете более приемлемым по габаритам или цене?

Почему? Когда нужно дать сигнал на открытие, оптосимистору самому открывать будет нечего.
Но я нигде вот не нашёл тестов именно управляющего электрода. Обычно везде пишут про ВАХ силовых выводов.

Не компактно, а потом хочу потренироваться, так как в перспективе может быть придётся связываться с приводами в пыльных помещениях. Пускатели плохо работают по ресурсу, а частотники дико кусаются по цене.

Спасибо.


Вернуться наверх
 
Не в сети
 Заголовок сообщения: Re: Тиристор, симистор. Принцип работы.
СообщениеДобавлено: Пт авг 16, 2019 20:09:31 
Друг Кота

Карма: 20
Рейтинг сообщений: 814
Зарегистрирован: Пт ноя 02, 2018 16:14:36
Сообщений: 3084
Рейтинг сообщения: 1
Вы таки посмотрИте даташит оптосимистора MOC3041 или другого подобного. Штука это маломощная и в 99% случаев используется для управления мощным симистором. ПосмОтрите - половина вопросов отпадёт. ТТХ управляющего электрода можно будет не заморачиваться.

_________________
Нет ничего практичнее хорошей теории


Вернуться наверх
 
Не в сети
 Заголовок сообщения: Re: Тиристор, симистор. Принцип работы.
СообщениеДобавлено: Сб авг 17, 2019 01:18:05 
Друг Кота

Карма: 3
Рейтинг сообщений: 727
Зарегистрирован: Чт окт 20, 2016 13:51:03
Сообщений: 3702
Рейтинг сообщения: 0
Может быть мне кажется, но эти реле не заточены под индуктивную нагрузку.

Вот такая у них заточка: http://caxapa.ru/thumbs/127977/%EE%EF%E ... %E8%E5.pdf


Вернуться наверх
 
Не в сети
 Заголовок сообщения: Re: Тиристор, симистор. Принцип работы.
СообщениеДобавлено: Вс авг 18, 2019 15:58:37 
Родился

Карма: 4
Рейтинг сообщений: 0
Зарегистрирован: Пт сен 05, 2008 20:43:30
Сообщений: 6
Рейтинг сообщения: 0
Не компактно,

Спасибо.

Учитывая размеры охладителей для тиристоров, размеры меньше не будут.


Вернуться наверх
 
Не в сети
 Заголовок сообщения: Re: Тиристор, симистор. Принцип работы.
СообщениеДобавлено: Ср окт 02, 2019 07:30:37 
Родился

Зарегистрирован: Вт окт 01, 2019 14:05:12
Сообщений: 2
Рейтинг сообщения: 0
Скажите, а можно тиристор здесь поставить и будет ли он закрываться?


Вложения:
IMG-e1e0b9e7fb065095c3ac499913472094-V.jpg [96.49 KiB]
Скачиваний: 370
Вернуться наверх
 
Не в сети
 Заголовок сообщения: Re: Тиристор, симистор. Принцип работы.
СообщениеДобавлено: Ср окт 02, 2019 08:04:10 
Друг Кота

Карма: 20
Рейтинг сообщений: 814
Зарегистрирован: Пт ноя 02, 2018 16:14:36
Сообщений: 3084
Рейтинг сообщения: 0
Не закроется, дроссель не даст. Можно поставить два тиристора вместо двух диодов выпрямительного моста. Вернее, вместо двенадцати, они там по шесть впараллель.

_________________
Нет ничего практичнее хорошей теории


Вернуться наверх
 
Не в сети
 Заголовок сообщения: Re: Тиристор, симистор. Принцип работы.
СообщениеДобавлено: Ср окт 02, 2019 08:18:31 
Друг Кота

Карма: 68
Рейтинг сообщений: 1408
Зарегистрирован: Сб янв 29, 2011 00:28:48
Сообщений: 7774
Рейтинг сообщения: 0
с дросселем и мост не закрывается....)))


Вернуться наверх
 
Показать сообщения за:  Сортировать по:  Вернуться наверх
Начать новую тему Ответить на тему  [ Сообщений: 268 ]    , , , 4, , , ...  

Часовой пояс: UTC + 3 часа


Кто сейчас на форуме

Сейчас этот форум просматривают: нет зарегистрированных пользователей и гости: 37


Вы не можете начинать темы
Вы не можете отвечать на сообщения
Вы не можете редактировать свои сообщения
Вы не можете удалять свои сообщения
Вы не можете добавлять вложения

Найти:
Перейти:  


Powered by phpBB © 2000, 2002, 2005, 2007 phpBB Group
Русская поддержка phpBB
Extended by Karma MOD © 2007—2012 m157y
Extended by Topic Tags MOD © 2012 m157y