Например TDA7294

Форум РадиоКот • Просмотр темы - Каскад с общим эмиттером.
Форум РадиоКот
Здесь можно немножко помяукать :)

Текущее время: Пт окт 03, 2025 11:40:12

Часовой пояс: UTC + 3 часа


ПРЯМО СЕЙЧАС:



Начать новую тему Ответить на тему  [ Сообщений: 905 ]     ... , , , 39, , , ...  
Автор Сообщение
Не в сети
 Заголовок сообщения: Re: Каскад с общим эмиттером.
СообщениеДобавлено: Ср июл 25, 2018 05:59:04 
Грызет канифоль

Зарегистрирован: Вс май 20, 2018 19:09:06
Сообщений: 252
Рейтинг сообщения: 0
Огромное сопротивление получается 192кОм


Вот в этом моменте я однозначно поверил что это входное сопротивление каскада. А оказывается это было часть его. И оно не огромное а 10,6 кОм.

Добавлено after 9 minutes 31 second:
А весь расчёт идёт согласно этой схемы?


Вложения:
07.gif [1.85 KiB]
Скачиваний: 473
Вернуться наверх
 
Не в сети
 Заголовок сообщения: Re: Каскад с общим эмиттером.
СообщениеДобавлено: Сб июл 28, 2018 10:53:34 
Грызет канифоль

Зарегистрирован: Вс май 20, 2018 19:09:06
Сообщений: 252
Рейтинг сообщения: 0
46 кОм || 15 кОм = 11,3 кОм
1,2 кОм * 150 = 180 кОм
Разница на порядок. Rэ можно уменьшить в 10 раз. При этом входное сопротивление снизится с 11,3 кОм || 180 кОм = 10,6 кОм до 11,3 кОм || 18 кОм = 6,94 кОм, то есть меньше, чем в 2 раза, а усиление каскада при этом возрастёт в 10 раз. Это называется наилучший компромисс. Хотя опять же, всё зависит от того, какую техническую задачу вы перед собой поставили.


Расчет вёлся из усиления каскада 150, а если уменьшим Rэ в 10 раз, то усиление каскада возрастёт в десять раз то получается 1500? что то цифра гиганская получается не увязывается с даташитовской 400?


Вернуться наверх
 
Не в сети
 Заголовок сообщения: Re: Каскад с общим эмиттером.
СообщениеДобавлено: Сб июл 28, 2018 12:17:34 
Собутыльник Кота
Аватар пользователя

Карма: 28
Рейтинг сообщений: 757
Зарегистрирован: Сб ноя 13, 2010 12:53:25
Сообщений: 2896
Откуда: приходит весна?
Рейтинг сообщения: 0
...не увязывается с даташитовской 400?
Как называется в даташите эта величина?


Вернуться наверх
 
Не в сети
 Заголовок сообщения: Re: Каскад с общим эмиттером.
СообщениеДобавлено: Сб июл 28, 2018 12:19:13 
Грызет канифоль

Зарегистрирован: Вс май 20, 2018 19:09:06
Сообщений: 252
Рейтинг сообщения: 0
Коэффициент усиления транзистора по току .


Вернуться наверх
 
Не в сети
 Заголовок сообщения: Re: Каскад с общим эмиттером.
СообщениеДобавлено: Сб июл 28, 2018 13:00:10 
Собутыльник Кота
Аватар пользователя

Карма: 28
Рейтинг сообщений: 757
Зарегистрирован: Сб ноя 13, 2010 12:53:25
Сообщений: 2896
Откуда: приходит весна?
Рейтинг сообщения: 0
Надеюсь, вы понимаете, что эта величина зависит исключительно от экземпляра транзистора и совершенно не зависит от того, в каком каскаде он используется?


Вернуться наверх
 
Не в сети
 Заголовок сообщения: Re: Каскад с общим эмиттером.
СообщениеДобавлено: Сб июл 28, 2018 13:29:46 
Грызет канифоль

Зарегистрирован: Вс май 20, 2018 19:09:06
Сообщений: 252
Рейтинг сообщения: 0
Интересная штука получается если ток базы 2мкА а ток коллектора 2мА коэффициент 1000, а если ток базы 200мкА а ток коллектора 2мА коэффициент 10. Вроде коэффициент больше Но важнее верхняя планка то что идёт в нагрузку. что даёт мне уменьшение нижней планки и этот больший коэффициент?


Вернуться наверх
 
Не в сети
 Заголовок сообщения: Как так ток
СообщениеДобавлено: Сб авг 18, 2018 23:30:34 
Родился
Аватар пользователя

Зарегистрирован: Сб авг 18, 2018 22:16:26
Сообщений: 10
Рейтинг сообщения: 0
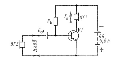
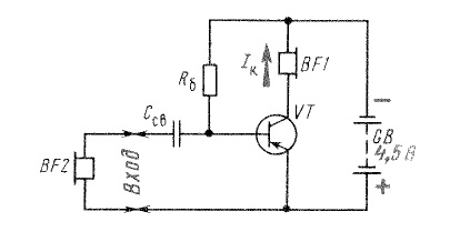
Здравстуйте Уважаемые Форумчане!

Не могу понять, где снимать усиленный сигнал от транзистора по схеме ОЭ.

Здесь Борисов описывает, что усиленный ток (т.е. сигнал ) мы снимаем между коллектором транзистора (p-n-p) и минусом источника напряжения

Изображение

Вот , что пишет Борисов что усиленный сигнал нужно снимать с коллектора и эмиттера

Изображение



Друзья , Так где же правда?
Вложение:
111.jpg [15.97 KiB]
Скачиваний: 1038
Вложение:
222.jpg [14.11 KiB]
Скачиваний: 1216




Сюда перенес.
Правда в обоих случаях, т.к. для сигнала сопротивление батарейки в теории равно нулю, т.е. для сигната точки "+" и "-" батарейки, это одна и та же точка.
Изображение
А в реальных схемах источник питания всегда еще шунтируют блокировочным конденсаторои большой емкости имеющим для сигнала очень маленьким сопротивлением.
aen


Добавлено after 51 minute 46 seconds:
Re: Каскад с общим эмиттером.
Спасибо сейчас попробую обмозговать!


Вернуться наверх
 
Не в сети
 Заголовок сообщения: Re: Каскад с общим эмиттером.
СообщениеДобавлено: Вс авг 19, 2018 14:16:40 
Родился
Аватар пользователя

Зарегистрирован: Сб авг 18, 2018 22:16:26
Сообщений: 10
Рейтинг сообщения: 0
вообщем один контакт к коллектору, а другой выход куда угодно? так что ли?


Вернуться наверх
 
Не в сети
 Заголовок сообщения: Re: Каскад с общим эмиттером.
СообщениеДобавлено: Вс авг 19, 2018 14:37:15 
Вымогатель припоя
Аватар пользователя

Карма: 12
Рейтинг сообщений: 174
Зарегистрирован: Ср мар 31, 2010 05:59:14
Сообщений: 680
Рейтинг сообщения: 0
а другой выход куда угодно? так что ли?
Что бы измерить сигнал, то куда угодно.
Сигнал к примеру в усилителе низкой частоты, это же переменное напряжение.
Выше же писали, что сопротивление батарейки для сигнала имеет нулевое сопротивление, поэтому, что бы посмортеть сигнал, нужно один вывод измерительного прибора измеряющего переменное напряжение сигнала подключить к "КОЛЛЕКТОРУ", а второй вывод или к точке "А" или к точке "Б"

Изображение

По сути для сигнала, в виду нулевого сопротивления батарейки, это одна и та же точка, поэтому все равно куда подключать второй провод измерительного прибора, к плюсу батареи или к минусу.


Вложения:
1.png [13.08 KiB]
Скачиваний: 1144
Вернуться наверх
 
Не в сети
 Заголовок сообщения: Re: Каскад с общим эмиттером.
СообщениеДобавлено: Вс авг 19, 2018 18:03:01 
Родился
Аватар пользователя

Зарегистрирован: Сб авг 18, 2018 22:16:26
Сообщений: 10
Рейтинг сообщения: 0
Большое Спасибо! Все ясно и понятно!

Добавлено after 2 minutes 17 seconds:
Схемка супер сразу визуально легко понимать!


Вернуться наверх
 
Не в сети
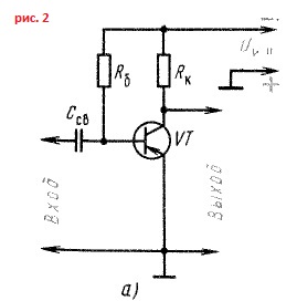
 Заголовок сообщения: Re: Мелкие вопросы по теории
СообщениеДобавлено: Пт сен 28, 2018 18:13:36 
Родился

Зарегистрирован: Ср авг 15, 2018 08:25:24
Сообщений: 5
Рейтинг сообщения: 0
Здравствуйте!
Изучаю работу усилителя на биполярном транзисторе с общим эмиттером.
Для задания тока смещения на базу подается напряжение (через резистор R1 на схеме)- это я понимаю.
А вот зачем нужен резистор R2?
Ведь мы можем задать нужное значение резистора R1, чтобы ограничить ток, и ток спокойно будет стекать через коллектор. Ведь для того чтобы ток смещения открыл транзистор он просто обязан проходить через транзистор и выходить через коллектор.
Объясните пожалуйста, зачем нужен резистор R2.
Изображениет


Вернуться наверх
 
Не в сети
 Заголовок сообщения: Re: Мелкие вопросы по теории
СообщениеДобавлено: Пт сен 28, 2018 19:22:32 
Друг Кота
Аватар пользователя

Карма: 116
Рейтинг сообщений: 4486
Зарегистрирован: Пт мар 30, 2012 05:17:29
Сообщений: 15603
Откуда: Екатеринбург
Рейтинг сообщения: 0
Через резистор R1 в базу будет подан ток. А с делителя на базу будет подано напряжение. Чувствуете разницу? Можно, конечно, подавать напряжение и через один резистор, только в этом случае напряжение потребуется заметно меньше коллекторного. Не ставить же стабилизатор для смещения.
А ток подавать в базу - это неправильно, стабильности не будет. Коллекторный ток, конечно, зависит от базового, но не только от него. От температуры, к примеру. Изменится температура - изменится коллекторный ток, уплывёт рабочая точка. Оно надо? Другое дело, если напряжение на базе фиксировано. Смотрите схему: напряжение на базе задано - значит, и на эмиттере оно тоже известно какое. А раз так, то и ток эмиттерный определён. А коллекторный ток практически равен эмиттерному. Заметьте, нигде не упомянут коэффициент передачи тока. Получается, рабочая точка от него не зависит. На самом деле зависит, но довольно слабо.
Изложено с опусканием некоторых деталей, на самом деле несколько не так, но в первом приближении это можно не учитывать.

_________________
Алi мент або не мент?
Це - мент!


Вернуться наверх
 
Не в сети
 Заголовок сообщения: Re: Мелкие вопросы по теории
СообщениеДобавлено: Пт сен 28, 2018 21:33:41 
Модератор
Аватар пользователя

Карма: 162
Рейтинг сообщений: 2417
Зарегистрирован: Пн июл 07, 2008 10:46:09
Сообщений: 10733
Откуда: Россия
Рейтинг сообщения: 0
Объясните пожалуйста, зачем нужен резистор R2.

Читайте тему с самого начала...
Ну и... https://sunduk.radiokot.ru/loadfile/?load_id=1338641318

_________________
Если хотите, чтобы жизнь улыбалась вам, подарите ей своё хорошее настроение


Вернуться наверх
 
Не в сети
 Заголовок сообщения: Re: Мелкие вопросы по теории
СообщениеДобавлено: Пт сен 28, 2018 22:04:03 
Вымогатель припоя
Аватар пользователя

Карма: 12
Рейтинг сообщений: 174
Зарегистрирован: Ср мар 31, 2010 05:59:14
Сообщений: 680
Рейтинг сообщения: 0
зачем нужен резистор R2?
У Вас на схеме каскад с общим эмиттером и стабилизацией режима транзистора по постоянноу току за счет отрицательной обратной связи по ТОКУ.
Сигнал обратной связи берется с эмиттера и поступает на базу.

Изображение

Цепь для постоянного тока нарисовал красным.

Теперь еще раз прочитайте:
Стабилизация режима транзистора за счет отрицательной обратной связи по постоянному ТОКУ.
Но ток может протекать только по замкнутой цепи.


Теперь сами можете увидеть, что если убрать R2, то цепь для тока обратной связи по постоянному току будет разорван.
Т.е. отрицательной связи по постоянному току не будет, а значит и стабилизации режима транзистора по постоянному току тоже не будет.

Конечно если подходить строго она будет, но очень ослабленная, а значит и режим стабилизироваться будет плохо, но просто на данный момент нет смысла Вас запутать совсем.

Есть еще один способ стабилизации режима транзистора.

Стабилизация режима транзистора с помощью отрицательной обратной связи по НАПРЯЖЕНИЮ.

Изображение

Так вот в при таком способе стабилизации режима транзистора подобный резистор не нужен.
Хотя его можно поставить, но он просто ухудшит стабилизацию режима транзистора.

Если нужно подробнее, то


Вложения:
1.GIF [14.25 KiB]
Скачиваний: 1063
1.png [18.36 KiB]
Скачиваний: 1053
Вернуться наверх
 
Не в сети
 Заголовок сообщения: Re: Каскад с общим эмиттером.
СообщениеДобавлено: Сб сен 29, 2018 22:18:34 
Родился

Зарегистрирован: Ср авг 15, 2018 08:25:24
Сообщений: 5
Рейтинг сообщения: 0
Спасибо!
Не могу сказать что я что-то понял, но буду теперь читать тему, методичку и разбираться.


Вернуться наверх
 
Не в сети
 Заголовок сообщения: Re: Мелкие вопросы по теории
СообщениеДобавлено: Вс сен 30, 2018 00:00:42 
Вымогатель припоя
Аватар пользователя

Карма: 12
Рейтинг сообщений: 174
Зарегистрирован: Ср мар 31, 2010 05:59:14
Сообщений: 680
Рейтинг сообщения: 0
Не могу сказать что я что-то понял
Там основная мысль.
ток может протекать только по замкнутой цепи.
Вы этого не понимаете?
Изображение

Теперь сами можете увидеть, что если убрать R2, то цепь для тока обратной связи по постоянному току будет разорван.
Т.е. отрицательной связи по постоянному току не будет, а значит и стабилизации режима транзистора по постоянному току тоже не будет.

Изображение


Вложения:
1.GIF [10.63 KiB]
Скачиваний: 1007
Вернуться наверх
 
Не в сети
 Заголовок сообщения: Re: Каскад с общим эмиттером.
СообщениеДобавлено: Вс сен 30, 2018 06:13:23 
Это не хвост, это антенна

Карма: 7
Рейтинг сообщений: 148
Зарегистрирован: Пт янв 01, 2016 13:00:20
Сообщений: 1453
Откуда: Москва
Рейтинг сообщения: 1
R2 ни какую отрицательную связь не дает, совместно с R1 он создает фиксированное смещение, которое в меньшей степени гуляет в зависимости от питания чем без него. Отриц связь дает Rэ. Сами-то определитесь, какая связь называется отрицательной для начала. Там, где питание стабильно R1 даже в промышленных схемах не всегда ставят., без него входное Z больше.


Вернуться наверх
 
Не в сети
 Заголовок сообщения: Re: Каскад с общим эмиттером.
СообщениеДобавлено: Вс сен 30, 2018 09:47:29 
Друг Кота
Аватар пользователя

Карма: 110
Рейтинг сообщений: 6673
Зарегистрирован: Пт авг 14, 2015 14:25:02
Сообщений: 11291
Откуда: Одесса - мама
Рейтинг сообщения: 0
Без R1 смещения ваще не будет. Может R2 Вы имели ввиду?

_________________
90% времени уходит на отыскание неисправности,остальное - ждать когда нагреется паяльник! :)


Вернуться наверх
 
Не в сети
 Заголовок сообщения: Каскад с общим эмиттером.
СообщениеДобавлено: Пн апр 22, 2019 18:45:46 
Родился

Зарегистрирован: Пн апр 22, 2019 17:56:54
Сообщений: 1
Рейтинг сообщения: 0
Здравствуйте!
Подскажите, в схеме активного фильтра применяется эмиттерный повторитель (с общим коллектором)?
Или , как я понимаю, применяется схема с общим эмиттером (т.к. база и эмиттер связаны по схеме) ?


Вложения:
Безымянный.png [13.04 KiB]
Скачиваний: 578
Вернуться наверх
 
Не в сети
 Заголовок сообщения: Re: Каскад с общим эмиттером.
СообщениеДобавлено: Пн апр 22, 2019 20:09:01 
Вымогатель припоя
Аватар пользователя

Карма: 12
Рейтинг сообщений: 174
Зарегистрирован: Ср мар 31, 2010 05:59:14
Сообщений: 680
Рейтинг сообщения: 1
Здесь классическая схема с ОК.
в теории сопротивление источника напряжения ДЛЯ СИГНАЛА равно нулю, а на практике параллельно источнику питания ОБЯЗАТЕЛЬНО ставят блокирующий конденсатор именно для того, что бы точки плюс и минус ДЛЯ СИГНАЛА тоже и на ПРАКТИКЕ были эквипотенциальные.

Исходя из этого например становится ясно, почему "классический" эмиттерный повторитель является схемой с общим коллектором, что тоже некоторых часто вводит "в ступор"

Изображение

ОК - входной сигнал подается между базой и коллектором, а выходной снимается между эмиттером и коллектором, т.е. КОЛЛЕКТОР общий и для входного сигнала и для выходного.

Отсюда заодно понятно, почему в практических схемах ОБЯЗАТЕЛЬНО ставят блокировочные конденсаторы учитывая, что на ПРАКТИКЕ внутреннее сопротивление источника питания все таки не нулевое.


Вернуться наверх
 
Показать сообщения за:  Сортировать по:  Вернуться наверх
Начать новую тему Ответить на тему  [ Сообщений: 905 ]     ... , , , 39, , , ...  

Часовой пояс: UTC + 3 часа


Кто сейчас на форуме

Сейчас этот форум просматривают: victor1956 и гости: 51


Вы не можете начинать темы
Вы не можете отвечать на сообщения
Вы не можете редактировать свои сообщения
Вы не можете удалять свои сообщения
Вы не можете добавлять вложения

Найти:
Перейти:  


Powered by phpBB © 2000, 2002, 2005, 2007 phpBB Group
Русская поддержка phpBB
Extended by Karma MOD © 2007—2012 m157y
Extended by Topic Tags MOD © 2012 m157y