Например TDA7294

Форум РадиоКот • Просмотр темы - Проверка часового резонатора.
Форум РадиоКот
Здесь можно немножко помяукать :)

Текущее время: Вс янв 25, 2026 14:33:42

Часовой пояс: UTC + 3 часа


ПРЯМО СЕЙЧАС:



Начать новую тему Ответить на тему  [ Сообщений: 59 ]  1, ,  
Автор Сообщение
Не в сети
 Заголовок сообщения: Проверка часового резонатора.
СообщениеДобавлено: Вс июл 24, 2016 09:45:52 
Сверлит текстолит когтями
Аватар пользователя

Карма: 13
Рейтинг сообщений: 73
Зарегистрирован: Пн янв 25, 2016 10:19:15
Сообщений: 1238
Рейтинг сообщения: 0
Здравствуйте.
Выписал с доставкой кварцевые резонаторы, и есть опасение, что они могут быть повреждены при транспортировке. Прочитал про тестирование этих элементов, в основном везде используют осциллограф, которого у меня нет. Однако, читая о том, как работает кварц, понял что если на него подавать импульсы, с частотой, равной рабочей частоте кварцевого резонатора, то амплитуда таких сигналов будет больше, на других же частотах, у резонатора будет больше сопротивление.

Пришла мысль подключить кварцевый резонатор к выводам микроконтроллера, с которого можно подавать импульсы нужной частоты, а так же добавить параллельно вольтметр, чтобы проверять напряжение при данной частоте. Имеет ли такая идея право на существование и будет ли она эффективна?

P. S. Знаю, что возможно изобретаю велосипед, но пока ничего другого в голову не пришло, а проверить все же хотелось бы :)


Последний раз редактировалось aen Вт янв 17, 2017 21:58:56, всего редактировалось 5 раз(а).
В названии темы добавил слово "часового", что бы не было путаницы.


Вернуться наверх
 
Не в сети
 Заголовок сообщения: Re: Проверка кварцевого резонатора
СообщениеДобавлено: Вс июл 24, 2016 10:15:55 
Держит паяльник хвостом
Аватар пользователя

Карма: 42
Рейтинг сообщений: 393
Зарегистрирован: Ср июн 27, 2007 17:09:12
Сообщений: 970
Рейтинг сообщения: 6
divisоr писал(а):
кварцевые резонаторы, и есть опасение, что они могут быть повреждены при транспортировке
Лучше прямо и пишите, что Вам заняться нечем. :)
Я имел дело с десятками сотен, а может и тысячами кварцев и за все время мне попалось не больше десятка неисправных кварцев, а некоторые из них были аж из 50-х годов прошлого столетия.
Малоактивные попадались чаще, а вот неисправных после транспортировки не замечал.

А если уж на самом деле нечем заняться, то собирайте такую схему и смотрите есть ли генерация.
Данная схема не предназначена для часовых кварцев.

Изображение

При проверке разных кварцев нужно корректировать конденсаторы С1 и С2. Они одинаковые.
Они вычисляются по формуле.
Особой точности не нужно. Разница в два раза обычно роли не играет.

С=1000/Fкв

Где "С" в пикофарадах
Fкв - частота основной гармоники кварца в мегагерцах.

Если кварцы с частотой не более 20 МГц, то транзистор можно поставить КТ3102


Вложения:
1.JPG [12.94 KiB]
Скачиваний: 16504
Вернуться наверх
 
Не в сети
 Заголовок сообщения: Re: Проверка кварцевого резонатора
СообщениеДобавлено: Вс июл 24, 2016 10:33:03 
Сверлит текстолит когтями
Аватар пользователя

Карма: 13
Рейтинг сообщений: 73
Зарегистрирован: Пн янв 25, 2016 10:19:15
Сообщений: 1238
Рейтинг сообщения: 0
Денис, спасибо.

Заняться есть чем, опыта нет, вот и боюсь что поставлю, а он не рабочий, а я об этом даже и не узнаю.

Так и не нашел информацию, по тому, что будет если уронить кварцевый резонатор - обрыв цепи, или искажение рабочей частоты, а так же, какое будет поведение у схемы, если кварц в ней неисправный?

Буду очень благодарен за ответы :)


Вернуться наверх
 
Не в сети
 Заголовок сообщения: Re: Проверка кварцевого резонатора
СообщениеДобавлено: Вс июл 24, 2016 12:07:58 
Держит паяльник хвостом
Аватар пользователя

Карма: 42
Рейтинг сообщений: 393
Зарегистрирован: Ср июн 27, 2007 17:09:12
Сообщений: 970
Рейтинг сообщения: 1
divisоr писал(а):
какое будет поведение у схемы, если кварц в ней неисправный?
Схемотехнику начинают изучать не с кварцев, а с основ.
divisоr писал(а):
поведение у схемы
Какой схемы то?
Кварц может стоять в генераторах, в фильтрах, в датчиках и т.д., поэтому нужно анализировать работу схемы в которой стоит кварц, а не кварц отдельно.

А про кварцы в генераторах на простом языке, специально для начинающих можно здесь почитать.
http://radiokot.ru/start/analog/practice/07/
А потом переходить к более серьезным книжкам, ссылки на которые даны в той же статье.


Вернуться наверх
 
Эиком - электронные компоненты и радиодетали
Не в сети
 Заголовок сообщения: Re: Проверка кварцевого резонатора
СообщениеДобавлено: Вс июл 24, 2016 12:19:13 
Сверлит текстолит когтями
Аватар пользователя

Карма: 13
Рейтинг сообщений: 73
Зарегистрирован: Пн янв 25, 2016 10:19:15
Сообщений: 1238
Рейтинг сообщения: 0
Денис, схемотехнику я изучаю путем решения задач для себя, так же читаю документацию по соответствующим темам.

Кварцевый резонатор у меня используется вместе с микросхемой часов реального времени. Без него, они начинают отставать.

Поэтому интересно, что будет если поставлю нерабочий кварц, и как это повлияет на схему...


Вернуться наверх
 
Не в сети
 Заголовок сообщения: Re: Проверка кварцевого резонатора
СообщениеДобавлено: Вс июл 24, 2016 12:26:52 
Сверлит текстолит когтями
Аватар пользователя

Карма: 16
Рейтинг сообщений: 62
Зарегистрирован: Сб апр 21, 2007 10:40:53
Сообщений: 1292
Рейтинг сообщения: 1
Вы как будь то не слышите, что вам говорят. :)
divisоr писал(а):
что будет если поставлю нерабочий кварц, и как это повлияет на схему...
Денис писал(а):
нужно анализировать работу схемы в которой стоит кварц

Так схема то где, которую нужно проанализировать? :)


Вернуться наверх
 
В сети
 Заголовок сообщения: Re: Проверка кварцевого резонатора
СообщениеДобавлено: Вс июл 24, 2016 12:31:02 
Друг Кота
Аватар пользователя

Карма: 197
Рейтинг сообщений: 8617
Зарегистрирован: Пн ноя 30, 2009 03:00:01
Сообщений: 43319
Откуда: Нерезиновая
Рейтинг сообщения: 1
divisоr писал(а):
Выписал с доставкой кварцевые резонаторы, и есть опасение, что они могут быть повреждены при транспортировке.
Я так понимаю, что НЕСКОЛЬКО штук..
divisоr писал(а):
Кварцевый резонатор у меня используется вместе с микросхемой часов реального времени. Без него, они начинают отставать.
Поэтому интересно, что будет если поставлю нерабочий кварц, и как это повлияет на схему...

Именно часы будут - начиная от "стоять" до "сильно спешить" - и в любом промежуточном состоянии.. Вообще кварц повредить достаточно трудно, просто "падений" они не боятся..


Вернуться наверх
 
Не в сети
 Заголовок сообщения: Re: Проверка кварцевого резонатора
СообщениеДобавлено: Вс июл 24, 2016 12:39:08 
Сверлит текстолит когтями
Аватар пользователя

Карма: 13
Рейтинг сообщений: 73
Зарегистрирован: Пн янв 25, 2016 10:19:15
Сообщений: 1238
Рейтинг сообщения: 0
Вот схема подключения часов к микроконтроллеру:
Изображение

Кварцевый резонатор: 32.768 кГц 12.5pF 20 ppm

АлександрЛ писал(а):
Вообще кварц повредить достаточно трудно, просто "падений" они не боятся..


Буду очень надеяться на это, так как проверить его нечем. В крайнем случае, буду собирать схему, которую привел Денис.


Вложения:
ds.png [10.78 KiB]
Скачиваний: 15331
Вернуться наверх
 
В сети
 Заголовок сообщения: Re: Проверка кварцевого резонатора
СообщениеДобавлено: Вс июл 24, 2016 12:58:35 
Друг Кота
Аватар пользователя

Карма: 197
Рейтинг сообщений: 8617
Зарегистрирован: Пн ноя 30, 2009 03:00:01
Сообщений: 43319
Откуда: Нерезиновая
Рейтинг сообщения: 0
divisоr писал(а):
проверить его нечем. В крайнем случае, буду собирать схему, которую привел Денис.

А чем вы будете смотреть сигнал с генератора, который предложил Денис?
И еще. Денис же написал.
Денис писал(а):
Данная схема не предназначена для часовых кварцев.

Вы же сами писали, что
divisоr писал(а):
Прочитал про тестирование этих элементов, в основном везде используют осциллограф, которого у меня нет.



зы... Если вы так боитесь попасться на неисправную деталь, то, может быть, электроника- это "не ваше"?


СпойлерЕсли с первого раза не получилось, значит парашютный спорт - не для вас.... :shock: :))) :))) (шутка)


Вернуться наверх
 
Не в сети
 Заголовок сообщения: Re: Проверка кварцевого резонатора
СообщениеДобавлено: Вс июл 24, 2016 13:09:02 
Сверлит текстолит когтями
Аватар пользователя

Карма: 13
Рейтинг сообщений: 73
Зарегистрирован: Пн янв 25, 2016 10:19:15
Сообщений: 1238
Рейтинг сообщения: 0
АлександрЛ, есть идея передать генерацию на микроконтроллер, считать сколько в секунду меняется сигнал, и вычислить соответственно частоту.

Да, боюсь, мне жалко детали калечить своей безграмотностью :cry: Они же не виноваты, что у меня знаний нет...


Вернуться наверх
 
Не в сети
 Заголовок сообщения: Re: Проверка кварцевого резонатора
СообщениеДобавлено: Вс июл 24, 2016 13:17:26 
Держит паяльник хвостом
Аватар пользователя

Карма: 42
Рейтинг сообщений: 393
Зарегистрирован: Ср июн 27, 2007 17:09:12
Сообщений: 970
Рейтинг сообщения: 0
Моя схема, что дал выше, не будет работать с часовым кварцем.
Вот здесь про кварцевые генераторы можно почитать.
http://www.ccas.ru/strijov/papers/gen_prym.pdf


Вернуться наверх
 
Не в сети
 Заголовок сообщения: Re: Проверка кварцевого резонатора
СообщениеДобавлено: Вс июл 24, 2016 13:21:41 
Сверлит текстолит когтями
Аватар пользователя

Карма: 13
Рейтинг сообщений: 73
Зарегистрирован: Пн янв 25, 2016 10:19:15
Сообщений: 1238
Рейтинг сообщения: 0
Денис, разве?

Ссылка на кварц


Вернуться наверх
 
В сети
 Заголовок сообщения: Re: Проверка кварцевого резонатора
СообщениеДобавлено: Вс июл 24, 2016 13:42:41 
Друг Кота
Аватар пользователя

Карма: 197
Рейтинг сообщений: 8617
Зарегистрирован: Пн ноя 30, 2009 03:00:01
Сообщений: 43319
Откуда: Нерезиновая
Рейтинг сообщения: 1
Цитата:
]Но у вас не кварцевый резонатор, а всего вероятнее керамический резонатор, а их проверять немного не так, как проверяют кварцы.

Да ладно, у него самый обыкновенный часовой кварц, а 32 . (ТОЧКА!!!!!) 768 КИЛОГЕРЦ- это как раз и есть 32768 герц!!


Вернуться наверх
 
Не в сети
 Заголовок сообщения: Re: Проверка кварцевого резонатора
СообщениеДобавлено: Вс июл 24, 2016 15:04:51 
Держит паяльник хвостом
Аватар пользователя

Карма: 42
Рейтинг сообщений: 393
Зарегистрирован: Ср июн 27, 2007 17:09:12
Сообщений: 970
Рейтинг сообщения: 1
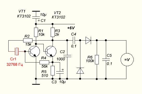
В общем схема, что привел выше с подобным часовым резонатором "не заводится"
В названии темы и в первом посте нужно было уточнить, какой именно резонатор требуется проверить.

Паять было лень, поэтому просто взял схему своего жука и в модуляторе там припаял часовой кварц.
viewtopic.php?f=28&t=133694

Схема такая получилась.

Изображение

Это обычный не инвертирующий УНЧ.
Попробовал четыре из имевшихся у меня часовых резонаторов.
На выходе вижу импульсы с частотой порядка 32 кГц. Просто точно не замерял, т.к. нам это в данном случае и не нужно.
Амплитуда импульсов порядка 2 вольта.
Если нет осциллографа, то можно эти импульсы просто продетектировать и смотреть вольтметром.
СпойлерИзображение

Правда при этом мы не видим, что генерация происходит именно на частоте резонатора.

Не инвертирующий усилитель можно и другой взять. Я же просто взял тот, что у меня уже был спаян.

Если R2 сделать переменным, то думаю можно будет проверять и активность кварца. Крутить его и смотреть при каком сопротивлении начинается генерация. Чем больше величина резистора, тем больше активность кварца.


Вложения:
2.JPG [23.3 KiB]
Скачиваний: 5096
1.JPG [17.08 KiB]
Скачиваний: 25885
Вернуться наверх
 
Не в сети
 Заголовок сообщения: Re: Проверка кварцевого резонатора
СообщениеДобавлено: Вт июл 26, 2016 16:01:00 
Собутыльник Кота
Аватар пользователя

Карма: 28
Рейтинг сообщений: 757
Зарегистрирован: Сб ноя 13, 2010 12:53:25
Сообщений: 2896
Откуда: приходит весна?
Рейтинг сообщения: 3
Цитата:
Просто я не представляю, как можно сделать именно кварцевую пластину таким малых размеров для работы на таких низких частотах...
Пластина в виде буквы П, как у обычного камертона.


Вернуться наверх
 
Не в сети
 Заголовок сообщения: Re: Проверка часового резонатора.
СообщениеДобавлено: Чт июл 28, 2016 17:27:06 
Друг Кота
Аватар пользователя

Карма: 28
Рейтинг сообщений: 267
Зарегистрирован: Ср сен 27, 2006 16:18:57
Сообщений: 3459
Рейтинг сообщения: 1
Покупаете советскую микросхему К176ИЕ12. Подключаете к ней кварц, например как здесь:
http://www.payatel.ru/244-cifrovaya-cha ... 6ie12.html
На выводе 4 микросхемы имеете импульсы с периодом ровно 1 секунда.


Вернуться наверх
 
Не в сети
 Заголовок сообщения: Re: Проверка часового резонатора.
СообщениеДобавлено: Чт июл 28, 2016 17:33:52 
Держит паяльник хвостом
Аватар пользователя

Карма: 42
Рейтинг сообщений: 393
Зарегистрирован: Ср июн 27, 2007 17:09:12
Сообщений: 970
Рейтинг сообщения: 1
Барсик писал(а):
Покупаете советскую микросхему К176ИЕ12. Подключаете к ней кварц, например как здесь:
Нет.
Для проверки кварцев это мало подходит, т.к. можем даже с исправным кварцем получить такую ситуацию.
viewtopic.php?t=23352
george_54 писал(а):
К176ИЕ12
М/с включаю со стандартной обвеской. Запуск генератора был нестабильным.

Дмитрий М писал(а):
К176ИЕ12 и им подобные (ИЕ5 например) устойчиво запускаются только со старыми кварцами в виде гранёного "гробика". С микрокварцами в виде цилиндра когда как. Они очень маленькие и, похоже, низкая активность в типовой схеме включения для ИЕ.
И это не редкость, т.к. вот еще пара тем на форуме, где вроде бы исправный часовой кварц, с К176ИЕ12 не запускается без "плясок с бубном"
viewtopic.php?p=227945#227945
http://www.radiokot.ru/forum/viewtopic.php?f=22&t=16528

Для проверки нужна схема более надежная, что бы работало безотказно и без плясок.


Вернуться наверх
 
Не в сети
 Заголовок сообщения: Re: Проверка часового резонатора.
СообщениеДобавлено: Чт июл 28, 2016 18:38:58 
Друг Кота
Аватар пользователя

Карма: 28
Рейтинг сообщений: 267
Зарегистрирован: Ср сен 27, 2006 16:18:57
Сообщений: 3459
Рейтинг сообщения: 0
Денис писал(а):
Барсик писал(а):
Покупаете советскую микросхему К176ИЕ12. Подключаете к ней кварц, например как здесь:
Нет.
Для проверки кварцев это мало подходит, т.к. можем даже с исправным кварцем получить такую ситуацию.
Зато уж если заведётся, то кварц можно ставить куда хош. :)


Вернуться наверх
 
Не в сети
 Заголовок сообщения: Re: Проверка часового резонатора.
СообщениеДобавлено: Чт июл 28, 2016 20:48:08 
Друг Кота

Карма: 68
Рейтинг сообщений: 1408
Зарегистрирован: Сб янв 29, 2011 00:28:48
Сообщений: 7774
Рейтинг сообщения: 1
когда-то было такое, делал на КП103...
http://itmages.ru/image/view/4655561/3a9e9231
Изображение


Вернуться наверх
 
Не в сети
 Заголовок сообщения: Re: Проверка часового резонатора.
СообщениеДобавлено: Ср авг 03, 2016 12:42:11 
Друг Кота
Аватар пользователя

Карма: 77
Рейтинг сообщений: 1247
Зарегистрирован: Вс мар 29, 2009 22:09:05
Сообщений: 7518
Рейтинг сообщения: 13
Цитата:
Просто я не представляю, как можно сделать именно кварцевую пластину таким малых размеров для работы на таких низких частотах, поэтому предположил, что это все таки керамический резонатор.


Как уже писал B@R5uk, пластина "часового" кварца имеет вид камертона. А еще она вырезается по другим кристаллографическим осям. Если мне не изменяет память, "обычный" кварц имеет тип среза AT, а "часовой" - XY. Для нас важно, что "часовой" кварц имеет гораздо большую стабильность, но при этом неспособен рассеивать уровни мощности (drive level), типичные для высокочастотных резонаторов. Обычно предел для него - около микроватта. По этой причине часовые генераторы в контроллерах как правило выполняются отдельным блоком, и часто последовательно с часовым резонатором требуется устанавливать резистор сопротивлением порядка 500 кОм.

_________________
Разница между теорией и практикой на практике гораздо больше, чем в теории.


Вернуться наверх
 
Показать сообщения за:  Сортировать по:  Вернуться наверх
Начать новую тему Ответить на тему  [ Сообщений: 59 ]  1, ,  

Часовой пояс: UTC + 3 часа


Кто сейчас на форуме

Сейчас этот форум просматривают: akl и гости: 26


Вы не можете начинать темы
Вы не можете отвечать на сообщения
Вы не можете редактировать свои сообщения
Вы не можете удалять свои сообщения
Вы не можете добавлять вложения

Найти:
Перейти:  


Powered by phpBB © 2000, 2002, 2005, 2007 phpBB Group
Русская поддержка phpBB
Extended by Karma MOD © 2007—2012 m157y
Extended by Topic Tags MOD © 2012 m157y