Например TDA7294

Форум РадиоКот • Просмотр темы - Разобраться в схеме генератора высоковольтных импульсов
Форум РадиоКот
Здесь можно немножко помяукать :)

Текущее время: Вт дек 30, 2025 18:58:43

Часовой пояс: UTC + 3 часа


ПРЯМО СЕЙЧАС:



Начать новую тему Ответить на тему  [ Сообщений: 17 ] 
Автор Сообщение
Не в сети
 Заголовок сообщения: Разобраться в схеме генератора высоковольтных импульсов
СообщениеДобавлено: Пн авг 26, 2013 13:00:45 
Первый раз сказал Мяу!

Зарегистрирован: Ср июл 11, 2012 19:05:34
Сообщений: 36
Рейтинг сообщения: 0
Здравствуйте.
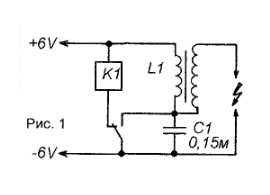
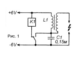
Нашел схему генератора высоковольтных импульсов на реле.
(картинка приложена)

и прошу помощи:
1.какое реле брать? если запитывать планирую от комп. блока питания
в магазине посмотрел реле - у них там по несколько ножек, какие контакты вход-выход?

в описании к схеме сказано:
"Проще всего такой генератор сделать используя чистую электромеханику (рис. 1). Контакты реле К1 включены зуммером, они ключуют первичную обмотку катушки зажигания на общий минус. Конденсатор С2 накопительный. В общем, схема очень напоминает контактную систему зажигания старых автомобилей (роль прерывателя выполняет реле)"

2. реле уже и является зуммером? или зуммер это отдельный элемент? если нет, то каким образом заставляют реле делать "Б-з-з-з-з"?

Спасибо.


Вложения:
1326019126_generator_vysokovoltnyh_impulsov_02.jpg [6.81 KiB]
Скачиваний: 465


Последний раз редактировалось aen Пн авг 26, 2013 13:11:15, всего редактировалось 1 раз.
Исправил. Нарушение Правил форума п. 1.4
Вернуться наверх
 
Не в сети
 Заголовок сообщения: Re: Разобраться в схеме генератора высоковольтных импульсов
СообщениеДобавлено: Пн авг 26, 2013 13:15:49 
Друг Кота
Аватар пользователя

Карма: 129
Рейтинг сообщений: 2973
Зарегистрирован: Вт дек 20, 2011 12:46:51
Сообщений: 73965
Откуда: Петроград
Рейтинг сообщения: 0
бррр...
гарантированное обгорание контактов за непродолжительный срок
зуммерить будет само , ага- ещё как
а что-где у конкретного реле- описано в его паспорте ( по иностранному- в
Datasheet)
впрочем вибропреобразователи примерно так и устроены

_________________
https://www.int-s.spb.ru
" Можно я лягу?"(C)


Вернуться наверх
 
Не в сети
 Заголовок сообщения: Re: Разобраться в схеме генератора высоковольтных импульсов
СообщениеДобавлено: Пн авг 26, 2013 14:32:23 
Первый раз сказал Мяу!

Зарегистрирован: Ср июл 11, 2012 19:05:34
Сообщений: 36
Рейтинг сообщения: 0
Спасибо.
а по каким критериям выбирать реле? 12 VDC (вроде так) - это 12 вольт постоянного напряжения?
а еще есть какие то: твердотельные, герконовые, электромагнитные - запутаться можно.

и еще, а зачем так много ножек в реле, если нужны только две?


Вернуться наверх
 
Не в сети
 Заголовок сообщения: Re: Разобраться в схеме генератора высоковольтных импульсов
СообщениеДобавлено: Пн авг 26, 2013 14:45:05 
Друг Кота
Аватар пользователя

Карма: 129
Рейтинг сообщений: 2973
Зарегистрирован: Вт дек 20, 2011 12:46:51
Сообщений: 73965
Откуда: Петроград
Рейтинг сообщения: 0
1-лишние либо не используйте, либо соедините параллельно
2-для вашего случая электромагнитное - без вариантов
3-указано напряжение срабатывания

_________________
https://www.int-s.spb.ru
" Можно я лягу?"(C)


Вернуться наверх
 
Эиком - электронные компоненты и радиодетали
Не в сети
 Заголовок сообщения: Re: Разобраться в схеме генератора высоковольтных импульсов
СообщениеДобавлено: Вт авг 27, 2013 14:25:29 
Первый раз сказал Мяу!

Зарегистрирован: Ср июл 11, 2012 19:05:34
Сообщений: 36
Рейтинг сообщения: 0
подскажите, пожалуйста.
к каким контактам подключаться в реле, для реализации схемы (файлы приложены)


Вложения:
распиновка.gif [6.54 KiB]
Скачиваний: 234
1326019126_generator_vysokovoltnyh_impulsov_02.jpg [6.81 KiB]
Скачиваний: 535
Вернуться наверх
 
Не в сети
 Заголовок сообщения: Re: Разобраться в схеме генератора высоковольтных импульсов
СообщениеДобавлено: Вт авг 27, 2013 14:31:07 
Друг Кота
Аватар пользователя

Карма: 67
Рейтинг сообщений: 1066
Зарегистрирован: Чт сен 18, 2008 12:27:21
Сообщений: 20013
Откуда: Столица Мира Санкт-Петербург
Рейтинг сообщения: 0
Медали: 1
Получил миской по аватаре (1)
Блин, ну всё же нарисовано. 7-8 — катушка, 3(4) — средний контакт, 1(2) и 5(6) — крайние. В вашей схеме 7 или 8 соединить с 1(2).

_________________
[ Всё дело не столько в вашей глупости, сколько в моей гениальности ] [ Правильно заданный вопрос содержит в себе половину ответа ]
Измерить нннада?


Вернуться наверх
 
Не в сети
 Заголовок сообщения: Re: Разобраться в схеме генератора высоковольтных импульсов
СообщениеДобавлено: Вт авг 27, 2013 14:39:23 
Первый раз сказал Мяу!

Зарегистрирован: Ср июл 11, 2012 19:05:34
Сообщений: 36
Рейтинг сообщения: 0
спасибо.
я же не знаю. для меня это просто квадратики. и их много


Вернуться наверх
 
Не в сети
 Заголовок сообщения: Re: Разобраться в схеме генератора высоковольтных импульсов
СообщениеДобавлено: Вт авг 27, 2013 14:40:14 
Первый раз сказал Мяу!

Зарегистрирован: Ср июл 11, 2012 19:05:34
Сообщений: 36
Рейтинг сообщения: 0
а еще вопросик.
частота искрения зависит от емкости конденсатора?
на схеме 0,15м это мили или микрофарады?


Вернуться наверх
 
Не в сети
 Заголовок сообщения: Re: Разобраться в схеме генератора высоковольтных импульсов
СообщениеДобавлено: Вт авг 27, 2013 14:48:19 
Друг Кота
Аватар пользователя

Карма: 129
Рейтинг сообщений: 2973
Зарегистрирован: Вт дек 20, 2011 12:46:51
Сообщений: 73965
Откуда: Петроград
Рейтинг сообщения: 0
1-МКФ
2-попробуйте увеличить или уменьшит- заодно поймёте

_________________
https://www.int-s.spb.ru
" Можно я лягу?"(C)


Вернуться наверх
 
Не в сети
 Заголовок сообщения: Re: Разобраться в схеме генератора высоковольтных импульсов
СообщениеДобавлено: Вт авг 27, 2013 14:57:29 
Первый раз сказал Мяу!

Зарегистрирован: Ср июл 11, 2012 19:05:34
Сообщений: 36
Рейтинг сообщения: 0
и последний вопрос.
я на схеме правильно расставил номера контактов реле?
получается первичная обмотка соединяется с катушкой реле и разомкнутым контактом реле.
если правильно - то я скоро стану профессором электрических дел!!!


Вложения:
контакты на схеме.gif [3.26 KiB]
Скачиваний: 510
Вернуться наверх
 
Не в сети
 Заголовок сообщения: Re: Разобраться в схеме генератора высоковольтных импульсов
СообщениеДобавлено: Вт авг 27, 2013 15:12:44 
Друг Кота
Аватар пользователя

Карма: 129
Рейтинг сообщений: 2973
Зарегистрирован: Вт дек 20, 2011 12:46:51
Сообщений: 73965
Откуда: Петроград
Рейтинг сообщения: 0
1(2) нормальнозамкнутая группа ( тоесть без питания замкнута)
так на схеме
конденсатор -похоже стоит для защиты контактов от обгарания при срабатывании
а так- реле дребездит-контакты прерывают ток через первичку ну и т.д...

_________________
https://www.int-s.spb.ru
" Можно я лягу?"(C)


Вернуться наверх
 
Не в сети
 Заголовок сообщения: Re: Разобраться в схеме генератора высоковольтных импульсов
СообщениеДобавлено: Вт авг 27, 2013 15:50:09 
Первый раз сказал Мяу!

Зарегистрирован: Ср июл 11, 2012 19:05:34
Сообщений: 36
Рейтинг сообщения: 0
так от контактов реле три проводка должно идти: от 1, от 8 и от 3
или только от 1 и от 8 ?


Вернуться наверх
 
Не в сети
 Заголовок сообщения: Re: Разобраться в схеме генератора высоковольтных импульсов
СообщениеДобавлено: Вт авг 27, 2013 15:58:16 
Друг Кота
Аватар пользователя

Карма: 129
Рейтинг сообщений: 2973
Зарегистрирован: Вт дек 20, 2011 12:46:51
Сообщений: 73965
Откуда: Петроград
Рейтинг сообщения: 0
схема у вас есть
распиновка контакотов есть
тестр-наконц у вас тоже есть
принцип работы хреновины- поняли...
дальше- только приехать к вам и сделать всё за вас?

_________________
https://www.int-s.spb.ru
" Можно я лягу?"(C)


Вернуться наверх
 
Не в сети
 Заголовок сообщения: Re: Разобраться в схеме генератора высоковольтных импульсов
СообщениеДобавлено: Вт авг 27, 2013 16:31:13 
Первый раз сказал Мяу!

Зарегистрирован: Ср июл 11, 2012 19:05:34
Сообщений: 36
Рейтинг сообщения: 0
достаточно сказать 2 или 3 проводка.
хотя можете приехать. хорошему человеку всегда рад :))


Вернуться наверх
 
Не в сети
 Заголовок сообщения: Re: Разобраться в схеме генератора высоковольтных импульсов
СообщениеДобавлено: Вт авг 27, 2013 16:40:23 
Друг Кота
Аватар пользователя

Карма: 129
Рейтинг сообщений: 2973
Зарегистрирован: Вт дек 20, 2011 12:46:51
Сообщений: 73965
Откуда: Петроград
Рейтинг сообщения: 0
включаем логику
реле работает на ереключение.
соотв. один контакт ( общий) и два, на котрые поочерёдно переключаем его)
иторг 1+2...у меня вышло ТРИ
ну и обмотка реле....

_________________
https://www.int-s.spb.ru
" Можно я лягу?"(C)


Вернуться наверх
 
Не в сети
 Заголовок сообщения: Re: Разобраться в схеме генератора высоковольтных импульсов
СообщениеДобавлено: Вт авг 27, 2013 16:50:10 
Первый раз сказал Мяу!

Зарегистрирован: Ср июл 11, 2012 19:05:34
Сообщений: 36
Рейтинг сообщения: 0
т.е. уже 4?
получается питание на обмотку
провод на двигающийся контакт и по проводу на контакты подключенный\выключенный.

я правда не знаю как работают реле. то что примерно представлял, вроде не соответствует действительности.
вот до сих пор не дойдет, с какой радости оно переключается. ведь на обмотку подается напряжение постоянно, значит и контакт притягивается постоянно.
какой переменный фактор снимает напряжение с катушки реле?

а раз не понимаю, то и пытаюсь сразу результат узнать: куда что подключить.


Вернуться наверх
 
Не в сети
 Заголовок сообщения: Re: Разобраться в схеме генератора высоковольтных импульсов
СообщениеДобавлено: Вт авг 27, 2013 17:06:39 
Друг Кота
Аватар пользователя

Карма: 129
Рейтинг сообщений: 2973
Зарегистрирован: Вт дек 20, 2011 12:46:51
Сообщений: 73965
Откуда: Петроград
Рейтинг сообщения: 0
давайте попорядку...катушка реле запитана через нормально замкнутую пару
при включении пара размыкается...напряжение пропадает-пара зкмыкается...и так постоянно...
в общем почитайте
http://ru.wikipedia.org/wiki/Вибропреоб ... 0.B8.D1.8F
всё же просто как огурец

_________________
https://www.int-s.spb.ru
" Можно я лягу?"(C)


Вернуться наверх
 
Показать сообщения за:  Сортировать по:  Вернуться наверх
Начать новую тему Ответить на тему  [ Сообщений: 17 ] 

Часовой пояс: UTC + 3 часа


Кто сейчас на форуме

Сейчас этот форум просматривают: Александр 62 и гости: 30


Вы не можете начинать темы
Вы не можете отвечать на сообщения
Вы не можете редактировать свои сообщения
Вы не можете удалять свои сообщения
Вы не можете добавлять вложения

Найти:
Перейти:  


Powered by phpBB © 2000, 2002, 2005, 2007 phpBB Group
Русская поддержка phpBB
Extended by Karma MOD © 2007—2012 m157y
Extended by Topic Tags MOD © 2012 m157y