Например TDA7294

Форум РадиоКот • Просмотр темы - Подача импульсов высокого напряжения в цепь питания
Форум РадиоКот
Здесь можно немножко помяукать :)

Текущее время: Вт фев 17, 2026 03:45:29

Часовой пояс: UTC + 3 часа


ПРЯМО СЕЙЧАС:



Начать новую тему Ответить на тему  [ Сообщений: 43 ]  1, ,  
Автор Сообщение
Не в сети
 Заголовок сообщения: Подача импульсов высокого напряжения в цепь питания
СообщениеДобавлено: Сб дек 14, 2024 21:04:12 
Родился

Зарегистрирован: Сб дек 14, 2024 20:29:53
Сообщений: 12
Рейтинг сообщения: 0
Всех приветствую!

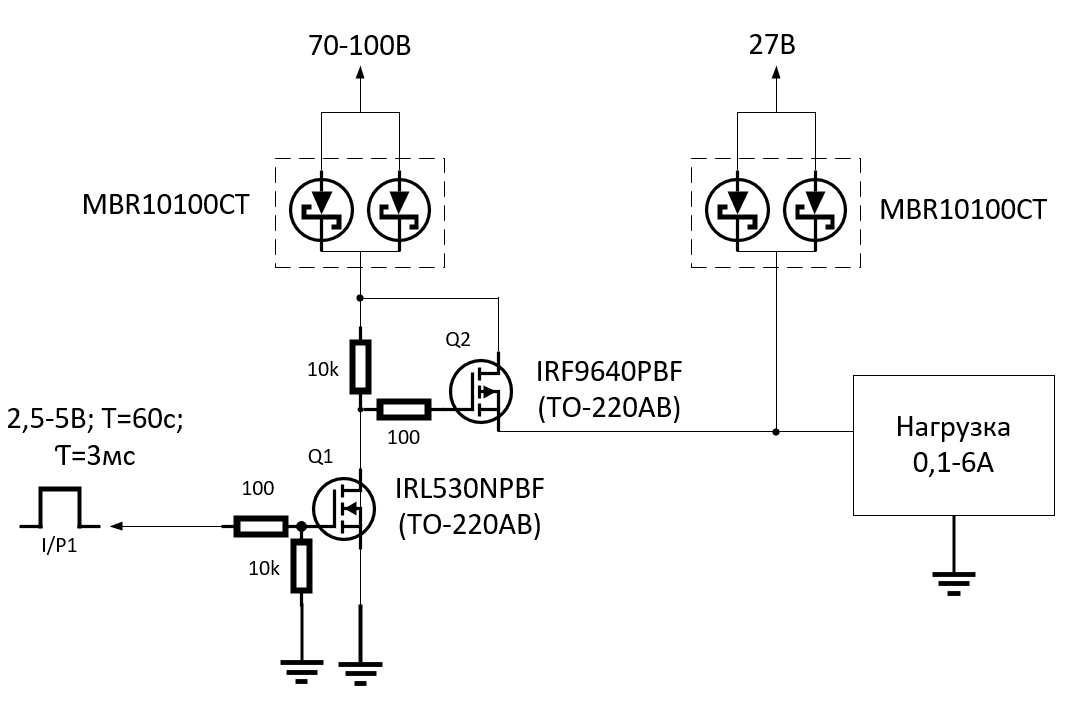
В рамках проведения испытаний некоторого электронного модуля на воздействие импульсов высокого напряжения по цепи питания, я разработал схему на Р-канальном транзисторе, управляемым N-канальным транзистором.
Схема должна давать импульсы высокого напряжения в цепь питания 27 В, при активной работе испытуемого электронного модуля. Период и длительность импульсов - задается генератором.
Основная идея заключалась в управлении положительным потенциалом высокого напряжения.

Была собрана схема представленная во вложении.
Изображение
Схема работает, однако у меня закрались следующие сомнения:

1) Не пробьется ли затвор транзистора Q2? И если должен пробиться - он не пробился, почему?
2) Какая альтернативная схема могла бы подойти для решения такой задачи?
3) Насколько важны диоды Шоттки в цепи высокого напряжения нужны в таких случаях? Данный диод ставился с целью защиты персонала от поражения током в момент подключения данной схемы к источникам питания.


Вложения:
Комментарий к файлу: Схема ключа.
Схема ключа.png [42.12 KiB]
Скачиваний: 66
Вернуться наверх
 
Не в сети
 Заголовок сообщения: Re: Подача импульсов высокого напряжения в цепь питания
СообщениеДобавлено: Вс дек 15, 2024 10:07:26 
Друг Кота
Аватар пользователя

Карма: 116
Рейтинг сообщений: 4525
Зарегистрирован: Пт мар 30, 2012 05:17:29
Сообщений: 16233
Откуда: Екатеринбург
Рейтинг сообщения: 0
1. Непременно пробьётся, странно, что это не случилось сразу. 100-омный резистор не обязателен, а в сток Q1 надо поставить резистор, чтобы он образовывал делитель вместе с 10-килоомным резистором, который неплохо бы зашунтировать стабилитроном вольт на 15.
2. См. ГОСТы на такие испытания. Номера не скажу, самому надо искать. Вообще-то такого рода испытания (не касается предварительных, для себя) полагается делать по существующим стандартам.
3. У шотток быстрее время закрывания и меньше падение, чем у обычных диодов, здесь это несущественно. Только непонятно, как эти диоды кого-то защитят от поражения электрическим током (речь идёт о тех, что на схеме слева).
4. А вы, случаем, не попутали сток с истоком у Q2?

_________________
И хрюкотали зелюки,
Как мюмзики в мове.

На каждый РКН
Найдётся VPN.


Вернуться наверх
 
Не в сети
 Заголовок сообщения: Re: Подача импульсов высокого напряжения в цепь питания
СообщениеДобавлено: Вс дек 15, 2024 10:51:36 
Друг Кота
Аватар пользователя

Карма: 107
Рейтинг сообщений: 3835
Зарегистрирован: Пн фев 09, 2009 22:19:49
Сообщений: 25016
Откуда: Когда-то был прекрасный город для людей
Рейтинг сообщения: 0
А, как в редакторе был затвор изображён, так и вставил...

Но меры защиты схемы от попадания высокого напряжения и меры защиты персонала при работе с данным прибором - они , грубо говоря, совсем из другой оперы. И защиту для этого нужно обеспечивать по исполнительным выходам, да и входам, этого прибора.

Мало ли, таракан или мышь залезет внутрь и закоротит там сеть на выход...

В данном случае я имею конструкторскую защиту помимо требований нормативных документов ПУБЕЛ.


Вернуться наверх
 
Не в сети
 Заголовок сообщения: Re: Подача импульсов высокого напряжения в цепь питания
СообщениеДобавлено: Вс дек 15, 2024 11:38:51 
Друг Кота
Аватар пользователя

Карма: 116
Рейтинг сообщений: 4525
Зарегистрирован: Пт мар 30, 2012 05:17:29
Сообщений: 16233
Откуда: Екатеринбург
Рейтинг сообщения: 0
А, как в редакторе был затвор изображён, так и вставил...
Затвор, кстати, изображён правильно, напротив истока, а не как в кривом УГО, которое нередко попадается. Если он действительно так подключил мосфет, то его внутренний диод всегда открыт, и о какой коммутации тогда может идти речь? Если подключил правильно, как полагается (IRF9640 действительно P-канальный), то непонятно, как его затвор не пробило ста вольтами. Если там N-канальный и подключен так, как нарисовано, истоковым повторителем, то затвор может и не пробить, и коммутация будет, но так не делается, да и управление потребуется инвертировать.

_________________
И хрюкотали зелюки,
Как мюмзики в мове.

На каждый РКН
Найдётся VPN.


Вернуться наверх
 
Эиком - электронные компоненты и радиодетали
Не в сети
 Заголовок сообщения: Re: Подача импульсов высокого напряжения в цепь питания
СообщениеДобавлено: Вс дек 15, 2024 12:34:16 
Друг Кота
Аватар пользователя

Карма: 96
Рейтинг сообщений: 1502
Зарегистрирован: Вт мар 16, 2010 22:02:27
Сообщений: 15461
Откуда: ДОНЕЦК
Рейтинг сообщения: 0
Если для себя и проверки на стабильность работы самоделки...
Так достаточно обычной газовой зажигалки (для печек/колонок).
Просто запустить искру (или серию разрядов) в шинку питания/ проверяемого сигнала....
:roll:


Вернуться наверх
 
Не в сети
 Заголовок сообщения: Re: Подача импульсов высокого напряжения в цепь питания
СообщениеДобавлено: Вс дек 15, 2024 13:51:17 
Друг Кота
Аватар пользователя

Карма: 116
Рейтинг сообщений: 4525
Зарегистрирован: Пт мар 30, 2012 05:17:29
Сообщений: 16233
Откуда: Екатеринбург
Рейтинг сообщения: 0
Мелочь. Я себе делал источник помех из бобины от Москвича 412, плёночного конденсатора 1 мкФ 400 В, диода 1N4007, кнопки, переключающей конденсатор на первичную обмотку бобины и отключающей его от сети (через диод) и, понятно, регулируемого воздушного разрядника на вторичной. Вот это звэр-машина, хуже собаки. Выжжет всё, если прямо подать.

_________________
И хрюкотали зелюки,
Как мюмзики в мове.

На каждый РКН
Найдётся VPN.


Вернуться наверх
 
Не в сети
 Заголовок сообщения: Re: Подача импульсов высокого напряжения в цепь питания
СообщениеДобавлено: Вс дек 15, 2024 13:57:06 
Друг Кота
Аватар пользователя

Карма: 96
Рейтинг сообщений: 1502
Зарегистрирован: Вт мар 16, 2010 22:02:27
Сообщений: 15461
Откуда: ДОНЕЦК
Рейтинг сообщения: 0
Так задача ж не выжечь, а только малость "оглушить".
Данные в ОЗУ на раз отшибает!
:hunger:


Вернуться наверх
 
Не в сети
 Заголовок сообщения: Re: Подача импульсов высокого напряжения в цепь питания
СообщениеДобавлено: Вс дек 15, 2024 14:04:13 
Друг Кота
Аватар пользователя

Карма: 116
Рейтинг сообщений: 4525
Зарегистрирован: Пт мар 30, 2012 05:17:29
Сообщений: 16233
Откуда: Екатеринбург
Рейтинг сообщения: 0
Ну так я и не подавал прямо никуда. Маленький дипольчик, надо расположить его неподалёку от проверяемого девайса, таким образом ничего не выжигается, а энергию излучения можно регулировать длиной искрового промежутка.

_________________
И хрюкотали зелюки,
Как мюмзики в мове.

На каждый РКН
Найдётся VPN.


Вернуться наверх
 
Не в сети
 Заголовок сообщения: Re: Подача импульсов высокого напряжения в цепь питания
СообщениеДобавлено: Вс дек 15, 2024 14:15:03 
Друг Кота
Аватар пользователя

Карма: 96
Рейтинг сообщений: 1502
Зарегистрирован: Вт мар 16, 2010 22:02:27
Сообщений: 15461
Откуда: ДОНЕЦК
Рейтинг сообщения: 0
А я напрямую в шинки питания "стрелял" - проверка устойчивости имитатора поджига/контроля колонки.
МК то жив остается,но все данные из оперативки напрочь сносит.
:twisted:


Вернуться наверх
 
Не в сети
 Заголовок сообщения: Re: Подача импульсов высокого напряжения в цепь питания
СообщениеДобавлено: Пн дек 16, 2024 10:02:04 
Родился

Зарегистрирован: Сб дек 14, 2024 20:29:53
Сообщений: 12
Рейтинг сообщения: 0
Благодарю всех за быстрый ответ!

Даю уточнения и комментарии:

Схема смонтирована правильно и действительно работает, признаю, что неправильно нарисовал Q2 Р-канальный транзистор.
Привожу актуальную схему:
Изображение

Полагаю, в данной схеме действительно вопрос времени, когда пробьет Р-канальный транзистор. Добавлять делитель - в принципе возможно, но его параметры сложно подобрать для такого размаха напряжений.
Я не совсем понимаю. как стабилитрон поможет в данном случае. Прошу пояснить на примере схемы.

Диоды Шоттки слева, на входе напряжения 70-100В должны защитить от протекания тока/короткого замыкания в момент подключения к 70-100В при уже подключенных 27В т.к. у Р-канального транзистора имеется диод.

Схема должна проводить воздействия повторяющихся импульсов высокого напряжения в довольно продолжительном интервале времени (60 минут). Предполагается также испытывать электронный модуль в условиях повышенной/пониженной температурах (схема управления импульсами остается в НКУ).
Временные параметры импульсов высокого напряжения - задаются генератором сигналов прямоугольной формы (из-за требования по скорости нарастания напряжения <50 нс).

Я дополнительно рассматриваю вариант с драйвером верхнего плеча на N-канальном транзисторе, но меня смущает, что у таких драйверов достаточно большие времена нарастания и спада. Я ориентируюсь на времена <50 нс. Если существуют такие драйвера - кто с такими сталкивался? Какие можете посоветовать для указанных напряжений?

Нашел относительно приемлемый вариант: https://static.chipdip.ru/lib/441/DOC011441112.pdf
У кого был опыт использования этого драйвера?


Последний раз редактировалось Boris SEM Пн дек 16, 2024 15:16:30, всего редактировалось 1 раз.

Вернуться наверх
 
Не в сети
 Заголовок сообщения: Re: Подача импульсов высокого напряжения в цепь питания
СообщениеДобавлено: Пн дек 16, 2024 13:53:21 
Друг Кота
Аватар пользователя

Карма: 116
Рейтинг сообщений: 4525
Зарегистрирован: Пт мар 30, 2012 05:17:29
Сообщений: 16233
Откуда: Екатеринбург
Рейтинг сообщения: 0
Если надо быстро открывать-закрывать мосфет, то я порекомендую оптодрайвер вроде IX3120, или 3120 любого производителя. Иначе ни о каких наносекундах даже не мечтайте. Затвор будет разряжаться на 10-килоомный резистор раз в тысячу медленнее, чем вы хотите. Вторичную часть оптодрайвера, понятно, придётся запитать от DC/DC, можно маломощного, но обязательно с керамикой, лучше SMD, порядка 1 мкФ на выходе.
О стабилитроне. Если ставить 3120, он вам не понадобится, но раз вопрос задан... Ставится он параллельно резистору 10 кОм, то есть между затвором и истоком, и своей тушкой ограничивает напряжение затвор - исток. Но для этого между коллектором и затвором нужен дополнительный резистор, на котором упадёт остальное напряжение.

_________________
И хрюкотали зелюки,
Как мюмзики в мове.

На каждый РКН
Найдётся VPN.


Вернуться наверх
 
Не в сети
 Заголовок сообщения: Re: Подача импульсов высокого напряжения в цепь питания
СообщениеДобавлено: Пн дек 16, 2024 14:24:20 
Друг Кота
Аватар пользователя

Карма: 31
Рейтинг сообщений: 938
Зарегистрирован: Пт сен 10, 2021 15:19:36
Сообщений: 6406
Откуда: Протвино
Рейтинг сообщения: 0
питание необязательно, разряжать затвор можно плечем самодельного драйвера на транзисторе,

и кстати если импульсы с длительностью не больше заданной - можно сделать бутстрепное питание затвора и применить силовой n-FET.
и применить специальные бутстрепные драйверы вроде irf2101 итп.

да, затворы иногда держат во многие разы большее напряжение, также как и скажем керамические конденсаторы, но надеяться на то что так будет на разных экземплярах транзисторов и при широком диапазоне температур и долго - нестоит ;)

Boris SEM писал(а):
Полагаю, в данной схеме действительно вопрос времени, когда пробьет Р-канальный транзистор. Добавлять делитель - в принципе возможно, но его параметры сложно подобрать для такого размаха напряжений.
Я не совсем понимаю. как стабилитрон поможет в данном случае. Прошу пояснить на примере схемы.

а в чем проблема?
если например питание 60-100V, напряжение на затворе для полного открытия скажем 12V max и допустимое 20V то нужен делитель питания 1:5

а с помощью стабилитрона между затвором и истоком можно сделать существенно более широкий диапазон питания.

но, как уже сказал mickbell, основная проблема - быстрая зарядка и разрядка емкости затвора, это проблема не только в скорости эмулируемого импульса но и в живучести силового FET (в транзишн состоянии на нем может выделяться огромная энергия)


Вернуться наверх
 
Не в сети
 Заголовок сообщения: Re: Подача импульсов высокого напряжения в цепь питания
СообщениеДобавлено: Пн дек 16, 2024 15:14:01 
Родился

Зарегистрирован: Сб дек 14, 2024 20:29:53
Сообщений: 12
Рейтинг сообщения: 0
mickbell писал(а):
Если надо быстро открывать-закрывать мосфет, то я порекомендую оптодрайвер вроде IX3120, или 3120 любого производителя. Иначе ни о каких наносекундах даже не мечтайте. Затвор будет разряжаться на 10-килоомный резистор раз в тысячу медленнее, чем вы хотите. Вторичную часть оптодрайвера, понятно, придётся запитать от DC/DC, можно маломощного, но обязательно с керамикой, лучше SMD, порядка 1 мкФ на выходе.
О стабилитроне. Если ставить 3120, он вам не понадобится, но раз вопрос задан... Ставится он параллельно резистору 10 кОм, то есть между затвором и истоком, и своей тушкой ограничивает напряжение затвор - исток. Но для этого между коллектором и затвором нужен дополнительный резистор, на котором упадёт остальное напряжение.


Попробую рассмотреть предложенный Вами вариант.

Касательно быстрой разрядки затвора, я нашел такое решение:
Изображение

Тут используется диод для разрядки затвора. Я пока попробую поставить тот, что нарисован, но смотрю в сторону этого: US1M-E3/61T https://www.chipdip.ru/product/us1m-e3-61t
Как впрочем хочу попробовать собрать такую схему.


Вернуться наверх
 
Не в сети
 Заголовок сообщения: Re: Подача импульсов высокого напряжения в цепь питания
СообщениеДобавлено: Пн дек 16, 2024 15:43:24 
Друг Кота
Аватар пользователя

Карма: 116
Рейтинг сообщений: 4525
Зарегистрирован: Пт мар 30, 2012 05:17:29
Сообщений: 16233
Откуда: Екатеринбург
Рейтинг сообщения: 0
Диод не нужен, это анахронизьм, я считаю. Раньше такими диодами формировали мёртвое время в (полу)мостовых схемах, сейчас его делают сами драйвера. Резистор 10 Ом мало влияет на переключение, можно его диодом и вовсе не шунтировать.
Бутстрепное питание в таком виде работать не будет, и весь драйвер тоже. Как вы собираетесь заряжать конденсаторы 10 мкФ и 0.1 мкФ - которые, собственно, и питают верхний драйвер?

_________________
И хрюкотали зелюки,
Как мюмзики в мове.

На каждый РКН
Найдётся VPN.


Вернуться наверх
 
Не в сети
 Заголовок сообщения: Re: Подача импульсов высокого напряжения в цепь питания
СообщениеДобавлено: Пн дек 16, 2024 16:39:12 
Говорящий с текстолитом

Карма: 20
Рейтинг сообщений: 513
Зарегистрирован: Чт авг 10, 2017 20:57:51
Сообщений: 1692
Рейтинг сообщения: 0
Изображение
Набросал по-быстрому. Схему не делал.

Вложение:
Boris SEM_1.png [57.26 KiB]
Скачиваний: 39


Вернуться наверх
 
Не в сети
 Заголовок сообщения: Re: Подача импульсов высокого напряжения в цепь питания
СообщениеДобавлено: Пн дек 16, 2024 17:09:15 
Родился

Зарегистрирован: Сб дек 14, 2024 20:29:53
Сообщений: 12
Рейтинг сообщения: 0
Диод не нужен, это анахронизьм, я считаю. Раньше такими диодами формировали мёртвое время в (полу)мостовых схемах, сейчас его делают сами драйвера. Резистор 10 Ом мало влияет на переключение, можно его диодом и вовсе не шунтировать.
Бутстрепное питание в таком виде работать не будет, и весь драйвер тоже. Как вы собираетесь заряжать конденсаторы 10 мкФ и 0.1 мкФ - которые, собственно, и питают верхний драйвер?


Судя по документации драйвер IR2117BPF включается подобным образом. Нижнего плеча - не предусмотрено. Разве заряд конденсаторов не проходит через Vb b Vs и транзистор таким образом не будет открываться?

Добавлено after 8 minutes 10 seconds:
Изображение
Набросал по-быстрому. Схему не делал.

Вложение:
Boris SEM_1.png


Как вариант - вполне интересный. На 100 В можете попробовать прогнать в симуляторе?


Вернуться наверх
 
Не в сети
 Заголовок сообщения: Re: Подача импульсов высокого напряжения в цепь питания
СообщениеДобавлено: Пн дек 16, 2024 17:17:28 
Друг Кота
Аватар пользователя

Карма: 31
Рейтинг сообщений: 938
Зарегистрирован: Пт сен 10, 2021 15:19:36
Сообщений: 6406
Откуда: Протвино
Рейтинг сообщения: 0
Boris SEM, чтоб работала бутстрепная накачка - исток верхнего ключа должен присаживаться на 0V, иначе через диод накачки ничего не потечет.
(ну или Vcc драйвера должно быть на 10-13V больше минимального напряжения на истоке верхнего ключа)


а какие у вас длительности импульсов?, возможно проще сделалать чтото вроде того что предлагает diplodok


Вернуться наверх
 
Не в сети
 Заголовок сообщения: Re: Подача импульсов высокого напряжения в цепь питания
СообщениеДобавлено: Пн дек 16, 2024 17:24:29 
Говорящий с текстолитом

Карма: 20
Рейтинг сообщений: 513
Зарегистрирован: Чт авг 10, 2017 20:57:51
Сообщений: 1692
Рейтинг сообщения: 0
100V
Изображение
Вложение:
Boris SEM_2.png [46.55 KiB]
Скачиваний: 35




Здесь ограничение по макс напр., мощность транзисторов. Можно/нужно подбирать R2.
На место BF422 - KT940


Вернуться наверх
 
Не в сети
 Заголовок сообщения: Re: Подача импульсов высокого напряжения в цепь питания
СообщениеДобавлено: Пн дек 16, 2024 17:25:13 
Родился

Зарегистрирован: Сб дек 14, 2024 20:29:53
Сообщений: 12
Рейтинг сообщения: 0
Диод не нужен, это анахронизьм, я считаю. Раньше такими диодами формировали мёртвое время в (полу)мостовых схемах, сейчас его делают сами драйвера. Резистор 10 Ом мало влияет на переключение, можно его диодом и вовсе не шунтировать.
Бутстрепное питание в таком виде работать не будет, и весь драйвер тоже. Как вы собираетесь заряжать конденсаторы 10 мкФ и 0.1 мкФ - которые, собственно, и питают верхний драйвер?


например как здесь: Изображение


Вернуться наверх
 
Не в сети
 Заголовок сообщения: Re: Подача импульсов высокого напряжения в цепь питания
СообщениеДобавлено: Пн дек 16, 2024 17:30:34 
Друг Кота
Аватар пользователя

Карма: 31
Рейтинг сообщений: 938
Зарегистрирован: Пт сен 10, 2021 15:19:36
Сообщений: 6406
Откуда: Протвино
Рейтинг сообщения: 0
Boris SEM, я же выше написал...
в вашем примере нагрузка не подпитывается в обход ключа и соответственно засаживается в 0V при закрытии ключа, что и создает условия для зарядки бутстрепного конденсатора до почти Vcc (нижнего питания) драйвера


можете например сделать приемлемый мощный нагрузочный резистор (скажем 5k) который будет засаживать ваш верхний ключ к 0V
(и обеспечивающий зарядку Сb)

а уже с этого резистора - шоттки диод инжектирующий помеху в питание устройства постоянно питающегося от некогнго напряжения.


Вернуться наверх
 
Показать сообщения за:  Сортировать по:  Вернуться наверх
Начать новую тему Ответить на тему  [ Сообщений: 43 ]  1, ,  

Часовой пояс: UTC + 3 часа


Кто сейчас на форуме

Сейчас этот форум просматривают: RAZOR9600 и гости: 40


Вы не можете начинать темы
Вы не можете отвечать на сообщения
Вы не можете редактировать свои сообщения
Вы не можете удалять свои сообщения
Вы не можете добавлять вложения

Найти:
Перейти:  


Powered by phpBB © 2000, 2002, 2005, 2007 phpBB Group
Русская поддержка phpBB
Extended by Karma MOD © 2007—2012 m157y
Extended by Topic Tags MOD © 2012 m157y