Например TDA7294

Форум РадиоКот • Просмотр темы - Защита от сквозного тока при управлении силовым Н-мостом
Форум РадиоКот
Здесь можно немножко помяукать :)

Текущее время: Пт мар 20, 2026 10:39:39

Часовой пояс: UTC + 3 часа


ПРЯМО СЕЙЧАС:



Начать новую тему Ответить на тему  [ Сообщений: 38 ]  1,  
Автор Сообщение
 Заголовок сообщения: Защита от сквозного тока при управлении силовым Н-мостом
СообщениеДобавлено: Вт фев 17, 2026 12:18:08 
Нашел транзистор. Понюхал.

Зарегистрирован: Вт июн 27, 2023 18:21:03
Сообщений: 168
Рейтинг сообщения: 0
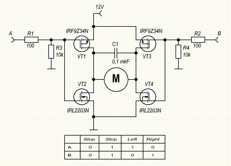
У меня есть два мотора, которые управляются кнопками на пульте. По две кнопки на мотор, т.е. вперёд и назад. Много лет пользуюсь релейной сборкой. К ней нет особых претензий, кроме габарита и экзотичности релюх. Сдохнет хоть одна - придётся переделывать всю сборку. В связи с чем я решил перейти на Н-мост из мосфетов.

Попробовал схему как на рисунке, начал проверять. Поначалу всё нормально, одна кнопка вперёд, другая назад. Нажал две одновременно, - тоже порядок. Начал жать одновременно две в хаотическом порядке, и добился своего, - сквозной пробой и всё в дым. С релейной сборкой такое в принципе невозможно. Первое сработавшее реле сначала отключает ненужные, и только потом замыкает нужные контакты. Мосфеты работают быстрее).

При реальном использовании одновременное нажатие на две кнопки, это случай крайне маловероятный, но всё же возможный. Потеря управления этими моторами на месте применения не устранима и крайне нежелательна. В общем, если делать нечто подобное, то с железобетонной защитой от сквозного тока.

Может, кто подскажет, как можно реализовать такую защиту?
Да, при экспериментах с приведённой схемой я подтягивал затворы не к земле, а к плюсу. Это чтобы не было плюса на моторах в режиме ожидания.

Рабочий ток 10- 15А, напряжение 12-19В


Вложения:
мотор-реверс на мосфетах.jpg [92.86 KiB]
Скачиваний: 156
Вернуться наверх
 
 Заголовок сообщения: Re: Защита от сквозного тока при управлении силовым Н-мостом
СообщениеДобавлено: Вт фев 17, 2026 12:33:09 
Друг Кота
Аватар пользователя

Карма: 59
Рейтинг сообщений: 2255
Зарегистрирован: Чт янв 26, 2012 16:44:29
Сообщений: 20066
Откуда: Таксимо
Рейтинг сообщения: 0
Схему задержки запрета на логике сделай

_________________
Мои поставщики запчастей с отличной репутацией
texnomag.ru
radioremont.com
pl-1.org
4ip.info
elitan.ru


Вернуться наверх
 
 Заголовок сообщения: Re: Защита от сквозного тока при управлении силовым Н-мостом
СообщениеДобавлено: Вт фев 17, 2026 18:30:47 
Первый раз сказал Мяу!

Зарегистрирован: Ср янв 22, 2025 13:53:28
Сообщений: 37
Рейтинг сообщения: 0
Мелкие транзисторы переключатся быстрее.
Вложение:
комм.GIF [9.28 KiB]
Скачиваний: 35


Вернуться наверх
 
 Заголовок сообщения: Re: Защита от сквозного тока при управлении силовым Н-мостом
СообщениеДобавлено: Вт фев 17, 2026 18:39:18 
Электрический кот

Карма: 2
Рейтинг сообщений: 127
Зарегистрирован: Пт ноя 22, 2024 14:08:43
Сообщений: 1084
Рейтинг сообщения: 0
Darmok писал(а):
быстрее

игра "в быстрее" никому не нужна....))
просто надо логикой разделять моменты переключений...


Вернуться наверх
 
Эиком - электронные компоненты и радиодетали
 Заголовок сообщения: Re: Защита от сквозного тока при управлении силовым Н-мостом
СообщениеДобавлено: Ср фев 18, 2026 10:40:52 
Первый раз сказал Мяу!

Зарегистрирован: Ср янв 22, 2025 13:53:28
Сообщений: 37
Рейтинг сообщения: 0
Транзисторы пробиваются не сквозным током. Если бы это было так, то их бы пробивало при любом нажатии любой кнопки. Причина в другом. Нажимаем одну кнопку, двигатель раскручивается. Теперь отпускаем эту кнопку, двигатель оказывается закорочен и быстро тормозится. Двигатель оказывается в положении генератора спадающего тока в начале примерно равному тому который в нем протекал. Рассмотрим случай с хаотичным нажатием двух кнопок одновременно. Нажимаем одну кнопку, двигатель раскручивается. Нажимаем вторую кнопку и одновременно отпускаем первую. Если правильно угадать момент, получаем реверс напряжения на двигателе без промежуточного торможения закорачиванием. Прием торможения двигателя реверсом существует и применяется на практике для очень быстрого, с точки зрения человека, почти мгновенного останова двигателя. Вся механическая энергия, накопленная во вращающемся двигателе, преобразуется в ток. Этот ток может быть очень большим по величине, по всей видимости он и разрушает транзисторы. Предложенное мной решение не дает получить реверс без предварительного торможения. ИМХО.


Вернуться наверх
 
 Заголовок сообщения: Re: Защита от сквозного тока при управлении силовым Н-мостом
СообщениеДобавлено: Ср фев 18, 2026 10:43:31 
Друг Кота
Аватар пользователя

Карма: 59
Рейтинг сообщений: 2255
Зарегистрирован: Чт янв 26, 2012 16:44:29
Сообщений: 20066
Откуда: Таксимо
Рейтинг сообщения: 0
Сделать как на стеклоподьемниках чтоьы одновременно не нажимались обе кнопки

_________________
Мои поставщики запчастей с отличной репутацией
texnomag.ru
radioremont.com
pl-1.org
4ip.info
elitan.ru


Вернуться наверх
 
 Заголовок сообщения: Re: Защита от сквозного тока при управлении силовым Н-мостом
СообщениеДобавлено: Ср фев 18, 2026 11:17:36 
Нашел транзистор. Понюхал.

Зарегистрирован: Вт июн 27, 2023 18:21:03
Сообщений: 168
Рейтинг сообщения: 0
Этот ток может быть очень большим по величине, по всей видимости он и разрушает транзисторы. .


Откуда там большой ток? Максимально возможный - двойной от рабочего. Совершенно не агрумент для применяемых мосфетов. Таки сквозной пробой одного или сразу двух плеч Н-моста.

Добавлено after 1 minute 30 seconds:
Сделать как на стеклоподьемниках чтоьы одновременно не нажимались обе кнопки


Для чего тогда придумали электронику?)

Добавлено after 1 minute 10 seconds:
Схему задержки запрета на логике сделай


Плохо, что эту логику всегда придётся держать под питанием.
Если уж про логику, то тут ардуино вне конкуренции.


Вернуться наверх
 
 Заголовок сообщения: Re: Защита от сквозного тока при управлении силовым Н-мостом
СообщениеДобавлено: Ср фев 18, 2026 11:41:20 
Первый раз сказал Мяу!

Зарегистрирован: Ср янв 22, 2025 13:53:28
Сообщений: 37
Рейтинг сообщения: 0
Откуда там большой ток? Максимально возможный - двойной от рабочего. Совершенно не агрумент для применяемых мосфетов. Таки сквозной пробой одного или сразу двух плеч Н-моста.


Во вращающемся двигателе накоплена механическая энергия, зависящая от угловой скорости вращения и массы ротора, а в практическом случае еще и от массы вращающейся нагрузки на двигателе. При торможении эта энергия должна куда-то выделяться, чем меньше интервал времени, за который эта энергия выделяется, тем выше плотность потока энергии, в данном случае величина тока. Единственным ограничителем тока будет сопротивление обмотки. Где Вы видите ограничение тока в максимум двойной от рабочего? Впрочем, дело Ваше, Вам решать.


Вернуться наверх
 
 Заголовок сообщения: Re: Защита от сквозного тока при управлении силовым Н-мостом
СообщениеДобавлено: Ср фев 18, 2026 19:09:29 
Друг Кота
Аватар пользователя

Карма: 59
Рейтинг сообщений: 2255
Зарегистрирован: Чт янв 26, 2012 16:44:29
Сообщений: 20066
Откуда: Таксимо
Рейтинг сообщения: 0
Значит тормозной резистор ставить, еще дополнительная логика, датчики тока и прочее

Добавлено after 6 hours 34 minutes 44 seconds:
Ещеикак вариант к логике, чтоб тормозной резистор не ставить и не усложнять. Можно измерить гарантированное время остановки и блокировать на это время нажатие реверса. Будет попроще, но зато х мост останется какой есть

_________________
Мои поставщики запчастей с отличной репутацией
texnomag.ru
radioremont.com
pl-1.org
4ip.info
elitan.ru


Вернуться наверх
 
 Заголовок сообщения: Re: Защита от сквозного тока при управлении силовым Н-мостом
СообщениеДобавлено: Чт фев 19, 2026 12:04:24 
Нашел транзистор. Понюхал.

Зарегистрирован: Вт июн 27, 2023 18:21:03
Сообщений: 168
Рейтинг сообщения: 0
Значит тормозной резистор ставить, еще дополнительная логика, датчики тока и прочее

Добавлено after 6 hours 34 minutes 44 seconds:
Ещеикак вариант к логике, чтоб тормозной резистор не ставить и не усложнять. Можно измерить гарантированное время остановки и блокировать на это время нажатие реверса. Будет попроще, но зато х мост останется какой есть


"Усложнять", это как раз логика)
Чтобы избежать сквозняка, надо чтобы транзисторы закрывались быстро, а открывались медленно. Может, просто на затворы добавить rc-цепочки с диодами?


Вернуться наверх
 
 Заголовок сообщения: Re: Защита от сквозного тока при управлении силовым Н-мостом
СообщениеДобавлено: Чт фев 19, 2026 12:32:57 
Друг Кота
Аватар пользователя

Карма: 23
Рейтинг сообщений: 406
Зарегистрирован: Вс окт 24, 2010 16:02:46
Сообщений: 3522
Откуда: Ижевск
Рейтинг сообщения: 0
Сделайте управление транзисторами через реле :))) Релюшки попроще можно будет использовать :)


Вернуться наверх
 
 Заголовок сообщения: Re: Защита от сквозного тока при управлении силовым Н-мостом
СообщениеДобавлено: Чт фев 19, 2026 20:33:52 
Сверлит текстолит когтями
Аватар пользователя

Карма: 6
Рейтинг сообщений: 231
Зарегистрирован: Пн ноя 08, 2021 13:12:57
Сообщений: 1229
Откуда: 58С 58В
Рейтинг сообщения: 0
Илья МГУ писал(а):
Чтобы избежать сквозняка, надо чтобы транзисторы закрывались быстро, а открывались медленно. Может, просто на затворы добавить rc-цепочки с диодами?

Транзисторы будут греться при медленном переключении (активный режим). :wink:

_________________
Свежий взгляд из прошлого тысячелетия.


Вернуться наверх
 
 Заголовок сообщения: Re: Защита от сквозного тока при управлении силовым Н-мостом
СообщениеДобавлено: Пт фев 20, 2026 09:41:41 
Мудрый кот

Карма: 20
Рейтинг сообщений: 519
Зарегистрирован: Чт авг 10, 2017 20:57:51
Сообщений: 1725
Рейтинг сообщения: 0
Время для разминки :)
Изображение
Вложение:
Ilq_drv_1.png [80.78 KiB]
Скачиваний: 10

На U3A сделан генератор для удобство - нужно убрать - входы D,C D-триггера на массу.
По схеме:
Триггер переключается по входам S,R. На U2A сделан детектор переключения. На выходе такое:Изображение короткие импульсы
С выхода U2A на схеме И (D5) и через инвертор U2B на схеме ИЛИ (D3) => формируется задержка сигналов для MOS.
Потом на драйвера .......
Сквозной "ток" порядка 1.2 mA :)))
Изображение

Схему не делал .... И не буду .... :)))


Вернуться наверх
 
 Заголовок сообщения: Re: Защита от сквозного тока при управлении силовым Н-мостом
СообщениеДобавлено: Пт фев 20, 2026 10:03:31 
Друг Кота
Аватар пользователя

Карма: 59
Рейтинг сообщений: 2255
Зарегистрирован: Чт янв 26, 2012 16:44:29
Сообщений: 20066
Откуда: Таксимо
Рейтинг сообщения: 0
Достаточно на ла7 или ле5 триггера

_________________
Мои поставщики запчастей с отличной репутацией
texnomag.ru
radioremont.com
pl-1.org
4ip.info
elitan.ru


Вернуться наверх
 
 Заголовок сообщения: Re: Защита от сквозного тока при управлении силовым Н-мостом
СообщениеДобавлено: Пт фев 20, 2026 11:35:35 
Нашел транзистор. Понюхал.

Зарегистрирован: Вт июн 27, 2023 18:21:03
Сообщений: 168
Рейтинг сообщения: 0
Сделайте управление транзисторами через реле :))) Релюшки попроще можно будет использовать :)


А кстати, нормальная идея. Релюшки могут быть крохотными на малые токи.

Добавлено after 41 minute 46 seconds:
Илья МГУ писал(а):
Чтобы избежать сквозняка, надо чтобы транзисторы закрывались быстро, а открывались медленно. Может, просто на затворы добавить rc-цепочки с диодами?

Транзисторы будут греться при медленном переключении (активный режим). :wink:


Так ли ужасен активный режим при длительности в 10мС (больше и не надо)? При токе 15А макс. Частота переключения не килогерцы, а 10 раз в сутки, а не в каждые)


Вернуться наверх
 
 Заголовок сообщения: Re: Защита от сквозного тока при управлении силовым Н-мостом
СообщениеДобавлено: Пт фев 20, 2026 13:37:04 
Друг Кота
Аватар пользователя

Карма: 116
Рейтинг сообщений: 4532
Зарегистрирован: Пт мар 30, 2012 05:17:29
Сообщений: 16343
Откуда: Екатеринбург
Рейтинг сообщения: 0
Раньше ставили в затвор резистор, зашунтированный диодом, который подключается анодом к затвору. Это как раз и решало задачу быстрее разрядить затвор, медленнее зарядить, таким образом исключая сквозной ток. Но сейчас уже третье тыщщелетие, сейчас сами драйвера мосфетов умеют обеспечивать мёртвый интервал между нижним и верхним ключами.

_________________
И хрюкотали зелюки,
Как мюмзики в мове.
_________________
На каждый РКН
Найдётся VPN.


Вернуться наверх
 
 Заголовок сообщения: Re: Защита от сквозного тока при управлении силовым Н-мостом
СообщениеДобавлено: Пт фев 20, 2026 22:27:12 
Нашел транзистор. Понюхал.

Зарегистрирован: Вт июн 27, 2023 18:21:03
Сообщений: 168
Рейтинг сообщения: 0
Но сейчас уже третье тыщщелетие, сейчас сами драйвера мосфетов умеют


Ничего они не умеют, не находясь под постоянным питанием, хоть какое там тыщелетие) Мне не годится, это пункт т.з. Если это невозможно, тогда возврат к реле.
Если бы я на это забил, то ардуина вне конкуренции. Минимум деталей и гарантированный результат.


Вернуться наверх
 
 Заголовок сообщения: Re: Защита от сквозного тока при управлении силовым Н-мостом
СообщениеДобавлено: Пт фев 20, 2026 23:03:35 
Друг Кота
Аватар пользователя

Карма: 116
Рейтинг сообщений: 4532
Зарегистрирован: Пт мар 30, 2012 05:17:29
Сообщений: 16343
Откуда: Екатеринбург
Рейтинг сообщения: 0
Тогда забейте на линейный режим и сделайте, как делали в прошлом тыщщщелетии: резистор плюс диод в каждый затвор.

_________________
И хрюкотали зелюки,
Как мюмзики в мове.
_________________
На каждый РКН
Найдётся VPN.


Вернуться наверх
 
 Заголовок сообщения: Re: Защита от сквозного тока при управлении силовым Н-мостом
СообщениеДобавлено: Сб фев 21, 2026 09:31:45 
Мудрый кот

Карма: 20
Рейтинг сообщений: 519
Зарегистрирован: Чт авг 10, 2017 20:57:51
Сообщений: 1725
Рейтинг сообщения: 0
Илья МГУ писал(а):
не находясь под постоянным питанием, .......
...... то ардуина вне конкуренции.


А ардуинку питать будете святым духом?

Твоя схема Изображение
Ключи подобрать по току


Вернуться наверх
 
 Заголовок сообщения: Re: Защита от сквозного тока при управлении силовым Н-мостом
СообщениеДобавлено: Вт мар 10, 2026 13:44:48 
Нашел транзистор. Понюхал.

Зарегистрирован: Вт июн 27, 2023 18:21:03
Сообщений: 168
Рейтинг сообщения: 0
Гуру, гляньте пожалуйста схемку. Будет такое работать? Суть - ключи открываются медленно, а закрываются быстро. Постоянная времени на открывание 10мС
Вложение:
н-мост_2.JPG [59.17 KiB]
Скачиваний: 29


Вернуться наверх
 
Показать сообщения за:  Сортировать по:  Вернуться наверх
Начать новую тему Ответить на тему  [ Сообщений: 38 ]  1,  

Часовой пояс: UTC + 3 часа


Вы не можете начинать темы
Вы не можете отвечать на сообщения
Вы не можете редактировать свои сообщения
Вы не можете удалять свои сообщения
Вы не можете добавлять вложения

Найти:
Перейти:  


Powered by phpBB © 2000, 2002, 2005, 2007 phpBB Group
Русская поддержка phpBB
Extended by Karma MOD © 2007—2012 m157y
Extended by Topic Tags MOD © 2012 m157y