Например TDA7294

Форум РадиоКот • Просмотр темы - Качели для SLA
Форум РадиоКот
Здесь можно немножко помяукать :)

Текущее время: Пн окт 20, 2025 06:36:29

Часовой пояс: UTC + 3 часа


ПРЯМО СЕЙЧАС:



Начать новую тему Ответить на тему  [ Сообщений: 169 ]     ... , , , 6, , ,  
Автор Сообщение
Не в сети
 Заголовок сообщения: Re: Качели для SLA
СообщениеДобавлено: Сб дек 14, 2013 23:54:53 
Друг Кота
Аватар пользователя

Карма: 48
Рейтинг сообщений: 96
Зарегистрирован: Пн мар 22, 2010 11:01:14
Сообщений: 7434
Откуда: СССР, г. Москва.
Рейтинг сообщения: 0
Нагружаю зарядку батареей резисторов 19 Ом, дроссель клацает и шипит синхронно с переключением между режимами "заряд" и "пауза".
Нагружаю зарядку батареей резисторов 14 Ом, активен только режим "заряд" и работает все бесшумно.
Подключил к аккумулятору, в режиме "заряд" идет верещание, в "пауза" тишина.

Барсик писал(а):
На Вашей плате проводник ON/OFF от LN2576 гуляет по всей плате. Попробуйте улалить перемычку, которая под дросселем, и подключить ногу 5 к земле как можно ближе к остальным ногам LM-ки. Будет верещать или нет?

Нагрузка 18 Ом - постоянный треск (очень похожий на шум кузнечика).
14 Ом - тишина.
Подключил кратковременно к аккумулятору, постоянное верещание.

_________________
Я рожден при социализме, и я этим горжусь!


Вернуться наверх
 
Не в сети
 Заголовок сообщения: Re: Качели для SLA
СообщениеДобавлено: Вс дек 15, 2013 14:55:57 
Друг Кота
Аватар пользователя

Карма: 28
Рейтинг сообщений: 267
Зарегистрирован: Ср сен 27, 2006 16:18:57
Сообщений: 3459
Рейтинг сообщения: 0
Чтобы импульсный зарядник в схеме с общим минусом download/file.php?id=164644 работал боле-менее прилично, надо, чтобы напряжение питания было раза в 1,5-2 больше, чем напряжение на аккумуляторе. Кстати, чем больше эта разность, тем выше кпд.
У Вас ток заряда 0,7А ? Если подключаете эквивалент нагрузки 19 Ом, то получается напряжение на "аккумуляторе": 19*0.7=13.3 С учётом падения напряжения на диоде и токоизмерительном резисторе на выходе ключа импульсного преобразователя должно быть никак не меньше 13,3+0,7+0,7 = 14,7 вольта. Да на самом ключе должно падать не меньше 1,5 вольта. Т.е. на входе ипульсного преобразователя должно быть не меньше 16,2 вольта. А какое у Вас напряжение питания, да ещё с учётом пульсаций?
Ясен пень, что с резистором в 14 Ом, ситуация несколько лучше, потому, что больше разность напряжения питания и напряжения на выходе.
С аккумулятором ситуация ещё более запутанная, поскольку нельзя сказать заранее, какое напряжение будет на нём при токе заряда 0,7А. Сильно зависит от степени заряженности этого аккумулятора...


Вернуться наверх
 
Не в сети
 Заголовок сообщения: Re: Качели для SLA
СообщениеДобавлено: Вс дек 15, 2013 21:24:57 
Друг Кота
Аватар пользователя

Карма: 48
Рейтинг сообщений: 96
Зарегистрирован: Пн мар 22, 2010 11:01:14
Сообщений: 7434
Откуда: СССР, г. Москва.
Рейтинг сообщения: 0
Барсик писал(а):
У Вас ток заряда 0,7А ?

Да.
Барсик писал(а):
А какое у Вас напряжение питания, да ещё с учётом пульсаций?

На сглаживающем конденсаторе 20 В пост. тока. Пульсации, думаю, не более 500 мВ. Скорее всего в районе 300 мВ.

Подкидывал другой трансформатор, на сглаживающем конденсаторе получил 31 В пост. тока - дроссель верещал, правда, немного тише.

_________________
Я рожден при социализме, и я этим горжусь!


Вернуться наверх
 
Не в сети
 Заголовок сообщения: Re: Качели для SLA
СообщениеДобавлено: Ср фев 26, 2014 10:44:45 
Открыл глаза

Карма: 1
Рейтинг сообщений: 2
Зарегистрирован: Пт ноя 01, 2013 09:49:18
Сообщений: 65
Рейтинг сообщения: 0
Доброго дня всем. спаял я качели по схеме Автор: Барсик с общим плюсом, вроде работает, подключал АК, выставил пороги, но есть одна непонятка для меня, светодиоды без нагрузки перемигуют с паузой до 6 секунд, это мои вторые качели которые я паял, с первыми такой проблемы не было. Посмотрите пожалуйста на моей печатке может что то не так, вчера просидел пол ночи и микросхему менял и транзисторы все равно перемигивания светодиодов идет с интервалом до 5-6 секунд. В прикрепленном файле печатка в формате lay6

Изображение


Вложения:
качели_lay6.rar [46.42 KiB]
Скачиваний: 507
Вернуться наверх
 
Эиком - электронные компоненты и радиодетали
Не в сети
 Заголовок сообщения: Re: Качели для SLA
СообщениеДобавлено: Ср фев 26, 2014 18:47:31 
Друг Кота
Аватар пользователя

Карма: 28
Рейтинг сообщений: 267
Зарегистрирован: Ср сен 27, 2006 16:18:57
Сообщений: 3459
Рейтинг сообщения: 0
pavlikai писал(а):
светодиоды без нагрузки перемигуют с паузой до 6 секунд
Такое будет, если параллельно аккумулятору подключён конденсатор относительно большой ёмкости. Похоже, Вы не туда засадили блокировочный конденсатор C1. У Вас там, на печатке, торчит некий конденсатор 200 мкф на 35 вольт. Сильное у меня подозрение, что не там, где надо, он торчит...


Вернуться наверх
 
Не в сети
 Заголовок сообщения: Re: Качели для SLA
СообщениеДобавлено: Ср фев 26, 2014 19:01:23 
Открыл глаза

Карма: 1
Рейтинг сообщений: 2
Зарегистрирован: Пт ноя 01, 2013 09:49:18
Сообщений: 65
Рейтинг сообщения: 0
да конденсатор я и вправду добавил. но такой конденсатор стоит и в первых качелях и там все нормально, но если он там не нужен я его уберу.


Последний раз редактировалось AlekseyEnergo Вт мар 04, 2014 12:41:31, всего редактировалось 1 раз.
Нарушение пункта 2.7 правил форума. Подредактировал. Предупредил!!


Вернуться наверх
 
Не в сети
 Заголовок сообщения: Re: Качели для SLA
СообщениеДобавлено: Пн апр 14, 2014 08:09:16 
Родился

Зарегистрирован: Пн апр 14, 2014 08:00:17
Сообщений: 4
Рейтинг сообщения: 0
Пара вопросов Барсику по схеме http://www.radiokot.ru/forum/download/f ... ?id=164644.
В чем смысл резистора R12? Может, параллельно C5 пропущен стабилитрон? Как выбирали VD8? Его напряжение стабилизации 18V. Не лишку ли? Вроде как туда надо что-нибудь вольт на 13? Прокомментируйте пожалуйста.


Вернуться наверх
 
Не в сети
 Заголовок сообщения: Re: Качели для SLA
СообщениеДобавлено: Пн апр 14, 2014 23:42:56 
Друг Кота
Аватар пользователя

Карма: 48
Рейтинг сообщений: 96
Зарегистрирован: Пн мар 22, 2010 11:01:14
Сообщений: 7434
Откуда: СССР, г. Москва.
Рейтинг сообщения: 0
Рискну частично ответить, пока Барсик занят :)


R12, С3, C5 образуют RC-фильтр по питанию. Стабилитрон можно добавить при необходимости гашения избыточного напряжения питания.

Цитата:
Как выбирали VD8? Его напряжение стабилизации 18V. Не лишку ли? Вроде как туда надо что-нибудь вольт на 13?

Этот стабилитрон работает (открыт) только при обрыве в нагрузке (отвалившемся проводе аккумулятора). Он открывается при напряжении 18 В, и "пинает" обратную связь микросхемы, таким образом ограничивая выходное напряжение на 18 В. Если в стабилизаторе тока не ограничить напряжение, то при обрыве нагрузки, он будет поднимать выходное напряжение, пытаясь нарастить требуемый ток, и выходные конденсаторы просто взорвутся :cry:

_________________
Я рожден при социализме, и я этим горжусь!


Вернуться наверх
 
Не в сети
 Заголовок сообщения: Re: Качели для SLA
СообщениеДобавлено: Вт апр 15, 2014 15:23:53 
Друг Кота
Аватар пользователя

Карма: 28
Рейтинг сообщений: 267
Зарегистрирован: Ср сен 27, 2006 16:18:57
Сообщений: 3459
Рейтинг сообщения: 0
Ответ совершенно правильный. Но есть одна неточность. При обрыве в нагрузке, напряжение на выходе будет = напряжение стабилизации стабилитрона + 1,2 вольта. (1,2 вольта это опорное напряжение в LM2576).


Вернуться наверх
 
Не в сети
 Заголовок сообщения: Re: Качели для SLA
СообщениеДобавлено: Чт апр 17, 2014 07:30:58 
Родился

Зарегистрирован: Пн апр 14, 2014 08:00:17
Сообщений: 4
Рейтинг сообщения: 0
Благодарю за ответы.


Вернуться наверх
 
Не в сети
 Заголовок сообщения: Re: Качели для SLA
СообщениеДобавлено: Сб апр 19, 2014 23:05:49 
Друг Кота
Аватар пользователя

Карма: 48
Рейтинг сообщений: 96
Зарегистрирован: Пн мар 22, 2010 11:01:14
Сообщений: 7434
Откуда: СССР, г. Москва.
Рейтинг сообщения: 2
Соник писал(а):
Подсоединил к аккумулятору. В периоды заряда дроссель верещит :cry: Что делать?

Барсик писал(а):
Знал бы я что делать, обязательно бы рассказал. Как насчёт того, чтобы поменять дроссель? Поменять диод? Влепить параллельно конденсаторам многослойную керамику или танталовые конденсаторы?


Подведу итог. В течении, почти одного года, было изготовлено три печатных платы, с разной трассировкой. При этом, плата первой версии постоянно работала.
Выкладываю печатку последней версии качелей по схеме http://www.radiokot.ru/forum/download/f ... ?id=164644 + там же устройство защиты аккумулятора от глубокого разряда (автор - тоже Барсик).
Все элементы подписаны, перемычки обозначены. Если будут вопросы - пишите, в том числе в ЛС.

Теория:
R шунта = 0,7 / I
R для зарядного тока 0,7 А = 1 Ом.

Принцип работы: заряд стабильным током по достижении напряжения на аккумуляторе = 14,5 В. После достижение этого порога стабилизатор тока отключатеся. И включится только после падения напряжения на аккумуляторе до 13,1 В.

Настройка: АКБ не подключать, подать питание. Между 2 и 3 ножками TL431 должно быть 4,8 В (4,75 В - пойдёт). Иначе подобрать резистор = 3 кОм на схеме (если напряжение ниже нормы (4,64 В) - номинал этого резистора необходимо увеличить).
Ползунки резистора MIN выставить на максимальное напряжение на ползунке, резистора MAX выставить на минимальное напряжение на ползунке.
Светодиоды, при наличии небольшого нагрузочного резистора, должны начать перемигиваться с частотой несколько Гц.

Проверить работу стабилизатора тока. Вместо аккумулятора подключить эквивалент нагрузки - мощный резистор сопротивлением 10 - 12 Ом и мощностью 6 - 10 ватт. Светодиод "заряд" должен светиться непрерывно, а "пауза" должен погаснуть. Убедиться, что ток через эквивалент нагрузки примерно равен 600 - 700 мА. Подбором шунтового резистора установить ток равным 700 мА. Точное значение тока устанавливать не имеет смысла. Убедиться, что при изменении сопротивления - эквивалента нагрузки, ток не меняется. Подключить аккумулятор, а к аккумулятору вольтметр.
Лучше, если аккумулятор уже заряженный - не придётся долго ждать, пока напряжение на нём достигнет 14,5 вольта. Как только напряжение станет равным 14,5 вольт, поставить движок подстроечного резистора R в такое положение, чтобы светодиод HL погас, а HL засветился. Напряжение на аккумуляторе начнёт уменьшаться. Как только оно уменьшится до 13,1 вольта, поставить движок подстроечного резистора R в такое положение, чтобы светодиод HL погас, а HL засветился. Проследить, в каких пределах качается напряжение, и подстроить
пороги поточнее.
Выставить точные напряжения верхнего (14,5 В) и нижнего (13,1 В) порогов.

АКБ лучше подключать по четырёхпроводной схеме, чтобы не замерять падение напряжения на проводах.

Диодный термодатчик должен быть приклеен скотчем к аккумулятору. 6 банок это 12 - 14 вольт. Это напряжение делится делителем примерно в три раза и сравнивается с опорным 4,8 вольта. Четыре диода дают компенсацию опорного напряжения 8 - 10 мВ на градус. Для полного напряжения батареи (12 - 14 вольт) компенсация будет в три раза больше: 24 - 30 мВ на градус. Что нам и требуется.

Проверка исправности каскада термокомпенсирования:
четыре диода термодатчика надо погружать их в баночку с водой, а температуру контролировать термометром. Если при 20 градусах опорное 4,80 вольта (напряжение на плюсовой обкладке конденсатора), то при
0 градусов должно быть 4,96 - 5,00 вольт. Диоды должны быть в герметичной упаковке, водой их мочить нельзя.

Плата "разделена" на два узла: качели, и устройство защиты. Узлы соединяются двумя проводными перемычками,выпаяв которые, можно настроить каждый по отдельности.
Для проверки импульсного преобразоателя качелей нужно замкнуть ногу вкл/откл 2576 на землю (выход компаратора - открытый коллектор, соединение этого выхода с землёй ничем не может повредить компаратору) -
на выходе импульсника стало постоянное напряжение 18 В. Стало быть силовая часть исправна.

Перед настройкой дайте плате и радиатору прогреться, для осуществления теплового равновесия.
На отдельную плату ставится варистор. К трансформатору примотан термопредохранитель 130*С. Устройство собрано в корпусе от древнего UPS, аккумулятор стоит в этом же корпусе. Платка передней панели (с кнопкой и двумя светодиодами) тоже в архиве.
Надеюсь, моя писанина кому-то пригодится :)


Вложения:
качели. трассировка Соник.rar [30.22 KiB]
Скачиваний: 690

_________________
Я рожден при социализме, и я этим горжусь!
Вернуться наверх
 
Не в сети
 Заголовок сообщения: Re: Качели для SLA
СообщениеДобавлено: Пн апр 28, 2014 22:02:02 
Друг Кота
Аватар пользователя

Карма: 48
Рейтинг сообщений: 96
Зарегистрирован: Пн мар 22, 2010 11:01:14
Сообщений: 7434
Откуда: СССР, г. Москва.
Рейтинг сообщения: 0
Датчик тока установлен на минусовой провод идущий к аккумулятору, сразу после колодки с 10А предохранителем. В платку впаян геркон, защищенный отрезком пластиковой трубки от стержня гелевой ручки. На геркон намотаны витки провода. Чем больше витков - тем при меньшем токе в нагрузки замыкается геркон. Провода от геркона выведены на плату, подключены к устройству защиты.
У меня 2,5 витка - геркон срабатывает при токе около 10,0 А. При КЗ в нагрузке защита срабатывает идеально :)
http://img.radiokot.ru/files/20714/brnkjjukk.jpg
http://img.radiokot.ru/files/20714/brnkl2pbk.jpg


Вложения:
датчик тока. Соник.rar [1.51 KiB]
Скачиваний: 485

_________________
Я рожден при социализме, и я этим горжусь!
Вернуться наверх
 
Не в сети
 Заголовок сообщения: Re: Качели для SLA
СообщениеДобавлено: Пт июл 11, 2014 06:04:18 
Родился

Зарегистрирован: Вт май 08, 2012 16:52:55
Сообщений: 15
Рейтинг сообщения: 0
Здравствуйте.
А есть ли возможность сделать регулируемым зарядный ток в пределах от 0,45А до 0,75А?
Заранее спасибо.


Вернуться наверх
 
Не в сети
 Заголовок сообщения: Re: Качели для SLA
СообщениеДобавлено: Пт июл 11, 2014 16:31:07 
Друг Кота
Аватар пользователя

Карма: 28
Рейтинг сообщений: 267
Зарегистрирован: Ср сен 27, 2006 16:18:57
Сообщений: 3459
Рейтинг сообщения: 0
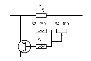
wow4an писал(а):
сделать регулируемым зарядный ток в пределах от 0,45А до 0,75А
Если в небольших пределах, как у Вас, то можно поставить параллельно токозадающему резистору делитель напряжения с переменным сопротивлением.


Вложения:
current_limit_regulator.gif [1.63 KiB]
Скачиваний: 1059
Вернуться наверх
 
Не в сети
 Заголовок сообщения: Re: Качели для SLA
СообщениеДобавлено: Сб июл 12, 2014 14:25:17 
Родился

Зарегистрирован: Вт май 08, 2012 16:52:55
Сообщений: 15
Рейтинг сообщения: 0
Вот спасибо добрый человек!
А транзистор типа КТ815 ставить?


Вернуться наверх
 
Не в сети
 Заголовок сообщения: Re: Качели для SLA
СообщениеДобавлено: Сб июл 12, 2014 21:06:38 
Друг Кота
Аватар пользователя

Карма: 28
Рейтинг сообщений: 267
Зарегистрирован: Ср сен 27, 2006 16:18:57
Сообщений: 3459
Рейтинг сообщения: 0
Транзистор такой же, как на изначальной схеме. Схемы могут быть разными. Их три. По какой схеме Вы будете собирать, я не знаю.


Вернуться наверх
 
Не в сети
 Заголовок сообщения: Re: Качели для SLA
СообщениеДобавлено: Вс июл 13, 2014 11:48:36 
Родился

Зарегистрирован: Вт май 08, 2012 16:52:55
Сообщений: 15
Рейтинг сообщения: 0
Я собрал ту, что в статье http://radiokot.ru/circuit/power/charger/28/
Просто глянул, что транзистор и номиналы резисторов отличаются, вот и подумал, что требуется прикрутить всю схемку, которыю Вы скинули в предыдущем посте :))


Вернуться наверх
 
Не в сети
 Заголовок сообщения: Re: Качели для SLA
СообщениеДобавлено: Чт июл 31, 2014 15:49:18 
Вымогатель припоя

Карма: 1
Рейтинг сообщений: 11
Зарегистрирован: Сб июл 07, 2012 23:01:25
Сообщений: 602
Рейтинг сообщения: 0
Всем доброго дня.Ребята обращаюсь к всем кто что подскажет.АКБ от авто 60 А/Ч. Машина стояло почти 2 месяца .На АКБ напряжение всего 9 в. Плотность полный НОЛЬ! После зарядки до 14.6 в ста током 6А плотность так и не поднялся совсем,но разрядную вилку держит.Затем перевернул АКБ слил все что было налил дистил воду про бултыхал и снова перевернув все слил.Залил готовый электролит 1.27 и поставил на заряд до напряжения 16 в с автоматическим зарядным устройством СЛОНА http://electronics-lab.ru/blog/123.html После полной зарядки плотность всего 1.2 т.е 50% заряда.Но перед тем заряжать делал тренировку т.е заряд разряд ну а потом обычный заряд.АКБ всего использован на ОПЕЛЕ 3 года.Так вот вопрос:в чем дело почему плотность не поднимается???НО разрядную вилку держит прекрасно. Спасибо всем кто поможет советом. с/у Юра.


Вернуться наверх
 
Не в сети
 Заголовок сообщения: Re: Качели для SLA
СообщениеДобавлено: Сб фев 21, 2015 22:49:16 
Поставщик валерьянки для Кота
Аватар пользователя

Карма: 28
Рейтинг сообщений: 209
Зарегистрирован: Ср май 01, 2013 13:53:56
Сообщений: 2168
Откуда: с пальмы в Рио-Инженейро
Рейтинг сообщения: 0
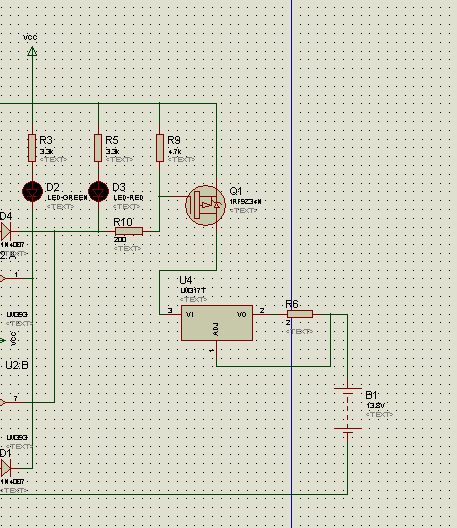
Отличная штука. Хочу сделать, но принципиально без LM2576. Вот тупой вариант замены на LM317с ключом (протеус). Кто подскажет как прикрутить чтобы в импульсном режиме без нагрева LM317? :dont_know: Сделаю как есть, только питание подберу чтобы без избытка. А кто хочет питать широким диапазоном U, то перед LM317 нужно воткнуть импульсный предстабилизатор и в путь. Это в одной из тем уже обсуждалось

У-У-У. На левые резисторы и генератор синуса не обращайте внимания, это чтобы U менялось и было видно как перемигивает. Конденсаторы убрал чтобы протеус не сильно нагружать.

СпойлерИзображение


Вложения:
конец.PNG [14 KiB]
Скачиваний: 2579
качели [LM2576 замена LM317].rar [19.78 KiB]
Скачиваний: 497

_________________
электропримат паяю даже лёжа...


Последний раз редактировалось fedyasolder Вс фев 22, 2015 14:10:09, всего редактировалось 1 раз.
Вернуться наверх
 
Не в сети
 Заголовок сообщения: Re: Качели для SLA
СообщениеДобавлено: Вс фев 22, 2015 13:21:52 
Друг Кота
Аватар пользователя

Карма: 28
Рейтинг сообщений: 267
Зарегистрирован: Ср сен 27, 2006 16:18:57
Сообщений: 3459
Рейтинг сообщения: 0
Нет у меня "Протеуса". И работать с ним я не умею... :cry:


Вернуться наверх
 
Показать сообщения за:  Сортировать по:  Вернуться наверх
Начать новую тему Ответить на тему  [ Сообщений: 169 ]     ... , , , 6, , ,  

Часовой пояс: UTC + 3 часа


Кто сейчас на форуме

Сейчас этот форум просматривают: нет зарегистрированных пользователей и гости: 28


Вы не можете начинать темы
Вы не можете отвечать на сообщения
Вы не можете редактировать свои сообщения
Вы не можете удалять свои сообщения
Вы не можете добавлять вложения

Найти:
Перейти:  


Powered by phpBB © 2000, 2002, 2005, 2007 phpBB Group
Русская поддержка phpBB
Extended by Karma MOD © 2007—2012 m157y
Extended by Topic Tags MOD © 2012 m157y