Например TDA7294

Форум РадиоКот • Просмотр темы - Паяльная станция с энкодером.
Форум РадиоКот
Здесь можно немножко помяукать :)

Текущее время: Чт янв 29, 2026 17:36:55

Часовой пояс: UTC + 3 часа


ПРЯМО СЕЙЧАС:



Начать новую тему Ответить на тему  [ Сообщений: 3394 ]     ... , , , 99, , , ...  
Автор Сообщение
Не в сети
 Заголовок сообщения: Re: Паяльная станция с энкодером.
СообщениеДобавлено: Вс май 10, 2015 23:52:10 
Опытный кот

Карма: 1
Рейтинг сообщений: 81
Зарегистрирован: Вс мар 17, 2013 18:54:07
Сообщений: 883
Рейтинг сообщения: 1
Полевик в линейном режиме...


Вернуться наверх
 
Не в сети
 Заголовок сообщения: Re: Паяльная станция с энкодером.
СообщениеДобавлено: Пн май 11, 2015 09:27:01 
Родился
Аватар пользователя

Зарегистрирован: Чт апр 23, 2015 00:27:23
Сообщений: 14
Рейтинг сообщения: 0
То что мосфет в линейном режиме это понятно по нагреву. Сопротивление нагревателя вместе с кабелем 3,4 Ом.
Вот видео с осциллограммой на затворе мосфета.
Амплитуда 7В, Длительность импульса 3мс, Время между импульсами 18-20мс. -Это если верить осциллографу.
[youtube]https://youtu.be/TaJv9gaQ8GE[/youtube]
Может мосфеты левые или перемаркированная гадость.


Последний раз редактировалось freement Пн май 11, 2015 10:12:42, всего редактировалось 1 раз.

Вернуться наверх
 
Не в сети
 Заголовок сообщения: Re: Паяльная станция с энкодером.
СообщениеДобавлено: Пн май 11, 2015 09:40:44 
Сверлит текстолит когтями
Аватар пользователя

Карма: 11
Рейтинг сообщений: 91
Зарегистрирован: Сб ноя 16, 2013 16:23:02
Сообщений: 1152
Откуда: Fe-City (46)
Рейтинг сообщения: 1
китайский нагреватель в 3,4 ома? по идее должно быть в 4 раза больше

а с нагревателем что термопара или термосопротивление?
какое сопротивление измерительного элемента?

нагреватель керамический или металлический?

подозрение что полевик на кз работает...

_________________
СпойлерБороться и искать, найти и перепрятать...


Вернуться наверх
 
Не в сети
 Заголовок сообщения: Re: Паяльная станция с энкодером.
СообщениеДобавлено: Пн май 11, 2015 10:11:36 
Родился
Аватар пользователя

Зарегистрирован: Чт апр 23, 2015 00:27:23
Сообщений: 14
Рейтинг сообщения: 0
Если верить надписи то нагреватель hakko 003, паяльник от станции Lukey 852d+.
Нагреватель должен быть керамический если это не подделка. В нагревателе стоит терморезистор сопротивлением 50Ом (при нагреве его показания изменяются).
Изображение
Станцию собирал по вашей ПП, версия с ошибкой - не было контакта под питание контроллера после дросселя.

Где то были галогенки на 24В 20Вт. Найду - подкину вместо нагревателя.

посмотрел здесь, похоже что мой нагреватель оригинальный
http://www.eevblog.com/forum/reviews/genuine-vs-fake-hakko-936-ceramic-heater-a1321/

Если я правильно понял то Hakko 003 это Hakko A1321. Для них сопротивление нагревателя 2,5-3,5 Ом норма, сопротивление датчика 43-58 Ом.
завтра приобрету в другом месте IRFZ44 или подберу что то с питания видиокарт/мат.плат.


Вернуться наверх
 
Эиком - электронные компоненты и радиодетали
Не в сети
 Заголовок сообщения: Re: Паяльная станция с энкодером.
СообщениеДобавлено: Пн май 11, 2015 13:12:06 
Сверлит текстолит когтями
Аватар пользователя

Карма: 11
Рейтинг сообщений: 91
Зарегистрирован: Сб ноя 16, 2013 16:23:02
Сообщений: 1152
Откуда: Fe-City (46)
Рейтинг сообщения: 0
Выходит что у тебя паяльник с термосопротивлением а на плате усилитель для термопары?

_________________
СпойлерБороться и искать, найти и перепрятать...


Вернуться наверх
 
Не в сети
 Заголовок сообщения: Re: Паяльная станция с энкодером.
СообщениеДобавлено: Пн май 11, 2015 14:11:50 
Родился
Аватар пользователя

Зарегистрирован: Чт апр 23, 2015 00:27:23
Сообщений: 14
Рейтинг сообщения: 0
Нет, один канал переделан под терморезистор, с измерением температуры проблем нет. Проблемы с нагревом.


Вернуться наверх
 
Не в сети
 Заголовок сообщения: Re: Паяльная станция с энкодером.
СообщениеДобавлено: Пн май 11, 2015 17:28:25 
Опытный кот

Карма: 1
Рейтинг сообщений: 81
Зарегистрирован: Вс мар 17, 2013 18:54:07
Сообщений: 883
Рейтинг сообщения: 1
Почему не IRLZ44 ? Чтобы не гадать про уровень на затворе...

Ослик , канечна, интересную картинку рисует. Откуда на затворе 7v ?.
И ли так все запущено, что входной усилитель не поддается регулировке-калибровке ?


Вернуться наверх
 
Не в сети
 Заголовок сообщения: Re: Паяльная станция с энкодером.
СообщениеДобавлено: Вт май 12, 2015 20:45:32 
Родился
Аватар пользователя

Зарегистрирован: Чт апр 23, 2015 00:27:23
Сообщений: 14
Рейтинг сообщения: 0
Сегодня поставил IRLZ44 и паяльник ожил. Только мне невдомёк почему были проблемы с IRFZ44 ведь у IRFZ44 и IRLZ44 Gate Threshold Voltage = 2..4В. Что первый что второй транзистор должны работать в этой схеме. Может IRFZ44 были левые или я что то не понимаю?

Еще бузера с генератором на 5В не было, пришлось брать на 3В. Установил его в схему но добавил цепочку со стабилизатором чтобы на бузер не подавалось повышенное напряжение (резистор 47 Ом и стаб на 3В). Бузер потребляет 30 мА. Это правильное решение или могу угробить порт контроллера?

Ну и коротенькое видио как это все работает.
[youtube]https://youtu.be/WspIql8KxWc[/youtube]


Вернуться наверх
 
Не в сети
 Заголовок сообщения: Re: Паяльная станция с энкодером.
СообщениеДобавлено: Вт май 12, 2015 21:14:50 
Сверлит текстолит когтями
Аватар пользователя

Карма: 11
Рейтинг сообщений: 91
Зарегистрирован: Сб ноя 16, 2013 16:23:02
Сообщений: 1152
Откуда: Fe-City (46)
Рейтинг сообщения: 0
Молодец, осилил.
Какую схему усилителя выбрал для термосопротивления?

_________________
СпойлерБороться и искать, найти и перепрятать...


Вернуться наверх
 
Не в сети
 Заголовок сообщения: Re: Паяльная станция с энкодером.
СообщениеДобавлено: Вт май 12, 2015 22:49:38 
Опытный кот

Карма: 1
Рейтинг сообщений: 81
Зарегистрирован: Вс мар 17, 2013 18:54:07
Сообщений: 883
Рейтинг сообщения: 0
Видел в букваре: Gate Threshold Voltage =
IRLZ44N - 1.0 - 2.0 V
IRLZ44Z - 1.0 - 3.0 V


Вернуться наверх
 
Не в сети
 Заголовок сообщения: Re: Паяльная станция с энкодером.
СообщениеДобавлено: Ср май 13, 2015 06:56:53 
Родился
Аватар пользователя

Зарегистрирован: Чт апр 23, 2015 00:27:23
Сообщений: 14
Рейтинг сообщения: 0
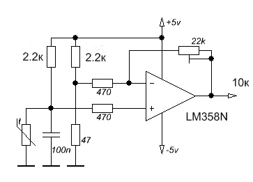
схему под термосопротивление брал вот такую.
ПП я не переделывал а собрал полу навесным монтажом. Белые линии это 3 резистора соединенные в одной точке.
может вам Stinger попробовать сделать универсальную разводку на плате для паяльника с терморезистором и термопарой.
Изображение
Изображение

Правда если отключить паяльник то на A.I. контроллера с усилителя поступает что-то около 3,5В но это не критично.

По поводу Gate Threshold Voltage я руководствовался даташитами производителей и там было 2-4В что на IRFZ что на IRLZ. Больше там данный не было. Возможно у каких то производителей есть такие транзисторы так как их "клепают" кто хочет.

А по поводу 7В на осциллограмме - осциллограф в достался в плачевном состоянии, давно я пытался его калибровать но там еще и луч пропадает через 30мин работы и синхронизация толком не работает. Так как побоялся сделать ему еще хуже по неопытности отложил затею с его ремонтом на потом. Пока мне достаточно видеть форму сигнала и примерную амплитуду. Если финансы в будущем позволят возьму что то по серьезнее, а этот попытаюсь восстановить.

Осталось купить фен.


Вернуться наверх
 
Не в сети
 Заголовок сообщения: Re: Паяльная станция с энкодером.
СообщениеДобавлено: Ср май 13, 2015 09:26:24 
Нашел транзистор. Понюхал.

Зарегистрирован: Пн окт 20, 2014 11:30:06
Сообщений: 153
Рейтинг сообщения: 1
По поводу работы с отключенным паяльником или феном уже был вариант с установкой транзистора на выход.
Вот тут viewtopic.php?p=2212037#p2212037


Вернуться наверх
 
Не в сети
 Заголовок сообщения: Re: Паяльная станция с энкодером.
СообщениеДобавлено: Ср май 13, 2015 10:55:51 
Опытный кот

Карма: 1
Рейтинг сообщений: 81
Зарегистрирован: Вс мар 17, 2013 18:54:07
Сообщений: 883
Рейтинг сообщения: 0
Цитата:
я руководствовался даташитами производителей и там было 2-4В что на IRFZ что на IRLZ.
:facepalm:

http://www.irf.com/product-info/datashe ... 4nspbf.pdf

http://www.irf.com/product-info/datashe ... 44zpbf.pdf

Вопрос на засыпку - что означает буква L в маркировке ? :)


Вернуться наверх
 
Не в сети
 Заголовок сообщения: Re: Паяльная станция с энкодером.
СообщениеДобавлено: Ср май 13, 2015 14:06:54 
Родился
Аватар пользователя

Зарегистрирован: Чт апр 23, 2015 00:27:23
Сообщений: 14
Рейтинг сообщения: 0
Зачем вы у мне что то доказываете. Я знаю что означает L. По поводу 2-4В у IRLZ44 это я погорячился, посыпаю голову пеплом. Сейчас пересмотрел историю браузера за вчера и понял что открыл два разных даташита на IRFZ44 и был уверен что один из них IRLZ44.
Как никак встал в три утра, съездил за 150км сдать два экзамена, после вечером вернулся домой - и усталость взяла свое.

Тем не мене вернусь к теме с IRFZ44. В даташитах сказано что для полного открытия транзистора достаточно подать на затвор 4В, В конструкции сигнал с порта контроллера должен иметь такой же уровень как и питание контроллера (4,98В). Но по факту IRFZ44 не работал в ключевом режиме. При этом у других форумчан IRFZ44 в таких же условиях прекрасно работает. Я завтра и в понедельник поеду сдавать ГОСы и если хватит времени то не поленюсь приобрету IRFZ44 другого производителя и проверю еще раз работоспособность моей конструкции с данным типом транзисторов.
Вот эти два IRFZ44 которые стояли у меня я заказывал на вороне, на левак не похоже.
Изображение


Вернуться наверх
 
Не в сети
 Заголовок сообщения: Re: Паяльная станция с энкодером.
СообщениеДобавлено: Ср май 13, 2015 16:34:10 
Опытный кот

Карма: 1
Рейтинг сообщений: 81
Зарегистрирован: Вс мар 17, 2013 18:54:07
Сообщений: 883
Рейтинг сообщения: 0
Та вы шо... я только так , прозрачно намекаю.... и только на ошибку с документацией. :)
Вот еще прикол: IRFZ44N судя по даташиту ну никак не может быть в корпусе ТО-220.
Как и мои IRLF44N.. :shock:

А по поводу работает не работает - IRFZ44 применен по принципу: " Не парясь поставил обычный полевик- работает" :)

Ток, вольтаж, цена одинаковы. Какой смысл в IRFZ44?


Вернуться наверх
 
Не в сети
 Заголовок сообщения: Re: Паяльная станция с энкодером.
СообщениеДобавлено: Ср май 13, 2015 20:35:05 
Вымогатель припоя
Аватар пользователя

Карма: 4
Рейтинг сообщений: 27
Зарегистрирован: Чт апр 14, 2011 20:39:14
Сообщений: 552
Рейтинг сообщения: 0
Позвольте и мне своё мнение высказать по поводу IRFZ44. Причина нагрева скорее всего в том что по схеме с контролёра на затвор управление идёт через резистор 1кОм. От сюда и линейный режим. А надо бы от 100 до 300 Ом.


Вернуться наверх
 
Не в сети
 Заголовок сообщения: Re: Паяльная станция с энкодером.
СообщениеДобавлено: Ср май 13, 2015 21:24:16 
Сверлит текстолит когтями
Аватар пользователя

Карма: 11
Рейтинг сообщений: 91
Зарегистрирован: Сб ноя 16, 2013 16:23:02
Сообщений: 1152
Откуда: Fe-City (46)
Рейтинг сообщения: 0
vladant писал(а):
Позвольте и мне своё мнение высказать по поводу IRFZ44. Причина нагрева скорее всего в том что по схеме с контролёра на затвор управление идёт через резистор 1кОм. От сюда и линейный режим. А надо бы от 100 до 300 Ом.

спорно... всё может быть как раз наоборот.

Для чего нужен резистор в затворной цепи?

_________________
СпойлерБороться и искать, найти и перепрятать...


Вернуться наверх
 
Не в сети
 Заголовок сообщения: Re: Паяльная станция с энкодером.
СообщениеДобавлено: Ср май 13, 2015 22:52:06 
Опытный кот

Карма: 1
Рейтинг сообщений: 81
Зарегистрирован: Вс мар 17, 2013 18:54:07
Сообщений: 883
Рейтинг сообщения: 0
В данном случае только для защиты порта контроллера... емкость затвора...


Вернуться наверх
 
Не в сети
 Заголовок сообщения: Re: Паяльная станция с энкодером.
СообщениеДобавлено: Ср май 13, 2015 23:32:07 
Вымогатель припоя
Аватар пользователя

Карма: 4
Рейтинг сообщений: 27
Зарегистрирован: Чт апр 14, 2011 20:39:14
Сообщений: 552
Рейтинг сообщения: 0
Затвор транзистора это по сути ёмкость и заряжает её выход контролёра, вот и резистор ставится такой чтоб ток на выходе не превышал нагрузочную способность. 300 Ом это 17 мА при 5в на выходе. Контроллер если не ошибаюсь до 40 мА выдаёт в режиме выхода.


Вернуться наверх
 
Не в сети
 Заголовок сообщения: Re: Паяльная станция с энкодером.
СообщениеДобавлено: Сб май 16, 2015 09:38:32 
Встал на лапы
Аватар пользователя

Зарегистрирован: Сб май 16, 2015 09:28:54
Сообщений: 96
Рейтинг сообщения: 0
Добрый день
Повторил V2.2
Затык При отключении нет сигнала с 1 ноги на управление МОС 3063
кто поможет


Вернуться наверх
 
Показать сообщения за:  Сортировать по:  Вернуться наверх
Начать новую тему Ответить на тему  [ Сообщений: 3394 ]     ... , , , 99, , , ...  

Часовой пояс: UTC + 3 часа


Кто сейчас на форуме

Сейчас этот форум просматривают: нет зарегистрированных пользователей и гости: 31


Вы не можете начинать темы
Вы не можете отвечать на сообщения
Вы не можете редактировать свои сообщения
Вы не можете удалять свои сообщения
Вы не можете добавлять вложения

Найти:
Перейти:  


Powered by phpBB © 2000, 2002, 2005, 2007 phpBB Group
Русская поддержка phpBB
Extended by Karma MOD © 2007—2012 m157y
Extended by Topic Tags MOD © 2012 m157y