Например TDA7294

Форум РадиоКот • Просмотр темы - Часы Super Clock
Форум РадиоКот
Здесь можно немножко помяукать :)

Текущее время: Сб янв 31, 2026 03:16:27

Часовой пояс: UTC + 3 часа


ПРЯМО СЕЙЧАС:



Начать новую тему Ответить на тему  [ Сообщений: 2053 ]     ... , , , , 103
Автор Сообщение
Не в сети
 Заголовок сообщения: Re: Часы Super Clock
СообщениеДобавлено: Пн июл 28, 2025 10:59:04 
Прорезались зубы
Аватар пользователя

Зарегистрирован: Сб апр 03, 2021 18:55:38
Сообщений: 229
Откуда: Кузбасс.
Рейтинг сообщения: 0
Приветствую. Сегодня специально поставил датчик BMP280, и перепрошил экспериментальные часики. Всё прекрасно работает, домашнюю температуру действительно точнее показывает, давление пришлось немного подкорректировать, а так всё в порядке. Так что Andiss у вас не работает датчик, или с обвязкой что-то.

_________________
Нет понятия "Не могу",есть-"Не хочу","Не умею","Боюсь".


Вернуться наверх
 
Не в сети
 Заголовок сообщения: Re: Часы Super Clock
СообщениеДобавлено: Пн июл 28, 2025 17:50:07 
Открыл глаза

Зарегистрирован: Сб июн 28, 2014 13:41:59
Сообщений: 40
Откуда: Харьков
Рейтинг сообщения: 0
vik72, Спасибо, что заморочились, значит у меня датчик нерабочий, обвязку проверял, оставлю ВМР180. Еще раз спасибо.


Вернуться наверх
 
Не в сети
 Заголовок сообщения: Re: Часы Super Clock
СообщениеДобавлено: Пн июл 28, 2025 18:02:35 
Прорезались зубы
Аватар пользователя

Зарегистрирован: Сб апр 03, 2021 18:55:38
Сообщений: 229
Откуда: Кузбасс.
Рейтинг сообщения: 0
Внедрил в свои домашние часы тоже BMP280, прошил, всё отлично. Датчики 3-вольтовые, пришлось питание брать с модуля bluetooth.
Andiss можете показать какой датчик и как подключили?

_________________
Нет понятия "Не могу",есть-"Не хочу","Не умею","Боюсь".


Вернуться наверх
 
Не в сети
 Заголовок сообщения: Re: Часы Super Clock
СообщениеДобавлено: Вт июл 29, 2025 19:48:51 
Открыл глаза

Зарегистрирован: Сб июн 28, 2014 13:41:59
Сообщений: 40
Откуда: Харьков
Рейтинг сообщения: 0
vik72, Все заработало, купил новый ВМР280, установил и все Оk! Датчик 5-вольтовый, температуру на 2 градуса завышал, подкорректировал, теперь все отлично).


Вернуться наверх
 
Эиком - электронные компоненты и радиодетали
Не в сети
 Заголовок сообщения: Re: Часы Super Clock
СообщениеДобавлено: Вт июл 29, 2025 19:51:42 
Прорезались зубы
Аватар пользователя

Зарегистрирован: Сб апр 03, 2021 18:55:38
Сообщений: 229
Откуда: Кузбасс.
Рейтинг сообщения: 0
Вот и отлично. :beer:

_________________
Нет понятия "Не могу",есть-"Не хочу","Не умею","Боюсь".


Вернуться наверх
 
Не в сети
 Заголовок сообщения: Re: Часы Super Clock
СообщениеДобавлено: Вс авг 03, 2025 17:58:25 
Открыл глаза

Зарегистрирован: Сб июн 28, 2014 13:41:59
Сообщений: 40
Откуда: Харьков
Рейтинг сообщения: 0
Кому интересно, мой вариант платы, проверенный, без косяков. Это переделанная плата от Медведь 68. Матрицы 60х60 с ОА: 2088BS. Платы заказывал на jlcpcb.com, получилось шикарно, 5 плат за 10$.
https://img.radiokot.ru/files/98460/med ... 2696ju.jpg


Вложения:
_часы new.zip [154.67 KiB]
Скачиваний: 61
Вернуться наверх
 
Не в сети
 Заголовок сообщения: Re: Часы Super Clock
СообщениеДобавлено: Вс авг 03, 2025 19:49:49 
Прорезались зубы
Аватар пользователя

Зарегистрирован: Сб апр 03, 2021 18:55:38
Сообщений: 229
Откуда: Кузбасс.
Рейтинг сообщения: 0
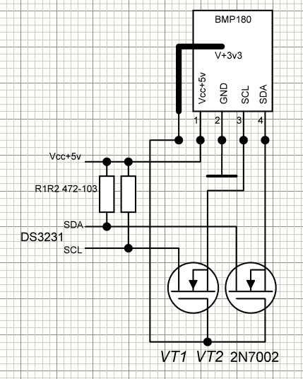
Здравствуйте. Andiss хорошо получилась плата.По подключению датчика ВМР180(280),при запросе данных от МК к нему идут импульсы с уровнем 5 вольт, а питание 3.3 вольт,что не правильно, чтобы было по фэн-шую, уровни нужно согласовать.Ниже фото схемы,в своих часах делаю так.
Изображение

Добавлено after 27 minutes 28 seconds:
Также у вас по линии RX к модулю bluetooth от МК идет 5 вольт,тоже не правильно,выдержит ли модуль,рекомендуется ставить делитель напряжения.

_________________
Нет понятия "Не могу",есть-"Не хочу","Не умею","Боюсь".


Вернуться наверх
 
Не в сети
 Заголовок сообщения: Re: Часы Super Clock
СообщениеДобавлено: Пн авг 04, 2025 19:14:37 
Открыл глаза

Зарегистрирован: Сб июн 28, 2014 13:41:59
Сообщений: 40
Откуда: Харьков
Рейтинг сообщения: 0
vik72, Добрый день. На 4 часах стоят БМР180 уже лет 10, проблем нет. Да и в модулях для Ардуино используется такое соединение, без согласований уровней. По фен-шую надо, но ведь работает и без этого. Да и автор часов соединяет все напрямую).


Вернуться наверх
 
Не в сети
 Заголовок сообщения: Re: Часы Super Clock
СообщениеДобавлено: Пн авг 04, 2025 19:46:54 
Прорезались зубы
Аватар пользователя

Зарегистрирован: Сб апр 03, 2021 18:55:38
Сообщений: 229
Откуда: Кузбасс.
Рейтинг сообщения: 0
Здравствуйте.
Не спорю,и не настаиваю, просто сказал что неправильно. Видимо есть какой-то запас прочности у модулей,потому и работают. Но заставлять работать в предельных режимах неправильно.

_________________
Нет понятия "Не могу",есть-"Не хочу","Не умею","Боюсь".


Вернуться наверх
 
Не в сети
 Заголовок сообщения: Re: Часы Super Clock
СообщениеДобавлено: Вс дек 14, 2025 16:34:41 
Говорящий с текстолитом
Аватар пользователя

Карма: 16
Рейтинг сообщений: 151
Зарегистрирован: Вт апр 21, 2009 20:52:29
Сообщений: 1510
Откуда: ХМАО Югра Белоярский
Рейтинг сообщения: 0
Всем привет. Подскажите а новой версии приложения для андроида не делалось?

_________________
Гнев - мгновенное разрушение реальности!
Делай всегда хорошо, а хреново и так получится!!!!!


Вернуться наверх
 
Не в сети
 Заголовок сообщения: Re: Часы Super Clock
СообщениеДобавлено: Вс дек 14, 2025 17:05:22 
Поставщик валерьянки для Кота
Аватар пользователя

Карма: 8
Рейтинг сообщений: 206
Зарегистрирован: Вт фев 21, 2017 18:59:21
Сообщений: 2288
Откуда: Седой Урал
Рейтинг сообщения: 0
Привет! Не встречал.


Вернуться наверх
 
Не в сети
 Заголовок сообщения: Re: Часы Super Clock
СообщениеДобавлено: Вс дек 14, 2025 17:28:02 
Говорящий с текстолитом
Аватар пользователя

Карма: 16
Рейтинг сообщений: 151
Зарегистрирован: Вт апр 21, 2009 20:52:29
Сообщений: 1510
Откуда: ХМАО Югра Белоярский
Рейтинг сообщения: 0
Обновил телефон и прога не хочет устанавливаться(((( А было очень удобно!!!!
Еще может подскажете, не выводится график давления. Вроде в прошивке все настроил. Само давление показывает, а вот потом график не выводит.

_________________
Гнев - мгновенное разрушение реальности!
Делай всегда хорошо, а хреново и так получится!!!!!


Вернуться наверх
 
Не в сети
 Заголовок сообщения: Re: Часы Super Clock
СообщениеДобавлено: Пн дек 15, 2025 11:04:36 
Прорезались зубы
Аватар пользователя

Зарегистрирован: Сб апр 03, 2021 18:55:38
Сообщений: 229
Откуда: Кузбасс.
Рейтинг сообщения: 0
SergeyK писал(а):
не выводится график давления

Приветствую. Надо в исходнике раскомментировать(активировать) эту строку.

_________________
Нет понятия "Не могу",есть-"Не хочу","Не умею","Боюсь".


Вернуться наверх
 
Показать сообщения за:  Сортировать по:  Вернуться наверх
Начать новую тему Ответить на тему  [ Сообщений: 2053 ]     ... , , , , 103

Часовой пояс: UTC + 3 часа


Кто сейчас на форуме

Сейчас этот форум просматривают: нет зарегистрированных пользователей и гости: 9


Вы не можете начинать темы
Вы не можете отвечать на сообщения
Вы не можете редактировать свои сообщения
Вы не можете удалять свои сообщения
Вы не можете добавлять вложения

Найти:
Перейти:  


Powered by phpBB © 2000, 2002, 2005, 2007 phpBB Group
Русская поддержка phpBB
Extended by Karma MOD © 2007—2012 m157y
Extended by Topic Tags MOD © 2012 m157y