Например TDA7294

Форум РадиоКот • Просмотр темы - Собираю приёмники/передатчики/другие "частотные" схемы
Форум РадиоКот
Здесь можно немножко помяукать :)

Текущее время: Пт янв 23, 2026 17:05:31

Часовой пояс: UTC + 3 часа


ПРЯМО СЕЙЧАС:



Начать новую тему Ответить на тему  [ Сообщений: 4434 ]     ... , , , 8, , , ...  
Автор Сообщение
Не в сети
 Заголовок сообщения: Re: Собираю приёмники/передатчики/другие "частотные" схемы
СообщениеДобавлено: Чт авг 19, 2021 12:28:22 
Друг Кота

Карма: -1
Рейтинг сообщений: 86
Зарегистрирован: Вт мар 13, 2012 12:16:13
Сообщений: 8912
Откуда: .ru
Рейтинг сообщения: 0
Morroc писал(а):
нам не требуется восстанавливать исходный сигнал как в цифровом осциллографе, нам всего то нужно детектировать довольно медленные изменения амплитуды/частоты, часть периодов несущей можно и пропустить.

Ну... сейчас всё работает в цифре)) Там вообще не надо восстанавливать медленные изменения амплитуды/частоты. Там надо восстанавливать биты. А как там всё работает... 5G... фиг его знает)) Я так глубоко ещё не вникал)) :roll:

В эфире только Цифровое TV. Значит можно вытащить из работающего старого телевизора блоки СКМ-24 и СКД-24 и даже СМРК и разобрать на детальки)) Врятли они мне понадобятся)) Старый телевизор работает от Цифровой TV приставки.
Вложение:
Screenshot_1.jpg [41.73 KiB]
Скачиваний: 155

Наверное так и сделаю))
:tea:

Добавлено after 1 minute 52 seconds:
Niobium писал(а):
Мне вот интересно, а как выглядит осциллограмма белого шума?

Вложение:
Screenshot_2.jpg [79.9 KiB]
Скачиваний: 138


Вернуться наверх
 
Не в сети
 Заголовок сообщения: Re: Собираю приёмники/передатчики/другие "частотные" схемы
СообщениеДобавлено: Чт авг 19, 2021 12:34:15 
Говорящий с текстолитом
Аватар пользователя

Зарегистрирован: Сб апр 17, 2021 12:24:15
Сообщений: 1521
Откуда: Украина
Рейтинг сообщения: 0
Короткие пики на осциллограмме, это когда совпадают верхушки полуволн. А "впадины", это когда волны совпадают в противофазе. Я так это понимаю.


Вернуться наверх
 
Не в сети
 Заголовок сообщения: Re: Собираю приёмники/передатчики/другие "частотные" схемы
СообщениеДобавлено: Чт авг 19, 2021 12:36:43 
Друг Кота

Карма: -1
Рейтинг сообщений: 86
Зарегистрирован: Вт мар 13, 2012 12:16:13
Сообщений: 8912
Откуда: .ru
Рейтинг сообщения: 1
И тут тоже, много частот и все они наложены друг на друга, т.е. они смешаны. И из этого вытекают много гармоник. Верно?

Там в основном гармоники гетеродина. Это называется "приём на гармониках гетеродина".
Обычно это считается паразитный приём. Но иногда так делают специально))

1- 300 Гц
2- 2 Гц
3- 300 Гц + 2 Гц = 302 Гц
4- 300 Гц - 2 Гц = 298 Гц
5- 300 Гц + (2 Гц х 2 = 4 - 1-я гармоника гетеродина) = 304 Гц
6- 300 Гц - (2 Гц х 2 = 4 - 1-я гармоника гетеродина) = 296 Гц
7- 300 Гц + (2 Гц х 3 = 6 - 2-я гармоника гетеродина) = 306 Гц
8- 300 Гц - (2 Гц х 3 = 6 - 2-я гармоника гетеродина) = 294 Гц
...
И т.д. и т.п.
:tea:


Вернуться наверх
 
Не в сети
 Заголовок сообщения: Re: Собираю приёмники/передатчики/другие "частотные" схемы
СообщениеДобавлено: Чт авг 19, 2021 12:42:57 
Говорящий с текстолитом
Аватар пользователя

Зарегистрирован: Сб апр 17, 2021 12:24:15
Сообщений: 1521
Откуда: Украина
Рейтинг сообщения: 0
Как смешиваются частоты я знаю (почти), но не знаю какая схемотехника смесителя...

Гуглил - схема смесителя супергетеродина - выдавало фиг пойми что.

Не было схема типа: вход 1, вход 2, питание, выход. Из-за этого возникает непонимание.


Вернуться наверх
 
Эиком - электронные компоненты и радиодетали
Не в сети
 Заголовок сообщения: Re: Собираю приёмники/передатчики/другие "частотные" схемы
СообщениеДобавлено: Чт авг 19, 2021 13:06:49 
Друг Кота

Карма: -1
Рейтинг сообщений: 86
Зарегистрирован: Вт мар 13, 2012 12:16:13
Сообщений: 8912
Откуда: .ru
Рейтинг сообщения: 0
В СССР делали приёмники на разные диапазоны, а я буду делать на разные модуляции

В СССР делали приёмники на разные модуляции - АМ и ЧМ.
Причём в одном УПЧ совмещали и АМ и ЧМ.
Таким образом экономили детали))
Вложение:
Screenshot_3.jpg [141.96 KiB]
Скачиваний: 162

Вложение:
Screenshot_4.jpg [107.54 KiB]
Скачиваний: 133

:tea:

Добавлено after 11 minutes 39 seconds:
* Поправка.))
1- 300 Гц
2- 2 Гц
3- 300 Гц + (2 Гц х 1 = 2 - 1-я гармоника гетеродина) = 302 Гц
4- 300 Гц - (2 Гц х 1 = 2 - 1-я гармоника гетеродина) = 298 Гц
5- 300 Гц + (2 Гц х 2 = 4 - 2-я гармоника гетеродина) = 304 Гц
6- 300 Гц - (2 Гц х 2 = 4 - 2-я гармоника гетеродина) = 296 Гц
7- 300 Гц + (2 Гц х 3 = 6 - 3-я гармоника гетеродина) = 306 Гц
8- 300 Гц - (2 Гц х 3 = 6 - 3-я гармоника гетеродина) = 294 Гц
...
И т.д. и т.п.
:tea:

Добавлено after 7 minutes 34 seconds:
Как смешиваются частоты я знаю (почти), но не знаю какая схемотехника смесителя...

Гуглил - схема смесителя супергетеродина - выдавало фиг пойми что.

Не было схема типа: вход 1, вход 2, питание, выход. Из-за этого возникает непонимание.

Чтоб понять как смешиваются частоты в транзисторе надо для начала знать как работает транзистор. ))
Надо смотреть график работы транзистора... всякие ВАХ (вольт-амперная характеристика транзистора).
Вложение:
Screenshot_2.jpg [46.88 KiB]
Скачиваний: 132

и всякие передаточные характеристики.
Вложение:
Screenshot_1.jpg [52.88 KiB]
Скачиваний: 128

и т.д. ))
Затем надо понять на графике как работает транзистор в режиме усилителя.
:tea:


Вернуться наверх
 
Не в сети
 Заголовок сообщения: Re: Собираю приёмники/передатчики/другие "частотные" схемы
СообщениеДобавлено: Чт авг 19, 2021 13:08:27 
Говорящий с текстолитом
Аватар пользователя

Зарегистрирован: Сб апр 17, 2021 12:24:15
Сообщений: 1521
Откуда: Украина
Рейтинг сообщения: 0
Цитата:
1- 300 Гц
2- 2 Гц
3- 300 Гц + (2 Гц х 1 = 2 - 1-я гармоника гетеродина) = 302 Гц
4- 300 Гц - (2 Гц х 1 = 2 - 1-я гармоника гетеродина) = 298 Гц
5- 300 Гц + (2 Гц х 2 = 4 - 2-я гармоника гетеродина) = 304 Гц
6- 300 Гц - (2 Гц х 2 = 4 - 2-я гармоника гетеродина) = 296 Гц
7- 300 Гц + (2 Гц х 3 = 6 - 3-я гармоника гетеродина) = 306 Гц
8- 300 Гц - (2 Гц х 3 = 6 - 3-я гармоника гетеродина) = 294 Гц
...
И т.д. и т.п.


Ну а как сигнал примерно будет выглядеть на выходе без фильтров? Просто посмотреть сигнал осциллографом на выходе со смесителя.

И ещё, 300 и 2 Гц, это плохой пример, наверное...

Пусть будет 300 и 100 Гц. Допустим есть 2 идеальных гетеродина (без гармоник) на 300 и 100 Гц. И смеситель, который смешивает эти сигналы. Тогда как примерно будет выглядеть сигнал на выходе смесителя?


Вернуться наверх
 
Не в сети
 Заголовок сообщения: Re: Собираю приёмники/передатчики/другие "частотные" схемы
СообщениеДобавлено: Чт авг 19, 2021 13:09:58 
Друг Кота

Карма: -1
Рейтинг сообщений: 86
Зарегистрирован: Вт мар 13, 2012 12:16:13
Сообщений: 8912
Откуда: .ru
Рейтинг сообщения: 0
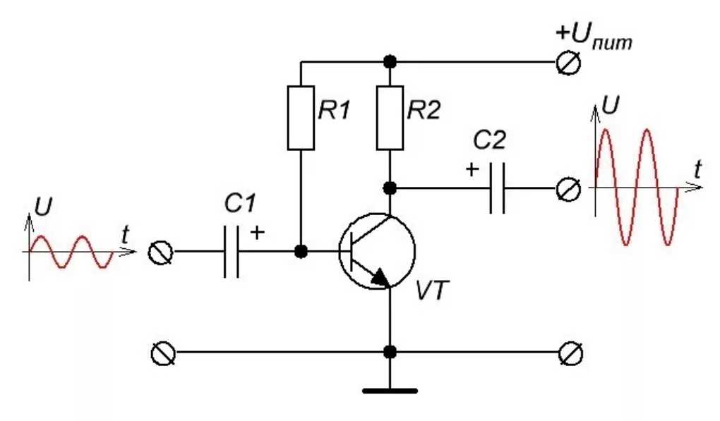
Схема транзистора в режиме усиления.
Вложение:
Screenshot_3.jpg [27.41 KiB]
Скачиваний: 139

А вот транзистор в режиме усилителя на графике.
Вложение:
Screenshot_4.jpg [48.9 KiB]
Скачиваний: 136

Когда поймём что изображено на этом графике... тогда и поймём как транзистор смешивает сигналы))
:tea:


Вернуться наверх
 
Не в сети
 Заголовок сообщения: Re: Собираю приёмники/передатчики/другие "частотные" схемы
СообщениеДобавлено: Чт авг 19, 2021 13:16:05 
Говорящий с текстолитом
Аватар пользователя

Зарегистрирован: Сб апр 17, 2021 12:24:15
Сообщений: 1521
Откуда: Украина
Рейтинг сообщения: 0
Может быть смеситель без транзистора? Или идеальный смеситель (где транзистор открывается от любого напряжения >0 и не имеет искажений)?

Добавлено after 3 minutes 27 seconds:
А вот транзистор в режиме усилителя на графике.
Вложение:
Screenshot_4.jpg

Когда поймём что изображено на этом графике... тогда и поймём как транзистор смешивает сигналы))
:tea:


График пока непонятен, но суть я уловил. Одна полуволна (положительная) может усилится сильнее из-за усилительных свойств транзистора.


Вернуться наверх
 
Не в сети
 Заголовок сообщения: Re: Собираю приёмники/передатчики/другие "частотные" схемы
СообщениеДобавлено: Чт авг 19, 2021 13:28:55 
Друг Кота

Карма: 6
Рейтинг сообщений: 303
Зарегистрирован: Вт авг 26, 2008 14:36:02
Сообщений: 5248
Откуда: москва
Рейтинг сообщения: 0
чтобы смешать сигналы, надо их подать нелинейный элемент, самое простое-диод.


Вернуться наверх
 
Не в сети
 Заголовок сообщения: Re: Собираю приёмники/передатчики/другие "частотные" схемы
СообщениеДобавлено: Чт авг 19, 2021 14:44:05 
Друг Кота

Карма: 49
Рейтинг сообщений: 547
Зарегистрирован: Чт фев 20, 2014 18:57:55
Сообщений: 19494
Рейтинг сообщения: 0
Там на ЧМ разговаривают радиолюбители, а на АМ - дальнобойщики.

Ну если кто то есть, то хорошо. У нас просто все свалили, даже таксисты. Когда проход есть кого то слышно, а так тишина, любители видать на 144 переползли, там их хватает. Дальнобойщики есть, но там скучновато, про радиолампы и антенны как то интереснее гораздо послушать.

График пока непонятен, но суть я уловил. Одна полуволна (положительная) может усилится сильнее из-за усилительных свойств транзистора.

Если взять ключ, который будет коммутировать сигнал 300 Гц с частотой 100 Гц - тоже получится смеситель. Проще думать об этом, не как об осциллограме сигнала (сигнал во временной области), а думать в частотной области как если бы сигнал подали на анализатор спектра, тут нет никакого упрощения или уловки, даже в dsp математике применимы оба подхода. На осциллографе сигнал прямо со смесителя выглядит как черте что, там всегда присутствуют нежелательные компоненты, которые убирают фильтрами.

_________________
"Вся военная пропаганда, все крики, ложь и ненависть исходят от людей, которые на эту войну не пойдут !" / Джордж Оруэлл /
"Война - это,когда за интересы других,гибнут совершенно безвинные люди." / Уинстон Черчилль /


Вернуться наверх
 
Не в сети
 Заголовок сообщения: Re: Собираю приёмники/передатчики/другие "частотные" схемы
СообщениеДобавлено: Чт авг 19, 2021 16:10:06 
Друг Кота

Карма: -1
Рейтинг сообщений: 86
Зарегистрирован: Вт мар 13, 2012 12:16:13
Сообщений: 8912
Откуда: .ru
Рейтинг сообщения: 0
Niobium писал(а):
Пусть будет 300 и 100 Гц. Допустим есть 2 идеальных гетеродина (без гармоник) на 300 и 100 Гц. И смеситель, который смешивает эти сигналы. Тогда как примерно будет выглядеть сигнал на выходе смесителя?

Вложение:
Screenshot_1.jpg [15.08 KiB]
Скачиваний: 116

Niobium писал(а):
Может быть смеситель без транзистора? Или идеальный смеситель (где транзистор открывается от любого напряжения >0 и не имеет искажений)?

не имеет искажений ? )) Ну возможно где-то во Вселенной и есть транзистор без искажений... просто учёные об этом не знают)) :)))

Добавлено after 4 minutes 10 seconds:
[uquote="Niobium",url="/forum/viewtopic.php?p=4078452#p4078452"]видать на 144 переползли, там их хватает.

ну и замечательно)) никто не мешает ))
20...30 лет назад интернет и компьютеры и сотовые телефоны стоили дорого... поэтому все покупали рации 27 МГц и использовали их вместо телефона)) по всем каналам слышал чужие разговоры... разговоры обо всем)) все болтали как по телефону))
:tea:

Добавлено after 1 minute 53 seconds:
Если взять ключ, который будет коммутировать сигнал 300 Гц с частотой 100 Гц - тоже получится смеситель. Проще думать об этом, не как об осциллограме сигнала (сигнал во временной области), а думать в частотной области...

Лучше думать как работает транзистор в реале))
:tea:


Вернуться наверх
 
Не в сети
 Заголовок сообщения: Re: Собираю приёмники/передатчики/другие "частотные" схемы
СообщениеДобавлено: Чт авг 19, 2021 16:28:01 
Говорящий с текстолитом
Аватар пользователя

Зарегистрирован: Сб апр 17, 2021 12:24:15
Сообщений: 1521
Откуда: Украина
Рейтинг сообщения: 0
Цитата:
не имеет искажений ? )) Ну возможно где-то во Вселенной и есть транзистор без искажений... просто учёные об этом не знают)) :)))


Это я спрашивал про мысленную модель. Применяют ли такую мысленную модель.

Добавлено after 12 minutes 48 seconds:
Проще думать об этом, не как об осциллограме сигнала (сигнал во временной области), а думать в частотной области как если бы сигнал подали на анализатор спектра


Мне просто хочется посмотреть и понять "двухчастотную" осциллограмму. Я так больше буду понимать работу фильтра и понимать сигнал в целом.


Вернуться наверх
 
Не в сети
 Заголовок сообщения: Re: Собираю приёмники/передатчики/другие "частотные" схемы
СообщениеДобавлено: Чт авг 19, 2021 17:17:19 
Друг Кота

Карма: -1
Рейтинг сообщений: 86
Зарегистрирован: Вт мар 13, 2012 12:16:13
Сообщений: 8912
Откуда: .ru
Рейтинг сообщения: 0
Niobium писал(а):
Применяют ли такую мысленную модель.

нет.

Добавлено after 1 minute 23 seconds:
Niobium писал(а):
понять "двухчастотную" осциллограмму.

Вложение:
Screenshot_1.jpg [74.45 KiB]
Скачиваний: 138

Niobium писал(а):
Мне просто хочется посмотреть

Вложение:
Screenshot_2.jpg [27.56 KiB]
Скачиваний: 136

:tea:


Вернуться наверх
 
Не в сети
 Заголовок сообщения: Re: Собираю приёмники/передатчики/другие "частотные" схемы
СообщениеДобавлено: Чт авг 19, 2021 17:28:31 
Говорящий с текстолитом
Аватар пользователя

Зарегистрирован: Сб апр 17, 2021 12:24:15
Сообщений: 1521
Откуда: Украина
Рейтинг сообщения: 0
Niobium писал(а):
понять "двухчастотную" осциллограмму.

Вложение:
Screenshot_1.jpg

Niobium писал(а):
Мне просто хочется посмотреть

Вложение:
Screenshot_2.jpg

:tea:


Я такое уже в википедии видел, но всё-равно спасибо :)

Это биения на близких друг другу по значениям частотах. А мне интересно найти осциллограмму, где между частотами есть большая разница (>100Гц).

Добавлено after 6 minutes 31 second:
Кстати, а насколько возможно самому спаять осциллограф? :)))

P.s. Приёмник прямого усиления, спаянный мной, отлично ловит грозовые разряды. Будто гром, но только из динамика :tea:

P.s.2 Ели стукнуть железякой по ферритовой антенне, когда приёмник работает, то из динамика пойдёт звук, похожий на вибрацию металла. (Когда гроза закончится, засниму видео)


Вернуться наверх
 
Не в сети
 Заголовок сообщения: Re: Собираю приёмники/передатчики/другие "частотные" схемы
СообщениеДобавлено: Чт авг 19, 2021 18:06:40 
Друг Кота

Карма: -1
Рейтинг сообщений: 86
Зарегистрирован: Вт мар 13, 2012 12:16:13
Сообщений: 8912
Откуда: .ru
Рейтинг сообщения: 0
Мы супергетеродин делать будем ? Или осциллограммы разглядывать ?))
В схемах что вше частоты биения на близких друг другу по значениям частотах.
Сигнал с антенны 27.000 МГц.
Сигнал гетеродина 27.465 МГц.
Сигнал ПЧ 0.465 МГц.
:tea:

Добавлено after 1 minute 52 seconds:
а насколько возможно самому спаять осциллограф?

Без проблем. Как только научимся собирать супергетеродины)) :)))

Добавлено after 1 minute 16 seconds:
https://www.radiokot.ru/circuit/digital/measure/125/

Добавлено after 13 minutes 37 seconds:
Пытался я собрать осциллограф самодельный в домашних условиях на радиолампах... Простенький)) Типа такого...
https://wasp.kz/articles.php?article_id=675
И даже заработало)) И даже показывало))
Вот только заводских параметров так и не добился...
Получился тупой низкочастотный осциллограф. Нафиг такой нужен подумал я и всё забросил))
Нудное это занятие. Проще купить готовый.
:tea:

Добавлено after 17 minutes 56 seconds:
мне интересно найти осциллограмму, где между частотами есть большая разница (>100Гц).

https://www.youtube.com/watch?v=-sjLkrjJkxU


Вернуться наверх
 
Не в сети
 Заголовок сообщения: Re: Собираю приёмники/передатчики/другие "частотные" схемы
СообщениеДобавлено: Чт авг 19, 2021 18:24:11 
Друг Кота
Аватар пользователя

Карма: 72
Рейтинг сообщений: 1153
Зарегистрирован: Чт ноя 20, 2008 04:20:48
Сообщений: 8084
Откуда: КурскЪ
Рейтинг сообщения: 0
Как смешиваются частоты я знаю (почти), но не знаю какая схемотехника смесителя...

Гуглил - схема смесителя супергетеродина - выдавало фиг пойми что.

Не было схема типа: вход 1, вход 2, питание, выход. Из-за этого возникает непонимание.

Еще раз.Открой книгу по радиотехнике там всё есть,со схемами и описанием работы узлов приемника.В том числе и работа смесителя со схемами.
Иначе эпопея домыслов будет длиться бесконечно.

_________________
Принимаю вас 595+40db на уровне шумов на кухонный приёмник,антенна наружка-магнитная катушка..работает "Акация",вот такая информация.Роман.73!!!
"50 КСВ 075", UA3112SWL
Изображение


Вернуться наверх
 
Не в сети
 Заголовок сообщения: Re: Собираю приёмники/передатчики/другие "частотные" схемы
СообщениеДобавлено: Чт авг 19, 2021 20:05:50 
Говорящий с текстолитом
Аватар пользователя

Зарегистрирован: Сб апр 17, 2021 12:24:15
Сообщений: 1521
Откуда: Украина
Рейтинг сообщения: 0
Так, всё. С биениями и смешением разобрался.

УВЧ из СиБи на 27 МГц...

Мне помог один хороший ютуб канал. Видео: https://youtu.be/hgP5Qd5wJa8

Там рассматривается усилитель с индуктивным балластом (?). Ну короче вместо резистора индуктивность...

Транзистор есть. КПЕ (3 секции по 1нФ - 10пФ) есть. Балластный (?) дроссель есть. (С энергосберегайки).

Хотя, это "силовой" УВЧ, он подойдёт? В общем, расскажите пожалуйста про резонансный усилитель.


Вернуться наверх
 
Не в сети
 Заголовок сообщения: Re: Собираю приёмники/передатчики/другие "частотные" схемы
СообщениеДобавлено: Чт авг 19, 2021 20:14:24 
Друг Кота
Аватар пользователя

Карма: 72
Рейтинг сообщений: 1153
Зарегистрирован: Чт ноя 20, 2008 04:20:48
Сообщений: 8084
Откуда: КурскЪ
Рейтинг сообщения: 0
Первая попавшаяся схема.
Приемник с двойным преобразованием частоты на MC3361P (27,12 МГц)
Изображение
https://radiostorage.net/322-priemnik-s ... 2-mhz.html
Лучше книжки читай чем ютуб глазеть :)
Один был уже 35 страниц передатчик всё строил,да так и не начал.Зато вопросов куча была.

_________________
Принимаю вас 595+40db на уровне шумов на кухонный приёмник,антенна наружка-магнитная катушка..работает "Акация",вот такая информация.Роман.73!!!
"50 КСВ 075", UA3112SWL
Изображение


Вернуться наверх
 
Не в сети
 Заголовок сообщения: Re: Собираю приёмники/передатчики/другие "частотные" схемы
СообщениеДобавлено: Чт авг 19, 2021 20:32:25 
Говорящий с текстолитом
Аватар пользователя

Зарегистрирован: Сб апр 17, 2021 12:24:15
Сообщений: 1521
Откуда: Украина
Рейтинг сообщения: 0
Я уже просто сказал, что я из тех людей, которые сначала делаю всё "чисто" (только транзисторы и LC гетеродины, без микросхем и кварцев) для того чтоб понять и иметь макет для выставки, чтоб поставить красиво на полочку, а потом уже для постоянного использования делают удобную, компактную схему, со всеми удобствами современности :)))

Добавлено after 13 minutes 16 seconds:
Цитата:
Один был уже 35 страниц передатчик всё строил,да так и не начал.Зато вопросов куча была.


Когда только начал знакомится с темой супергетеродинов, то прочитал одну книжку. В ней всё было - как настроить, как спаять, но не было принципа работы. Да ещё гетеродин и смеситель объединенные.

Можете подсказать книжку, точнее темы из книжки, чтоб сразу к делу. Мне нужна тема схем - УВЧ, УПЧ, Гетеродин, Смеситель, с детекторами (ЧМ, АМ) и фильтрами разберусь чуть позже.


Вернуться наверх
 
Не в сети
 Заголовок сообщения: Re: Собираю приёмники/передатчики/другие "частотные" схемы
СообщениеДобавлено: Чт авг 19, 2021 20:50:54 
Друг Кота
Аватар пользователя

Карма: 72
Рейтинг сообщений: 1153
Зарегистрирован: Чт ноя 20, 2008 04:20:48
Сообщений: 8084
Откуда: КурскЪ
Рейтинг сообщения: 0
Курс радиотехники Николай Михайлович Изюмов
https://forum.cxem.net/applications/cor ... ?id=440954
Основы радиотехники. Изюмов Н. М., Линде Д. П.
https://forum.cxem.net/applications/cor ... ?id=441668
"Посвящение в радиоэлектронику"
https://forum.cxem.net/applications/cor ... ?id=387194
Последняя книга вообще для начинающих,читается как художественная книга)))

_________________
Принимаю вас 595+40db на уровне шумов на кухонный приёмник,антенна наружка-магнитная катушка..работает "Акация",вот такая информация.Роман.73!!!
"50 КСВ 075", UA3112SWL
Изображение


Вернуться наверх
 
Показать сообщения за:  Сортировать по:  Вернуться наверх
Начать новую тему Ответить на тему  [ Сообщений: 4434 ]     ... , , , 8, , , ...  

Часовой пояс: UTC + 3 часа


Кто сейчас на форуме

Сейчас этот форум просматривают: нет зарегистрированных пользователей и гости: 19


Вы не можете начинать темы
Вы не можете отвечать на сообщения
Вы не можете редактировать свои сообщения
Вы не можете удалять свои сообщения
Вы не можете добавлять вложения

Найти:
Перейти:  


Powered by phpBB © 2000, 2002, 2005, 2007 phpBB Group
Русская поддержка phpBB
Extended by Karma MOD © 2007—2012 m157y
Extended by Topic Tags MOD © 2012 m157y