Например TDA7294

Форум РадиоКот • Просмотр темы - Сигнал-генератор.
Форум РадиоКот
Здесь можно немножко помяукать :)

Текущее время: Вс янв 11, 2026 11:30:36

Часовой пояс: UTC + 3 часа


ПРЯМО СЕЙЧАС:



Начать новую тему Ответить на тему  [ Сообщений: 157 ]    , 2, , , ...  
Автор Сообщение
Не в сети
 Заголовок сообщения: Re: Генератор ВЧ. Радиоконструктор 2007-07, опечатка?.
СообщениеДобавлено: Чт мар 21, 2013 21:36:23 
Модератор
Аватар пользователя

Карма: 158
Рейтинг сообщений: 1600
Зарегистрирован: Пт апр 28, 2006 15:26:07
Сообщений: 11940
Откуда: Россия.
Рейтинг сообщения: 0
Медали: 2
Мявтор 3-й степени (1) Лучший человек Форума 2017 (1)
Vit_is писал(а):
Получается приблизительно 1000 пФ! :shock:
Где то ошиблись при измерении. Об этом и Ваше реальное перекрытие говорит.
Должна быть в районе 80 - 100 пф.
Во всяком случае у меня так получалось когда я измерял.
Кстати тоже в связи с этой проблемой. Правда у меня стоял варикап и делал я ГКЧ по такой же схеме.

Попробуйте этот способ.
SVHKOTOK писал(а):
включите вместо контура (L и С) какой нибудь дроссель с известной индуктивностью и измерьте частоту генерации...


Вернуться наверх
 
Не в сети
 Заголовок сообщения: Re: Генератор ВЧ. Радиоконструктор 2007-07, опечатка?.
СообщениеДобавлено: Чт мар 21, 2013 21:46:31 
Грызет канифоль
Аватар пользователя

Карма: 6
Рейтинг сообщений: 107
Зарегистрирован: Сб авг 27, 2011 21:23:22
Сообщений: 274
Откуда: LN36XI
Рейтинг сообщения: 0
aen писал(а):
Где то ошиблись при измерении. Об этом и Ваше реальное перекрытие говорит.

Отключил КПЕ, частота составляла 636 кГц, подключил конденсатор 1000 пФ частота падает как раз на 1,414, т.е. состовляет 450 кГц


Последний раз редактировалось Vit_is Чт мар 21, 2013 21:49:03, всего редактировалось 1 раз.

Вернуться наверх
 
Не в сети
 Заголовок сообщения: Re: Генератор ВЧ. Радиоконструктор 2007-07, опечатка?.
СообщениеДобавлено: Чт мар 21, 2013 21:48:17 
Модератор
Аватар пользователя

Карма: 158
Рейтинг сообщений: 1600
Зарегистрирован: Пт апр 28, 2006 15:26:07
Сообщений: 11940
Откуда: Россия.
Рейтинг сообщения: 1
Медали: 2
Мявтор 3-й степени (1) Лучший человек Форума 2017 (1)
Неужели у самой катушки собственная емкость такая огромная? :(
Она хотя бы секциями намотана?
Попробуйте это же сделать на втором диапазоне, а еще лучше на третьем.

С4 уменьшили?
R1 увеличивайте. Ставьте такой, что бы не срывалась генерация на самой высокой частоте.
С КТ326 он более стабильно будет работать и с меньшими токами.


Вернуться наверх
 
Не в сети
 Заголовок сообщения: Re: Генератор ВЧ. Радиоконструктор 2007-07, опечатка?.
СообщениеДобавлено: Чт мар 21, 2013 21:56:47 
Грызет канифоль
Аватар пользователя

Карма: 6
Рейтинг сообщений: 107
Зарегистрирован: Сб авг 27, 2011 21:23:22
Сообщений: 274
Откуда: LN36XI
Рейтинг сообщения: 0
На 2 диапазоне 250 пФ. Да емкость уменьшил.


Вернуться наверх
 
Эиком - электронные компоненты и радиодетали
Не в сети
 Заголовок сообщения: Re: Генератор ВЧ. Радиоконструктор 2007-07, опечатка?.
СообщениеДобавлено: Чт мар 21, 2013 22:03:07 
Модератор
Аватар пользователя

Карма: 158
Рейтинг сообщений: 1600
Зарегистрирован: Пт апр 28, 2006 15:26:07
Сообщений: 11940
Откуда: Россия.
Рейтинг сообщения: 1
Медали: 2
Мявтор 3-й степени (1) Лучший человек Форума 2017 (1)
aen писал(а):
R1 увеличивайте. Ставьте такой, что бы не срывалась генерация на самой высокой частоте.
С КТ326 он более стабильно будет работать и с меньшими токами.

Vit_is писал(а):
На 2 диапазоне 250 пФ.
Хотя конечно что то много получается, но если даже ошиблись раза в три, то все равно видите с какими паразитными емкостями имеете дело.
Вот это и есть недостаток подобного генератора, хотя у него и много достоинств, за что мне эта схема нравится.
Думаю автор статьи сам окончательно схему не делал. Отсюда такие нестыковки в статье.

R2 закоротите. Никогда его не ставил.


Вернуться наверх
 
Не в сети
 Заголовок сообщения: Re: Генератор ВЧ. Радиоконструктор 2007-07, опечатка?.
СообщениеДобавлено: Чт мар 21, 2013 22:05:22 
Встал на лапы

Зарегистрирован: Чт фев 16, 2012 15:22:06
Сообщений: 120
Рейтинг сообщения: 0
Vit_is писал(а):
Пробовал даже у транзисторов VT1 и VT2 поочередно менял коллектор с эмиттером, на работу генератора это не повлияло

Следует понимать, что генератор "работает" независимо от того как впаяны VT1 и VT2?


Вернуться наверх
 
Не в сети
 Заголовок сообщения: Re: Генератор ВЧ. Радиоконструктор 2007-07, опечатка?.
СообщениеДобавлено: Чт мар 21, 2013 22:11:14 
Грызет канифоль
Аватар пользователя

Карма: 6
Рейтинг сообщений: 107
Зарегистрирован: Сб авг 27, 2011 21:23:22
Сообщений: 274
Откуда: LN36XI
Рейтинг сообщения: 0
aen
Установил R1 5,6 кОм, более менее нормально. На частоте 23 МГц сигнал падает сильно, а дальше видимо срыв генерации. Резистор закоротил.


Последний раз редактировалось Vit_is Чт мар 21, 2013 22:13:21, всего редактировалось 1 раз.

Вернуться наверх
 
Не в сети
 Заголовок сообщения: Re: Генератор ВЧ. Радиоконструктор 2007-07, опечатка?.
СообщениеДобавлено: Чт мар 21, 2013 22:12:27 
Грызет канифоль
Аватар пользователя

Карма: 6
Рейтинг сообщений: 107
Зарегистрирован: Сб авг 27, 2011 21:23:22
Сообщений: 274
Откуда: LN36XI
Рейтинг сообщения: 0
lawr писал(а):
Следует понимать, что генератор "работает" независимо от того как впаяны VT1 и VT2?

Именно так!!!


Вернуться наверх
 
Не в сети
 Заголовок сообщения: Re: Генератор ВЧ. Радиоконструктор 2007-07, опечатка?.
СообщениеДобавлено: Чт мар 21, 2013 22:14:58 
Модератор
Аватар пользователя

Карма: 158
Рейтинг сообщений: 1600
Зарегистрирован: Пт апр 28, 2006 15:26:07
Сообщений: 11940
Откуда: Россия.
Рейтинг сообщения: 1
Медали: 2
Мявтор 3-й степени (1) Лучший человек Форума 2017 (1)
Vit_is писал(а):
На частоте 23 МГц сигнал падает сильно, а дальше видимо срыв генерации.
Необязательно срыв.
Сигнал может падать из за усилителя, что стоит после генератора.
Туда желательно поставить что то более высокочастотное, например тот же КТ326.
И непонятно зачем Вам сдалась АМ модуляция в генераторе?


Vit_is писал(а):
Именно так!!!
Не знаю как они так могут работать, но надеюсь, что сейчас то правильно стоят в соответствием со схемой?
Думаю если их перевернуть, то ничего хорошего из этого не должно получиться.

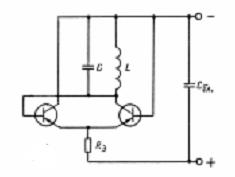
Вот же его схема.
Это обычный несимметричный мультивибратор.

Изображение

Как тут можно перевернуть? :cry:


Вложения:
1.JPG [5.02 KiB]
Скачиваний: 8028
Вернуться наверх
 
Не в сети
 Заголовок сообщения: Re: Генератор ВЧ. Радиоконструктор 2007-07, опечатка?.
СообщениеДобавлено: Чт мар 21, 2013 22:19:59 
Встал на лапы

Зарегистрирован: Чт фев 16, 2012 15:22:06
Сообщений: 120
Рейтинг сообщения: 0
Vit_is писал(а):
Именно так!!!

Где-то ошибка! Проверьте внимательно наружную обвеску
Похоже, если выпаять любой из них - диапазон расширится (генерит кто-то другой)!


Вернуться наверх
 
Не в сети
 Заголовок сообщения: Re: Генератор ВЧ. Радиоконструктор 2007-07, опечатка?.
СообщениеДобавлено: Чт мар 21, 2013 22:22:51 
Грызет канифоль
Аватар пользователя

Карма: 6
Рейтинг сообщений: 107
Зарегистрирован: Сб авг 27, 2011 21:23:22
Сообщений: 274
Откуда: LN36XI
Рейтинг сообщения: 0
aen писал(а):
Неужели у самой катушки собственная емкость такая огромная? :(
Она хотя бы секциями намотана?.

Сделал все как написано, каркасы для катушек от телевизора, разделенная на 4 секции. Пробовал каркасы от других приемников даже не повлияло. Провода ПЭВ соответствующего диаметра.


Вернуться наверх
 
Не в сети
 Заголовок сообщения: Re: Генератор ВЧ. Радиоконструктор 2007-07, опечатка?.
СообщениеДобавлено: Чт мар 21, 2013 22:30:30 
Грызет канифоль
Аватар пользователя

Карма: 6
Рейтинг сообщений: 107
Зарегистрирован: Сб авг 27, 2011 21:23:22
Сообщений: 274
Откуда: LN36XI
Рейтинг сообщения: 0
lawr писал(а):
Где-то ошибка! Проверьте внимательно наружную обвеску
Похоже, если выпаять любой из них - диапазон расширится (генерит кто-то другой)!

Честно скажу, проверял, пытался исключать длинные соединения, подключал на прямую все безрезультатно. Тут видимо надо просто увеличить сопротивление R1 до 35 кОм, поставить схему усилителя получше. И увеличить количество контуров (катушек).
aen писал(а):
И непонятно зачем Вам сдалась АМ модуляция в генераторе?

Признаюсь честно, мои познания в основном в "цифровой" электронике, в "аналоговой" большие пробелы, ну вообщем решил их устранить. :))
Начал со сборки приемника - наблюдателя коротковолновика, но его надо настроить с помощью ВЧ генератора (признаюсь я только учусь), нашел простенькую схемку вот и решил ее собрать.
А она вон какая капризная оказалась. :)
Ладно давайте тему закрывать, спасибо всем огромное кто откликнулся, особенно Lazy.
Буду искать другую схему, кстати а какую лучше собрать, что посоветуете?
:beer:


Вернуться наверх
 
Не в сети
 Заголовок сообщения: Re: Генератор ВЧ. Радиоконструктор 2007-07, опечатка?.
СообщениеДобавлено: Чт мар 21, 2013 22:44:27 
Встал на лапы

Зарегистрирован: Чт фев 16, 2012 15:22:06
Сообщений: 120
Рейтинг сообщения: 0
Vit_is писал(а):
Честно скажу, проверял, пытался исключать длинные соединения, подключал на прямую все безрезультатно. Тут видимо надо просто увеличить сопротивление R1 до 35 кОм, поставить схему усилителя получше. И увеличить количество контуров (катушек).

Вряд ли вы будете удовлетворены такими доработками. Тем более, если делаете его для себя! В свое время собирал аналогичную схему (Радио №10 за 1984г), так там R1 вообще около 1к:


Вложения:
Безымянный-1.jpg [28.81 KiB]
Скачиваний: 1604
Вернуться наверх
 
Не в сети
 Заголовок сообщения: Re: Генератор ВЧ. Радиоконструктор 2007-07, опечатка?.
СообщениеДобавлено: Чт мар 21, 2013 22:50:34 
Модератор
Аватар пользователя

Карма: 158
Рейтинг сообщений: 1600
Зарегистрирован: Пт апр 28, 2006 15:26:07
Сообщений: 11940
Откуда: Россия.
Рейтинг сообщения: 1
Медали: 2
Мявтор 3-й степени (1) Лучший человек Форума 2017 (1)
Vit_is писал(а):
Начал со сборки приемника - наблюдателя коротковолновика
Значит еще на форуме встретимся.
Приемники моя первая любовь. :)
Vit_is писал(а):
какую лучше собрать, что посоветуете?
:beer:
Советуем эту же, только делайте то, о чем уже сами написали.
Vit_is писал(а):
поставить схему усилителя получше. И увеличить количество контуров (катушек).


Вернуться наверх
 
Не в сети
 Заголовок сообщения: Re: Генератор ВЧ. Радиоконструктор 2007-07, опечатка?.
СообщениеДобавлено: Чт мар 21, 2013 22:50:58 
Встал на лапы

Зарегистрирован: Чт фев 16, 2012 15:22:06
Сообщений: 120
Рейтинг сообщения: 0
Vit_is писал(а):
Буду искать другую схему, кстати а какую лучше собрать, что посоветуете?

Vit_is, не надо искать другую! Доведите эту - у вас получится! Проверьте еще раз, два, десять! Причина пустяковая, но ее надо отыскать. Верьте в себя. Удачи


Вернуться наверх
 
Не в сети
 Заголовок сообщения: Re: Генератор ВЧ. Радиоконструктор 7-2007, опечатка?.
СообщениеДобавлено: Чт мар 21, 2013 22:54:36 
Грызет канифоль
Аватар пользователя

Карма: 6
Рейтинг сообщений: 107
Зарегистрирован: Сб авг 27, 2011 21:23:22
Сообщений: 274
Откуда: LN36XI
Рейтинг сообщения: 0
Спасибо lawr! :))


Вернуться наверх
 
Не в сети
 Заголовок сообщения: Re: Генератор ВЧ. Радиоконструктор 2007-07, опечатка?.
СообщениеДобавлено: Чт мар 21, 2013 22:56:38 
Грызет канифоль
Аватар пользователя

Карма: 6
Рейтинг сообщений: 107
Зарегистрирован: Сб авг 27, 2011 21:23:22
Сообщений: 274
Откуда: LN36XI
Рейтинг сообщения: 0
aen писал(а):
Советуем эту же, только делайте то, о чем уже сами написали.

Хорошо, этим генератором займусь дальше, получение опыта - бесценно.


Вернуться наверх
 
Не в сети
 Заголовок сообщения: Re: Генератор ВЧ. Радиоконструктор 7-2007, опечатка?.
СообщениеДобавлено: Чт мар 21, 2013 23:24:14 
Это не хвост, это антенна
Аватар пользователя

Карма: 20
Рейтинг сообщений: 188
Зарегистрирован: Вс мар 28, 2010 12:52:22
Сообщений: 1368
Откуда: Беларусь
Рейтинг сообщения: 0
Собирал на такой схеме измеритель катушек индуктивности. После долгих мучений пришел к выводу о том, что данная схема довольно критична к напряжению питания. Ввел обратную связь по питанию и чудо произошло! При питании 5 вольт амплитуда сигнала на выходе около 2 вольт. Транзисторы были использованы КТ3107 (делал на макетке), максимальная частота правда составила 3 МГц, но амплитуда сигнала в этом диапазоне не менялась.
Еще одна особенность - он "не любит" больших паразитных емкостей типа полигонов земли - это была моя первая попытка его сборки до макетки.

_________________
«Еще я хотел бы, чтобы наши ученые изобрели какой-то новый источник энергии, чтобы мы на коленях не ползали даже перед нашими братьями, умоляя их и выпрашивая тонну нефти или кубометр газа», — рассказал белорусский президент.


Вернуться наверх
 
Не в сети
 Заголовок сообщения: Re: Генератор ВЧ. Радиоконструктор 7-2007, опечатка?.
СообщениеДобавлено: Пт мар 22, 2013 17:04:42 
Грызет канифоль
Аватар пользователя

Карма: 6
Рейтинг сообщений: 107
Зарегистрирован: Сб авг 27, 2011 21:23:22
Сообщений: 274
Откуда: LN36XI
Рейтинг сообщения: 0
dr.doc писал(а):
Ввел обратную связь по питанию и чудо произошло! При питании 5 вольт амплитуда сигнала на выходе около 2 вольт.

Можно по подробнее пожалуйста про ОС по питанию.


Вернуться наверх
 
Не в сети
 Заголовок сообщения: Re: Генератор ВЧ. Радиоконструктор 7-2007, опечатка?.
СообщениеДобавлено: Пт мар 22, 2013 17:10:20 
Модератор
Аватар пользователя

Карма: 158
Рейтинг сообщений: 1600
Зарегистрирован: Пт апр 28, 2006 15:26:07
Сообщений: 11940
Откуда: Россия.
Рейтинг сообщения: 1
Медали: 2
Мявтор 3-й степени (1) Лучший человек Форума 2017 (1)
http://zpostbox.ru/universalnyi_lc_generator.html


Вернуться наверх
 
Показать сообщения за:  Сортировать по:  Вернуться наверх
Начать новую тему Ответить на тему  [ Сообщений: 157 ]    , 2, , , ...  

Часовой пояс: UTC + 3 часа


Кто сейчас на форуме

Сейчас этот форум просматривают: нет зарегистрированных пользователей и гости: 27


Вы не можете начинать темы
Вы не можете отвечать на сообщения
Вы не можете редактировать свои сообщения
Вы не можете удалять свои сообщения
Вы не можете добавлять вложения

Найти:
Перейти:  


Powered by phpBB © 2000, 2002, 2005, 2007 phpBB Group
Русская поддержка phpBB
Extended by Karma MOD © 2007—2012 m157y
Extended by Topic Tags MOD © 2012 m157y