Например TDA7294

Форум РадиоКот • Просмотр темы - Вместо переменного конденсатора настройки включить варикап
Форум РадиоКот
Здесь можно немножко помяукать :)

Текущее время: Вс дек 21, 2025 17:11:59

Часовой пояс: UTC + 3 часа


ПРЯМО СЕЙЧАС:



Начать новую тему Ответить на тему  [ Сообщений: 214 ]     ... , , , , 11
Автор Сообщение
Не в сети
 Заголовок сообщения: Re: Вместо переменного конденсатора настройки включить варик
СообщениеДобавлено: Ср апр 03, 2024 22:36:53 
Прорезались зубы

Зарегистрирован: Пт дек 18, 2009 23:17:35
Сообщений: 219
Откуда: Санкт-Петербург
Рейтинг сообщения: 0
Asmodey, учитывая что микросхема мне досталась б/у, с алиэкспресса, со следами клея на пузике, но главное- в корпусе SMD, кондюки я также использую SMD, 0805, муратовские, из чипа-дипа, NP0 (как писал выше), а вот конкретный каталожный номер кондюковый уже не помню.
Да и не сработает сей метод... Кондюк не полупроводниковый, в работе саморазогреваться не будет. Как я писал выше- температура в румнате стабильная, так что это имхо саморазогрев. Либо вообще не варикапы гадят, а что-то другое. Что- не знаю...

Пока решил заменить древние варикапы на совершенно новые, относительно одинаковые (по LC-метру, хотя так подбирать некорректно, ясен пень). Посмотрю что будет... Бо вспомнил, что советский телевизор Рекорд-381, где те самые СК-М-20 стояли, в первые годы держал станцию идеально, а потом приходилось подкручивать настройку канала, и никакие АПЧ не помогали- иначе цвет пропадал...

Ну либо исчо поставить резюки не 100К, а 10К, аки в книжке- чтоб обратный ток побольше стал... но имхо тоже не поможет.


Вернуться наверх
 
Не в сети
 Заголовок сообщения: Re: Вместо переменного конденсатора настройки включить варик
СообщениеДобавлено: Ср апр 03, 2024 22:41:32 
Друг Кота
Аватар пользователя

Карма: 26
Рейтинг сообщений: 819
Зарегистрирован: Сб янв 28, 2006 22:47:24
Сообщений: 5717
Рейтинг сообщения: 0
Может микросхема разогреваться, из-за чего частота просто обязана уходить.

_________________
Астролябия-сама меряет, было бы что мерять!!!


Вернуться наверх
 
Не в сети
 Заголовок сообщения: Re: Вместо переменного конденсатора настройки включить варик
СообщениеДобавлено: Ср апр 03, 2024 22:46:14 
Прорезались зубы

Зарегистрирован: Пт дек 18, 2009 23:17:35
Сообщений: 219
Откуда: Санкт-Петербург
Рейтинг сообщения: 0
Asmodey, ну может и она... Вообще похожий эффект у меня наблюдался на совершенно новой 5710, которуя я лично купил в далеком-далеком году в "Промэлектронике". У приемника, принесенного с холода, немного уплывала частота... Просто к тому, что дефект от поюзанности вроде не зависит.

А что там еще может влиять на работу АПЧ, кроме кондюка в 10 микрофарад на соответствующей ноге?

Бо из "подозрительного" в схеме только фильтры. По даташиту должно стоять два 10.7S2 (у 5710 - S3 и S2, то есть первый фильтр с более узкой полосой, а у 5711 они одинаковые почему-то), и дискриминатор 10.7С. Фильтры вроде подходящие. То есть с буквой S и красной точкой слева, а не справа. Но муратовский оригинальный дискриминатор почему-то давал прием с подхрипыванием. Заменил на китайца- стало без подхрипывания. Фильтры без муратовской маркировки, так что могут быть и не S2 нифига... На всякий случай тоже заказал этого барахла, "чтоб наверняка". А остальные компоненты "новые оригинальные" и согласно даташита...


Вернуться наверх
 
Не в сети
 Заголовок сообщения: Re: Вместо переменного конденсатора настройки включить варик
СообщениеДобавлено: Ср апр 03, 2024 22:51:53 
Друг Кота
Аватар пользователя

Карма: 26
Рейтинг сообщений: 819
Зарегистрирован: Сб янв 28, 2006 22:47:24
Сообщений: 5717
Рейтинг сообщения: 0
Честно говоря я уже с трудом вспоминаю как там АПЧ организована. Лет 8 как занялся DSP тюнерами, и к аналоговым однокрисстальным тюнерам с тех пор не прикасался почти.

_________________
Астролябия-сама меряет, было бы что мерять!!!


Вернуться наверх
 
Эиком - электронные компоненты и радиодетали
Не в сети
 Заголовок сообщения: Re: Вместо переменного конденсатора настройки включить варик
СообщениеДобавлено: Ср апр 03, 2024 22:53:55 
Прорезались зубы

Зарегистрирован: Пт дек 18, 2009 23:17:35
Сообщений: 219
Откуда: Санкт-Петербург
Рейтинг сообщения: 0
Asmodey, не страшно. По-всякому попробую, мобыть получится чего...
В любом случае благодарю за консультацию. :)


Вернуться наверх
 
Не в сети
 Заголовок сообщения: Re: Вместо переменного конденсатора настройки включить варик
СообщениеДобавлено: Пт апр 12, 2024 03:44:06 
Прорезались зубы

Зарегистрирован: Пт дек 18, 2009 23:17:35
Сообщений: 219
Откуда: Санкт-Петербург
Рейтинг сообщения: 0
Asmodey, вам вряд ли интересно, но диверсанта я таки выловил.

Впаял вместо варикапа контура гетеродина обычный постоянный кондюк- частота не уходит, по ЦШ отслеживал. Полчаса "грелось"- никаких изменений в показаниях. Мог бы и раньше додуматься до такой проверки, но я тупой. :(
Так что КВ109в все-таки хлам. :( Буду искать замену.

Правда, есть опасение, что в моей б/у микрухе (ТЕА5711) просто система АПЧ то ли дохлая совсем, то ли "дохлая" изначально- бо никакого эффекта "захвата станции", как на ТЕА5710, я не ощущал. А на 5710 он достаточно мощный, уж если настроился- то просто так не скинешь...

В общем, такие вот дела скорбные.


Вернуться наверх
 
Не в сети
 Заголовок сообщения: Re: Вместо переменного конденсатора настройки включить варик
СообщениеДобавлено: Пт апр 12, 2024 05:53:50 
Друг Кота
Аватар пользователя

Карма: 26
Рейтинг сообщений: 819
Зарегистрирован: Сб янв 28, 2006 22:47:24
Сообщений: 5717
Рейтинг сообщения: 0
Так что КВ109в все-таки хлам

Ну так столько ему годиков. И разработка очень старая. Я из отечественных на УКВ/FM старался применять КВ132. Они новее, стабильнее, и у них перекрытие огромное всего лишь при 1-5 вольтах. Из импортных близкие к ним по параметрам BB202.

_________________
Астролябия-сама меряет, было бы что мерять!!!


Вернуться наверх
 
Не в сети
 Заголовок сообщения: Re: Вместо переменного конденсатора настройки включить варик
СообщениеДобавлено: Пт апр 12, 2024 06:46:01 
Прорезались зубы

Зарегистрирован: Пт дек 18, 2009 23:17:35
Сообщений: 219
Откуда: Санкт-Петербург
Рейтинг сообщения: 0
Asmodey, в чипе-дипе продаются по конским ценам, с буквами АР, название интересное- "дварикап", видимо- потому что парами (то есть два), не встречал ранее такого. :) Ну нафиг этого отечественного производителя, пока заказал китайских ВВ910, чисто попробовать чего будет. Но на всякий случай на заметку возьму. ;) "Огромное перекрытие" может быть полезно при батарейном питании...
Главное- "варикапы могут быть шибко нетермостабильными, в том числе от саморазогрева"- до истины я докопался, а дальше уже детали и эксперименты.

Благодарю за участие. :)


Вернуться наверх
 
Не в сети
 Заголовок сообщения: Re: Вместо переменного конденсатора настройки включить варик
СообщениеДобавлено: Пт апр 12, 2024 08:28:00 
Друг Кота

Карма: 49
Рейтинг сообщений: 547
Зарегистрирован: Чт фев 20, 2014 18:57:55
Сообщений: 19492
Рейтинг сообщения: 0
Ну кардинально вы эту проблему не решите без синтезатора. У варикапов приличный ТКЕ.

Правда, есть опасение, что в моей б/у микрухе (ТЕА5711) просто система АПЧ то ли дохлая совсем, то ли "дохлая" изначально- бо никакого эффекта "захвата станции", как на ТЕА5710, я не ощущал. А на 5710 он достаточно мощный, уж если настроился- то просто так не скинешь...

В структурной схеме детектор и гетеродин и у той и у другой одинаково нарисованы со связью между ними, по идее должно +/- одинаково работать.

Учитывая предназначение микрухи из даташита... а шо вы таки хотите ? :)) Если портативность не нужна можно обложить эту микруху синтезом и микроконтроллером.

_________________
"Вся военная пропаганда, все крики, ложь и ненависть исходят от людей, которые на эту войну не пойдут !" / Джордж Оруэлл /
"Война - это,когда за интересы других,гибнут совершенно безвинные люди." / Уинстон Черчилль /


Вернуться наверх
 
Не в сети
 Заголовок сообщения: Re: Вместо переменного конденсатора настройки включить варик
СообщениеДобавлено: Пт апр 12, 2024 12:18:35 
Электрический кот

Карма: 1
Рейтинг сообщений: 214
Зарегистрирован: Сб сен 12, 2009 15:43:19
Сообщений: 1011
Рейтинг сообщения: 0
Был такой генератор в свое время венгерский TR0614 - удивительный гибрид советских и западных технологий. Синтез без СВЧ микросхем, все на смесителях на гармониках организовано, микросхемы в основном 155 наши. Хотя частоты гетеродина под полтора гигагерца. Рекомендую схемы посмотреть, есть в сети. В том числе как интеполятор напряжения управления варикапами устроен для линейности перестройки.
Изображение


Вложения:
TR0614_OSCILLATOR.jpg [132 KiB]
Скачиваний: 286
Вернуться наверх
 
Не в сети
 Заголовок сообщения: Re: Вместо переменного конденсатора настройки включить варик
СообщениеДобавлено: Пт апр 12, 2024 16:25:14 
Прорезались зубы

Зарегистрирован: Пт дек 18, 2009 23:17:35
Сообщений: 219
Откуда: Санкт-Петербург
Рейтинг сообщения: 0
Morroc, вот я сам не знаю чего хочу... Точнее- хочу понять где у меня ошибка, кроме как в ДНК.

Как это работает в самопеределаной Спидоле, опишу для наглядности. Там у меня настройка не КПЕ, а варикапами, КПЕ я использую как переменный резистор. "Схема с генератором", в инфернете идею подсмотрел и слепил похожую- так шкала линейнее получается. Кароч, не суть...

Вот я кручу ручку, стрелочка ползет по шкале. Сначала у меня слабельнкое "дорожное радиво", 87.5. Далее кручу, стрелочка уползла на полсантиметра, там уже мощное "ретро-фм", 88 ровно. Кручу обратно- а все равно "ретро-фм" продолжает играть. И вот когда стрелочка отползла назад аж на 4 миллиметра- только после этого "ретро-фм" будто "срывается", и почти сразу "дорожное радиво". Нет, верньерное устройство не разболтано, это я проверил. Причем такой эффект был на всем барахле, что я делал на ТЕА5710. Какой-то явный "захват станции". ЦШ я к ним не присобачивал только. :(
А на ТЕА5711 даже близко такого нету. То есть вот насколько ручка многооборотного переменника, коим настраиваюсь, повернута- столько и частота гетеродина. А есть станция или нет- микросхеме ваще пофигу.

Да, внутрянка нарисована у них одинаково. Даташиты плюс-минус тоже одинаковые... Схемы контуров одинаковы. Номиналами чуть отличаются, бо индуктивность монтажа разная немного. Варикапы те же самые в обоих случаях, из одного мешка. Но на 5710 эффект "захвата" есть, на 5711 пока не наблюдался...
Да, катушку преселектора я подбираю "по наитию", по величине тока с ноги индикации "field strength", как исчо- не придумал. :(
Так что либо 5711 "захватывать" не умеет, либо мне попался экземпляр, у которого где-то что-то выборочно сдохло, хотя формально вроде все работает... "а возможно ли такое"- спрашивается.

Попробую достать, конечно, "новый оригинальный" экземпляр, хотя вряд ли это теперь возможно. Но- вдруг... С синтезатором частоты любой дурак сможет, а я хочу для начала попробовать без него. ;)

Добавлено after 58 seconds:
Re: Вместо переменного конденсатора настройки включить варикап
khach, схема любопытная, безусловно, но настроить такое даже с поллитрой я не смогу. :(


Вернуться наверх
 
Не в сети
 Заголовок сообщения: Re: Вместо переменного конденсатора настройки включить варик
СообщениеДобавлено: Пт апр 12, 2024 19:08:53 
Электрический кот

Карма: 1
Рейтинг сообщений: 214
Зарегистрирован: Сб сен 12, 2009 15:43:19
Сообщений: 1011
Рейтинг сообщения: 0
У Спидолы была кнопочка АПЧ как помню- нажал- станцию держит, отжал- можно легко сканировать диапазон и со станции легко спрыгивать. Как кому удобнее.
В современных конструкциях линейностью перестройки генератора варикапом никто не заморачивается- синтезатор ФАПЧ сам настроит нужное напряжение. Другое дело в древних конструкциях приборов и приемников где были варианты аналоговой перестройки. Вот там только схемы линейных интерполяторов перестройки для варикапов только и попадались.
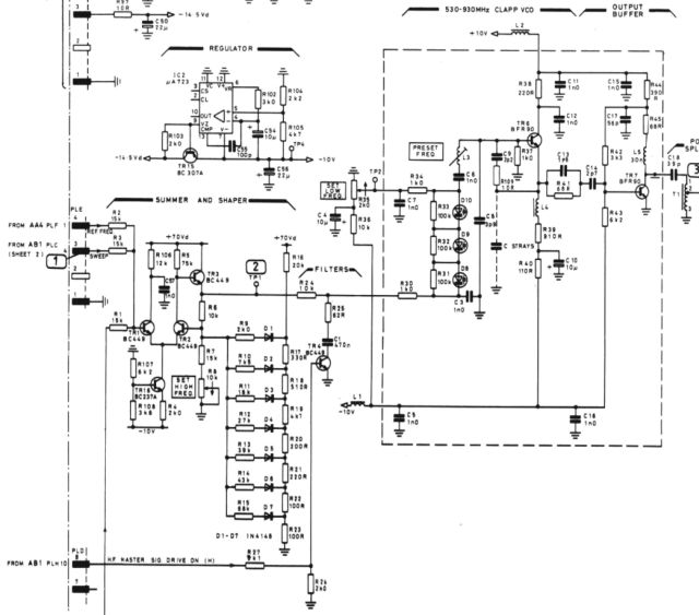
Вот например схема гетеродина с интеполятором напряжений на резисторах и диодах от маркони 2382
Изображение
Про настройку и рассчет таких схем- сам не в курсе.


Вложения:
Marconi 2382 VCO.jpg [49.2 KiB]
Скачиваний: 261
Вернуться наверх
 
Не в сети
 Заголовок сообщения: Re: Вместо переменного конденсатора настройки включить варик
СообщениеДобавлено: Пт апр 12, 2024 23:20:37 
Прорезались зубы

Зарегистрирован: Пт дек 18, 2009 23:17:35
Сообщений: 219
Откуда: Санкт-Петербург
Рейтинг сообщения: 0
khach, нет, вы не поняли. Спидола была вообще без УКВ, я просто туда самодельную планку всобачил на ТЕА5710. :)

Ладно, проблему я решил. Точнее- нашел, проблема была в микросхеме.
Я купил пять штук ТЕА5711 на Али, и все- со следами клея на пузиках. То есть б/у. Вот та, которую я наугад вынул из мешка первой, оказалась с крайне интересным дефектом- АПЧ там не работало от слова "вообще". Как это возможно- я не понимаю. Очевидное-невероятное. Мистика. Но тем не менее. :(
Я ее содрал аккуратно с платы. Взял из мешка другую, они в SО-32, запаивать не стал, а просто прижал пальцем посильнее. Проверил таким способом все оставшиеся четыре- одна оказалась дохлой совсем, как ни прижимал- ни звука, зато три- идеальными. Вот они станцию захватывают как положено! Ловлю, допустим "Ретро-ФМ", 88.0 на ЦШ. Кручу настройку вверх- начинает понемногу сползать, но неохотно... 88.1... ухудшение на слух... а потом срыв- и сразу 88.4, без промежуточных чисел. Кручу обратно. 88.3, 88.2... появляется слабый сигнал от "ближайшей станции"- микросхема ее "захватывает" и на ЦШ сразу 88.0
Вот именно такое поведение у меня было с "новыми-оригинальными" 5710, только "на слух". В целом микросхема отличная оказалась, когда нормальная. :)

В общем- приношу извинения что всем тут (особенно себе) поимел мозги, тем не менее- опыт считаю зело ценным.
Во-первых варикапы нетермостабильны сами по себе- и надо это иметь в виду. Во-вторых, микросхемы с Али- это бывает очень интересно ("я искал медь, а нашел золото!"). ;)


Последний раз редактировалось Opamp Сб апр 13, 2024 08:22:08, всего редактировалось 2 раз(а).

Вернуться наверх
 
Не в сети
 Заголовок сообщения: Re: Вместо переменного конденсатора настройки включить варик
СообщениеДобавлено: Сб апр 13, 2024 07:50:02 
Друг Кота

Карма: 49
Рейтинг сообщений: 547
Зарегистрирован: Чт фев 20, 2014 18:57:55
Сообщений: 19492
Рейтинг сообщения: 0
Прикольно )

_________________
"Вся военная пропаганда, все крики, ложь и ненависть исходят от людей, которые на эту войну не пойдут !" / Джордж Оруэлл /
"Война - это,когда за интересы других,гибнут совершенно безвинные люди." / Уинстон Черчилль /


Вернуться наверх
 
Показать сообщения за:  Сортировать по:  Вернуться наверх
Начать новую тему Ответить на тему  [ Сообщений: 214 ]     ... , , , , 11

Часовой пояс: UTC + 3 часа


Кто сейчас на форуме

Сейчас этот форум просматривают: gsmart и гости: 22


Вы не можете начинать темы
Вы не можете отвечать на сообщения
Вы не можете редактировать свои сообщения
Вы не можете удалять свои сообщения
Вы не можете добавлять вложения

Найти:
Перейти:  


Powered by phpBB © 2000, 2002, 2005, 2007 phpBB Group
Русская поддержка phpBB
Extended by Karma MOD © 2007—2012 m157y
Extended by Topic Tags MOD © 2012 m157y