Например TDA7294

Форум РадиоКот • Просмотр темы - Радиоуправляемый кораблик своими руками.
Форум РадиоКот
Здесь можно немножко помяукать :)

Текущее время: Сб янв 10, 2026 19:15:29

Часовой пояс: UTC + 3 часа


ПРЯМО СЕЙЧАС:



Начать новую тему Ответить на тему  [ Сообщений: 2145 ]     ... , , , 107,  
Автор Сообщение
Не в сети
 Заголовок сообщения: Re: Радиоуправляемый кораблик своими руками.
СообщениеДобавлено: Вт сен 20, 2022 12:55:11 
Поставщик валерьянки для Кота
Аватар пользователя

Карма: 12
Рейтинг сообщений: 65
Зарегистрирован: Ср авг 13, 2008 17:25:00
Сообщений: 2324
Откуда: Санкт-Петербург
Рейтинг сообщения: 0
Медали: 1
Получил миской по аватаре (1)
107 страниц... кораблик то получился в итоге? На какой странице результат есть?

_________________
Если прибор, будет способен видеть сигналы с частотами в пару сотен мегагерц, не превратив их в синус, - я готов настраивать его через ключи в командной строке, или правя текстовый файл... (с) Microtech


Вернуться наверх
 
Не в сети
 Заголовок сообщения: Re: Радиоуправляемый кораблик своими руками.
СообщениеДобавлено: Вт сен 20, 2022 23:42:57 
Друг Кота

Карма: -1
Рейтинг сообщений: 86
Зарегистрирован: Вт мар 13, 2012 12:16:13
Сообщений: 8900
Откуда: .ru
Рейтинг сообщения: 0
откуда я знаю на какой странице...)) см. выше...

уже 2 года кораблик плавает...

https://www.youtube.com/watch?v=qWojRM-tjP0
https://www.youtube.com/watch?v=VvzbTWOdV3g

продолжается модернизация...
:tea:

Добавлено after 6 hours 16 minutes 21 second:
далее...
надо перевести кораблик на Wi-Fi...

берём роутер
Вложение:
роутер.jpg [11.26 KiB]
Скачиваний: 195

проводим модернизацию))
добавим PoE...

проблема в том что трансформатор Ethernet намотан тонким проводом... и имеет короткое замыкание TX и RX...
Вложение:
трансформатор.jpg [38.1 KiB]
Скачиваний: 208

надо намотать самодельный трансформатор))
:tea:

Добавлено after 10 minutes 44 seconds:
намотали самодельный трансформатор))
экспериментально определили - надо 10 витков (в два витка) на феррите 12х12 мм...
Вложение:
самодельный трансформатор.jpg [62.93 KiB]
Скачиваний: 191

получился самодельный широкополосный высокочастотный трансформатор... ))

установили в роутер... подключили + 5V...
Вложение:
роутер.jpg [75.46 KiB]
Скачиваний: 195

всё работает))
:tea:

Добавлено after 8 minutes 24 seconds:
не нравятся мне такие большие антенны))
сделаем самодельные... поменьше ))

экспериментально определили (по максимальному уровню сигнала) - надо 26 мм провода... что соответствует 1/4 волны для 2,4 GHz...
Вложение:
роутер модернизированный.jpg [80.46 KiB]
Скачиваний: 369

получили:
роутер Wi-Fi (2 встроенные антенны) + Ethernet + PoE (5V).
Вложение:
роутер_после_модернизации )).jpg [5.99 KiB]
Скачиваний: 188

подключили... проверили... всё работает))
замечательно))
можно подключать к кораблику...
:tea:
далее... нужен Ethernet модуль... с PoE.
:roll:


Вернуться наверх
 
Не в сети
 Заголовок сообщения: Re: Радиоуправляемый кораблик своими руками.
СообщениеДобавлено: Ср сен 21, 2022 18:58:47 
Друг Кота

Карма: -1
Рейтинг сообщений: 86
Зарегистрирован: Вт мар 13, 2012 12:16:13
Сообщений: 8900
Откуда: .ru
Рейтинг сообщения: 0
далее...
есть такой модуль... с POE... только схема не такая какая нужно))
Вложение:
W5100_0.jpg [44.07 KiB]
Скачиваний: 103

Вложение:
W5100_1.jpg [32.81 KiB]
Скачиваний: 87

есть такой модуль... без POE...
Вложение:
W5500.jpg [29.51 KiB]
Скачиваний: 201

можно добавить POE...
только одна проблема - у всех провод тонкий трансформаторов...
Вложение:
тр.jpg [37.2 KiB]
Скачиваний: 98

при токе 1А сильно греется...
:roll:
короче... придётся всё переделывать...
:tea:


Вложения:
схема.jpg [62.36 KiB]
Скачиваний: 126
Вернуться наверх
 
Не в сети
 Заголовок сообщения: Re: Радиоуправляемый кораблик своими руками.
СообщениеДобавлено: Пн сен 26, 2022 18:55:50 
Друг Кота

Карма: -1
Рейтинг сообщений: 86
Зарегистрирован: Вт мар 13, 2012 12:16:13
Сообщений: 8900
Откуда: .ru
Рейтинг сообщения: 0
далее... делаем POE...
берём такой модуль...
Вложение:
модуль.jpg [29.07 KiB]
Скачиваний: 93

берём такой дроссель...
Вложение:
дроссель.jpg [16.92 KiB]
Скачиваний: 167

паяем по такой схеме...
Вложение:
схема.jpg [44.04 KiB]
Скачиваний: 183

получился модуль... с POE... 5V...
Вложение:
W5500_0.jpg [62.72 KiB]
Скачиваний: 158

Вложение:
W5500_1.jpg [68.53 KiB]
Скачиваний: 169

всё работает.
замечательно))
:tea:


Вернуться наверх
 
Эиком - электронные компоненты и радиодетали
Не в сети
 Заголовок сообщения: Re: Радиоуправляемый кораблик своими руками.
СообщениеДобавлено: Пн окт 03, 2022 15:29:10 
Друг Кота

Карма: -1
Рейтинг сообщений: 86
Зарегистрирован: Вт мар 13, 2012 12:16:13
Сообщений: 8900
Откуда: .ru
Рейтинг сообщения: 0
далее...

берём второй такой модуль...
Вложение:
модуль.jpg [29.07 KiB]
Скачиваний: 168

берём второй такой дроссель...
Вложение:
дроссель.jpg [16.92 KiB]
Скачиваний: 154

делам из него высокочастотный трансформатор...
мотаем 6+6 витков... с отводом...
Вложение:
трансформатор.jpg [72.28 KiB]
Скачиваний: 157

паяем по такой схеме...
Вложение:
схема.jpg [14.73 KiB]
Скачиваний: 192

получился модуль модернизированный))
Вложение:
после переделки.jpg [81.19 KiB]
Скачиваний: 202


Добавлено after 3 minutes 35 seconds:
подключаем витую пару 80 метров... проверяем...
Вложение:
работает)).jpg [90.09 KiB]
Скачиваний: 182

работает))

итого:
сделали POE (5V, 2А) для Ethernet 10 Мбит/c.
всё работает чётко))
замечательно))
:tea:


Вернуться наверх
 
Не в сети
 Заголовок сообщения: Re: Радиоуправляемый кораблик своими руками.
СообщениеДобавлено: Чт окт 06, 2022 12:59:11 
Друг Кота

Карма: -1
Рейтинг сообщений: 86
Зарегистрирован: Вт мар 13, 2012 12:16:13
Сообщений: 8900
Откуда: .ru
Рейтинг сообщения: 0
что у нас тут...
осталось доделать самое сложное...
Вложение:
Ethernet-Atmega8.jpg [200.93 KiB]
Скачиваний: 138

:roll:


Вернуться наверх
 
Не в сети
 Заголовок сообщения: Re: Радиоуправляемый кораблик своими руками.
СообщениеДобавлено: Сб окт 15, 2022 23:26:52 
Друг Кота

Карма: -1
Рейтинг сообщений: 86
Зарегистрирован: Вт мар 13, 2012 12:16:13
Сообщений: 8900
Откуда: .ru
Рейтинг сообщения: 0
что у нас тут...
вот такую штуку надо сделать...
https://ru.wikipedia.org/wiki/Манчестер ... одирования
Вложение:
Manchester_encoding.jpg [49.11 KiB]
Скачиваний: 1136

:tea:


Вернуться наверх
 
Не в сети
 Заголовок сообщения: Re: Радиоуправляемый кораблик своими руками.
СообщениеДобавлено: Ср окт 19, 2022 22:35:59 
Друг Кота

Карма: -1
Рейтинг сообщений: 86
Зарегистрирован: Вт мар 13, 2012 12:16:13
Сообщений: 8900
Откуда: .ru
Рейтинг сообщения: 0
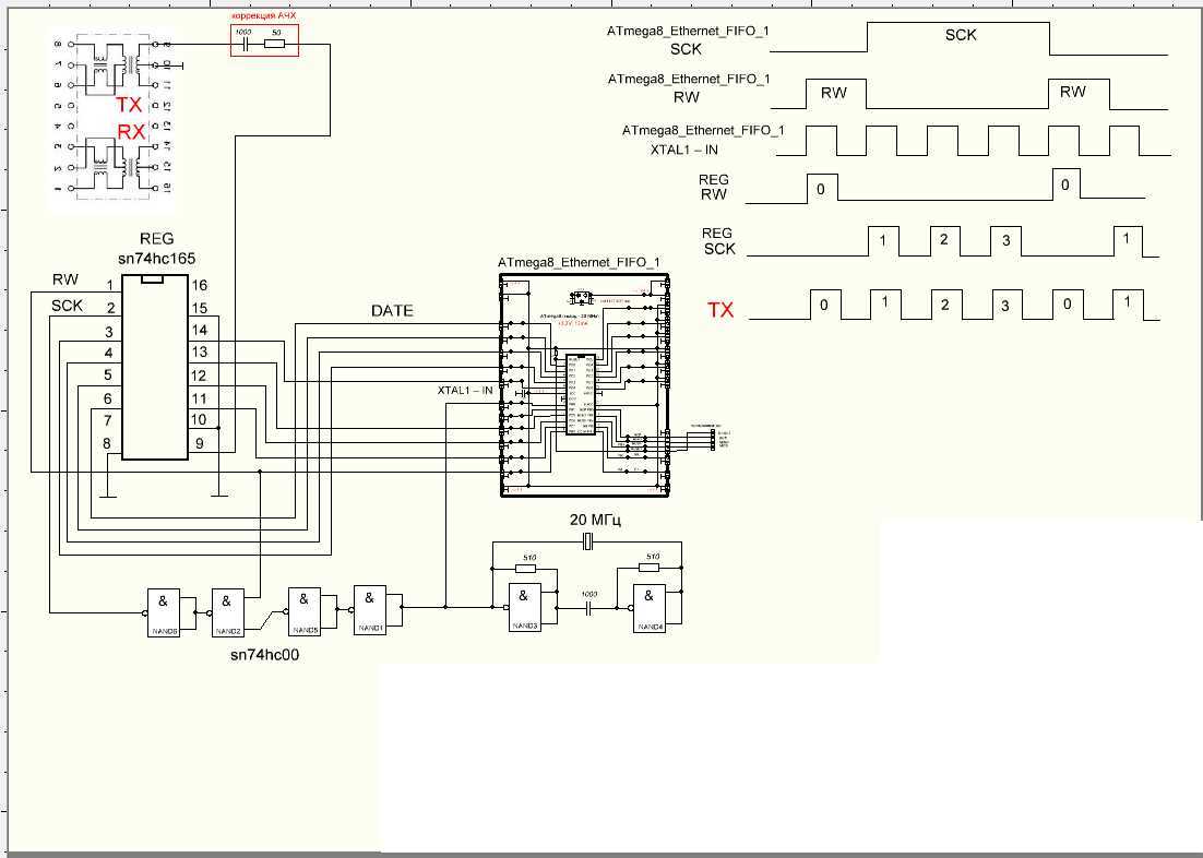
далее... делаем Ethernet... на МК))
есть такой вариант схемы... на 4-х МК))
Вложение:
FIFO_TX.jpg [88.75 KiB]
Скачиваний: 103

в протеусе работает...
Вложение:
тест.jpg [196.64 KiB]
Скачиваний: 79

в железе тоже...
Вложение:
Ethernet-Atmega8.jpg [77.31 KiB]
Скачиваний: 87

в тестах использовал только 2 МК... для проверки 2-x достаточно ))
:tea:
минусы:
1. работает не очень надежно... требуется точно подбирать напряжение питания...
2. 4-х МК многовато...
вывод:
нужна другая схема...
:roll:

Добавлено after 27 minutes 56 seconds:
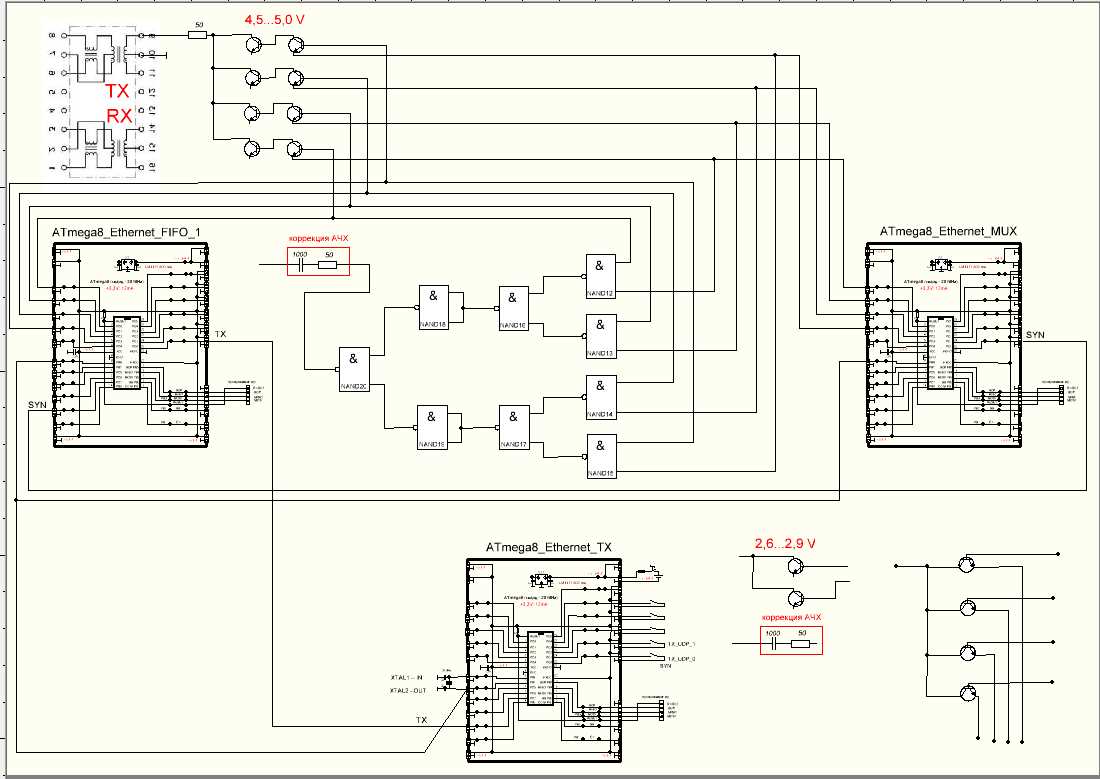
есть другой вариант схемы - можно использовать мультиплексор...
Вложение:
MUX.jpg [65.81 KiB]
Скачиваний: 93

в протеусе работает...
...
в железе не работает вообще))
:roll:
нужно придумать схему самого мультиплексора... на транзисторах... или на логических элементах... или на чём то другом... чем проще тем лучше)) поэтому в идеале на транзисторах...
:roll:

Добавлено after 1 hour 55 minutes 18 seconds:
ещё есть вариант на сдвиговом регистре... простой преобразователь параллельный-последовательный код...
Вложение:
регистр.jpg [67.58 KiB]
Скачиваний: 89

:roll:


Вернуться наверх
 
Не в сети
 Заголовок сообщения: Re: Радиоуправляемый кораблик своими руками.
СообщениеДобавлено: Вс окт 23, 2022 11:55:50 
Друг Кота

Карма: -1
Рейтинг сообщений: 86
Зарегистрирован: Вт мар 13, 2012 12:16:13
Сообщений: 8900
Откуда: .ru
Рейтинг сообщения: 0
на сдвиговом регистре...
Вложение:
sn74hc165.jpg [53.36 KiB]
Скачиваний: 85

простой преобразователь параллельный-последовательный код...
Вложение:
сдвиговый регистр.jpg [77.61 KiB]
Скачиваний: 83

как то так...
:roll:


Вернуться наверх
 
Не в сети
 Заголовок сообщения: Re: Радиоуправляемый кораблик своими руками.
СообщениеДобавлено: Вт окт 25, 2022 15:49:01 
Друг Кота

Карма: -1
Рейтинг сообщений: 86
Зарегистрирован: Вт мар 13, 2012 12:16:13
Сообщений: 8900
Откуда: .ru
Рейтинг сообщения: 0
или можно использовать мультиплексор + сумматор...
Вложение:
сумматор.jpg [9.7 KiB]
Скачиваний: 81

Вложение:
схема.jpg [93.89 KiB]
Скачиваний: 411

Вложение:
протеус.jpg [164.65 KiB]
Скачиваний: 417

в теории работает))
:roll:


Вернуться наверх
 
Не в сети
 Заголовок сообщения: Re: Радиоуправляемый кораблик своими руками.
СообщениеДобавлено: Вт окт 25, 2022 15:53:36 
Друг Кота

Карма: 49
Рейтинг сообщений: 547
Зарегистрирован: Чт фев 20, 2014 18:57:55
Сообщений: 19494
Рейтинг сообщения: 0
есть такой вариант схемы... на 4-х МК))

жесть :))

_________________
"Вся военная пропаганда, все крики, ложь и ненависть исходят от людей, которые на эту войну не пойдут !" / Джордж Оруэлл /
"Война - это,когда за интересы других,гибнут совершенно безвинные люди." / Уинстон Черчилль /


Вернуться наверх
 
Не в сети
 Заголовок сообщения: Re: Радиоуправляемый кораблик своими руками.
СообщениеДобавлено: Вт окт 25, 2022 16:40:59 
Друг Кота

Карма: -1
Рейтинг сообщений: 86
Зарегистрирован: Вт мар 13, 2012 12:16:13
Сообщений: 8900
Откуда: .ru
Рейтинг сообщения: 0
это Авангард ! ))
так сразу не поймёшь...))
:))
Вложение:
протеус.jpg [168.01 KiB]
Скачиваний: 866

Вложение:
схема.jpg [95.94 KiB]
Скачиваний: 874

:tea:


Вернуться наверх
 
Не в сети
 Заголовок сообщения: Re: Радиоуправляемый кораблик своими руками.
СообщениеДобавлено: Чт окт 27, 2022 18:11:19 
Друг Кота

Карма: -1
Рейтинг сообщений: 86
Зарегистрирован: Вт мар 13, 2012 12:16:13
Сообщений: 8900
Откуда: .ru
Рейтинг сообщения: 0
ещё такая схема... на сдвиговом регистре...
:roll:
Вложение:
схема_REG.jpg [56.08 KiB]
Скачиваний: 102

Вложение:
протеус_REG.jpg [169.46 KiB]
Скачиваний: 87

в теории работает))
на практике не всё так просто... сказываются задержки на высоких частотах...
:tea:


Вернуться наверх
 
Не в сети
 Заголовок сообщения: Re: Радиоуправляемый кораблик своими руками.
СообщениеДобавлено: Сб апр 08, 2023 10:11:32 
Первый раз сказал Мяу!

Зарегистрирован: Вт мар 23, 2021 01:22:06
Сообщений: 23
Рейтинг сообщения: 0
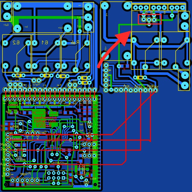
Здравстуйте, нужна помощь. Не могу понять каким образом подключить транзистор к плате, какую ногу куда подключать. Вопрос возможно и глупый, но сам не силен в этих вещах
На картинке красной стрелкой показал куда надо подключать.


Вложения:
986E749F-6574-4B7F-9E71-F2F75B5CEAAE.jpeg [192.61 KiB]
Скачиваний: 70
Вернуться наверх
 
Не в сети
 Заголовок сообщения: Re: Радиоуправляемый кораблик своими руками.
СообщениеДобавлено: Сб апр 08, 2023 12:12:08 
Друг Кота

Карма: -1
Рейтинг сообщений: 86
Зарегистрирован: Вт мар 13, 2012 12:16:13
Сообщений: 8900
Откуда: .ru
Рейтинг сообщения: 0
что это ? что-то знакомое... какая-то совсем старая версия...
лут... я не делал лут))
я только схемы рисую да программы пишу))
так там же схема была ! на схеме всё было подписано...


Вернуться наверх
 
Не в сети
 Заголовок сообщения: Re: Радиоуправляемый кораблик своими руками.
СообщениеДобавлено: Сб апр 08, 2023 14:37:29 
Первый раз сказал Мяу!

Зарегистрирован: Вт мар 23, 2021 01:22:06
Сообщений: 23
Рейтинг сообщения: 0
Схема может и старая, но за то я знаю что она рабочая, а схема то есть. Мне она ничего не говорит :)))

Добавлено after 16 minutes 50 seconds:
Походу разобрался. На самой плате над транзистором есть не понятные места под коннекторы, зачем они я до сих пор не понял. Но вот под ними есть буквы E B G, походу они там не лишние)) Всем спасибо за помощь. Чтобы я без всех делал :)) :)))


Вложения:
5FC41D19-BDB2-4195-A8BA-80BCFE3478C2.jpeg [85.77 KiB]
Скачиваний: 61
Вернуться наверх
 
Не в сети
 Заголовок сообщения: Re: Радиоуправляемый кораблик своими руками.
СообщениеДобавлено: Сб апр 08, 2023 16:23:25 
Друг Кота

Карма: -1
Рейтинг сообщений: 86
Зарегистрирован: Вт мар 13, 2012 12:16:13
Сообщений: 8900
Откуда: .ru
Рейтинг сообщения: 0
denk12345 писал(а):
Схема может и старая, но за то я знаю что она рабочая

на самом деле тут все схемы рабочие... отличие только в наборе дополнительных функций...
где-то откопал старую схему)) не отличающуюся особыми параметрами))
а я думал ты решил продолжить проект... модернизировать старую схему... внести свои изменения... добавить функций.... и т.д.
ясно))
:tea:


Вернуться наверх
 
Не в сети
 Заголовок сообщения: Re: Радиоуправляемый кораблик своими руками.
СообщениеДобавлено: Сб апр 08, 2023 21:53:28 
Первый раз сказал Мяу!

Зарегистрирован: Вт мар 23, 2021 01:22:06
Сообщений: 23
Рейтинг сообщения: 0
denk12345 писал(а):
Схема может и старая, но за то я знаю что она рабочая

на самом деле тут все схемы рабочие... отличие только в наборе дополнительных функций...
где-то откопал старую схему)) не отличающуюся особыми параметрами))
а я думал ты решил продолжить проект... модернизировать старую схему... внести свои изменения... добавить функций.... и т.д.
ясно))
:tea:

Да прикол в том что корабль дома уже лежит года полтора и вроде как рабочий) но только висит все на соплях, и постоянно что-то отваливалось, из-за этого менял пару раз антенны из-за того что какой-то провод замыкал контакты))) Сейчас наконец-то решил заказать и сделать норм плату, с металлизацией и коннекторами, чтоб все было легкое в сборке и разборке). А модернизация вещь хорошая, но сначала надо запустить хоть какой-то работающий корабль на воду и протестить)) пока появилось желание его собрать лучше это сделать))

Добавлено after 3 hours 45 minutes 11 seconds:
roman.com, Нужна еще помощь. Может вспомнишь ту схему по которой я паяю. Что там за такое АЦП. Если честно я вообще не понял что это такое, для чего он нужен, обязателен ли он в корабле? И от куда мне его взять. А то выводы под него есть, а что туда подключать я так и не понял.


Вернуться наверх
 
Не в сети
 Заголовок сообщения: Re: Радиоуправляемый кораблик своими руками.
СообщениеДобавлено: Сб апр 08, 2023 22:26:03 
Друг Кота

Карма: -1
Рейтинг сообщений: 86
Зарегистрирован: Вт мар 13, 2012 12:16:13
Сообщений: 8900
Откуда: .ru
Рейтинг сообщения: 0
АЦП он и в африке АЦП )) аналогово-цифровой преобразователь...
что туда подключать ? сервопривод туда подключать...
Вложение:
Screenshot_1.jpg [26.39 KiB]
Скачиваний: 56

там деже цвета специально нарисованы...
- чёрный
- красный
- жёлтый
Вложение:
5FC41D19-BDB2-4195-A8BA-80BCFE3478C2.jpg [38.45 KiB]
Скачиваний: 55


Добавлено after 2 minutes 43 seconds:
зачем травить плату... не пойму...
взял бы макетку и так всё спаял...
я так и делаю всегда
Вложение:
Screenshot_2.jpg [44.38 KiB]
Скачиваний: 52


Вернуться наверх
 
Не в сети
 Заголовок сообщения: Re: Радиоуправляемый кораблик своими руками.
СообщениеДобавлено: Сб апр 08, 2023 22:40:56 
Первый раз сказал Мяу!

Зарегистрирован: Вт мар 23, 2021 01:22:06
Сообщений: 23
Рейтинг сообщения: 0
roman.com, спасибо, видимо надо было сразу на Серву посмотреть)) я чет забыл что там не только плюс и минус))

Добавлено after 12 minutes 34 seconds:
roman.com, на макетке конечно можно было, но я же изначально собирал на плате, которую травил сам, а на ней и дорожки толков не держались. Та и не выдержал, заказал уже нормальную да и все. И вот пульт именно на такой макетке)) просто пульт то я в воду далеко от себя запускать не планировал, вот тут можно и сэкономить))


Вернуться наверх
 
Показать сообщения за:  Сортировать по:  Вернуться наверх
Начать новую тему Ответить на тему  [ Сообщений: 2145 ]     ... , , , 107,  

Часовой пояс: UTC + 3 часа


Кто сейчас на форуме

Сейчас этот форум просматривают: нет зарегистрированных пользователей и гости: 22


Вы не можете начинать темы
Вы не можете отвечать на сообщения
Вы не можете редактировать свои сообщения
Вы не можете удалять свои сообщения
Вы не можете добавлять вложения

Найти:
Перейти:  


Powered by phpBB © 2000, 2002, 2005, 2007 phpBB Group
Русская поддержка phpBB
Extended by Karma MOD © 2007—2012 m157y
Extended by Topic Tags MOD © 2012 m157y