Например TDA7294

Форум РадиоКот • Просмотр темы - Простая радиостанция.
Форум РадиоКот
Здесь можно немножко помяукать :)

Текущее время: Ср янв 14, 2026 13:17:09

Часовой пояс: UTC + 3 часа


ПРЯМО СЕЙЧАС:



Начать новую тему Ответить на тему  [ Сообщений: 926 ]  1, , , , ...  
Автор Сообщение
Не в сети
 Заголовок сообщения: Простая радиостанция.
СообщениеДобавлено: Ср дек 03, 2008 19:27:29 
Потрогал лапой паяльник
Аватар пользователя

Зарегистрирован: Пт июл 11, 2008 14:05:09
Сообщений: 308
Рейтинг сообщения: 0
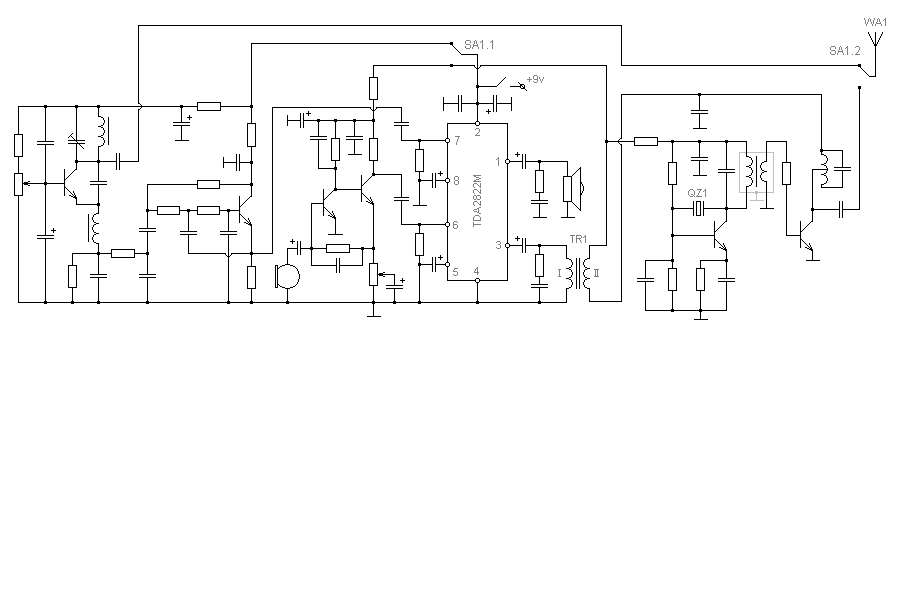
Решил самостоятельно ради интререса сделать рацию на 27мГц (27145кГц). Предназначение ее для рыбалки, т.е. получается на открытой местности. Хотелось бы выжать из нее 1км, но и 500м тоже хорошо.

Хотелось бы узнать правильность подключения узлов. Какое 9 вольтовое питание лучше использовать для максимально продолжительной работы (на сколько возможно)?


Вложения:
Комментарий к файлу: схема рации
схема рации 2.PNG [24.73 KiB]
Скачиваний: 6067
Вернуться наверх
 
Не в сети
 Заголовок сообщения:
СообщениеДобавлено: Ср дек 03, 2008 20:25:36 
Модератор
Аватар пользователя

Карма: 158
Рейтинг сообщений: 1600
Зарегистрирован: Пт апр 28, 2006 15:26:07
Сообщений: 11940
Откуда: Россия.
Рейтинг сообщения: 3
Медали: 2
Мявтор 3-й степени (1) Лучший человек Форума 2017 (1)
Вроде правильно. Микрофон какой. Если электретный, то с него на плюс питания нужен резистор 3 - 10 ком. Потом подобрать по нужной чувствительности. Так же в качестве микрофона можно динамик поставить, Правда нужен будет ещё контакт в в переключателе.

Приёмник всё таки слабоват для 1 км.


Вернуться наверх
 
Не в сети
 Заголовок сообщения:
СообщениеДобавлено: Ср дек 03, 2008 20:38:31 
Потрогал лапой паяльник
Аватар пользователя

Зарегистрирован: Пт июл 11, 2008 14:05:09
Сообщений: 308
Рейтинг сообщения: 0
В целях экономии места хотел поставить электретный, только не понял как его подключить. Так правильно?

По питанию что лучше использовать? В идеале хотел бы питать рацию 4-я или 6-ю пальчиковыми аккумуляторами - NiMH AA HR6 270AAHC 1.2v 2600mAh. Только не знаю насколько это практично.

Цитата:
Приёмник всё таки слабоват для 1 км.

На какое расстояние будет достаточно силы приемника? На 500м.?


Вложения:
схема рации 3.PNG [20.43 KiB]
Скачиваний: 2918
Вернуться наверх
 
Не в сети
 Заголовок сообщения:
СообщениеДобавлено: Ср дек 03, 2008 22:40:08 
Мучитель микросхем
Аватар пользователя

Зарегистрирован: Сб ноя 22, 2008 17:24:38
Сообщений: 410
Откуда: Москва
Рейтинг сообщения: 0
Asteriy писал(а):
В целях экономии места хотел поставить электретный, только не понял как его подключить. Так правильно?

По питанию что лучше использовать? В идеале хотел бы питать рацию 4-я или 6-ю пальчиковыми аккумуляторами - NiMH AA HR6 270AAHC 1.2v 2600mAh

IMHO - проще запитать от кроны. И компактнее


Вернуться наверх
 
Эиком - электронные компоненты и радиодетали
Не в сети
 Заголовок сообщения:
СообщениеДобавлено: Ср дек 03, 2008 22:53:39 
Потрогал лапой паяльник
Аватар пользователя

Зарегистрирован: Пт июл 11, 2008 14:05:09
Сообщений: 308
Рейтинг сообщения: 0
Ilan писал(а):
Asteriy писал(а):
В целях экономии места хотел поставить электретный, только не понял как его подключить. Так правильно?

По питанию что лучше использовать? В идеале хотел бы питать рацию 4-я или 6-ю пальчиковыми аккумуляторами - NiMH AA HR6 270AAHC 1.2v 2600mAh

IMHO - проще запитать от кроны. И компактнее


А будет ли хватать энергии Кроны?


Вернуться наверх
 
Не в сети
 Заголовок сообщения:
СообщениеДобавлено: Чт дек 04, 2008 00:32:38 
Сверлит текстолит когтями
Аватар пользователя

Карма: 16
Рейтинг сообщений: 62
Зарегистрирован: Сб апр 21, 2007 10:40:53
Сообщений: 1292
Рейтинг сообщения: 0
Передатчик там прилично кушает, поэтому крона не пойдёт. Хочешь расстояние побольше, тогда шесть штук ставь. Ещё можно ввести тональный сигнал вызова. Для этого нужно подобрать цепочку из резистора и конденсатора и включить её через кнопку между коллектором четвёртого транзистора и базой третьего.
Можно также в дежурном приёме вход УНЧ шунтировать ёмкостью примерно 1 мкф. Шум не будет надоедать. При этом сигнал вызова всё равно будет слышен.


Вернуться наверх
 
Не в сети
 Заголовок сообщения: про антенну...
СообщениеДобавлено: Чт дек 04, 2008 10:57:43 
Потрогал лапой паяльник
Аватар пользователя

Зарегистрирован: Пт июл 11, 2008 14:05:09
Сообщений: 308
Рейтинг сообщения: 0
В этой рации собираюсь использовать витую shell- антенну, описанную в этой статье:
Изображение

У меня вопрос... Можно как-то эту антенну уменьшить с 20см до 15см не теряя свойств антенны?

Не понятно какой номинал конденсатора использовать во входном контуре сверхрегенератора?

Еще есть вопрос по контурным катушкам...
Имеются каркасы диаметром 5мм (для свергенератора в приемнике и генератора в передатчике). Сколько нужно витков и каким проводом для частоты 27145кГц?


Вложения:
Комментарий к файлу: рация
схема рации 3.PNG [20.43 KiB]
Скачиваний: 1761
Вернуться наверх
 
Не в сети
 Заголовок сообщения:
СообщениеДобавлено: Чт дек 04, 2008 11:41:53 
Говорящий с текстолитом

Зарегистрирован: Чт окт 20, 2005 12:46:34
Сообщений: 1682
Рейтинг сообщения: 0
а не будет ли две рации неподалеку от друг друга в режиме приема мешать друг другу ведь это сверхрегенератор, может стоит поставить предварительный транзистор отделяющий антенну


Вернуться наверх
 
Не в сети
 Заголовок сообщения:
СообщениеДобавлено: Чт дек 04, 2008 12:00:42 
Потрогал лапой паяльник
Аватар пользователя

Зарегистрирован: Пт июл 11, 2008 14:05:09
Сообщений: 308
Рейтинг сообщения: 0
therian писал(а):
а не будет ли две рации неподалеку от друг друга в режиме приема мешать друг другу ведь это сверхрегенератор, может стоит поставить предварительный транзистор отделяющий антенну


Можно поподробней? Я не знаю как это делать.


Вернуться наверх
 
Не в сети
 Заголовок сообщения:
СообщениеДобавлено: Чт дек 04, 2008 14:00:54 
Сверлит текстолит когтями
Аватар пользователя

Карма: 16
Рейтинг сообщений: 62
Зарегистрирован: Сб апр 21, 2007 10:40:53
Сообщений: 1292
Рейтинг сообщения: 0
Без номиналов на схеме трудно ориентироваться. НУжно подписать, хотя бы на сноске внизу рисунка.

Это в качестве введения, что бы определиться.

Изображение

Классическая схема сверхрегенератора. Катушки примерно 10 мм диаметром. Провод 0,5 – 0,6 мм
Количество витков порядка 10.
Конденсаторы С3, С5, С6, С4 должны иметь малые потери на ВЧ. Можно подобрать постоянные.
Катушка без сердечника.
Дроссель лучше заводской типа ДМ-01.
Дальше главное.

Любые изменения в схеме и конструкции приведут только к ухудшению работы схемы.

Про антенну.
Антенна штырь длиной 2,5 метра. Желателен такой же противовес. Опытом многих радиолюбителей установлено, что если сделать антенну спиральную или с удлиняющей катушкой длиной 1,6 метра не ухудшают её работу по сравнением со штырём длиной 2,5 метра.
Любые уменьшения сверх этого резко уменьшают эффективность антенны. Никакие формы антенны, никакие спецнамотки не помогут. Эффективность зависит только от её длины.

Дальше ответы на вопросы.
1. Можно уменьшить длину антенны?
Можно, но читай, что написано выше.
2. Можно уменьшить диаметр катушек?
Можно, но читай, что написано выше.
3. Можно уменьшить диаметр провода?
Можно, но читай, что написано выше.

Хотя работать будет. Но всё равно придётся идти на компромисс и чего то менять даже зная, что это ухудшит параметры.

Про катушки передатчика. Можно их сделать меньше?
Здесь чуть легче, но придётся расплачиваться потребляемым током. От задающего генератора требуется, что бы он раскачал выходной каскад. Чем выше добротность катушки, тем при меньшем токе этого каскада можно этого добиться.
В выходном каскаде, чем больше добротность катушки, а она в основном зависит от диаметра каркаса и диаметра провода, тем больший КПД будет у этого каскада. Будет «хреновая» катушка, придётся тока добавлять, что бы нужного добиться. Предел уменьшения катушек, это когда рацию включил, сказал «але» и батарейка села.

Насчёт конденсатора связи с антенной.
Чем больше тем для чувствительности лучше, но есть препятствия к этому. При сильной связи могет сорваться генерация сверхрегенератора. Зависит от добротности катушки. Чем выше добротность катушки, тем больше можно сделать связь, но здесь другая ловушка, т.к. при этом любое приближение например руки будет приводит к сильной расстройке приёмника, поэтому придётся искать компромисс. Сначала поставить порядка 5 пф.
Количество витков катушек для начад\ла можно сделать 15 витков. В диапазон потом вогнать с помощью контурных емкостей.

Насчёт УВЧ.

Изображение

В итоге получается обычно, что хоть схема сверхрегенератора проста, но возиться с ней придётся больше, чем с простеньким супергетеродином имеющим при этом ещё и лучшие параметры.


Вернуться наверх
 
Не в сети
 Заголовок сообщения:
СообщениеДобавлено: Чт дек 04, 2008 15:14:29 
Потрогал лапой паяльник
Аватар пользователя

Зарегистрирован: Пт июл 11, 2008 14:05:09
Сообщений: 308
Рейтинг сообщения: 0
Maks, достаточно понятное разъяснение.

Такой вопрос. А что если применить схему не со сверхрегенератором, а с гетеродином, но без кварца? Простая схема меня бы вполне устроила, врочем как и связь до 1км (~500м и более).

И еще вопрос. Что если сменить частоту в целях уменьшения длинны антенны? Только уже в безкварцевом исполнении. Насколько это реально?


Вернуться наверх
 
Не в сети
 Заголовок сообщения:
СообщениеДобавлено: Чт дек 04, 2008 15:25:33 
Сверлит текстолит когтями
Аватар пользователя

Карма: 16
Рейтинг сообщений: 62
Зарегистрирован: Сб апр 21, 2007 10:40:53
Сообщений: 1292
Рейтинг сообщения: 0
Без кварца частота будет плавать и тогда не поймёшь, не то частота уплыла, не то связи нет. Нужно с кварцем, но идти по другому пути.
1. Вместо пьезофильтра постамить ФСС на катушкаж. Хотя бы на двух, тогда разнос у кварцев может быть люьой. От 300 кгц до 1 мгц.
2. Найти кварцы с разносом 455 или 465 кгц пусть на другую частоту в пределах 25 - 49 мгц. Хоть диапазон и будет вроде бы неразрешённый, но где то на рыбалке .....точнее говоря как всегда у нас если будешь спрашивать можно или нет, то скажут нельзя, а если возьмёшь и сделаешь, то это никого не заинтересует.


Вернуться наверх
 
Не в сети
 Заголовок сообщения:
СообщениеДобавлено: Чт дек 04, 2008 16:03:31 
Потрогал лапой паяльник
Аватар пользователя

Зарегистрирован: Пт июл 11, 2008 14:05:09
Сообщений: 308
Рейтинг сообщения: 0
А если к примеру 40мГц. То длинна антенны уменьшится? На сколько?


Вернуться наверх
 
Не в сети
 Заголовок сообщения:
СообщениеДобавлено: Чт дек 04, 2008 16:06:00 
Вымогатель припоя

Зарегистрирован: Вс сен 10, 2006 00:04:03
Сообщений: 546
Рейтинг сообщения: 0
Кстати о мифе про то что УВЧ не дает увеличение чувствительности в сверхрегенераторе
http://www.radioscanner.ru/forum/index. ... #msg332400

Почитайте повнимательней посты Igor2.Человек ими профессионально занимался
Есть еще топик на VRTP.ru
Там Zandy растолковывывал


Вернуться наверх
 
Не в сети
 Заголовок сообщения:
СообщениеДобавлено: Чт дек 04, 2008 16:12:24 
Сверлит текстолит когтями
Аватар пользователя

Карма: 16
Рейтинг сообщений: 62
Зарегистрирован: Сб апр 21, 2007 10:40:53
Сообщений: 1292
Рейтинг сообщения: 0
Меньше 15 см тоже не стоит делать, хотя как говорил, делай любую, только читай выше. Будет меньше дальность.
Из теории, эффективность антенны зависит только от её размера и не зависит от частоты. Это одно и тоже. Налей в ванну воды и ладонью сделай там большие волны. Потом попробуй сделать такие же волны одним пальцем.
Как бы не увеличивал частоту колебания пальца, таких мощных волн, как ладонью не сделаешь. Законы в природе едины, хоть для механики, хоть для электродинамики.


Вернуться наверх
 
Не в сети
 Заголовок сообщения:
СообщениеДобавлено: Чт дек 04, 2008 16:15:34 
Потрогал лапой паяльник
Аватар пользователя

Зарегистрирован: Пт июл 11, 2008 14:05:09
Сообщений: 308
Рейтинг сообщения: 0
Почитал, только вот только для меня это сложно. Это сравни того, что я бы стал про профессиональную обработку фотографий или видео рассказывать. Что-то понятно, а по сути ничего.


Вернуться наверх
 
Не в сети
 Заголовок сообщения:
СообщениеДобавлено: Чт дек 04, 2008 16:17:00 
Потрогал лапой паяльник
Аватар пользователя

Зарегистрирован: Пт июл 11, 2008 14:05:09
Сообщений: 308
Рейтинг сообщения: 0
Maks писал(а):
Меньше 15 см тоже не стоит делать, хотя как говорил, делай любую, только читай выше. Будет меньше дальность.
Из теории, эффективность антенны зависит только от её размера и не зависит от частоты. Это одно и тоже. Налей в ванну воды и ладонью сделай там большие волны. Потом попробуй сделать такие же волны одним пальцем.
Как бы не увеличивал частоту колебания пальца, таких мощных волн, как ладонью не сделаешь. Законы в природе едины, хоть для механики, хоть для электродинамики.


Это все понятно. Не понятно, что теперь делать дальше.
И с питание тоже не понятно: толи Крона 9 вольт, толи 6х1.2вольта=7.2вольта.


Вернуться наверх
 
Не в сети
 Заголовок сообщения:
СообщениеДобавлено: Чт дек 04, 2008 16:21:15 
Сверлит текстолит когтями
Аватар пользователя

Карма: 16
Рейтинг сообщений: 62
Зарегистрирован: Сб апр 21, 2007 10:40:53
Сообщений: 1292
Рейтинг сообщения: 0
SAU писал(а):
Почитайте повнимательней посты

Всё это я прекрасно знаю. Разговор пока идёт о теории, а не о практике.
Насчёт УВЧ.
Сейчас речь идёт о сверхрегенераторе сделанном по всем правилам. Тщетельно настроенном Вот к нему УВЧ не стоит делать.
Второй вопрос, когда приёмник сделали с катушкой величиной со спичесную головку и добротность равной пяти соответственно, вся настройка у которого включили, зашипел и оставили так, вот тогда да УВЧ поможет, т.к. у самого сверхрегенератора в этом случае очень прохая яувствительность. В китайских игрушках как раз такое и наблюдается.


Вернуться наверх
 
Не в сети
 Заголовок сообщения:
СообщениеДобавлено: Чт дек 04, 2008 16:25:54 
Сверлит текстолит когтями
Аватар пользователя

Карма: 16
Рейтинг сообщений: 62
Зарегистрирован: Сб апр 21, 2007 10:40:53
Сообщений: 1292
Рейтинг сообщения: 0
Asteriy писал(а):
И с питание тоже не понятно: толи Крона 9 вольт, толи 6х1.2вольта=7.2вольта.

Всё зависит какую млщность желаешь сделать. В этой схеме можно достигнуть порядка 300 мвт. Если хочешь такую по полной, то крона не пойдёт. Можешь не разгонять до такой мощности, но тебе же 1 км надо.


Вернуться наверх
 
Не в сети
 Заголовок сообщения:
СообщениеДобавлено: Чт дек 04, 2008 16:38:47 
Потрогал лапой паяльник
Аватар пользователя

Зарегистрирован: Пт июл 11, 2008 14:05:09
Сообщений: 308
Рейтинг сообщения: 0
До 1км. Пусть будет 500 метров. Это много в потреблении мощности?

Какая мощность нужна на 1км?


Вернуться наверх
 
Показать сообщения за:  Сортировать по:  Вернуться наверх
Начать новую тему Ответить на тему  [ Сообщений: 926 ]  1, , , , ...  

Часовой пояс: UTC + 3 часа


Кто сейчас на форуме

Сейчас этот форум просматривают: нет зарегистрированных пользователей и гости: 26


Вы не можете начинать темы
Вы не можете отвечать на сообщения
Вы не можете редактировать свои сообщения
Вы не можете удалять свои сообщения
Вы не можете добавлять вложения

Найти:
Перейти:  


Powered by phpBB © 2000, 2002, 2005, 2007 phpBB Group
Русская поддержка phpBB
Extended by Karma MOD © 2007—2012 m157y
Extended by Topic Tags MOD © 2012 m157y