Радиостанции на основе TDA7021 и TDA7000

Обсуждаем приемники, передатчики, радиомикрофоны, жучки, генераторы, ВЧ-усилители, антенны и прочее радиохозяйство
Ответить
Аватара пользователя
aen
Модератор
Сообщения: 11940
Зарегистрирован: Пт апр 28, 2006 15:26:07
Откуда: Россия.
Контактная информация:

Радиостанции на основе TDA7021 и TDA7000

Сообщение aen »

Радиостанции на основе микросхем TDA7021 и TDA7000. Часть 1

.

По сути дела это радиостанции игрушки, особенно первая, т.к. она не имеет кварцевой стабилизации ни в приемнике, ни в передатчике, но они работают, т.к. проверены на практике. Смысл их делать только в том случае, если хочется попробовать себя в подобных делах. Если цель другая, то радиостанцию лучше купить.
Основным критерием при разработке этих радиостанций была цель сделать работоспособную радиостанцию для настройки которых не нужно иметь специализированных приборов кроме мультиметра, а опыт полученный при постройке данных радиостанций поможет в дальнейшем перейти к более сложным схемам.

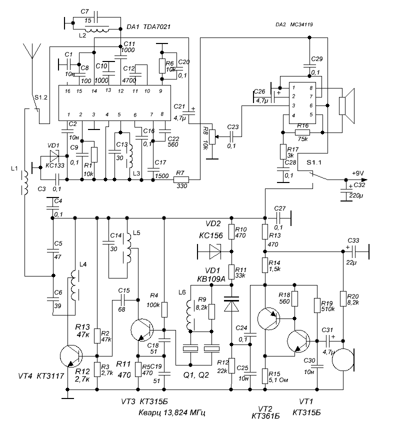
Радиостанция на TDA7021

Несмотря на кажущееся большое количество деталей, на самом деле схема элементарно простая. Питается от кроны, т.е. от 9 вольт. По сути это просто игрушка, а упор делался на простоту настройки и отсутствие дефицитных деталей. Частота 27 мгц.
Приемник на основе микросхемы TDA7021, отечественный аналог К174ХА34, построена по стандартной схеме из даташита и особенностей не имеет. Настройка на нужную частоту производится сердечником катушки L4. В принципе катушка может быть без сердечника, а настройку можно сделать с помощью подстроечного конденсатора. Подстроечный конденсатор можно поставить параллельно конденсатору С13 уменьшив его емкость.
УНЧ на микросхеме МС34119. Можно поставить любую другую подобную микросхему или даже сделать УНЧ просто на транзисторах. Т.о. получаем просто две отдельные схемы, приемник, передатчик и переключатель на два или четыре направления. Коммутируется питание, антенна. Если в качестве микрофона использовать динамик приемника, то переключатель должен быть на четыре направления, но об этом ниже. В случае, если поставить отдельный микрофон, то останется только два переключения, это питание и антенна.
Модуляция сделана узкополосная. Величина девиации устанавливается с помощью конденсатора С22 в передатчике. Чем больше конденсатор, тем больше девиация. Питается приемник от параметрического стабилизатора на стабилитроне VD1. Можно отключить резистор R1 от второй ноги микросхемы. Тогда у нас будет включено шумоподавление.
Больше никаких особенностей приемник не имеет.

Изображение



Остальное потом допишу
Или можно здесь прочитать.
http://radiokot.ru/start/analog/practice/06/
................
................
Часть 1 заканчивается словами.

Теперь о недостатках.
Понятно, что ни в передатчике, ни в приемнике нет кварцевой стабилизации частоты, поэтому при изменении питания или температуры частота все таки уходит и иногда приходится подстраивать приемник. Для этого напротив катушки в приемнике имеет смысл сделать отверстие и через него можно будет пластмассовой отверткой чуть подстроить приемник при необходимости.
Что бы хотя бы в какой то мере избавиться от этого недостатка можно частоту передатчика стабилизировать кварцем. Также применив в приемнике вместо TDA7021 микросхему TDA7000 можно стабилизировать частоту кварцем и в приемнике и в передатчике. Это рассмотрим в следующих частях данной статьи.
Для начала разберемся с самим кварцем и схемами кварцевых генераторов.

Дальше "Часть 2."
Вложения
1.GIF
(26.27 КБ) 19101 скачивание
Аватара пользователя
aen
Модератор
Сообщения: 11940
Зарегистрирован: Пт апр 28, 2006 15:26:07
Откуда: Россия.
Контактная информация:

Re: Самостоятельное изучение электроники

Сообщение aen »

Радиостанции на основе микросхем TDA7021 и TDA7000. Часть 2.



Прежде чем перейти к схеме передатчика на кварце, имеет смысл разобраться, что же это за такая штука кварц. Точнее в нашем случае говорить «кварцевый резонатор» но т.к. основа кварцевого резонатора является кварц, то кварцевый резонатор кратко так и называют.
Кварц – это минерал, причем один из самых распространённых минералов в земной коре. Кристаллы кварца также часто выращивают искусственно. Этот минерал обладает свойством пьезоэффекта, т.е. если его деформировать, то на его гранях получается разность электрических потенциалов, а если на него подавать разность потенциалов, то он деформируется.
Все остальные подробности мы опускаем, т.к. в противном случае мы до схем не доберемся.
Понятно лучше взять хорошую книжку по данному вопросу и почитать, но обычно такие книжки довольно сложны для понимания начинающим радиолюбителям. Если же кто то захочет почитать, то у нас в «сундуке» есть хорошая книжка по данному вопросу.
Альтшуллер Г.Б., Елфимов Н.Н., Шакулин В.Г. «Кварцевые генераторы»
https://sunduk.radiokot.ru/loadfile/?load_id=1287024447
Здесь же попробуем на самом низком уровне рассмотреть только общие понятия о кварцах и кварцевых генераторах, что бы было понятно, почему в какой то конкретной схеме применили именно эту схему, а не какую то другую и можно ли в данном конкретном случае применить другую схему.
Я тут сам конечно ничего не придумывал, а просто пользуюсь тем, что напечатано в книжках, но при этом все схемы, что выкладываю здесь, проверены мной на практике.
Понятно, что здесь в статье будет много упрощений, но как писал выше, кто хочет узнать более подробно, то читайте книжку, ссылку на которую приведена выше, мы же будем считать, что кварцевый резонатор это радиоэлемент и нам интересны его свойства.
Дальше, для упрощения так и будем называть «кварц»
Эквивалентная схема кварца выглядит так.

Изображение

Промежуток между частотами последовательного резонанса и параллельного обычно от сотен герц, до единиц килогерц и зависит от величины статической емкости Сс.
Хорошо это или плохо, увидим дальше, но это еще не все.

Изображение

Дело в том, что мы рассмотрели основную частоту кварца, а реально кварц имеет такие же резонансы и на нечетных гармониках кварца. Т.е. например кварц с основной частотой 1 МГц имеет такую же характеристику на частоте примерно в три, в пять, семь раза и т.д. больше, но на этих частотах величина этих «всплесков» уменьшается пропорционально величине гармонике.

Изображение

Я на картинке написал «примерно» т.к. к сожалению, если например, имеем кварц на основную гармонику 10 МГц, то его третья гармоника не будет ровно в три раза больше, т.е. 30 мгц. Она будет отличаться от этой цифры на сотни герц – единицы килогерц. Это часто создает дополнительные трудности при проектировании схем.
Более полная эквивалентная схема кварца с учетом его третьей гармоники выглядит так.

Изображение

Теперь еще об одной тонкости встречающейся на практике, это так называемые гармониковые кварцы. На практике с этим тоже часто возникают недоразумения при изготовлении каких либо схем. Дело в том, что обычно кварцы на частоты больше 20 мгц являются гармониковые, хотя это не всегда, но чаще так.
Т.е. купив кварц на котором написано 27 МГц окажется, что 27 мгц это его третья гармоника, а основная его гармоника 9 МГц, но у подобных кварцев добиваются, что АЧХ его в районе третьей гармонике выглядела так.

Изображение

Т.е. как то там делают, что бы эти максимумы АЧХ на третьей гармонике были больше, чем у не гармоникового кварца на 9 мгц. Но все равно, если этот кварц на котором написано 27 мгц поставленный в схему генератора по осциляторной схеме, он будет генерировать частоту около 9 мгц, т.е. возбудится на своей основной гармонике.

Изображение

Что бы такой кварц к примеру на 27 МГц завелся на третьей гармонике все равно придется применять дополнительные меры. Просто такой кварц более легче заводится на гармонике, чем просто например обычный кварц на 9 МГц.
Как уже говорил, существуют и не гармониковые кварцы на 27 мгц и часто на практике нам нужно это определить. Для этого удобна схема, что приведена выше, т.е. собрав её и удостоверившись, что генерация происходит на частоте 9 мгц, делаем вывод, что кварц гармониковый. Если в данной схеме испытуемый кварц запускается на частоте 27 мгц, значит он не гармониковый. Иногда не гармониковый кварц на 27 МГц в данной схеме вообще не запускается. В этом случае нужно поставить конденсаторы С1 и С2 порядка 30 пф.
Проверить частоту можно осциллографом или частотомером. При этом не забывать, что измерительные приборы вносят в схему реактивности, обычно емкости, что может нарушить работу схемы.
Если приборов нет, что можно определить частоту генерации с помощью приемника. Частоту генерации 9 мгц можно поймать с помощью КВ приемника.
Что бы удостовериться, что генератор генерирует на частоте 27 мгц можно воспользоваться УКВ приемником. При этом можно поймать третью гармонику данного генератора на частоте 27*3=81 мгц и четвертую на частоте 27*4=108 мгц, т.е. гармоники располагаются не через 9 мгц, а через 27 мгц, что однозначно говорит о частоте генерации 27 мгц.
При этом не забывать, что у приемников есть и паразитные каналы приема, что в какой то мере усложняет пользование этим способом определения частоты генерации.

Выводы из всего написанного выше.

Если мы взяли кварц на котором написано 27 мгц, то его основная частота может быть как 27 мгц, так и примерно в три раза меньше и для того, что бы он генерировал именно на частоте 27 мгц нужны специальные схемные ухищрения и тогда частота генерации будет та, что на нем написано.
Если мы запустим гармониковый кварц на его основной частоте, а потом поставим умножитель на три, то частота генерации будет не совсем такая, что написано на нем. Она может отличаться, хотя и немного, но иногда это существенно.
И третье, что не очень для нас хорошо, т.к. мы хотим сделать передатчик ЧМ на кварце это то, что сделать достаточную для нас на практике ЧМ модуляцию в кварцевом генераторе можно только если кварц в схеме работает на основной гармонике. Это видно из эквивалентной схемы кварца, что выкладывал выше. При возбуждении кварца на механической гармонике получить существенную ЧМ невозможно.
Пока это примем как данное и оставим объяснения на потом, но вот такая «печалька» в кварцами.
Теперь рассмотрим разные схемы кварцевых генератором и посмотрим, чем они отличаются.

Теперь перейдем конкретно к схемам кварцевых генераторов.

Как выше писал, кварц имеет два резонанса, последовательный и параллельный. Обычно на самом кварце пишут частоту его последовательного резонанса.
Определить на каком резонансе работает кварц в какой либо схеме довольно просто. Для этого нужно мысленно заменить его в схеме катушкой или конденсатором и вот чем он заменяется можно и определить на каком резонансе он работает. Если он в схеме заменяется катушкой, значит он работает на параллельном резонансе. Если его можно заменить конденсатором, значит он возбуждается вблизи последовательного резонанса.
Для начала посмотрим схемы в которых кварц работает на основной гармонике на частоте вблизи его параллельного резонанса.

Схема генератора Пирса.

Изображение

Номиналы не писал, т.к. подобный генератор в данном случае не применял.
Конденсаторы С1 и С3 блокировочные, а конденсаторы С2 и С4 зависят от кварца. Что бы лучше был виден принцип работы, схему можно нарисовать в другом виде.

Изображение

Как видим, что в данной схеме кварц можно заменить катушкой и схема останется работоспособной.

Изображение

Как выше писал это признак того, что в данной схеме кварц работает вблизи своего параллельного резонанса.
Генератор Пирса на кварце часто делают также на логических элементах. Для этого логический элемент с помощью резистора ставят в активный режим, т.е. вместо транзистора ставят просто логический элемент переведя его в активный режим(в режим усиления)

Изображение

Вместо резистора R2 можно поставить колебательный контур настроенный или на основную частоту. При этом с генератора можно снять довольно мощный сигнал или, что более для нас интересно на частоту механической гармоники кварца, т.е. на частоту в три или в пять(семь) раз больше основной частоты кварца. Обычно на частотах выше третьей гармоники схема заводится только после «плясок с бубном»

Еще один генератор в котором кварц работает вблизи параллельного резонанса.

Изображение

Данная схема широко применяется для создания кварцевых генераторов с ЧМ. Дело в том, что для того, что бы получить достаточную на практике ЧМ в кварцевом генераторе, кварц должен работать на основной частоте резонанса. При работе кварца на гармонике сдвинуть его очень трудно. В данной схеме в цепь коллектора тоже можно поставить колебательный контур, но при этом кварц как и в исходной схеме все равно возбуждается на основной гармонике, а контур просто выделяет гармонику основной частоты кварца. Т.е. в данном случае мы можем выделить и четные гармоники кварца.

Изображение

Это значит мы во первых можем в данной осуществить частотную модуляцию, а во вторых выделять не только нечетные гармоники, а в том числе и четные, но об этом дальше.

Генератор Колпитца.

Изображение

Видим, что в данной схеме кварц можно заменить на конденсатор, а это значит, что кварц возбуждается вблизи своего последовательного резонанса.
Кварц может возбуждаться как на основной гармонике, так и на нечетных гармониках кварца. Это зависит от того, на какую частоту у нас настроен колебательный контур L1, С1, С2, С3. Если контур в данной схеме настроен на основную частоту кварца, то в этой схеме можно сделать ЧМ.
Есть еще несколько видов кварцевых генераторов, но в дальнейшем они нам не понадобятся, поэтому здесь писать про них не буду, кроме одной. Есть проверенная схема кварцевого генератора без катушек в которой ГАРМОНИКОВЫЙ кварц можно возбудить на третьей гармонике. В Интернете есть несколько разновидностей подобных схем, но на практике они работают неустойчиво в отличии от этой схемы. Настройка на нужную гармонику производится подбором конденсатора С5.

Изображение

Т.к. в дальнейшем она у нас будет использоваться, то здесь я приведу её описание. Точнее просто выложу скан из статьи.

Изображение

Статья опубликована в ж. Радиолюбитель 8-2000 год. Я эту схему применял в гетеродине простого АМ приемника на 27 МГц с минимумом катушек.
Теперь перейдем к получению ЧМ в кварцевом генераторе, в том числе и получение широкополосной ЧМ.
Вложения
1.GIF
(3.51 КБ) 17146 скачиваний
13.PNG
(621.96 КБ) 16384 скачивания
12.GIF
(4.7 КБ) 22289 скачиваний
11.GIF
(4.17 КБ) 23380 скачиваний
9.GIF
(2.11 КБ) 14635 скачиваний
10.GIF
(3 КБ) 37344 скачивания
6.GIF
(3.19 КБ) 15009 скачиваний
88.GIF
(3.66 КБ) 15082 скачивания
7.GIF
(4.25 КБ) 15071 скачивание
6.GIF
(3.19 КБ) 1472 скачивания
5.PNG
(12.84 КБ) 27919 скачиваний
4.PNG
(5.14 КБ) 15189 скачиваний
3.PNG
(12.83 КБ) 21818 скачиваний
2.PNG
(6.49 КБ) 15686 скачиваний
1.PNG
(4.74 КБ) 15974 скачивания
Аватара пользователя
aen
Модератор
Сообщения: 11940
Зарегистрирован: Пт апр 28, 2006 15:26:07
Откуда: Россия.
Контактная информация:

Re: Радиостанции на основе микросхем TDA7021 и TDA7000

Сообщение aen »

Часть 3.
Перестройка кварцевого генератора. Получение узкополосной ЧМ в кварцевом генераторе.

Что бы понять смысл перестройки генератора на кварце нужно опять посмотреть на его эквивалентную схему.

Изображение

По сути, нам нужно изменить резонансную частоту данной цепи. Это делается с помощью внешних реактивностей подключаемых параллельно или последовательно к кварцу. Мы рассмотрим только последовательное подключение емкостей и индуктивностей к кварцу, т.к. если рассматривать все, то никогда не дойдем до конца и утонем в словах. Кому интересно, то могут это потом прочитать в умных книжках.
С помощью простейших арифметических подсчетов можно увидеть, что при работе кварца на гармонике перестроить его намного труднее, чем при его работе на основной гармонике. Возьмем хотя бы ближайшую третью механическую гармонику. То, что кварц можно запустить только на нечетных гармониках уже говорили. Просто нужно это взять за истину и пока особо в это не углубляться.
Видим, что частота резонанса этой цепи в основном зависит от Lк и Ск, вот их эквивалентно и нужно изменить, но из за статической емкости Сс к ним добраться очень тяжело, а при этом при работе кварца на третьей гармонике сделать это труднее, т.к. статическая емкость при работе кварца на третьей гармонике остается такой же, а вот емкость кварца в девять раз меньше, а уж на пятой гармонике и говорить не стоит.
Берем нашу схему приведенную в предыдущей статье с гармониковым кварцем на 24 МГц. Просто данный кварц мне под руку попался. Она у нас генерирует на частоте 8,008 МГц, т.е. на основной частоте кварца. Измерял частотомером.

Изображение

Кстати, если взять не гармониковый кварц на 24 МГц, а просто кварц на 8 МГц, то в этой схеме он работает на частоте 8,0008 МГц, т.е. ближе к тому, что на нем написано. Почему все таки частота генерации на 800 Гц выше, чем написано, следует из того, что в данной схеме кварц возбуждается вблизи своего параллельного резонанса, а частота параллельного резонанса кварца, как уже говорили она выше, чем частота последовательного.
На кварце же пишут именно частоту его последовательного резонанса, хотя в последнее время и от этого отходят, но об этом потом.
Для начала просто «тупо» последовательно с кварцем поставим конденсатор. Я поставил подстроечный.
При максимальной емкости конденсатора, т.е. 30 пф частота генерации немного повысилась и стала 8,01 МГц

Изображение

При минимальной емкости подстроечного конденсатора частота стала 8,0152 МГц, т.е. при изменении емкости от 5 пф до 30 пф частота изменилась на 5,2 КГц. В принципе это неплохо. Величина перестройки зависит от статической емкости кварца Сс. Чем она меньше, тем большего изменения можем добиться. К сожалению у дешевых кварцев она обычно довольно большая. В данном случае я вытащил кварц из старой видеокарточки. С данным кварцем получается, что если вместо подстроечного конденсатора поставить варикап с большим перекрытием, то данную схему можно поставить в схему передатчика с узкополосной ЧМ.
Пределы перестройки ограничиваются тем, что при уменьшении емкости конденсатора снижается амплитуда генерируемых колебаний и при чрезмерном уменьшении емкости генерация срывается.
Теперь попробуем последовательно с кварцем поставить катушку.
Резистор 7,5 Ком параллельно катушке я потом поставил. Сначала его не было.

Изображение

Сразу скажу, что частота генерации уменьшилась и мне удалось добиться частоты генерации
7,9985 МГц. Это получается если я вставляю в катушку ферритовый сердечник с большой магнитной проницаемостью вместо карбонильного. С карбонильным частота получилась 8,001 МГц
К сожалению с катушками как всегда все немного сложнее. Во первых катушка в данном случае должна иметь маленькую паразитную емкость, иначе заметного сдвига частоты добиться не удается.
Что бы выполнялось это условие катушку можно намотать секциями. У меня она состоит из пяти секций по 15 витков. Секции мотать можно как кому удобнее. Я просто закрепил их ниткой смазанной клеем «Момент» что бы не расползались, хотя можно подобрать специальный секционированный каркас катушки.

Изображение

В катушку вворачивается карбонильный сердечник, хотя лучше было бы ферритовый с большой проницаемостью. Тогда, как говорил пределы перестройки будут больше, но как писал выше при этом могут появиться и «сюрпризы»
Вот я вижу сигнал на выходе генератора.

Изображение

Особо нужно заметить, что синусоида получилась не совсем правильная. Что интересно это даже хорошо и это увидим дальше. Если синусоида неправильной формы, то это однозначно говорит о том, что в данном сигнале большой уровень высших гармоник которые можно выделить, что пригодится нам в дальнейшем при построении ЧМ передатчика.
Теперь заворачиваем сердечник в катушку и при каком то положении сердечника можем увидеть такую картину.

Изображение

Это говорит, что наш генератор возбудился на какой то паразитной частоте обусловленной внешними элементами подключенному к кварцу. Вот именно эти паразитные колебания и убираются с помощью резистора, что включен параллельно нашей катушке. После подключения этого резистора на выходе опять видим то, что на картинке выше, т.е. чуть искаженную синусоиду. При дальнейшем увеличении индуктивности амплитуда на выходе начинает уменьшаться и генерация может или совсем сорваться или опять возникнут паразитные колебания. Это и ограничивает перестройку частоты в сторону уменьшения.
Так же величина перестройки зависит от расстояния между параллельным и последовательным резонансом конкретного кварца. Как уже говорили, этот промежуток зависит от статической емкости кварца Сс. У дешевых кварцев она довольно большая, а значит и промежуток между частотами маленький, а значит получить нужное изменение частоты труднее.
Этот частотный промежуток тоже можно увеличить схемными способами с помощью подключения внешних реактивностей, Т.е. понятно же, что емкость Сс можно нейтрализовать индуктивностью подключенной параллельно кварцу, но про это опять потом. При этом нужно учитывать, что абсолютная нестабильность частоты подобных генераторов можно оценить как 1/10 от величины полученной перестройки, поэтому особо увлекаться сдвигом частоты кварцевого генератора не нужно.
Если внешнюю цепь перестройки сделать комбинированной, т.е. поставить и катушку и конденсатор, то можно добиться большей перестройки кварцевого генератора. Что бы быть ближе к нужной нам теме построения кварцевого генератора с ЧМ, то сразу подстроечный конденсатор заменим на схеме варикапом.
В подобной схеме уже не требуется варикап с большим перекрытием для получения приемлемой узкополосной ЧМ.

Изображение

Теперь про настройку данной схемы.
Первый случай, это когда нужно получить максимальную перестройку при изменении емкости варикапа.
В этом случае крутим движок переменного резистора вниз, т.е. емкость варикапа максимальная. Закручиваем сердечник катушки и следим, что бы не возникли паразитные колебания и амплитуда не снижалась до уровня, что схема становится уже не работоспособной. Я обычно останавливаюсь когда она уменьшается на 20%
Потом увеличиваем напряжение на варикапе, т.е. движок переменного резистора вверх и удостоверяемся, что при минимальной емкости варикапа колебания не срываются. Опять же можно удовлетвориться уменьшением амплитуды на выходе 20%. Эта точка и будет границей величины напряжения на варикапе которую не следует превышать.
Следует учитывать, что чем меньше емкость варикапа, тем большего перекрытия можно добиться, т.е. например с варикапом КВ109А пределы перестройки у меня получаются больше, чем с варикапом КВ102
Второй случай, это когда нужно получить ЧМ и при этом частота генератора в исходном положении была определенного значения.
Это лучше рассмотреть с реальными кварцами.
Пример.
У меня есть кварц на 27,195 МГц который я поставлю в гетеродин приемника с промежуточной частотой 455 КГц. Это значит мне нужно что бы передатчик работал на частоте больше или меньше на 455 КГц
У меня есть кварц 13,824 МГц и если я эту частоту удвою, то получу частоту 27,648 МГц
Разница частот получается
27,648 – 27,195 = 453 КГц, что близко к требуемой.
Разницу в два килогерца попробуем скомпенсировать при настройке нашего задающего генератора в передатчике. Т.е. нам нужно, что бы задающий генератор работал на частоте 13,825 МГц
Реальная схема задающего генератора выглядит так.

Изображение

В схеме появились неизвестные пока нам катушка L2 и конденсатор C9. Это колебательный контур настроенный на удвоенную частоту генератора работающего на частоте основной гармонике кварца и это важно. Как уже говорили, что получить ЧМ в кварцевом генераторе на практике можно только если кварц работает на своей основной частоте, так вот это в данном генераторе и происходит, а колебательный контур настроенный на удвоенную частоту выделяет вторую гармонику. Раньше мы уже отмечали, что сигнал генерируемый этим генератором имеет неправильную форму, а значит в ней присутствуют гармоники высшего порядка.

Изображение

В принципе можно выделить и более высокие гармоники, но понятно их амплитуда будет меньше.
Как видим в этой схеме мы можем получить как четные гармоники, так и нечетные, что очень удобно.
Недостаток только в том, что амплитуда этих гармоник довольно маленькая и быстро убывает с номером гармоники, зато в данном генераторе можно получить хорошую узкополосную ЧМ в виду того, что сам кварц работает на основной частоте.
На транзисторах VT1 и VT2 сделан модулятор. Это по сути усилитель сигнала микрофона. Резистором R2 устанавливается половина напряжения питания на эмиттере второго транзистора.
Резистором R6 устанавливают нужное усиление.
Теперь о настройке.
Катушка L1, что стоит последовательно с кварцем в данной схеме состоит из трех секций по 15 витков, т.е. 45 витков.
Включаем передатчик и подкручивая сердечник катушки L1 устанавливаем частоту колебаний на эмиттере транзистора задающего генератора VT3 13,825 МГц. Нужно учитывать, что подключение измерительных приборов к схеме может вносить погрешность. Например входная емкость частотомера может немного сдвинуть частоту генерации, поэтому окончательную подстройку нужно будет провести уже в полностью собранной схеме.
Дальше устанавливаем величину девиации частоты. Это можно сделать разными способами. Я например делаю это с помощью батареек подавая напряжение на варикап через переменный резистор.

Изображение

Крутим резистор и добиваемся изменения частоты на 3 кгц, при этом отмечаем какое напряжение при этом подается на варикап.
Потом переворачиваем батарейку и опять добиваемся изменения частоты уже в другую сторону на те же 3 кгц и снова отмечаем нужное нам напряжение. К сожалению эти напряжения не всегда совпадают, т.к. модуляционная характеристика подобной схемы довольно нелинейная, но если например у нас получилось пусть 2 вольта в первом случае, а во втором 3 вольта, то будем считать, что на варикап нужно подавать порядка 2,5 вольта с модулятора. В итоге после удвоения частоты у нас получится величина девиации порядка ±5 КГц
После этого восстанавливаем схему, говорим в микрофон и с помощью резистора R6 в модуляторе устанавливаем величину звукового напряжения поступающего на варикап порядка 2,5 вольта. Если этот резистор закоротить, то усиление будет максимально.
После этого можно с помощью диодного ВЧ пробника настроить колебательный контур на максимум, т.е. на удвоенную частоту кварца, но это все опять потом когда будем проводить полную настройку передатчика.
В принципе если на выход этой схемы припаять небольшую антенну длиной в несколько сантиметров, то её можно использовать в качестве «маячка» для настройки приемника, что часто и делают. Относят подобный маячок на несколько метров от приемника который настраивают и проверяют как он принимает.
В итоге мы получили задающий генератор передатчика с узкополосной ЧМ, но приемник наш, что мы рассматривали выше построен на микросхеме TDA7021, которая плохо принимает узкополосную ЧМ и для неё все таки девиацию нужно сделать больше. Это конечно нарушает закон, но у нас вообще то радиостанция-игрушка работающая всего на сотни метров и вряд ли это кому помешает.
К сожалению в схеме, что рассмотрели выше получить более широкую девиацию частоты затруднительно, поэтому перейдем к следующему разделу о способах получения широкополосной ЧМ в кварцевом генераторе.
Вложения
11.PNG
(5.19 КБ) 14174 скачивания
10.GIF
(2.6 КБ) 14156 скачиваний
9.GIF
(2.84 КБ) 13924 скачивания
8.GIF
(3.12 КБ) 15347 скачиваний
7.PNG
(24.82 КБ) 18027 скачиваний
6.PNG
(75.09 КБ) 15201 скачивание
5.PNG
(92.09 КБ) 14968 скачиваний
4.GIF
(3.44 КБ) 13993 скачивания
3.GIF
(10.78 КБ) 14224 скачивания
2.PNG
(75.14 КБ) 13625 скачиваний
1.GIF
(12.48 КБ) 15055 скачиваний
Аватара пользователя
aen
Модератор
Сообщения: 11940
Зарегистрирован: Пт апр 28, 2006 15:26:07
Откуда: Россия.
Контактная информация:

Re: Радиостанции на основе микросхем TDA7021 и TDA7000

Сообщение aen »

Часть 4.
Перестройка кварцевого генератора. Получение широкополосной ЧМ в кварцевом генераторе.

Как выше уже говорили, величина перестройки кварцевого генератора зависит от величины резонансного промежутка кварца. При этом нужно учитывать, что абсолютную стабильность подобного генератора можно оценить как 1/10 от величины перестройки. Т.е. если генератор у нас перестраивается на 20 КГц, то можно ожидать, что его абсолютная стабильность будет порядка 2 КГц. Часто этого достаточно.
Если посмотреть на эквивалентную схему кварца, то видим, что величина промежутка зависит от статической емкости кварца. Про это уже говорили. В принципе эту емкость можно нейтрализовать внешними элементами, например индуктивностью включенной параллельно кварцу.
Как раз так и поступили В. Волков, М. Рубинштейн в своей статье в ж. Радио №10 1972 г, но настройка этого генератора получилась довольно трудоемкой.

Изображение

Еще один способ предложили JA0AS (Mr. Shimizu) и JH1FCZ (Mr. Okubo) и названа ими "Super VXO". Впервые статья об этом генератора была опубликована в Японии в августе 1980 года в журнале "Fancy Crazy Zippy" (N 64).

Изображение

По сути это просто соединение двух одинаковых кварцев в параллель. При этом расширяется резонансный промежуток этой системы из двух кварцев.

Изображение

Настройка подобной схемы практически ничем не отличается от настройки схемы задающего генератора для узкополосной ЧМ описанной в предыдущей статье. Единственный недостаток схемы, что нужны одинаковые кварцы которые желательно покупать сразу, что бы они были из одной партии.
Я поставил кварцы на 13,824 МГц, а потом частоту удваивал.
Также пробовал делать передатчик с кварцами 9,216 МГц. В этом случае частоту нужно утраивать и как уже говорил, что чем выше выделяемая гармоника, тем меньше её амплитуда, поэтому передатчик с этими кварцами пришлось делать трехкаскадный, т.е. с дополнительным каскадом усиления. В принципе от этого передатчика можно добиться даже лучших результатов, т.к. в нем есть запас по усилению и «выжать» из него нужную нам мощность оказалось проще.
Сначала рассмотрим схему двухкаскадного передатчика с кварцами порядка 13 мегагерц с последующим удвоением.

Изображение

Как видим к схеме задающего генератора с модулятором, просто добавили еще усилитель мощности на транзисторе КТ3117. На выходе можно было поставить П-контур, но я просто решил попробовать именно такую схему. П-контур поставлю в схеме с кварцами на 9,216 МГц.
Про настройку задающего генератора уже писали. В данном случае нам не важно точное значение частоты, т.к. подстройка на нужную частоту приема будет производится в приемнике на TDA7021, поэтому здесь у нас задача только получить большую девиацию. Как это делается, написано раньше.
В данной схеме можно получить девиацию довольно большую, но особо увлекаться не нужно. Достаточно, что бы в задающем генераторе она была порядка 15 – 20 КГц, а это значит, что в самом передатчике она удвоится, т.к. у нас идет удвоение частоты.
Т.о. если в первоначальной схеме радиостанции, что описана в первой статье передатчик заменить на передатчик из данной статьи, то получим уже более стабильную радиостанцию. Как выше писал в данную радиостанцию можно добавить еще один каскад на более мощном транзисторе. В принципе можно те, про которые писал в первой статье, т.е. КТ603, КТ928, КТ608Б, КТ635А, а можно и более мощный, например КТ646 или импортные аналоги.
Окончательная схема будет выглядеть так.

Изображение

Понятно, что приемник можно сделать и на TDA7000 по схеме из даташита.
Настройка девиации описана в предыдущей статье, а настройка на максимум мощности мало чем отличается от настройки передатчика, что описан в первой статье.
Про катушку L6 написано в предыдущей статье.
Катушка L5 намотана на каркасе диаметром 6 мм с карбонильным сердечником и содержит 14 витков проводом 0,4 мм с отводом от середины.
Катушка L4 намотана на таком же каркасе и содержит 16 витков с отводом от 6 витка считая сверху. На схеме это видно.
Транзисторы КТ315 и КТ361 можно заменить на КТ3102 и КТ3107 соответственно.
Так выглядит схема WFM передатчика с кварцами 9 МГц. Т.к. уровень третьей гармоники с выхода задающего генератора намного меньше, чем уровень второй, что в предыдущей схеме, пришлось добавить еще один каскад. При этом мощность передатчика поучилась порядка 400 мвт, что больше, чем у предыдущего, хотя как писал такой дополнительный каскад можно поставить и а предыдущую схему.

Изображение

Катушки намотаны на каркасах диаметром 6 мм проводом 0,4 мм кроме катушки L1
L1 намотана проводом 0,1 мм, содержит 60 витков. Намотана в четыре секции по 15 витков.
L2 содержит 14 витков с отводом от середины.
L3 такая же, только поверх её намотана катушка L4 и содержит 4 витка. Провод 0,15 – 0,2 мм
L5 содержит 8 витков.
Транзисторы VT1 – VT4 КТ3102. Просто в данном случае проверял как они поведут себя на частоте 27 МГц. Дело в том, что по частотный свойствам они хуже, чем КТ315. Оказалось, что КТ3102 на 27 МГц работают нормально.
VT5 поставил КТ608Б. Как выше писал здесь подойдет любой транзистор с Fт не менее 200 МГц с рассеиваемой мощностью на коллекторе порядка 500 мвт, т.е. КТ603, КТ928, КТ635 или что либо из импорта. Можно и КТ3117 поставить но учитывать, что мощность у него меньше и не нужно её превышать. Мощность зависит от резистора R13. Само собой, что если его увеличивать, то мощность передатчика уменьшится. Просто нужно пальцем контролировать температуру корпуса транзистора VT5.
Теперь, хотя про это уже писал, еще раз о настройке передатчика. Сначала рассмотрим, как это настроить имея приборы.
Проверим величину девиации частоты.
Сначала собрал только эту часть схемы или просто оторвал задающий генератор от остальной части схемы. Резистор «R» может быть в пределах 1 – 30 ком

Изображение

На выход задающего генератора через резистор подключаем сначала осциллограф. Главное увидеть частоту 9 МГц. С помощью резистора «R» напряжение на варикапе устанавливаем 1 вольт и начинаем вкручивать сердечник катушки L1. Может возникнуть паразитная генерация. Про это уже писал.

Изображение

Сбить её можно уменьшением резистора R9, что стоит параллельно катушке L1, но меньше 5-ти килом его нет смысла ставить. Или же можно выкрутить немного сердечник катушки L1, но при этом снизится величина девиации. Может также генерация срываться генерация. В этом случае имеет смысл подобрать резистор R10, что задает начальное смещение.
После этого подаем на варикап напряжение 9V. Генерация не должна срываться.
Я такое вижу.

Изображение

Теперь вместо осциллографа подключаем частотомер и устанавливая на варикапе напряжение сначала 8V, а потом 1V проверяем девиацию частоты, т.е. разницу частот. Достаточно, что бы она была порядка 15 кгц. После утроения частоты она соответственно тоже утроится.
Теперь настроим модулятор. На выход модулятора, т.е. к коллектору второго транзистора подключаем осциллограф. На вход подаем сигнал с генератора НЧ синусоидальное напряжение и резистором R2 делаем, что бы ограничение синусоиды было симметричным. После этого генератор отключаем и подбором резистора R6 подбираем усиление модулятора. Просто говорим в микрофон и добиваемся, что бы сигнал был максимальным и не особо резался.
Если приборов нет, то все усложняется. В этом случае нужно начать с модулятора. С помощью резистора R2 устанавливаем на коллекторе второго транзистора напряжение 4,5V. Резистор R6 припаять переменный на 1 кОм. Параллельно резистору R5 через цепочку из электролитического конденсатора порядка 50 мкф и резистор в несколько килом подключаем высокоомный наушник или низкоомный через понижающий трансформатор. Трансформатор можно взять сетевой, например 220/9 вольт. Можно низкоомный наушник и без трансформатора включить, но уж очень тихо будет слышно. Наша задача это при максимальном усилении добиться минимума искажений когда будем говорить в микрофон. Т.е. слушаем и подбираем резистор R6. После этого его измеряем и ставим постоянный.
Теперь нужно проверить девиацию. К сожалению без приборов трудно измерить её величину, но нужно хотя бы проверить, что генератор не переходит в режим паразитной генерации. Можно воспользоваться приемником второго комплекта радиостанции, что делаете. Я же воспользовался УКВ приемником. Это описано в первой части статьи. Удобно когда у УКВ приемника диапазон непрерывный и тогда сигнал передатчика можно поймать в районе 80 – 85 МГц, но если у приемника диапазон только 88 – 108 МГц, а кварц больше чем 9 МГц, то все сложнее, но не безнадежно. Можно попробовать принять например 10-ю гармонику кварца. У меня кварц 9,216 МГц и я на приемник из сотового принял его на частоте 92,2 МГц.
Делаем такую схему. Микрофон лучше отпаять.
Из модулятора делаем мультивибратор.

Изображение

Модулирующее напряжение подаваемое на варикап уменьшаем в 10 раз включив между модулятором и варикапом дополнительный резистор.
Добавляем переменный резистор.
На выход задающего генератора цепляем антенну. Можно провод длиной 30 см
Закручиваем сердечник катушки L1 полностью.
На варикапе устанавливаем напряжение 4,5V
Ловим «писк» УКВ приемником.
Тон писка должен быть чистым. Устанавливаем напряжение на варикапе 9V. Писк не должен пропадать. Возможно потребуется подстройка приемника. После этого устанавливаем напряжение на варикапе 1V. Опять же писк не должен пропасть, а главное следите за чистотой тона, т.к. если генераторе возникнут паразитные колебания, то это будет заметно по звуку. Если паразитные колебания все таки возникают, то попробовать уменьшить резистор R9, что стоит параллельно катушке L1 или немного выкрутить сердечник из этой катушки.
После этого восстанавливаем схему и в микрофон можно поговорить. При этом должны довольно разборчиво слышать свой голос.
Дальше настройка усилителя мощности(УМ). Делаем такую схему. Подучилось, что наш передатчик нагружен на резистор 51 Ом. Резистор R13 для начала увеличиваем до 82 Ом.

Изображение

Диод лучше ВЧ германиевый, но можно и кремниевый. Сердечник L2 выкручиваем, а крутя сердечник L3 находим максимум показаний вольтметра. После этого находим максимум с помощью Сердечника L2. Так меньше вероятность, что настроимся не на 18 МГц, а именно на 27 МГц. Конечно, если есть частотомер, то все намного легче. Дальше подстраиваем L5 по максимуму. Нужно получить порядка 6 вольт, т.е. выходная мощность порядка 350 – 400 мвт. Если не получается, то уменьшаем резистор R13. У меня он получился 24 Ом. Если его совсем не ставить, т.е. закоротить, то у меня перегревается выходной транзистор. Нужно сделать так, что бы транзистор держал температуру в течении хотя бы 1 мин. В радиостанции же передатчик включается на короткое время, да и большой ток от батареек брать тоже не совсем хорошо.
Дальше настройка антенны. Как это делается, написано в первой части данной статьи.
А теперь посмотрим как на основе микросхемы TDA7000 сделать узкополосную радиостанцию на 27 МГц. При этом частота и приемника и передатчика будет стабилизирована кварцем. Схема передатчика будет такая же, только в задающем генераторе уже не будет необходимости ставить два кварца в параллель, а достаточно будет уже одного.
Вложения
11.GIF
(18.56 КБ) 13357 скачиваний
10.GIF
(12.59 КБ) 13115 скачиваний
9.PNG
(75.09 КБ) 13268 скачиваний
8.PNG
(92.04 КБ) 13501 скачивание
7.GIF
(12.3 КБ) 13490 скачиваний
6.GIF
(16.62 КБ) 14676 скачиваний
5.GIF
(32.13 КБ) 13821 скачивание
4.GIF
(15.04 КБ) 18977 скачиваний
3.GIF
(2.88 КБ) 12882 скачивания
2.PNG
(169.93 КБ) 13195 скачиваний
1.PNG
(415.34 КБ) 14213 скачиваний
Аватара пользователя
aen
Модератор
Сообщения: 11940
Зарегистрирован: Пт апр 28, 2006 15:26:07
Откуда: Россия.
Контактная информация:

Re: Радиостанции на основе микросхем TDA7021 и TDA7000

Сообщение aen »

Часть 5.
Радиостанция с NFM на основе TDA7000

Попала мне в руки микросхема однокристального приемника TDA7000 и я решил поэкспериментировать с ней. Понятно, что для начала спаял радиовещательный приемник УКВ по схеме из даташита и понятно, что он заработал, но потом прочитав, что данную микросхему можно перевести в режим узкополосного приема, решил проверить это. Про данный режим можно почитать в ж. Радио 2-1997 год. При этом гетеродин приемника делается внешний на кварце. Полоса пропускания приемника сужается изменением некоторых конденсаторов входящих в схему активных RC фильтров, что стоят в составе УПЧ данного приемника. Там предлагают сделать ПЧ порядка 4,5 кгц. Я же выбрал для своих экспериментов ПЧ величиной порядка 10 кгц.
Также попробовал сделать схему на 60 МГц. Отличие схемы только в том, что в гетеродине поставил кварц на 20 МГц возбуждаемый на третьей гармонике и убрал подстроечный конденсатор C30, т.к. перестраивать кварц работающий на механической гармонике нет смысла. Само собой изменились параметры катушек и некоторых конденсаторов в схеме задающего генератора, да и транзистор поставил более высокочастотный, но про это потом.
Для начала на основе этого узкополосного приемника решил сделать простенькую радиостанцию, а также попробовать на его основе сделать систему радиоуправления.
Схема этой простенькой радиостанции получилась такая.

Изображение

Кварцы в радиостанции на основную гармонику 27 МГц. Можно конечно применить и гармониковые кварцы на 27 МГц или просто кварцы на 9 МГц, но это немного усложнит схему передатчика, т.к. для получения той же мощности придется делать передатчик трехкаскадный. Также делать разницу на 10 кгц в этом случае между частотой передатчика и частотой гетеродина в приемнике придется только с помощью сдвига частоты в передатчике с помощью подстройки катушки L8, хотя это и осуществимо.
УНЧ можно по любой схеме. Я поставил на MC34119. Передатчик по стандартной схеме. Задающий генератор в передатчике и гетеродин в приемнике сделан по схеме Колпитца. Кварц в передатчике такой же, что и в приемнике, только частота генерации у него сдвинута на 10 кгц ниже, чем в приемнике. Этой разницы добиваются с помощью конденсатора С30 в приемнике и настройкой катушки L8 в передатчике. Можно конечно в радиостанции оставить только один кварц и переключать его при приеме и передаче, но слишком уж много получается переключений.
При испытании радиостанции выявился тот недостаток, что если подносить микрофон близко и говорить слова начинающие с согласных звуков, т.е. например: «Два-два», то происходит перемодуляция и появляются искажения, но этот недостаток присущ всем простым ЧМ радиостанциям, поэтому приходится уменьшать девиацию, что снижает параметры радиостанции. Что бы избавиться от этого в схему модулятора вводят ограничитель сигнала и ФНЧ. В данном случае сигнал с модулятора нужно ограничить на уровне 2 вольта. Я перепробовал несколько схем ограничителей и компрессоров сигнала и мне всех больше понравился фазовый ограничитель сигнала. Про него можно почитать в ж. Радио 3-1980 год. Разница только в том, что вместо ФНЧ на LC я поставил активный ФНЧ на транзисторе. С подобным модулятором громкость мало зависит от того, как говорить в микрофон и на каком расстоянии его держать, а главное практически нет слышимых искажений.

Изображение

Принцип работы данного ограничителя можно почитать в ж. Радио, а структура и так понятна. Сигнал с микрофона усиливается транзисторами VT1, VT2, ограничивается диодами VD1, VD2, подается на фазовращатель VT3, затем идет второй ограничитель на VD3, VD4. После него идет ФНЧ на транзисторе VT4. Каскад на VT5 в данном случае доводит уровень звукового сигнала до нужной величины для получения нужной девиации частоты и подается на варикап. Как говорил, у меня оно получилось ~2V, поэтому подбирая резистор R19 устанавливаем напряжение звуковой частоты на выходе порядка ~2V т.е. ~4V от пика до пика.
Принцип можно понять глядя на картинку.

Изображение

Реальный сигнал с микрофона имеет большие выбросы, т.е. имеет большой динамический диапазон, а основная информация о голосе находится внутри области ограниченной красными линиями. Для большей эффективности нам нужно отрезать то, что нам не важно и нужную часть усилить до требуемой величины, т.е. получить то, что на картинке справа. Если лишнее обрезать просто обычным двухсторонним ограничителем, то в полученном сигнале появятся сильные искажения, а вот схема, что показана выше как раз и делает о, что мы нужный участок вырезаем и при этом искажения сигнала приводим к минимуму. Таким приемом пользуются рекламщики при передаче рекламы по ТВ. Мы часто замечаем, что при передаче рекламы по ТВ у нас громкость как бы возрастает. На самом деле громкость остается прежней. Просто они тоже делаю подобное, что сделали и мы. Делать ли подобный модулятор зависит от вас, но он сильно повышает эффективность радиостанции.
Настройка довольно простая.
Подбираем R3, что бы на эмиттере VT2 была половина питания. Говорим в микрофон «Раз, два, три, четыре, пять, вышел зайчик погулять» и подбирая резистор R5, выставляем напряжение звуковой частоты порядка 1,5 вольта. У меня резистор получился ноль Ом, т.е. просто его закоротил. Это во многом зависит от микрофона. Дальше говоря ту же фразу, выставляем на выходе звуковое напряжение с помощью R19 2 вольта.
В принципе выходное напряжение звуковой частоты может быть другим, а как оно определяется написано в ч.3 и ч.4 данной темы, т.к. от его величины зависит девиация.
Под конец подбираем резистор R16, что бы напряжение на коллекторе VT5 было близко к половине напряжения питания. Еще можно VD1 и VD2 заменить на диоды с большим напряжение отсечки. Я поставил КД503, но это необязательно, но по моему работает лучше.
Я делал, что микрофон нужно подносить близко. Если нужна более высокая чувствительность микрофона, то вместо VT1 и VT2 поставить брлее чувствительный усилитель.
Теперь собственно настройка приемника и передатчика.
Базу транзистора выходного каскада передатчика VT2 отключаем от катушки связи. Сердечник L8 для начала выкручиваем. Крутим сердечник L7 и добиваемся генерации задающего генератора. Дальше закручиваем сердечник L8 и проводим те же действия, что описаны в ч.4, т.е. отсутствие паразитных колебаний, определяем какое напряжение звуковой частоты нужно подавать на варикап, что бы получить девиацию порядка ±5 кгц. Как говорил у меня получилjсь, что нужно подавать ~2V.
Если схему модулятора сделали без ограничения, то говорите в микрофон и подбором резистора R27 установите нужное напряжение звуковой частоты, т.е. что бы было и громко и не было искажений при пиках. Если модулятор с ограничителям, то его настройка уже описана выше.
К коллектору задающего генератора, т.е. VT3 подключите провод порядка 10 см. Это будет антенна. На вход модулятора подайте какой либо звуковой сигнал. Я просто делаю генератор на логике и подаю.

Изображение

Отодвиньте передатчик на полметра и берите другой комплект радиостанции и приступим к настройке приемника.
Подстроечный конденсатор С30 ставим в среднее положение. Крутим сердечник катушки L3 и добиваемся генерации гетеродина. К коллектору транзистора можно подключить диодный пробник и настроится на максимум.

Изображение

Имеет смысл последовательно с С2 в пробнике включить конденсатор 5,1 пф, что бы пробник меньше влиял на работу гетеродина.
В принципе должны услышать «писк», что передает передатчик, а может и не услышим, но это не важно. Можно покрутить подстроечный конденсатор С30, а также покрутить катушку L8 в передатчике. Если добьемся разницы частот передатчика и гетеродина приемника, то писк будет слышен. Нужно добиться максимальной громкости. Я к выводу «2» микросхемы TDA7000 подключал осциллограф и смотрел. Можно подключить мультиметр в режиме измерения переменного напряжения. Крутим L8 и С30 добиваясь максимума. Если при этом L8 крутили намного, то придется еще уточнить напряжение подаваемое на варикап, как это описано в ч.4 данной статьи, что бы девиация была порядка ±5 кгц.
Я настраивал с помощью осциллографа.
На вход модулятора нужно подать синусоидальный сигнал. Подобный генератор можно сделать самому. Схему генератора можно взять хотя бы отсюда.
http://radiokot.ru/circuit/analog/games/24/

А можно просто и прямоугольные импульсы подать с генератора на логике, что выше приводил. Просто на выходе его поставить RC цепочку, что бы превратить их в подобие треугольных. Хотя, если модулятор с ограничителем, то они и без RC цепочки будут уже такие. При этом в модуляторе нужно отключить второй диодный ограничитель. Можно просто С10 отпаять. Я как раз так и сделал.
На вывод «2» подключаем осциллограф.

Изображение

На осциллографе 0,5V/дел. Сначала с генератора ничего не подаем. С помощью катушки L8 в передатчике и подстроечного конденсатора С30 в приемнике устанавливаем напряжение на выводе «2» 1,3 вольта. После этого увеличиваем напряжение звуковой частоты с генератора и на выводе «2» уже видим картинку, что выше. Сделайте так, что бы импульсы на выводе «2» были порядка 0,5V, т.е. одна клеточка. Катушкой L8 и конденсатором С30 подстраиваем так, что бы картинка располагалась в промежутке 1 – 1,5 вольта, что и видно на картинке.
Так можно и величину девиации проверить. Что интересно, то амплитуда этих импульсов на выводе «2» будут уменьшаться не только, если девиация слишком мала, а и если она слишком большая. Поэтому нужно проверить. Постепенно увеличивая уровень звуковой частоты на входе модулятора видим, что на выводе «2» амплитуда импульсов увеличивается. Нужно довести их, что на картинке и посмотреть напряжение на варикапе. Это и будет максимальное звуковое напряжение, что можно подавать на варикап. Можно проверить потом, когда будет возможность говорить в микрофон.

Дальше настроим входной контур L1. Звуковой генератор в передатчике отключаем. Осциллограф через резистор в несколько килом подключаем к выводу «12» TDA7000 и крутим сердечник L1 добиваясь максимума. Там будет синусоида частотой около 10 кгц. Если нет осциллографа, то к выводу «12» подключаем диодный пробник. Только конденсатор С1 в нем нужно припаять порядка 0,01 мкф и тоже находим максимум. Так уровень где то десятые доли вольта. Чем дальше отодвинем передатчик, тем точнее будет настройка.
Теперь нужно настроить передатчик на максимальную мощность, а потом настроить антенну. Настройка ничем не отличается от настройки радиостанции описанной в ч.1 данной статьи. У меня на эквиваленте антенны, т.е. на резисторе 51 Ом получилось ВЧ напряжение порядка 4 вольта.
Данные катушек.
Катушки намотаны на каркасах диаметром 5,5 мм с карбонильными сердечниками.
L1 содержит 15 витков проводом 0,4 мм
L2 содержит 12 витков проводом 0,4 мм
L3 намотана поверх L2, содержит 3 витка любого тонкого провода. У меня ПЭЛШО 0,15 мм
L4 намотана проводом 0,15 мм. Количество витков зависит от длины антенны. Данные этой катушки можно взять из радиостанции, что описана в Ч.1 данной статьи.
L5 8 витков провода 0,4 мм
L6 7 витков тонкого провода. Намотана поверх катушки L7
L7 15 витков провода 0,4 мм
L8 36 витков провода 0,1 – 0,15 мм. Намотана секциями. Количество секций три, т.е. 3х12 витков.
Дроссель Др.1 стоит ДПМ-01. Индуктивность не критична и может быть в пределах 10 – 50 мкгн
Теперь попробую сделать такую же радиостанцию, но на частоту 60 МГц.
Аватара пользователя
aen
Модератор
Сообщения: 11940
Зарегистрирован: Пт апр 28, 2006 15:26:07
Откуда: Россия.
Контактная информация:

123

Сообщение aen »

Часть 6.
Радиостанции на основе микросхем TDA7021 и TDA7000.
Радиостанция на 60 МГц.

В этой радиостанции с кварцевой стабилизацией сделан только передатчик. В ней применен кварц 30 МГц на основную гармонику, что упростило схему. В принципе можно сделать и на гармониковых кварцах, но схема передатчика усложниться. В дальнейшем, если хватит терпения выложу схему радионаушника на частоту 96 МГц в которой в передатчике и приемнике применены гармониковые кварцы на 48 МГц, т.е. их основная гармоника 16 МГц.
Но сначала на 60 МГц в которой стабилизирован кварцем только передатчик. Еще была цель в данном случае избавиться от каркасов и сделать все катушки бескаркасные.
Приемник в данном случае можно сделать как на TDA7021, так и на TDA7000, а схемы взять один к одному из даташитов. Я взял TDA7000.

Изображение

Видно, что схема приемника взята один к одному из даташита, поэтому описывать её нет смысла. Единственно, что нужно учесть, что катушка гетеродина L2 должна стоять как можно ближе к выводам 5-6 микросхемы. При этом приемник работает более стабильно.
В выходном каскаде передатчика лучше поставить один транзистор BFR96 или любой другой с Fт не менее 1 ГГц и с рассеиваемой мощностью на коллекторе порядка 500 мвт, но я решил попробовать поставить две штуки КТ368 в параллель. От передатчика добивался выходной мощности порядка 200 мвт и при этом сделать его двухкаскадным.
Узкое место в данном передатчике, это дроссель Др.2 Вместо него лучше поставить катушку намотанную на каркасе диаметром 5 мм с сердечником из карбонильного железа. Намотать три секции по 5 витков тонкого провода, но как выше писал, цель была избавиться от катушек с каркасами, хотя с каркасами настройка была бы удобнее. Потом приведу схему подобного передатчика, где катушки намотаны на каркасах с сердечниками из карбонильного железа.
В качестве дросселя Др.2 пробовал фабричный дроссель ДМ-2,4 5. Просто он у меня был под рукой.

Изображение

Но он большой по габаритам, поэтому попробовал такого вида. Он тоже на 5 мкгн и в принципе он тоже подошел.

Изображение

Выше уже писал, что данный дроссель должен иметь маленькую собственную емкость иначе трудно добиться нужной девиации частоты. Также девиация зависит от величины индуктивности. Чем больше индуктивность, тем большей девиации частоты можно добиться, но при чрезмерной индуктивности может или сорваться генерация или генератор перейдет в режим паразитных колебаний. Поэтому выше и писал, что вместо него лучше намотать катушку секциями. Про все это уже писал в предыдущих частях данной статьи.
Для того, что бы из двухкаскадного передатчика выжать максимальную мощность в задающем генераторе стоит еще дроссель Др.1, но он не критичен к параметрам и его величина может быть в пределах 20-40 мкгн. Также, что бы в передатчике ограничиться двумя каскадами, в задающем генераторе поставил довольно мощный транзистор КТ3117, что позволило увеличить его коллекторный ток. Можно поставить что либо из импорта, например 2N2222.
Схема передатчика стандартная и уже описывалась в предыдущих частях. Кварц возбуждается на частоте основной гармоники 30 МГц. В коллекторной цепи задающего генератора на VT3 стоит колебательный контур настроенный на частоту 60 МГц. Дальше идет усилитель мощности на транзисторах VT1 и VT2, которые включены параллельно или на одном BFR96. В модуляторе можно поставить КТ3102.
Настройку уже тоже описывал. В модуляторе подбором резистора R16 установить на коллекторе VT4 половину напряжения питания, т.е. 4,5 вольта. Если есть приборы, то нужно на вход модулятора подать синусоидальный сигнал частотой 1 кгц величиной в несколько милливольт и повышая звуковое напряжение с генератора и подбирая резистор R16, добиться симметричного ограничения синусоиды.
Катушку L3 для начала не ставим, а на выход передатчика припаиваем резистор 51 Ом и диодный пробник. Про это писал в Ч.1

Изображение

К сожалению удостоверится, что задающий генератор не возбуждается на паразитных колебаниях удобнее проверять осциллографом, но можно принять сигнал данного передатчика радиовещательным приемником на частоте в районе 90 МГц и говорить в микрофон. Подстроечные конденсаторы С31 и С32 при этом нужно поставить на минимум емкости. Звук должен быть качественный. Не забывать, что возможна акустическая связь, поэтому приемник лучше слушать через наушники. Про это тоже уже писал.
Потом крутим подстроечники С32 и С31 и добиваемся максимума показаний мультиметра включенного через диодный пробник, что приведен выше. Подстройку также можно делать раздвиганием витков катушек. У меня получилось где то 4 вольта.
Осталось настроить удлиняющую катушку L3. Её можно рассчитать по программе, ссылка на которую дана здесь.
http://radiokot.ru/forum/viewtopic.php? ... 7#p1722607
http://vrtp.ru/screenshots/3253_udlkat2.zip
Как уже говорил, её параметры зависят от длины антенны.
Данные катушек.
Катушки L 4 и L5 бескаркасные и намотаны на оправке диаметром 4 мм проводом 0,45 мм
L4 содержит 12 витков с отводом от середины. Я мотал две катушки по 6 витков и ставил их вплотную друг к другу.
L5 содержит 8 витков.
Катушка L3, как говорил зависит от антенны. У меня при длине антенны 45 см она получилась 22 витка на оправке диаметром 5,5 мм. Провод 0,45

После окончательной сборки нужно все проверить. Как это делается написано в Ч.1 данной статьи, но здесь просто повторю.
Основная настройка, это получить максимум излучаемой мощности передатчика. Если имеются соответствующие приборы, то понятно нужно воспользоваться ими, а если нет, то придется делать приставки-показометры, что позволят убедиться, что передатчик настроен правильно. В данном случае это будет волномер. Сделать его можно просто на макетке.

Изображение

Диод лучше германиевый высокочастотный, например Д311, Д18 и т.д., но в крайнем случае можно и кремниевый. Я пробовал ставить КД522. С ним чувствительность волномера конечно получается ниже. В качестве антенны можно припаять провод длиной порядка 30 см. У меня из того же провода, что катушка. Нужно учесть, что если антенна качается, то показания будут прыгать, поэтому антенну лучше сделать жестче.
Теперь настройка.
Включаем передатчик с антенной. Волномер ставим рядом и крутим в нем подстроечный конденсатор С1. Добиваемся максимума показаний. Относим волномер дальше и опять находим максимум показаний крутя С1. Чем дальше от передатчика будет волномер, тем более точно можно будет настроить передатчик. Вот поэтому и лучше в нем применять диоды германиевые высокочастотные. Нужно хотя бы на полметра отнести.
Дальше попеременно настраивая удлиняющую катушку L3 и подстроечный конденсатор С31 добиваемся максимума показаний волномера.
Удлиняющую катушку можно настраивать с помощью двух сердечников. Один из ВЧ феррита или карбонильного железа, а второй из диамагнетика, например медного или латунного. Осторожно вводите их в удлиняющую катушку L3 и смотрите на показания волномера. Если при введении ферритового сердечника показания увеличиваются, значит витки катушки нужно сжимать. Если показания увеличиваются при введении латунного(медного) сердечника, то витки нужно раздвигать.
Настройка приемника проще. Во первых нужно настроиться на частоту передатчика. Для этого в передатчике второго комплекта радиостанции можно отключить выходной каскад отпаяв конденсатор С34, а к коллектору VT3 припаять антенну длиной 10 см. Базу транзистора VT5 и коллектор VT4 соединить цепочкой из последовательно соединенных резистора 5,1 ком и конденсатора 3300 пф. При этом из модулятора делаем генератор НЧ. Про это тоже писал в предыдущих частях. Все это отнести на полметра.
Подстроечный конденсатор С15 в приемнике служит для точной настройки. Ставим его в среднее положение, а сдвигая-раздвигая витки катушки L2 в приемнике добиваемся приема своего передатчика. Должны услышать свист. Конденсатором С15 настраиваемся окончательно. Нужно выключить передатчик и снова включить. Если настроились правильно, то в приемнике опять услышим свист.
Этот же свист можно услышать в радиовещательном УКВ приемнике на частоте около 90 МГц. Это для контроля.
Теперь цепочку из резистора и конденсатора в модуляторе убираем и можно поговорить в микрофон. Для начала движок подстроечного резистора R20 ставим в нижнее положение и говорим в микрофон. Постепенно подкручиваем подстроечный резистор. При этом громкость будет увеличиваться. Приемник при этом нужно подстраивать. При каком то положении появятся искажения на пиках сигнала, что говорит о перегрузке(ограничении) звукового сигнала в модуляторе. Само собой подстроечный резистор нужно отвернуть немного назад. Чем большую громкость сделаем, тем меньше будет стабильность, поэтому особо не нужно увлекаться.
Теперь настроим катушку L1 в приемнике. Для этого включаем передатчик опять же без выходного каскада. К выводу «12» микросхемы TDA7000 подключаем такой пробник.

Изображение

Сдвигая-раздвигая витки катушки L1 добиваемся максимума показаний. Настройка довольно «тупая». Уровень напряжения десятые доли вольта. Лучше конечно смотреть осциллографом. Там будет видно напряжение частотой порядка 70 кГц. Вот его и нужно сделать максимальным подстройкой катушки L1.

Теперь сделаем радиостанцию на 60 МГц в которой и частота гетеродина в приемнике на TDA7000 и частота передатчика стабилизирована кварцем.
Аватара пользователя
aen
Модератор
Сообщения: 11940
Зарегистрирован: Пт апр 28, 2006 15:26:07
Откуда: Россия.
Контактная информация:

123

Сообщение aen »

Часть 7.
Радиостанция на 60 МГц с кварцевой стабилизацией.



Схема приемника в данном случае мало отличается от схемы, что делали в радиостанции с кварцами на 27 МГц в Ч.6» данной статьи. Передатчик можно взять из Ч.6 данной статьи.

Изображение

Микросхему так же переводим в узкополосный режим, поэтому в модуляторе резистором R22 нужно подобрать такое усиление, что бы девиация не превышала ±5кГц. В данном случае удобнее модулятор сделать по другой схеме, как это сделано в Ч.5 данной статьи. Проще сказать, что бы когда громко говорим в микрофон, то не было искажений на пиках сигнала, а лучше ограничение звукового сигнала. У меня получилось, что на варикап нужно подать напряжение звукового сигнала 1V. Про это подробно написано в Ч.5 данной статьи.
В гетеродине приемника применен кварц на 20 МГц. Он возбуждается на третьей гармонике, поэтому подстроечный конденсатор последовательно с кварцем в данном случае не ставим, т.к. двигать частоту кварцевого генератора на гармониках кварца нет смысла. Нужный сдвиг будет делаться в передатчике, поэтому в передатчике вместо дросселя последовательно с кварцем нужно поставить катушку с подстроечным сердечником. В передатчике, как и в предыдущем случае применен кварц 30 МГц основной гармоники. В схеме частота удваивается. Можно конечно и в передатчике применить кварц на 20 МГц, что стоит в приемнике, но передатчик в этом случае для получения приемлемой мощности придется делать по трехкаскадной схеме. Про это раньше уже писал.
Данные катушек передатчика можно взять из прошлых схем. Их кроме L7 можно сделать бескаркасными, т.е. все как в предыдущей части данной статьи.
L7 намотана в три секции 3х5 витков. Провод 0,1 – 0,15 мм
В данном случае в приемнике катушки намотал на каркасах диаметром 5,5 мм с сердечниками из карбонильного железа.
L1 содержит 6 витков провода 0,4 мм. Длина намотки 10 мм.
L2 намотана поверх L3 и содержит один виток провода 0,15 мм
L3 содержит 7 витков провода 0,4 мм. Длина намотки 10 мм.
L4, как писал зависит от антенны.

Можно сделать 6-ти вольтовый вариант данной радиостанции. Для этого в приемнике нужно только уменьшить резистор R1 до 100 Ом. В передатчике поставил катушки на каркасах диаметром 5,5 мм с карбонильными сердечниками, что упростило настройку. Для пробы транзисторы в передатчике поставил КТ315Б и КТ316Б. В принципе работают нормально. Я от этого передатчика мощности не добивался. Получилась порядка 100 мвт.

Изображение

Модулятор тоже по желанию или простейший или с ограничением.

Изображение

Резистором R14 установить напряжение на коллекторе VT2 порядка 3 вольта. Лучше подать на вход модулятора сигнал с генератора звуковой частоты и добиться, что бы было симметричное ограничение синусоиды, но это если есть осциллограф. Резистором R4 на коллекторе VT5 установить половину напряжения питания.
Если делать модулятор без ограничения, то сигнал на варикап нужно просто взять с коллектора второго транзистора. Подстроечным резистором R15 выбираем уровень звукового напряжения. Как выше писал, оно получается в пределах 1 вольт. В случае применения ограничителя подобрать нужно еще и резистор R13, т.е. установить звуковое напряжение на коллекторе VT5 порядка 1 вольт, а точнее такое, что бы девиация частоты была порядка ±5 кГц. Как это делается, писал раньше. Можно просто добиваться максимальной громкости при приеме и при этом допустимых искажений.
А теперь посмотрим, как данные приемники и передатчики применить для радиоуправления.
Аватара пользователя
aen
Модератор
Сообщения: 11940
Зарегистрирован: Пт апр 28, 2006 15:26:07
Откуда: Россия.
Контактная информация:

123

Сообщение aen »

Часть 8.
Аппаратура радиоуправления на основе TDA7000



Эта статья по сути является продолжением статьи с «радиокота».
http://radiokot.ru/circuit/analog/games/11/
Там рассматривается простейшая система радиоуправления для начинающих на основе приемника сверхрегенератора. Также там есть такие слова:
«Когда начинал писать, то думал, что постепенно дойду и до более сложных схем, постепенно усложняя приемную и передающую часть, т.к. в каждом конкретном случае возникают проблемы совершенно разные. К примеру, вместо сверхрегенератора применить для радиоуправления простую и дешевую микросхему TDA7000 или TDA7021.
Подход в этом случае будет немного другой, т.к. там будут действовать другие дестабилизирующие факторы. Конечно для профессионалов эта идея покажется смешной, но для начинающих в качестве первой конструкции по-моему самое то и поняв общие принципы можно уже с понятием делать на специализированных микросхемах.
На TDA7000(7021) по-моему и схема и настройка будет еще проще. В ней, при её простоте заложено довольно много возможностей для целей радиоуправления.»

Для своих экспериментов я взял приемник и передатчик с кварцевой стабилизацией на 60 МГц, что описано в предыдущих частях статьи, хотя можно было взять и на 27 МГц. Это по сути ничего не меняет. В приемнике в данном случае нужно отключить систему шумоподавления, т.е. на первую ногу повесить резистор R5 величиной 10 ком.
И так базовая схема приемника выглядит так.

Изображение

Самое простейшее однокомандное управление можно сделать так же, как описано в статье, ссылку на которую выложил выше. ЧМ приемник тоже, как и сверхрегенератор шумит в отсутствии сигнала. При наличии приема несущей шум на выходе пропадает, как и у сверхрегенератора. Схема подобного радиоуправления может выглядеть, как и в той статье.

Изображение

Т.е. шумы усиливаются, детектируются и подаются на пороговый элемент. Передатчик излучает только несущую, т.е. без всякой модуляции.
Я проверял по такой схеме.

Изображение

Выход у TDA7000 высокоомный, поэтому на входе поставил эмиттерный повторитель совместив его со схемой ФНЧ. В принципе можно поставить обычный эмиттерный повторитель.
Когда несущей нет, то на выходе схема высокий уровень. Когда включим передатчик, то на выходе получим низкий уровень. Транзисторы любые маломощные. Можно КТ315 и КТ361 или КТ3102 и КТ3107.
Понятно, что вместо транзисторов можно сделать на ОУ и т.д. Просто мне было удобнее макетировать на транзисторах.
Двух-трех командное можно сделать как и в статье, что выше по ссылке с частотным разделением. Для этого в передатчике модулировать разными частотами, а в приемнике сделать частотные фильтры.

Изображение

Схемы частотных фильтров любые. Можно взять из статьи по ссылке, что выше.

Изображение

Все это можно прочитать в той статье. Мы же посмотрим какие уровни модулирующего напряжения можно подавать в нашем случае. В данном случае у нас нет ограничения по нелинейным искажениям, как это было при передаче голоса, поэтому уровни будут другие.
Для экспериментов взял передатчик, что уже рассматривали раньше.

Изображение

Точнее я оконечный каскад для экспериментов не использовал, т.к. для этого большая дальность была ни к чему.
Для начала на вход передатчика поставил такой модулятор и стал менять уровень напряжения подаваемого на варикап. Уровень устанавливается резистором R8

Изображение

На выход приемника, т.е. на ногу «2» подключил осциллограф. Регулируя уровень резистором R8 и частоту передатчика, подстраивая катушку L1, что стоит последовательно с кварцем, добился такой картинки.

Изображение

Входной делитель здесь 0,5V/дел. При этом получилось, что на варикап нужно подавать порядка 3 вольта. Если подавать меньше или больше, то уровень на выходе приемника уменьшается. Во всяком случае у меня так получилось, что 3 вольта, это оптимальное напряжение на варикапе.
Дальше казалось бы все просто. По логике нужно просто усилить и подать на формирователь импульсов, что бы дальнейшую обработку уже вести цифровыми методами, но к сожалению все оказалось не так просто и это увидим дальше, но сначала попробуем все таки усилить и посмотреть, что получится.

Изображение

Т.е. усилили и подали на пороговый элемент. В точке «А» получили такую картинку. Делитель стоит 1V/дел.

Изображение

На выходе после порогового элемента получили такую картинку.

Изображение

На вид красиво, но радость оказалась преждевременной. Дело в том, что для радиоуправления, когда мы работаем с цифровой модуляцией когда у нас, например шифратор в передатчике и дешифратор в приемнике построен на логике или на МК и нам нужно подавать не непрерывный поток импульсов, а пачки импульсов.
Подал на вход пачки импульсов и в точке «А» получил уже не такую красивую картинку.

Изображение

Подсчитал импульсы. На варикап у меня подается восемь импульсов.

Изображение

А на выходе после порогового элемента в приемнике получаю стабильно девять, т.е. идет ошибка.

Изображение

Причина оказалась в переходных конденсаторах в модуляторе и усилителе приемника. В принципе с помощью тщательного подбора режимов транзисторов и переходных конденсаторов в модуляторе и в усилителе приемника можно избавиться от подобных ошибок, но хотелось бы, что бы схема не была так критична к настройке.
Первый способ, что попробовал, это импульсы передавать с заполнением, потом их детектировать и подавать на формирователь. Схема ничем не будет отличаться от той, что применяли для однокомандного управления, только в ней нужно уменьшить емкость сглаживающего конденсатора С5 после детектора.

Изображение

Понятно при этом резко снизится скорость передачи.
Это импульсы с заполнением после усилителя.

Изображение

Это после детектора.

Изображение

А это получили после формирователя.

Изображение

Понятно, что способ не совсем хорош, т.к. скорость передачи получается довольно низкая, зато её можно применить, имея две любые покупные радиостанции без особой переделки. Просто в одной пищать в микрофон, а на выходе приемника второй радиостанции поставить пороговое устройство, например тот же триггер Шмидта.
Но самый лучший способ, это сделать радиотракт «прозрачным» для постоянного напряжения, т.е. например, подали на варикап единицу, то на выходе приемника тоже будет единица. Подали ноль, и в приемнике будет ноль. Или наоборот, что не важно.
Схема стала выглядеть так. Как видим в ней нет переходных конденсаторов ни в модуляторе передатчика, ни в усилителе приемника.
Для испытаний на входе модулятора я простейший генератор пачек поставил.

Изображение

Приемник стал так выглядеть.

Изображение

Пришлось подобрать резистор R11, что бы получить нужную картинку на выходе усилителя.
На выводе «2» микросхемы приемника видим такую картинку. Входной делитель осциллографа 0,5V/дел.

Изображение

В точке «А» в приемнике видим это.

Изображение

Здесь я не приводил окончательных вариантов схем, но на вход модулятора в передатчике можно подать сигнал или с логики или с МК. На выход приемника тоже можно подключать любую логическую схему.
Также я не рассматривал здесь кодирование сигнала. Например, если применить манчестерское кодирование, то это уберет многие проблемы, но это уже выходит за пределы статьи, что я наметил.
Также насчет схемы приемника. В ней можно поставить на входе УВЧ, или использовать её в приемнике двойного преобразования и TDA7000 в узкополосном режиме поставить после первого смесителя. Если на выходе первого смесителя поставить к примеру кварцевый фильтр с полосой порядка 15 кгц, то думаю получится очень даже хорошо, но этот вопрос я тоже оставлю на потом.
Ответить

Вернуться в «Радиотехника: приемники, передатчики, антенны»