Например TDA7294

Форум РадиоКот • Просмотр темы - Диапазон 1,6-1,8Мгц в "Латвии М"Реально ли?
Форум РадиоКот
Здесь можно немножко помяукать :)

Текущее время: Пт окт 24, 2025 12:32:53

Часовой пояс: UTC + 3 часа


ПРЯМО СЕЙЧАС:



Начать новую тему Ответить на тему  [ Сообщений: 19 ] 
Автор Сообщение
Не в сети
 Заголовок сообщения: Диапазон 1,6-1,8Мгц в "Латвии М"Реально ли?
СообщениеДобавлено: Вт ноя 01, 2016 17:05:49 
Открыл глаза
Аватар пользователя

Зарегистрирован: Ср ноя 04, 2015 20:19:10
Сообщений: 44
Откуда: ДОНБАСС ДОНЕЦК
Рейтинг сообщения: 0
Возникла мысль подключить неперестраиваемый УВЧ к приемнику Латвия М.УВЧ с Радио 56г №3 с 49.Реально ли в этот диапазон вогнать гетеродин? Может кто подобное делал?Прислушаюсь ко всем советам.




Сюда перенес.
Может имеете в виду радиолюбительский 1,81 - 2 МГц?
Вогнать то можно, только что Вы там сможете услышать на приемник с АМ?
Что то я сомневаюсь, что там кто то с амплитудной модуляцией работает.
С 1956 года много что изменилось и радиолюбители с АМ уже не работают.
Тогда уж придется переделывать приемник, что бы он мог SSB принимать.
aen


Вернуться наверх
 
Не в сети
 Заголовок сообщения: Re: Диапазон 1,6-1,8Мгц в "Латвии М"Реально ли?
СообщениеДобавлено: Вт ноя 01, 2016 17:27:29 
Друг Кота
Аватар пользователя

Карма: 129
Рейтинг сообщений: 2973
Зарегистрирован: Вт дек 20, 2011 12:46:51
Сообщений: 73965
Откуда: Петроград
Рейтинг сообщения: 0
пошукайте "ssb converter для вещательного приёмника"

ссылок навалом
http://www.radiolamp.ru/shem/prefixes/ и прочие

_________________
https://www.int-s.spb.ru
" Можно я лягу?"(C)


Вернуться наверх
 
Не в сети
 Заголовок сообщения: Re: Диапазон 1,6-1,8Мгц в "Латвии М"Реально ли?
СообщениеДобавлено: Вт ноя 01, 2016 17:31:57 
Мудрый кот
Аватар пользователя

Карма: 35
Рейтинг сообщений: 279
Зарегистрирован: Сб июл 30, 2011 08:40:10
Сообщений: 1713
Откуда: Россия
Рейтинг сообщения: 0
Зачем так далеко ходить, если подобная тема есть и у нас на форуме.
viewtopic.php?f=28&t=78796


Вернуться наверх
 
Не в сети
 Заголовок сообщения: Re: Диапазон 1,6-1,8Мгц в "Латвии М"Реально ли?
СообщениеДобавлено: Вт ноя 01, 2016 17:45:24 
Говорящий с текстолитом
Аватар пользователя

Карма: 17
Рейтинг сообщений: 181
Зарегистрирован: Пт дек 12, 2008 21:12:14
Сообщений: 1604
Откуда: Moscow
Рейтинг сообщения: 0
УВЧ то как раз нужен перестраиваемый а то параметры будут еще хуже чем без него.
Гетеродин настраивается уменьшением количества витков катушки гетеродина или
выворачиванием нафиг ферритового сердечника (если он есть) При этом нужно
следить за настройкой входного контура где нужно сделать то же самое.
Если емкость контура большая то можно немного уменьшить ее.
Точнее можно настроить частоту и перекрытие гетеродина цифровым частотомером
накинув витка 2 на катушку гетеродина и подключив ее к кабелю частотомера.

_________________
Еси хочешь чтоб комп был быстрым - ставь Пингвин,- он будет чистым


Вернуться наверх
 
Эиком - электронные компоненты и радиодетали
Не в сети
 Заголовок сообщения: Re: Диапазон 1,6-1,8Мгц в "Латвии М"Реально ли?
СообщениеДобавлено: Ср ноя 02, 2016 09:38:04 
Открыл глаза
Аватар пользователя

Зарегистрирован: Ср ноя 04, 2015 20:19:10
Сообщений: 44
Откуда: ДОНБАСС ДОНЕЦК
Рейтинг сообщения: 0
По просьбе товарища именно этот диапазон АМ.Не получилось схему прикрепить.Смысл схемы из журнала : диапазон не широкий,4-ре контура резонансных строятся каждый на разной частоте,в начале,ближе к средине, дальше и в конце.Получается при такой ширине(200Кгц)примерно одинаковое усиление по диапазону.Для более плавной настройки хотелось бы растянуть его ну хотя-бы на пол-шкалы приемника.Я больше практик ,не теоретик.Понятно что можно пересчитать,но вопрос был: может кто на практике сталкивался?Диапазон перестройки гетеродина должен быть в идеале 2.065-2.265Кгц,но можно и шире.


Вернуться наверх
 
Не в сети
 Заголовок сообщения: Re: Диапазон 1,6-1,8Мгц в "Латвии М"Реально ли?
СообщениеДобавлено: Ср ноя 02, 2016 10:19:55 
Мудрый кот
Аватар пользователя

Карма: 35
Рейтинг сообщений: 279
Зарегистрирован: Сб июл 30, 2011 08:40:10
Сообщений: 1713
Откуда: Россия
Рейтинг сообщения: 0
Sashunja писал(а):
Я больше практик
Если у Вас в наличии есть хотя бы генератор сигналов, можно и самодельный, то сделать же это элементарно.
Если генератор сигналов самодельный, то желательно иметь еще и частотомер, а если есть хотя бы низкочастотный осциллограф, то это будет совсем идеально в данном случае.
Я когда то частотомер на 155 серии делал. Работал до 15 МГц и мне для настройки КВ приемников было достаточно. Потом, когда захотел сделать на 144 МГц, то приделал к этому частотомеру предделитель на 500 серии и он стал измерять до 150 МГц. Сейчас можно на МК сделать.
Вот к примеру как практики делают. Берут фломастер и на нем мотают эти самые контура, :) правда потом настраивают с помощью генератора.
Это и есть практика. Делаем и приборами проверяем.
Т.е. практика без приборов, хотя бы самодельных, не имеет смысла.
viewtopic.php?p=2224064#p2224064
aen писал(а):
Или вот я с помощью простейшей приставки ГКЧ к осциллографу настраивал входные контура (ДПФ) КВ приемника о котором раньше писал. Все наглядно видно.
В качестве каркаса взял просто фломастер диаметром 15 мм и на нем намотал.
ДПФ на частоту 3 мгц.
С катушкой 40 витков намотанной проводом 0,5 мм конденсатор для частоты 3 мгц получился 150 пф
Правда там две катушки стоящие на расстоянии 10 мм друг от друга, но средняя частота именно 3 мгц
Это я её АЧХ проверял.

Изображение

А это если расстояние между катушками увеличивать до критической связи.

Изображение


А перестройку гетеродина можно сделать просто поставив другие конденсаторы в обвязке контура гетеродина диапазона средних волн. Разница же частот у вас маленькая. Средние волны у нас до 1,6 МГц, а вам нужно вытянуть всего лишь на 200 кГц выше.
Также с помощью замены этих конденсатором можно сделать перекрытие, что Вам нужно.

Насчет фильтров можно еще в гугле посмотреть набрав например:
как сделать полосовые диапазонные фильтры
Вот первое попавшееся.
http://dl2kq.de/forum/index.php?topic=37.0
Только учитывать, что со стороны лампы у вас довольно большое входное сопротивление, но это даже все упрощает.

У Вас приборы какие?
Вот на основе имеющихся приборов и будем думать, как приступить ко всему этому на практике.


Вернуться наверх
 
Не в сети
 Заголовок сообщения: Re: Диапазон 1,6-1,8Мгц в "Латвии М"Реально ли?
СообщениеДобавлено: Ср ноя 02, 2016 13:52:20 
Открыл глаза
Аватар пользователя

Зарегистрирован: Ср ноя 04, 2015 20:19:10
Сообщений: 44
Откуда: ДОНБАСС ДОНЕЦК
Рейтинг сообщения: 0
Все совершенно понятно.Приборы имеются кое-какие,осцил,генератор,F-метр.ГКЧ так и не удосужился сделать.Схему УВЧ переведу в другой формат- прикреплю.Вторая проблема-контура залиты чем-то как в Казахе.Где-то читал чем размочить,но разве все упомниш.Еще идея-прилепить к этому радио Q-умножитель.


Вернуться наверх
 
Не в сети
 Заголовок сообщения: Re: Диапазон 1,6-1,8Мгц в "Латвии М"Реально ли?
СообщениеДобавлено: Ср ноя 02, 2016 14:56:51 
Мудрый кот
Аватар пользователя

Карма: 35
Рейтинг сообщений: 279
Зарегистрирован: Сб июл 30, 2011 08:40:10
Сообщений: 1713
Откуда: Россия
Рейтинг сообщения: 0
Sashunja писал(а):
Вторая проблема-контура залиты чем-то как в Казахе
Для начала катушки можно не трогать.
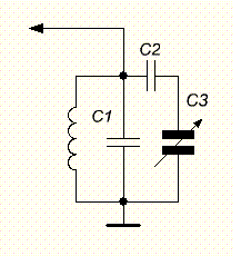
Схема контура гетеродина обычно такая.

Изображение

Отрываем КПЕ и подбираем конденсатор С1 такой, что бы частота гетеродина была порядка 2,5 МГц
После этого зная величину С1, нужно подсчитать, какую нужно добавить емкость, что бы получить частоту 2 МГц.
После этого, зная максимальную емкость КПЕ, можно сосчитать емкость С2.
Потом КПЕ поставить на минимальную емкость и проверить, что частота стала порядка 2,3 МГц
Получишь перекрытие 300 кГц, т.е. с запасом, т.е. гетеродин будет 2 - 2,3 МГц.
Если не получается нужное перекрытие, то корректируем С1 и делаем все по новой.

А входные контура настроишь по генератору и осциллографу.


Вложения:
1.GIF [3.51 KiB]
Скачиваний: 1341
Вернуться наверх
 
Не в сети
 Заголовок сообщения: Re: Диапазон 1,6-1,8Мгц в "Латвии М"Реально ли?
СообщениеДобавлено: Ср ноя 02, 2016 15:07:52 
Открыл глаза
Аватар пользователя

Зарегистрирован: Ср ноя 04, 2015 20:19:10
Сообщений: 44
Откуда: ДОНБАСС ДОНЕЦК
Рейтинг сообщения: 0
Котёнок.Доходчиво.Буду применять практически.А чем контура размочить?Где-то читал,разве все упомниш.Может есть подсказка?


Вернуться наверх
 
Не в сети
 Заголовок сообщения: Re: Диапазон 1,6-1,8Мгц в "Латвии М"Реально ли?
СообщениеДобавлено: Ср ноя 02, 2016 15:28:35 
Мудрый кот
Аватар пользователя

Карма: 35
Рейтинг сообщений: 279
Зарегистрирован: Сб июл 30, 2011 08:40:10
Сообщений: 1713
Откуда: Россия
Рейтинг сообщения: 0
Sashunja писал(а):
чем контура размочить?
Это не знаю.
Я сколько раз не пробовал, у меня так ни разу и не получилось.


Вернуться наверх
 
Не в сети
 Заголовок сообщения: Re: Диапазон 1,6-1,8Мгц в "Латвии М"Реально ли?
СообщениеДобавлено: Пт ноя 04, 2016 13:01:11 
Говорящий с текстолитом
Аватар пользователя

Карма: 17
Рейтинг сообщений: 181
Зарегистрирован: Пт дек 12, 2008 21:12:14
Сообщений: 1604
Откуда: Moscow
Рейтинг сообщения: 0
Котёнок. писал(а):
Sashunja писал(а):
чем контура размочить?
Это не знаю.
Я сколько раз не пробовал, у меня так ни разу и не получилось.

если феррит с пластмассовой пробкой и резьбой то WD40 , если просто феррит
резьбовой то греем острым жалом паяльника предворительно капнув маслица
Если изменить номинал конденсатора С2-17 который стоит последовательно с контуром гетеродина СВ
(240пф) и сделать его меньше то это приведет к увеличению частоты гетеродина и "растяжке" Шкалы
так что если его правильно подобрать то ничегго и размачивать не нужно.
Судя по схеме УВЧ туда добавлять нужно так как у нее всего один каскад упч
и по этому чувствительность плохая. Но как я уже писал _широкополосный вход
все испортит нужен острый контур на входе не имеющий сердечника а настраиваемый только
конденсатором. самая лучьшая лампа для этого -6Ж52п

_________________
Еси хочешь чтоб комп был быстрым - ставь Пингвин,- он будет чистым


Вернуться наверх
 
Не в сети
 Заголовок сообщения: Re: Диапазон 1,6-1,8Мгц в "Латвии М"Реально ли?
СообщениеДобавлено: Вт ноя 15, 2016 18:34:10 
Друг Кота
Аватар пользователя

Карма: 72
Рейтинг сообщений: 1153
Зарегистрирован: Чт ноя 20, 2008 04:20:48
Сообщений: 8067
Откуда: КурскЪ
Рейтинг сообщения: 0
Если уж тянуть так на 2.8-3мгц.Там хотяб свободные АМ работают вовсю.

_________________
Принимаю вас 595+40db на уровне шумов на кухонный приёмник,антенна наружка-магнитная катушка..работает "Акация",вот такая информация.Роман.73!!!
"50 КСВ 075", UA3112SWL
Изображение


Вернуться наверх
 
Не в сети
 Заголовок сообщения: Re: Диапазон 1,6-1,8Мгц в "Латвии М"Реально ли?
СообщениеДобавлено: Ср ноя 23, 2016 15:40:21 
Родился
Аватар пользователя

Зарегистрирован: Вт ноя 22, 2016 20:13:32
Сообщений: 16
Откуда: Пермский край
Рейтинг сообщения: 0
Ну что вы уж так человека пугаете? Все более менее можно настроить на слух и по вшещательным станциям. Находим какую нибудь вещалку, смотрим частоту, потихоньку выкручиваем сердечник контура гетеродина, смотрим что бы р/с сдвинулась на нужное количество килогерц, затем подстраиваем входные контура по наибольшей громкости приема, затем угоняем стрелку приемника на начало шкалы и снова подстраиваем входные контура по макимальным шумам или по синалам свободных операторов они работают в районе 1600-1800кгц. Ну а далее растяжка диапазона. отпаиваете провода от секций КПЕ и припаиваете их снова на свои места но уже через конденсаторы емкостью примерно 200пф. И будет вам счастье..УВЧ можно пристроить если вы находитесь в деревне, в мегаполисе будет шумновато. Но если есть не преодолимое желание, то желательно с полосовиками по входу и выходу. Но как говорят "лучший УВЧ это антенна" хотя она и не является усилителем. Вот как то так...

_________________
jedem das seine


Вернуться наверх
 
Не в сети
 Заголовок сообщения: Re: Диапазон 1,6-1,8Мгц в "Латвии М"Реально ли?
СообщениеДобавлено: Чт дек 29, 2016 15:00:41 
Открыл глаза
Аватар пользователя

Зарегистрирован: Ср ноя 04, 2015 20:19:10
Сообщений: 44
Откуда: ДОНБАСС ДОНЕЦК
Рейтинг сообщения: 0
Схема о которой говорилось в начале.А на 1,6-1,8 тоже есть свободные р\любители-сейчас сижу слушаю.
Вложение:
p0055.gif [159.18 KiB]
Скачиваний: 618


Вернуться наверх
 
Не в сети
 Заголовок сообщения: Re: Диапазон 1,6-1,8Мгц в "Латвии М"Реально ли?
СообщениеДобавлено: Сб дек 31, 2016 21:32:29 
Говорящий с текстолитом
Аватар пользователя

Карма: 17
Рейтинг сообщений: 181
Зарегистрирован: Пт дек 12, 2008 21:12:14
Сообщений: 1604
Откуда: Moscow
Рейтинг сообщения: 0
Sashunja писал(а):
Схема о которой говорилось в начале.А на 1,6-1,8 тоже есть свободные р\любители-сейчас сижу слушаю.
Вложение:
p0055.gif

У такого устройства выходное сопротивление достаточно высокое((-можно сразу на сетку смесителя
подавать если не получится сопряжения) Всего то и нужно сердечник из катушкм гетеродина СВ
вывернуть.

_________________
Еси хочешь чтоб комп был быстрым - ставь Пингвин,- он будет чистым


Вернуться наверх
 
Не в сети
 Заголовок сообщения: Re: Диапазон 1,6-1,8Мгц в "Латвии М"Реально ли?
СообщениеДобавлено: Чт янв 12, 2017 16:25:36 
Открыл глаза
Аватар пользователя

Зарегистрирован: Ср ноя 04, 2015 20:19:10
Сообщений: 44
Откуда: ДОНБАСС ДОНЕЦК
Рейтинг сообщения: 0
Проблема еще в том что сердечники залиты как в"Казахе"каким-то компаундом.Советовали "BD-40"-не помогло.


Вернуться наверх
 
Не в сети
 Заголовок сообщения: Re: Диапазон 1,6-1,8Мгц в "Латвии М"Реально ли?
СообщениеДобавлено: Пт янв 13, 2017 01:49:35 
Говорящий с текстолитом
Аватар пользователя

Карма: 17
Рейтинг сообщений: 181
Зарегистрирован: Пт дек 12, 2008 21:12:14
Сообщений: 1604
Откуда: Moscow
Рейтинг сообщения: 0
Sashunja писал(а):
Проблема еще в том что сердечники залиты как в"Казахе"каким-то компаундом.Советовали "BD-40"-не помогло.

Можно попробовать нагреть акуратно термофеном верх катушки где платмассовая пробка со шлицом
а если села наглухо то сверлить микродрелью и капать туда маслом чтоб попало на феритовый стержень
ну а потом выталкивать сердечник. Назад сердечник вставить через прокладку из фторопласта(берется от кабеля) толкать спичкой ферритовый стержень вверх/вниз
В случае применения выше указанной схемы входной контур приемника Вам не нужен и его нужно
отключить а выход устройства подключить к сетке через конденсатор.

_________________
Еси хочешь чтоб комп был быстрым - ставь Пингвин,- он будет чистым


Вернуться наверх
 
Не в сети
 Заголовок сообщения: Re: Диапазон 1,6-1,8Мгц в "Латвии М"Реально ли?
СообщениеДобавлено: Сб янв 14, 2017 22:56:27 
Открыл глаза
Аватар пользователя

Зарегистрирован: Ср ноя 04, 2015 20:19:10
Сообщений: 44
Откуда: ДОНБАСС ДОНЕЦК
Рейтинг сообщения: 0
int4880053.Да придется наверное высверливать.Потом по новой пройти по резьбе каркаса(нашел метчик с мелким шагом) и закрутить другие сердечники,благо есть в наличии.


Вернуться наверх
 
Не в сети
 Заголовок сообщения: Re: Диапазон 1,6-1,8Мгц в "Латвии М"Реально ли?
СообщениеДобавлено: Вс янв 15, 2017 14:33:25 
Говорящий с текстолитом
Аватар пользователя

Карма: 17
Рейтинг сообщений: 181
Зарегистрирован: Пт дек 12, 2008 21:12:14
Сообщений: 1604
Откуда: Moscow
Рейтинг сообщения: 0
Sashunja писал(а):
int4880053.Да придется наверное высверливать.Потом по новой пройти по резьбе каркаса(нашел метчик с мелким шагом) и закрутить другие сердечники,благо есть в наличии.

Там смотрите, если стоял феррит то можно заткнуть туда карбонильный от СБ12А или еще от чегнибудь
-они серо-зеленого цвета. Тогда точно вверх улетит. А можно вообще оставить без сердечника только
подстроечник паралельно контуру. Ну входной контур нужно только отключить от сетки лампы 6И1П
и сунуть туда кусок провода потому что расстроен будет вход и ничего не услышишь.

_________________
Еси хочешь чтоб комп был быстрым - ставь Пингвин,- он будет чистым


Вернуться наверх
 
Показать сообщения за:  Сортировать по:  Вернуться наверх
Начать новую тему Ответить на тему  [ Сообщений: 19 ] 

Часовой пояс: UTC + 3 часа


Кто сейчас на форуме

Сейчас этот форум просматривают: нет зарегистрированных пользователей и гости: 21


Вы не можете начинать темы
Вы не можете отвечать на сообщения
Вы не можете редактировать свои сообщения
Вы не можете удалять свои сообщения
Вы не можете добавлять вложения

Найти:
Перейти:  


Powered by phpBB © 2000, 2002, 2005, 2007 phpBB Group
Русская поддержка phpBB
Extended by Karma MOD © 2007—2012 m157y
Extended by Topic Tags MOD © 2012 m157y