Например TDA7294

Форум РадиоКот • Просмотр темы - Спроектируем левитатор?
Форум РадиоКот
Здесь можно немножко помяукать :)

Текущее время: Чт янв 29, 2026 18:01:49

Часовой пояс: UTC + 3 часа


ПРЯМО СЕЙЧАС:



Начать новую тему Ответить на тему  [ Сообщений: 1088 ]     ... , , , 24, , , ...  
Автор Сообщение
 Заголовок сообщения: Re: Спроектируем левитатор?
СообщениеДобавлено: Вс фев 02, 2014 14:10:19 
MiklSh писал(а):
+ "второй рубеж" защиты от перезаряда, но излишне усложняет схему, опять же ИМХО.

Второй рубеж защиты от перезаряда (и разряда) акума - это плата защиты акума, которая имеется сейчас практически в любом литиевом аккумуляторе. Эта плата отключает акум от внешнего источника питания, если напряжение на нем достигает 4.25 вольт.
Подобная плата есть и в том акуме, что я использую.
Подобную моей цепь зарядки, кстати, применяют в многих девайсах. Например в некоторых мобильных телефонах LG.
Смысла с специализированной микросхеме зарядки я не вижу никакого, хотя у меня их валяется..
Да, поменял кристалл в основе девайса.
Вместо дешевого пластикового круглого кристалла поставил кристалл танзанита 10мм в огранке триллиант (цена вопроса 3.5$).
Общий вид стал гармоничнее, игра света, понятно, теперь намного лучше.
Изображение
Вид самого кристалла - эта сторона у меня низ.
Изображение


Вернуться наверх
   
 
Не в сети
 Заголовок сообщения: Re: Спроектируем левитатор?
СообщениеДобавлено: Вс фев 02, 2014 14:59:12 
Встал на лапы
Аватар пользователя

Карма: 3
Рейтинг сообщений: 0
Зарегистрирован: Пт май 13, 2011 19:01:06
Сообщений: 116
Рейтинг сообщения: 0
Может удастся и датчики кристаллами замаскировать?


Вернуться наверх
 
Не в сети
 Заголовок сообщения: Re: Спроектируем левитатор?
СообщениеДобавлено: Вс фев 02, 2014 15:04:14 
Потрогал лапой паяльник
Аватар пользователя

Карма: 3
Рейтинг сообщений: 19
Зарегистрирован: Чт дек 28, 2006 12:46:58
Сообщений: 361
Откуда: Хлынов
Рейтинг сообщения: 0
crocodil писал(а):
... это плата защиты акума, которая имеется сейчас практически в любом литиевом аккумуляторе.
Про это и толкую :)
А дело Ваше живет! Пока посылка с неодимом в пути, прошли первые пробы на магните (одном) от мелкого динамика - катушки переключает... упирается :))
По образу и подобию:
Изображение Изображение


Вернуться наверх
 
 Заголовок сообщения: Re: Спроектируем левитатор?
СообщениеДобавлено: Вс фев 02, 2014 16:25:16 
Глядя на фото не уверен, что геркон будет работать должным образом :?
Скорее всего он залипнет во включенном состоянии.
Геркон должен быть по возможности по максимуму смещен к краю платы. В идеале - находится между магнитами основания, что бы те на него не действовали. Смотри как установлен у меня - я не зря сместил его как можно ближе к магнитам.
СпойлерИзображение


Вернуться наверх
   
 
Эиком - электронные компоненты и радиодетали
Не в сети
 Заголовок сообщения: Re: Спроектируем левитатор?
СообщениеДобавлено: Вс фев 02, 2014 17:00:51 
Потрогал лапой паяльник
Аватар пользователя

Карма: 3
Рейтинг сообщений: 19
Зарегистрирован: Чт дек 28, 2006 12:46:58
Сообщений: 361
Откуда: Хлынов
Рейтинг сообщения: 0
Долго над ним думал, значит не угадал :)) Главное запас для перемещения есть - после первых боевых испытаний можно будет перепаять.


Вернуться наверх
 
Не в сети
 Заголовок сообщения: Re: Спроектируем левитатор?
СообщениеДобавлено: Пн фев 03, 2014 06:33:41 
Вымогатель припоя

Карма: 2
Рейтинг сообщений: 37
Зарегистрирован: Пн ноя 16, 2009 13:31:29
Сообщений: 535
Откуда: Томск
Рейтинг сообщения: 0
Медали: 1
Получил миской по аватаре (1)
crocodil писал(а):
поставил кристалл танзанита 10мм в огранке триллиант (цена вопроса 3.5$)

если не секрет где брали ?


Вернуться наверх
 
Не в сети
 Заголовок сообщения: Re: Спроектируем левитатор?
СообщениеДобавлено: Пн фев 03, 2014 11:32:19 
Открыл глаза

Карма: 6
Рейтинг сообщений: 9
Зарегистрирован: Вт окт 02, 2012 20:46:35
Сообщений: 74
Рейтинг сообщения: 0
MiklSh, у Вас получилась очень красивая плата. Просто замечательная! Скажите, если можно, какие микросхемы Вы применили в своем левитаторе? А схема осталась та же, или что-то изменилось?


Вернуться наверх
 
Не в сети
 Заголовок сообщения: Re: Спроектируем левитатор?
СообщениеДобавлено: Пн фев 03, 2014 11:48:24 
Потрогал лапой паяльник
Аватар пользователя

Карма: 3
Рейтинг сообщений: 19
Зарегистрирован: Чт дек 28, 2006 12:46:58
Сообщений: 361
Откуда: Хлынов
Рейтинг сообщения: 0
:)
Схема практически "один-в-один" (пара дросселей по питанию не в счет).
Детальки те, что нашлись в местных магазинах: AH49E->AD8541->IRF7319.
Свой вариант платы, как "взлетит", выложу - не вопрос.


Вернуться наверх
 
Не в сети
 Заголовок сообщения: Re: Спроектируем левитатор?
СообщениеДобавлено: Пн фев 03, 2014 11:55:13 
Открыл глаза

Карма: 6
Рейтинг сообщений: 9
Зарегистрирован: Вт окт 02, 2012 20:46:35
Сообщений: 74
Рейтинг сообщения: 0
Спасибо! Желаю успехов!


Вернуться наверх
 
 Заголовок сообщения: Re: Спроектируем левитатор?
СообщениеДобавлено: Пн фев 03, 2014 17:01:47 
velant77 писал(а):
crocodil писал(а):
поставил кристалл танзанита 10мм в огранке триллиант (цена вопроса 3.5$)

если не секрет где брали ?

Покупал здесь: http://aukro.ua/yuvelirnye-kamni-tanzanit-123338?order=p
По поводу твоих катушек:
СпойлерИзображение

Я бы попробовал сделать на них, но использовал бы всего 6 штук дисковых магнитов, диаметром 10-12 мм и толщиной 2-4 мм (не знаю размеры твоих катушек), которые разместил бы внутри самих катушек.
По ходу конструкция вышла бы даже лучше. :)


Вернуться наверх
   
 
Не в сети
 Заголовок сообщения: Re: Спроектируем левитатор?
СообщениеДобавлено: Вт фев 04, 2014 09:01:10 
Вымогатель припоя

Карма: 2
Рейтинг сообщений: 37
Зарегистрирован: Пн ноя 16, 2009 13:31:29
Сообщений: 535
Откуда: Томск
Рейтинг сообщения: 0
Медали: 1
Получил миской по аватаре (1)
Хмм, интерестный вариант, спасибо за идею!


Вернуться наверх
 
Не в сети
 Заголовок сообщения: Re: Спроектируем левитатор?
СообщениеДобавлено: Вт фев 04, 2014 17:34:09 
Первый раз сказал Мяу!

Зарегистрирован: Пт фев 19, 2010 00:26:16
Сообщений: 35
Откуда: Украина.Горловка
Рейтинг сообщения: 0
crocodil писал(а):
Я бы попробовал сделать на них, но использовал бы всего 6 штук дисковых магнитов, диаметром 10-12 мм и толщиной 2-4 мм (не знаю размеры твоих катушек), которые разместил бы внутри самих катушек.
По ходу конструкция вышла бы даже лучше. :)

а будет ли достаточно подьемной силы от всего 6-и магнитов чтоб хотя-бы на 5 см поднялся кристалл?
у меня вот точно такие катухи,снимал феном.высота намотки 2.5мм внутренний диаметр 11мм
вот теперь надо опредилиться с магнитами...


Вложения:
08.jpg [68.33 KiB]
Скачиваний: 1098
Вернуться наверх
 
Не в сети
 Заголовок сообщения: Re: Спроектируем левитатор?
СообщениеДобавлено: Ср фев 05, 2014 12:08:32 
Родился

Зарегистрирован: Ср фев 05, 2014 11:26:02
Сообщений: 2
Рейтинг сообщения: 0
Собрал Левитатор по схеме Сrocodil-а.
Магниты установил под катушки для уменьшения диаметра плати, чтоб можно было вместить в уже готовый корпус.
Левитатор заработал без плясок с бубном.
Вот результат:
http://img.radiokot.ru/files/94804/99rmvb33g.jpg
http://img.radiokot.ru/files/94804/99rmzfrh7.jpg
http://img.radiokot.ru/files/94804/99rn33xj9.jpg
http://img.radiokot.ru/files/94804/99rn5d0ol.jpg
видео
https://cloud.mail.ru/public/95aab50d3f23/MOV0002.mpg


Вернуться наверх
 
 Заголовок сообщения: Re: Спроектируем левитатор?
СообщениеДобавлено: Ср фев 05, 2014 23:10:32 
Я нисколько не сомневался в успехе. :))
И знаете почему? Saakv собирал девайс под моим чутким руководством. :)
Однако замечу - делал он все сам. :solder:
2 Нифелим
Я понимаю вас, великанов. Хочется все побольше.. :lol:
Ну а если серьезно:
Конечно, магниты можно подобрать такие, что они будут отталкиваться друг от друга уже с 5-ти см. Но:
- хватит ли силы электромагнитов для стабилизации кристалла?
- хватит ли чувствительности датчиков на таком расстоянии для отслеживания кристалла?
Первый вопрос решается увеличением напряжения питания схемы. В моей схеме его можно увеличить до 6 вольт. При этом желательно поменять полевики на IRF7309(IRF7379) - для исключения возможного сквозного тока через ключи.
Второй вопрос, как мне кажется, можно решить путем применения более чувствительных датчиков поля. Типа SS494B. Или попробовать поиграться с усилением ОУ.
Какую в итоге можно получить границу левитации?
По расчету для моего левитатора - не более 3см (текущие 2см).
Для 5см надо будет ставить более мощные катушки электромагнитов - т.е. примерно с той-же индуктивностью, но меньшим активным сопротивлением. У ключей запас по току есть - подойдут, но источник питания для системы потребуется более мощный.


Вернуться наверх
   
 
 Заголовок сообщения: Re: Спроектируем левитатор?
СообщениеДобавлено: Пт фев 07, 2014 04:28:44 
Я тут вот че подумал:
Что если использовать, кроме катушек, и плату с электроникой от привода двигателя ВВ?
У меня, к примеру, осталось пару плат на LB1897.
Может там надо только расставить должным образом датчики Холла? :wink:
А то они на плате сбиты в кучу.. :roll:
Изображение
Смысл в том, что в итоге, если конечно повезет, можно будет контролировать скорость, направление вращения, левитирующего кристалла.
Как бонус - ничего, кроме магнитов, не надо будет докупать. :)


Вернуться наверх
   
 
Не в сети
 Заголовок сообщения: Re: Спроектируем левитатор?
СообщениеДобавлено: Пт фев 07, 2014 07:25:46 
Мучитель микросхем
Аватар пользователя

Карма: 1
Рейтинг сообщений: 27
Зарегистрирован: Пт окт 15, 2010 16:08:06
Сообщений: 449
Откуда: Украина, Славянск
Рейтинг сообщения: 0
Левитирует жеж :)))
СпойлерИзображение


Вернуться наверх
 
 Заголовок сообщения: Re: Спроектируем левитатор?
СообщениеДобавлено: Вс фев 09, 2014 14:45:44 
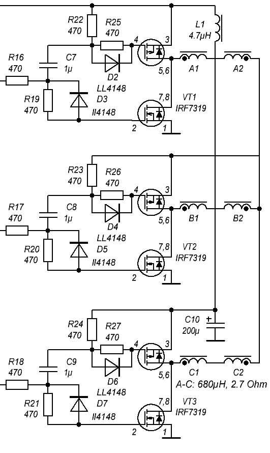
Для тех, кто вдруг надумает собирать левитатор с большой высотой подвеса, нарисовал другую схему управления электромагнитами. Ее можно питать напряжением 9-12 вольт, что позволит существенно поднять мощность последних. :lol:
В схеме вместо LMV324 нужно будет применить "народную" LM324. Ее и датчики надо будет запитать от 9 вольт.


Вложения:
Levitator_m.jpg [65.24 KiB]
Скачиваний: 2258
Вернуться наверх
   
 
Не в сети
 Заголовок сообщения: Re: Спроектируем левитатор?
СообщениеДобавлено: Вт фев 11, 2014 12:41:53 
Вымогатель припоя

Карма: 2
Рейтинг сообщений: 37
Зарегистрирован: Пн ноя 16, 2009 13:31:29
Сообщений: 535
Откуда: Томск
Рейтинг сообщения: 0
Медали: 1
Получил миской по аватаре (1)
Пока ветка замерла в ожидании доставки магнитов и кристаллов с ебеев (в том числе и я :)) ) хотелось бы прояснить некоторые теоретические моменты. Что создает подъемную силу? Как я понял парящий магнит и магниты в основании расположены друг к другу разными полюсами, т.е. притягиваются, таким образом создают некий магнитный горб, с которого парящий магнит пытается скатиться к одному из магнитов в основании. Следовательно поднимает его в воздух магнитное поле катушек, которое имеет противополжную направленность от магнитов в основании :sleep: или я гоню? :facepalm: тогда для высоты полета более важна сила катушек а не магнитов?
Что будет при смещении баланса катушки\магниты в сторону катушек? А наоборот, в сторону магнитов?
Какова роль магнитов - подъемая сила или удерживающий фактор? :))


Вернуться наверх
 
Не в сети
 Заголовок сообщения: Re: Спроектируем левитатор?
СообщениеДобавлено: Вт фев 11, 2014 13:14:42 
Держит паяльник хвостом
Аватар пользователя

Карма: 11
Рейтинг сообщений: 43
Зарегистрирован: Вс май 23, 2010 13:55:42
Сообщений: 908
Откуда: Украина, Александрия
Рейтинг сообщения: 0
velant77 писал(а):
:sleep: или я гоню? :facepalm:

Ага. Подемную силу создают постоянные магниты направленные друг к дружке одинаковыми полюсами. Катушки не дают съехать в сторону и перевенутся.

_________________
«И всё-таки она вертится!»


Вернуться наверх
 
Не в сети
 Заголовок сообщения: Re: Спроектируем левитатор?
СообщениеДобавлено: Вт фев 11, 2014 13:32:58 
Вымогатель припоя

Карма: 2
Рейтинг сообщений: 37
Зарегистрирован: Пн ноя 16, 2009 13:31:29
Сообщений: 535
Откуда: Томск
Рейтинг сообщения: 0
Медали: 1
Получил миской по аватаре (1)
Понял :)) Тогда если расставить планируемые магниты как на плате и взяв круглый магнит в руку можно прикинуть высоту левитации "на ощупь" ?


Вернуться наверх
 
Показать сообщения за:  Сортировать по:  Вернуться наверх
Начать новую тему Ответить на тему  [ Сообщений: 1088 ]     ... , , , 24, , , ...  

Часовой пояс: UTC + 3 часа


Кто сейчас на форуме

Сейчас этот форум просматривают: нет зарегистрированных пользователей и гости: 38


Вы не можете начинать темы
Вы не можете отвечать на сообщения
Вы не можете редактировать свои сообщения
Вы не можете удалять свои сообщения
Вы не можете добавлять вложения

Найти:
Перейти:  


Powered by phpBB © 2000, 2002, 2005, 2007 phpBB Group
Русская поддержка phpBB
Extended by Karma MOD © 2007—2012 m157y
Extended by Topic Tags MOD © 2012 m157y