Например TDA7294

Форум РадиоКот • Просмотр темы - Металоискатели для дома
Форум РадиоКот
Здесь можно немножко помяукать :)

Текущее время: Пт дек 26, 2025 14:12:27

Часовой пояс: UTC + 3 часа


ПРЯМО СЕЙЧАС:



Начать новую тему Ответить на тему  [ Сообщений: 299 ]  1, , , , ...  
Автор Сообщение
Не в сети
 Заголовок сообщения: Металоискатели для дома
СообщениеДобавлено: Пн мар 15, 2010 21:34:00 
Родился

Зарегистрирован: Ср янв 06, 2010 17:13:18
Сообщений: 3
Рейтинг сообщения: 0
привет всем котам
помогите разобратса с металоискателем
http://www.detect-ufo.narod.ru/pribor/m ... or_01.html


Вернуться наверх
 
Не в сети
 Заголовок сообщения: Металоискатель
СообщениеДобавлено: Ср май 05, 2010 18:08:01 
Первый раз сказал Мяу!

Зарегистрирован: Ср май 05, 2010 16:43:14
Сообщений: 27
Откуда: Киев
Рейтинг сообщения: 0
привет,народ!
ктото может помочь разобраться с расчетом надежности данной схемы?
а то у меня со схемотехникой не оч...и со знанием элементной базы тоже...


Вложения:
P1010017.jpg [121.36 KiB]
Скачиваний: 1298
Вернуться наверх
 
Не в сети
 Заголовок сообщения: Re: Металоискатель
СообщениеДобавлено: Чт май 06, 2010 05:55:53 
Опытный кот
Аватар пользователя

Зарегистрирован: Сб дек 19, 2009 14:51:11
Сообщений: 802
Откуда: Нашенский
Рейтинг сообщения: 0
Во-первых, схема нечитаема, фокус ушёл при съёмке.
Во-вторых, что значит расчёт надёжности?

_________________
In der großen Familie nicht kluven klatz-klatz!


Вернуться наверх
 
Не в сети
 Заголовок сообщения: Re: Металоискатель
СообщениеДобавлено: Чт май 06, 2010 12:51:28 
Первый раз сказал Мяу!

Зарегистрирован: Ср май 05, 2010 16:43:14
Сообщений: 27
Откуда: Киев
Рейтинг сообщения: 0
мне для начала бы разобраться что и для чего...
и какие типы элементов


Вложения:
P101001912.jpg [126.38 KiB]
Скачиваний: 1151
Вернуться наверх
 
Эиком - электронные компоненты и радиодетали
Не в сети
 Заголовок сообщения: Re: Металоискатель
СообщениеДобавлено: Чт май 06, 2010 18:31:33 
Первый раз сказал Мяу!

Зарегистрирован: Ср май 05, 2010 16:43:14
Сообщений: 27
Откуда: Киев
Рейтинг сообщения: 0
катушка L1 - насколько я вижу - это не контур,это просто экранированная катушка...
просто не могу понять к какому типу металоискателей отнести - с одной катушкой,или прием-передача...
элементы указаны на схеме - я не это имел ввиду.имел ввиду какие кондеры (эл.лит,пленка,бумажные на дай бог :) ),какие резисторы(проволочные,полупроводниковые).


Вернуться наверх
 
Не в сети
 Заголовок сообщения: Re: Металоискатель
СообщениеДобавлено: Пт май 07, 2010 00:33:45 
Модератор
Аватар пользователя

Карма: 158
Рейтинг сообщений: 1600
Зарегистрирован: Пт апр 28, 2006 15:26:07
Сообщений: 11940
Откуда: Россия.
Рейтинг сообщения: 0
Медали: 2
Мявтор 3-й степени (1) Лучший человек Форума 2017 (1)
detektor писал(а):
просто не могу понять к какому типу металоискателей отнести
На биениях.


Вернуться наверх
 
Не в сети
 Заголовок сообщения: Re: Металоискатель
СообщениеДобавлено: Пт май 07, 2010 10:46:06 
Первый раз сказал Мяу!

Зарегистрирован: Ср май 05, 2010 16:43:14
Сообщений: 27
Откуда: Киев
Рейтинг сообщения: 0
aen
Почему на биениях?


Вернуться наверх
 
Не в сети
 Заголовок сообщения: Re: Металоискатель
СообщениеДобавлено: Пт май 07, 2010 11:10:22 
Модератор
Аватар пользователя

Карма: 162
Рейтинг сообщений: 2432
Зарегистрирован: Пн июл 07, 2008 10:46:09
Сообщений: 10736
Откуда: Россия
Рейтинг сообщения: 0
detektor писал(а):
Почему на биениях?

Здесь имеется два генератора. Частоты обоих генераторов попадают в резонансный усилитель и смешиваются. Разность частот, то есть биения, выделяются и воспроизводятся динамиком. При настройке частоты обоих генераторов устанавливаются одинаковыми и звука нет. При поднесении катушки рамки верхнего генератора к металлическому предмету он растраивается и разность частот (биения) мы слышим.

_________________
Если хотите, чтобы жизнь улыбалась вам, подарите ей своё хорошее настроение


Вернуться наверх
 
Не в сети
 Заголовок сообщения: Re: Металоискатель
СообщениеДобавлено: Сб май 08, 2010 10:02:00 
Первый раз сказал Мяу!

Зарегистрирован: Ср май 05, 2010 16:43:14
Сообщений: 27
Откуда: Киев
Рейтинг сообщения: 0
Света
спасибо большое!
тоесть елемент подписанный как Тф1 - это выходной трансформатор на динамик?
а что за элемент Ш1 ???


Вернуться наверх
 
Не в сети
 Заголовок сообщения: Re: Металоискатель
СообщениеДобавлено: Сб май 08, 2010 10:14:46 
Опытный кот
Аватар пользователя

Зарегистрирован: Сб дек 19, 2009 14:51:11
Сообщений: 802
Откуда: Нашенский
Рейтинг сообщения: 0
Ш1 - штекер :)) а Тф1 - телефон, то бишь высокоомный (порядка 1к) динамик-наушник.

_________________
In der großen Familie nicht kluven klatz-klatz!


Вернуться наверх
 
Не в сети
 Заголовок сообщения: Re: Металоискатель
СообщениеДобавлено: Сб май 08, 2010 13:07:15 
Первый раз сказал Мяу!

Зарегистрирован: Ср май 05, 2010 16:43:14
Сообщений: 27
Откуда: Киев
Рейтинг сообщения: 0
detektor писал(а):
катушка L1 - насколько я вижу - это не контур,это просто экранированная катушка...

так я прав на счет этой катушки?
катушка L2 - эт вроде с сердечником.
а L3 - подстроечная.
так?

Eprinter
спасибо!
а то я думал что трансформатор кактой-то.

а В1 - эт что?
вроде на ключ похоже...но почему тогда "В1" ?

нада учить элементную базу ((( :(


Вернуться наверх
 
Не в сети
 Заголовок сообщения: Re: Металоискатель
СообщениеДобавлено: Сб май 08, 2010 13:33:28 
Модератор
Аватар пользователя

Карма: 162
Рейтинг сообщений: 2432
Зарегистрирован: Пн июл 07, 2008 10:46:09
Сообщений: 10736
Откуда: Россия
Рейтинг сообщения: 0
Это старые обозначения элементов, со временем Вы их освоите, если будете старые схемы изучать. Сейчас обозначения по ГОСТ2.710-81 ЕСКД. Обозначения буквенно-цифровые в электрических схемах

_________________
Если хотите, чтобы жизнь улыбалась вам, подарите ей своё хорошее настроение


Вернуться наверх
 
Не в сети
 Заголовок сообщения: Re: Металоискатель
СообщениеДобавлено: Сб май 08, 2010 14:52:03 
Модератор
Аватар пользователя

Карма: 162
Рейтинг сообщений: 2432
Зарегистрирован: Пн июл 07, 2008 10:46:09
Сообщений: 10736
Откуда: Россия
Рейтинг сообщения: 0
Наверное написано "Блок поиска".
Судя по ёмкостям, частоты генераторов около 0,5 МГц, поэтому катушки следует расчитывать приблизительно на эту частоту. Вообще-то к этой схеме должно быть описание, в котором должны быть указаны конструкции катушек, тем более поисковой.

_________________
Если хотите, чтобы жизнь улыбалась вам, подарите ей своё хорошее настроение


Вернуться наверх
 
Не в сети
 Заголовок сообщения: Re: Металоискатель
СообщениеДобавлено: Сб май 08, 2010 16:08:44 
Модератор
Аватар пользователя

Карма: 162
Рейтинг сообщений: 2432
Зарегистрирован: Пн июл 07, 2008 10:46:09
Сообщений: 10736
Откуда: Россия
Рейтинг сообщения: 0
Нашла в книге Адаменко М.В. - Металлоискатели (2006) описание и название этого металлоискателя и уже по названию нашла кучу ссылок в интернете. В описании всё написано.
http://resistor.at.ua/publ/metalloiskat ... /16-1-0-23
http://driversportal.ru/na_tranzistorax ... -mi-2.html

_________________
Если хотите, чтобы жизнь улыбалась вам, подарите ей своё хорошее настроение


Вернуться наверх
 
Не в сети
 Заголовок сообщения: Re: металоискатели для дома
СообщениеДобавлено: Ср май 26, 2010 09:33:39 
Грызет канифоль
Аватар пользователя

Зарегистрирован: Пт апр 09, 2010 21:16:30
Сообщений: 270
Откуда: Barnaul
Рейтинг сообщения: 0
На вот, выбирай какой душе угодно...

1) Простой чувствительный металлоискатель на полевом транзисторе на 9В - http://radiogid.ucoz.ru/publ/skhemy/ehlektronika_v_bytu/prostoj_chuvstvitelnyj_metalloiskatel_na_polevom_tranzistore_na_9v/6-1-0-743
2) Чуткий металлоискатель на принципе биения (с печатной платой) http://radiogid.ucoz.ru/publ/skhemy/ehlektronika_v_bytu/chutkij_metalloiskatel_na_principe_bienija_s_pechatnoj_platoj/6-1-0-740
3) Металлоискатель по принципу "передача-прием" http://radiogid.ucoz.ru/publ/skhemy/ehlektronika_v_bytu/metalloiskatel_po_principu_quot_peredacha_priem_quot/6-1-0-561
4) Электронный металлоискатель на 3-х транзисторах 2N2924 на 9В [url]Электронный металлоискатель на 3-х транзисторах 2N2924 на 9В[/url]
5) Металлоискатель на биениях http://radiogid.ucoz.ru/publ/skhemy/ehlektronika_v_bytu/metalloiskatel_na_bienijakh/6-1-0-562
6) Однокатушечный индукционный металлоискатель (с печатной платой) http://radiogid.ucoz.ru/publ/skhemy/ehlektronika_v_bytu/odnokatushechnyj_indukcionnyj_metalloiskatel_s_pechatnoj_platoj/6-1-0-563
7) Чувствительный металлоискатель своими руками http://radiogid.ucoz.ru/publ/skhemy/ehlektronika_v_bytu/chuvstvitelnyj_metalloiskatel_svoimi_rukami/6-1-0-745
8 - ) Простой металлоискатель на одной К155ЛА3 http://radiogid.ucoz.ru/publ/skhemy/ehlektronika_v_bytu/prostoj_metalloiskatel_na_odnoj_k155la3/6-1-0-744
9) Металлоискатель на одной микросхеме К176ЛП2 с питанием 9В http://radiogid.ucoz.ru/publ/skhemy/ehlektronika_v_bytu/metalloiskatel_na_odnoj_mikroskheme_k176lp2_s_pitaniem_9v/6-1-0-741
10) Металлоискатель из доступных элементов http://radiogid.ucoz.ru/publ/skhemy/ehlektronika_v_bytu/metalloiskatel_iz_dostupnykh_ehlementov/6-1-0-428
11) Чувствительный металлоискатель http://radiogid.ucoz.ru/publ/skhemy/ehlektronika_v_bytu/chuvstvitelnyj_metalloiskatel/6-1-0-485
12) Простой металлоискатель "Houndog" (с печатной платой) http://radiogid.ucoz.ru/publ/skhemy/ehlektronika_v_bytu/prostoj_metalloiskatel_quot_houndog_quot_s_pechatnoj_platoj/6-1-0-785


Вернуться наверх
 
Не в сети
 Заголовок сообщения: Re: металоискатели для дома
СообщениеДобавлено: Ср май 26, 2010 18:07:27 
Родился

Зарегистрирован: Ср янв 06, 2010 17:13:18
Сообщений: 3
Рейтинг сообщения: 0
ето конешно хорошо ,но не один из перечислених не обладает такой чуствительностю и глубиной обнаружения как clone pi-w


Вернуться наверх
 
Не в сети
 Заголовок сообщения: Re: металоискатели для дома
СообщениеДобавлено: Ср май 26, 2010 20:13:30 
Грызет канифоль
Аватар пользователя

Зарегистрирован: Пт апр 09, 2010 21:16:30
Сообщений: 270
Откуда: Barnaul
Рейтинг сообщения: 0
Ну конечно, этот-то clone pi-w месяц собирать, да еще же и программатор надо для контроллера. Вот, можешь этот глянуть, тож с контроллером: http://radiogid.ucoz.ru/publ/skhemy/ehl ... /6-1-0-747


Вернуться наверх
 
Не в сети
 Заголовок сообщения: Re: металоискатели для дома
СообщениеДобавлено: Ср май 26, 2010 22:23:02 
Потрогал лапой паяльник

Зарегистрирован: Вт май 04, 2010 12:10:55
Сообщений: 347
Откуда: Беларусь. Минская область
Рейтинг сообщения: 0
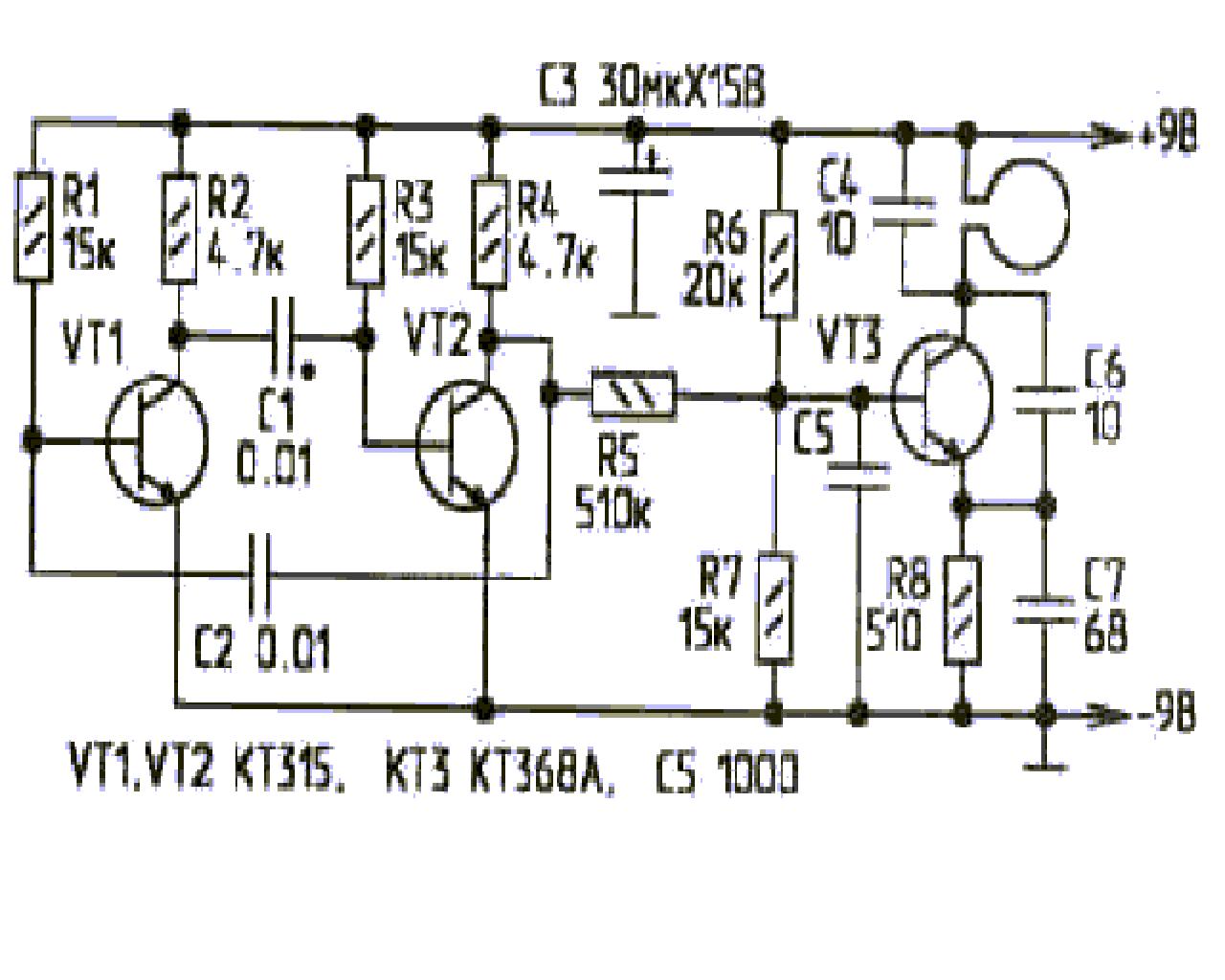
подскажите пожалста какие нужны элементы для этого искателя
Вложение:
Комментарий к файлу: металоискательная схема
Безымянный22.JPG [129.9 KiB]
Скачиваний: 1206


Вернуться наверх
 
Не в сети
 Заголовок сообщения: Re: металоискатели для дома
СообщениеДобавлено: Ср май 26, 2010 22:29:53 
Грызет канифоль
Аватар пользователя

Зарегистрирован: Пт апр 09, 2010 21:16:30
Сообщений: 270
Откуда: Barnaul
Рейтинг сообщения: 0
Все номиналы и наименования на этой схеме обозначены. Какие тебе еще нужны элементы? :shock:


Вернуться наверх
 
Не в сети
 Заголовок сообщения: Re: металоискатели для дома
СообщениеДобавлено: Ср май 26, 2010 22:37:56 
Родился

Зарегистрирован: Ср янв 06, 2010 17:13:18
Сообщений: 3
Рейтинг сообщения: 0
вся проблема не в програматоре, можна сделать самий простой
например
http://forum.cxem.net/index.php?showtop ... clone&st=0
там нормальний програматор и описания к програмированию
єсли єсть все детали то делать не болше одного дня


Вернуться наверх
 
Показать сообщения за:  Сортировать по:  Вернуться наверх
Начать новую тему Ответить на тему  [ Сообщений: 299 ]  1, , , , ...  

Часовой пояс: UTC + 3 часа


Кто сейчас на форуме

Сейчас этот форум просматривают: igorka и гости: 44


Вы не можете начинать темы
Вы не можете отвечать на сообщения
Вы не можете редактировать свои сообщения
Вы не можете удалять свои сообщения
Вы не можете добавлять вложения

Найти:
Перейти:  


Powered by phpBB © 2000, 2002, 2005, 2007 phpBB Group
Русская поддержка phpBB
Extended by Karma MOD © 2007—2012 m157y
Extended by Topic Tags MOD © 2012 m157y