Например TDA7294

Форум РадиоКот • Просмотр темы - Мелкие вопросы по УНЧ.
Форум РадиоКот
Здесь можно немножко помяукать :)

Текущее время: Вс мар 01, 2026 02:42:33

Часовой пояс: UTC + 3 часа


ПРЯМО СЕЙЧАС:



Начать новую тему Ответить на тему  [ Сообщений: 13560 ]     ... , , , 322, , , ...  
Автор Сообщение
 Заголовок сообщения: Re: Мелкие вопросы по УНЧ.
СообщениеДобавлено: Ср июл 04, 2018 20:32:38 
Встал на лапы
Аватар пользователя

Карма: -5
Рейтинг сообщений: -7
Зарегистрирован: Пн апр 25, 2016 17:33:19
Сообщений: 114
Рейтинг сообщения: 0
сорри , может глупый вопрос , но выводы КТ973 дарлингтон звонятся как к примеру КТ361 ?


Вернуться наверх
 
 Заголовок сообщения: Re: Мелкие вопросы по УНЧ.
СообщениеДобавлено: Ср июл 04, 2018 21:02:42 
Друг Кота
Аватар пользователя

Карма: 127
Рейтинг сообщений: 6124
Зарегистрирован: Вс дек 25, 2011 18:43:00
Сообщений: 24323
Откуда: г.Москва
Рейтинг сообщения: 0
..неа, там же диод во внутрях ишшо..


Вернуться наверх
 
 Заголовок сообщения: Re: Мелкие вопросы по УНЧ.
СообщениеДобавлено: Ср июл 04, 2018 21:06:05 
Друг Кота
Аватар пользователя

Карма: 146
Рейтинг сообщений: 5965
Зарегистрирован: Чт авг 09, 2012 01:09:39
Сообщений: 6643
Откуда: Ливны
Рейтинг сообщения: 0
ActRazer писал(а):
КТ973 дарлингтон звонятся как к примеру КТ361 ?
Нет, они звонятся по-своему, причём такая прозвонка не позволяет судить о исправности. Проверить можно таким способом. :roll:

UPD:

Опередили. :)

_________________
Большой опыт, порой, не даёт находить/видеть нам простые и очевидные решения. :(
Всегда с уважением, Александр.


Вернуться наверх
 
 Заголовок сообщения: Re: Мелкие вопросы по УНЧ.
СообщениеДобавлено: Ср июл 04, 2018 22:01:56 
Родился

Зарегистрирован: Ср июл 04, 2018 21:40:47
Сообщений: 1
Рейтинг сообщения: 0
Добрый день! Попытался собрать LM386 в мостовом включении :idea: Прошу прощения за кривизну схемы. Так вот проблема такая. Усилитель заработал, но на выходе есть существенная постоянка. При этом даже с постоянкой играл довольно громко по ощущениям около 1 вт (так и должно быть примерно, по даташиту 1 мс может выдавать 1 вт при 3% КНИ)... Потом микросхемы разогрелись сильно (наверное от постоянки на динамике) и звук стал хрипеть. Прошу советов о том, как можно запустить эту микросхему в мостовом режиме :music:
СпойлерИзображение

P.S. питание от 12 в аккумулятора, входящий звук без постоянки.


Вложения:
lm386.pdf [1.26 MiB]
Скачиваний: 264


Последний раз редактировалось aen Ср июл 04, 2018 22:31:40, всего редактировалось 1 раз.
Исправил. Нарушение Правил форума п. 2.6
Вернуться наверх
 
Эиком - электронные компоненты и радиодетали
 Заголовок сообщения: Re: Мелкие вопросы по УНЧ.
СообщениеДобавлено: Ср июл 04, 2018 22:23:45 
Друг Кота
Аватар пользователя

Карма: 127
Рейтинг сообщений: 11154
Зарегистрирован: Ср янв 08, 2014 04:21:09
Сообщений: 32325
Откуда: Москва
Рейтинг сообщения: 0
korob писал(а):
:))) :idea:


Вернуться наверх
 
 Заголовок сообщения: Re: Мелкие вопросы по УНЧ.
СообщениеДобавлено: Ср июл 04, 2018 22:37:33 
Друг Кота
Аватар пользователя

Карма: 146
Рейтинг сообщений: 5965
Зарегистрирован: Чт авг 09, 2012 01:09:39
Сообщений: 6643
Откуда: Ливны
Рейтинг сообщения: 0
Кроме смеха, пользуюсь таким методом уже порядка 20-ти лет. :)) :solder: Отбраковывает транзисторы которые обычным методом прозваниваются нормально, но в реальной обстановке например переход К-Э не открывается. :wink:

_________________
Большой опыт, порой, не даёт находить/видеть нам простые и очевидные решения. :(
Всегда с уважением, Александр.


Вернуться наверх
 
 Заголовок сообщения: Re: Мелкие вопросы по УНЧ.
СообщениеДобавлено: Ср июл 04, 2018 23:44:40 
Друг Кота
Аватар пользователя

Карма: 127
Рейтинг сообщений: 11154
Зарегистрирован: Ср янв 08, 2014 04:21:09
Сообщений: 32325
Откуда: Москва
Рейтинг сообщения: 0
Да в общем я тоже так частенько проверяю, но предпочитаю использовать для этого резистор. Кстати это тоже не панацея, подгорейвший мощный транзистор может вести себя вполне прилично на малых токах и без нагрева.


Вернуться наверх
 
 Заголовок сообщения: Re: Мелкие вопросы по УНЧ.
СообщениеДобавлено: Чт июл 05, 2018 08:53:19 
Вымогатель припоя

Карма: -3
Рейтинг сообщений: -90
Зарегистрирован: Пн ноя 26, 2012 10:00:20
Сообщений: 574
Рейтинг сообщения: 0
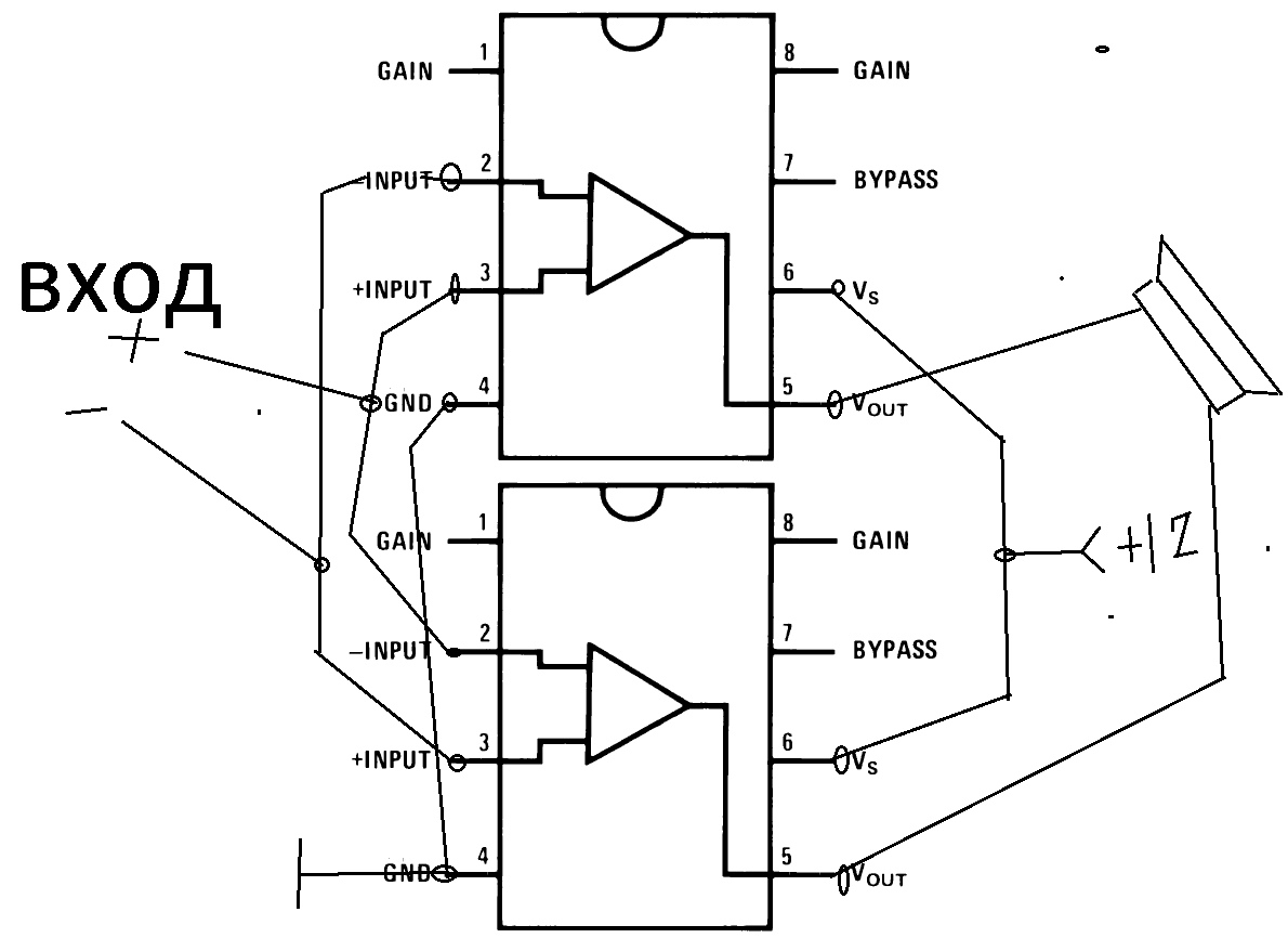
в мостовом включении :idea: Прошу прощения за кривизну схемы.
ОУ по природе своей рожденные усилителями постоянки с десятками тыщь Ку и всего пол вольта - вольт разброса при таком извращении над входными дафференциалами? Крутотень несуссветная.

А вот тебе картинок как это делается.
Изображение
Изображение
Изображение


Вернуться наверх
 
 Заголовок сообщения: Re: Мелкие вопросы по УНЧ.
СообщениеДобавлено: Пт июл 13, 2018 18:14:09 
Первый раз сказал Мяу!

Зарегистрирован: Вс июн 17, 2018 18:42:54
Сообщений: 26
Рейтинг сообщения: 0
парини вопрос исчезло изображение на телевизоре вистел что может быть звук есть !


Вернуться наверх
 
 Заголовок сообщения: Re: Мелкие вопросы по УНЧ.
СообщениеДобавлено: Пт июл 13, 2018 18:30:23 
Друг Кота
Аватар пользователя

Карма: 175
Рейтинг сообщений: 7680
Зарегистрирован: Чт апр 04, 2013 12:46:59
Сообщений: 17234
Откуда: Тюмень
Рейтинг сообщения: 0
Набор слов вижу. Вопрос-то в чём?

_________________
Общением на форуме подпитываю свою эгоистичную, склонную к самолюбованию сущность.


Вернуться наверх
 
 Заголовок сообщения: Re: Мелкие вопросы по УНЧ.
СообщениеДобавлено: Пт июл 13, 2018 18:38:49 
Друг Кота
Аватар пользователя

Карма: 127
Рейтинг сообщений: 11154
Зарегистрирован: Ср янв 08, 2014 04:21:09
Сообщений: 32325
Откуда: Москва
Рейтинг сообщения: 0
morfei писал(а):
что может быть звук есть !
Телевизор сломался, нужно вызвать мастера. :))

ЗЫ: Тракт приема звука и УНЧ исправны. :))


Вернуться наверх
 
 Заголовок сообщения: Re: Мелкие вопросы по УНЧ.
СообщениеДобавлено: Пт июл 13, 2018 20:45:45 
Первый раз сказал Мяу!

Зарегистрирован: Вс июн 17, 2018 18:42:54
Сообщений: 26
Рейтинг сообщения: 0
ребят не смешно !

Добавлено after 44 seconds:
или это не по теме ? если да то скажите где это можно обсуждать ?


Вернуться наверх
 
 Заголовок сообщения: Re: Мелкие вопросы по УНЧ.
СообщениеДобавлено: Пт июл 13, 2018 20:49:22 
Друг Кота
Аватар пользователя

Карма: 182
Рейтинг сообщений: 8343
Зарегистрирован: Пт фев 04, 2011 17:57:51
Сообщений: 20120
Откуда: Рыбинск
Рейтинг сообщения: 0
Медали: 1
Лучший человек Форума 2017 (1)
morfei писал(а):
где это можно обсуждать ?
Здесь


Вернуться наверх
 
 Заголовок сообщения: Re: Мелкие вопросы по УНЧ.
СообщениеДобавлено: Пт июл 13, 2018 20:58:11 
Друг Кота
Аватар пользователя

Карма: 25
Рейтинг сообщений: 601
Зарегистрирован: Чт окт 24, 2013 13:57:53
Сообщений: 3793
Откуда: Пермский край
Рейтинг сообщения: 0
Спойлер
в мостовом включении :idea: Прошу прощения за кривизну схемы.
ОУ по природе своей рожденные усилителями постоянки с десятками тыщь Ку и всего пол вольта - вольт разброса при таком извращении над входными дафференциалами? Крутотень несуссветная.

А вот тебе картинок как это делается.
Изображение
Изображение
Изображение

Эксплуатировал такой усилитель (мостовой) пару лет. Не понравился. Постоянно уходил в защиту итд. Выкинул.
Собрал УМЗЧ на 1557Q. 4 года полёт нормальный. ИМХО на 2004 или 2001 это так, для мелких поделок.

_________________
Большинство задач решаются удивительно просто - надо взять и сделать


Вернуться наверх
 
 Заголовок сообщения: Re: Мелкие вопросы по УНЧ.
СообщениеДобавлено: Сб июл 14, 2018 19:44:12 
Первый раз сказал Мяу!

Зарегистрирован: Вс июн 17, 2018 18:42:54
Сообщений: 26
Рейтинг сообщения: 0
я с сопротивлением не понял тоесть его убрать и преобразователь будет на хх ,шотки впайвать нужно с отключенными перемычками ?

Выпаять сопротивление, впаять диоды, отпаять перемычки, если это выходные перемычки преобразователя.

впаял я сопротивление на 2 килоома оно грееться горячее становиться и трансы не так как сопротивление немножко потеплее но при этом лампочка красная то загориться то нет что дальше делать ? что это означает весь этот нагрев ?


Вернуться наверх
 
 Заголовок сообщения: Re: Мелкие вопросы по УНЧ.
СообщениеДобавлено: Вт июл 17, 2018 20:56:11 
Открыл глаза
Аватар пользователя

Карма: 1
Рейтинг сообщений: 1
Зарегистрирован: Пт ноя 03, 2017 16:54:24
Сообщений: 51
Откуда: Беларусь
Рейтинг сообщения: 0
Доброго времени суток)
Хочу собрать усилитель для колонок, ватт 10-15 "честной" мощности, планирую использовать TDA2030 и немного пониженное напряжение питания (приблизительно 14 вольт), одно или двухполярное - пока не определился (как получится с трансформатором так и будет :))) ). Вопрос такой, а что если использовать мостовое включение микросхем для увеличения выходной мощности? Как это скажется на качестве воспроизведения? Или лучше посмотреть в сторону более мощной TDA2040 для этих целей?


Вернуться наверх
 
 Заголовок сообщения: Re: Мелкие вопросы по УНЧ.
СообщениеДобавлено: Вт июл 17, 2018 21:59:58 
Открыл глаза
Аватар пользователя

Карма: 4
Рейтинг сообщений: 2
Зарегистрирован: Ср фев 11, 2015 23:08:43
Сообщений: 74
Откуда: Украина, Полтава
Рейтинг сообщения: 0
Всем канифоли товарищи. Возникла необходимость в микрофоне и желание его сделать самому. Но легких путей не ищем, потому микрофон будет ламповый. Схема:
Изображение
Смущает одна вещь: можно ли это будет безопасно подсоединить к компьютеру, или нужно будет что-то городить?

_________________
Удача - это миф.


Вернуться наверх
 
 Заголовок сообщения: Re: Мелкие вопросы по УНЧ.
СообщениеДобавлено: Вт июл 17, 2018 22:02:49 
Друг Кота
Аватар пользователя

Карма: 127
Рейтинг сообщений: 11154
Зарегистрирован: Ср янв 08, 2014 04:21:09
Сообщений: 32325
Откуда: Москва
Рейтинг сообщения: 0
Miksanatik писал(а):
одно или двухполярное - пока не определился
Определись питание или 14В или 28В, максимальная мощность изменится примерно в 4 раза.

Miksanatik писал(а):
а что если использовать мостовое включение микросхем для увеличения выходной мощности?
Мостовое включение увеличит мощность в 4 раза, искажения тоже увеличатся.

С точки зрения используемой МС вопрос простой - она это выдержит или нет, смотри даташиты сам.

Добавлено after 2 minutes 27 seconds:
ottodik писал(а):
можно ли это будет безопасно подсоединить к компьютеру
вторичную обмотку трансформатора можно, компьютеру это ничем не грозит.


Вернуться наверх
 
 Заголовок сообщения: Re: Мелкие вопросы по УНЧ.
СообщениеДобавлено: Вт июл 17, 2018 22:59:24 
Открыл глаза
Аватар пользователя

Карма: 1
Рейтинг сообщений: 1
Зарегистрирован: Пт ноя 03, 2017 16:54:24
Сообщений: 51
Откуда: Беларусь
Рейтинг сообщения: 0
С точки зрения используемой МС вопрос простой - она это выдержит или нет, смотри даташиты сам.


Не совсем понял фразу.

Мостовое включение увеличит мощность в 4 раза, искажения тоже увеличатся.


Ну не в 4, а примерно в 2. Даже меньше чуть. В даташите к 2030A есть схема (даже вроде с печатной платой!), написано, что 34 ватт. Но это не суть важно. Искажения увеличатся в столько же раз, во сколько и мощность?

PS. Я бы рад бы сам все это узнать, но измерить мне нечем - осцилла нету, а в Гугле ничего не нашёл по этому поводу


Вернуться наверх
 
 Заголовок сообщения: Re: Мелкие вопросы по УНЧ.
СообщениеДобавлено: Ср июл 18, 2018 05:44:59 
Друг Кота
Аватар пользователя

Карма: 127
Рейтинг сообщений: 11154
Зарегистрирован: Ср янв 08, 2014 04:21:09
Сообщений: 32325
Откуда: Москва
Рейтинг сообщения: 0
Miksanatik писал(а):
Ну не в 4, а примерно в 2.
Для танкистов повторно - удвоение питания увеличивает максимальную мощность в 4 раза, применение мостового включения увеличивает максимальную мощность в 4 раза. Выдержат или нет эту мощность использованные в схеме радиолампы :wink: , транзисторы или микросхемы надо смотреть в даташитах на них. Что не понятно?


Вернуться наверх
 
Показать сообщения за:  Сортировать по:  Вернуться наверх
Начать новую тему Ответить на тему  [ Сообщений: 13560 ]     ... , , , 322, , , ...  

Часовой пояс: UTC + 3 часа


Вы не можете начинать темы
Вы не можете отвечать на сообщения
Вы не можете редактировать свои сообщения
Вы не можете удалять свои сообщения
Вы не можете добавлять вложения

Найти:
Перейти:  


Powered by phpBB © 2000, 2002, 2005, 2007 phpBB Group
Русская поддержка phpBB
Extended by Karma MOD © 2007—2012 m157y
Extended by Topic Tags MOD © 2012 m157y