Например TDA7294

Форум РадиоКот • Просмотр темы - Ламповый усилитель начального уровня
Форум РадиоКот
Здесь можно немножко помяукать :)

Текущее время: Сб фев 14, 2026 00:08:02

Часовой пояс: UTC + 3 часа


ПРЯМО СЕЙЧАС:



Начать новую тему Ответить на тему  [ Сообщений: 7869 ]     ... , , , 392, ,  
Автор Сообщение
Не в сети
 Заголовок сообщения: Re: Ламповый усилитель начального уровня
СообщениеДобавлено: Сб июл 19, 2025 17:18:31 
Опытный кот
Аватар пользователя

Карма: 2
Рейтинг сообщений: 68
Зарегистрирован: Пн июн 27, 2016 12:13:46
Сообщений: 791
Рейтинг сообщения: 0
ибуки,
ну и для кого Вы тут?
ну я немного уже дяденька, у которого напильники, дрели и прочее были в детских игрушках
и сейчас не возьмусь мотать трансформаторов


Вернуться наверх
 
Не в сети
 Заголовок сообщения: Re: Ламповый усилитель начального уровня
СообщениеДобавлено: Сб июл 19, 2025 17:49:44 
Друг Кота

Карма: 35
Рейтинг сообщений: 570
Зарегистрирован: Вт дек 10, 2013 19:13:10
Сообщений: 3268
Рейтинг сообщения: 3
зря это совсем не сложно,даже интересно,сам процесс затягивает,попробуйте,носок связать в разы труднее)))
самое сложное в построении лампового усилителя это корпус,для меня,может кому то по другому


Вернуться наверх
 
Не в сети
 Заголовок сообщения: Re: Ламповый усилитель начального уровня
СообщениеДобавлено: Чт июл 24, 2025 08:05:11 
Опытный кот
Аватар пользователя

Карма: 2
Рейтинг сообщений: 68
Зарегистрирован: Пн июн 27, 2016 12:13:46
Сообщений: 791
Рейтинг сообщения: 0
ибуки,
я уже в 30+ взял в руки паяльник, что бы не фонарик спаять, а что-то по интереснее
и меня ни кто ни когда всему этому не учил и в радиокружок в детстве ходить не получилось

Добавлено after 5 minutes:
профессия инженерная, но даже не про электрику, и тем более не про электронику


Вернуться наверх
 
Не в сети
 Заголовок сообщения: Re: Ламповый усилитель начального уровня
СообщениеДобавлено: Сб июл 26, 2025 07:25:39 
Опытный кот
Аватар пользователя

Карма: 2
Рейтинг сообщений: 68
Зарегистрирован: Пн июн 27, 2016 12:13:46
Сообщений: 791
Рейтинг сообщения: 0
Доброго времени суток!
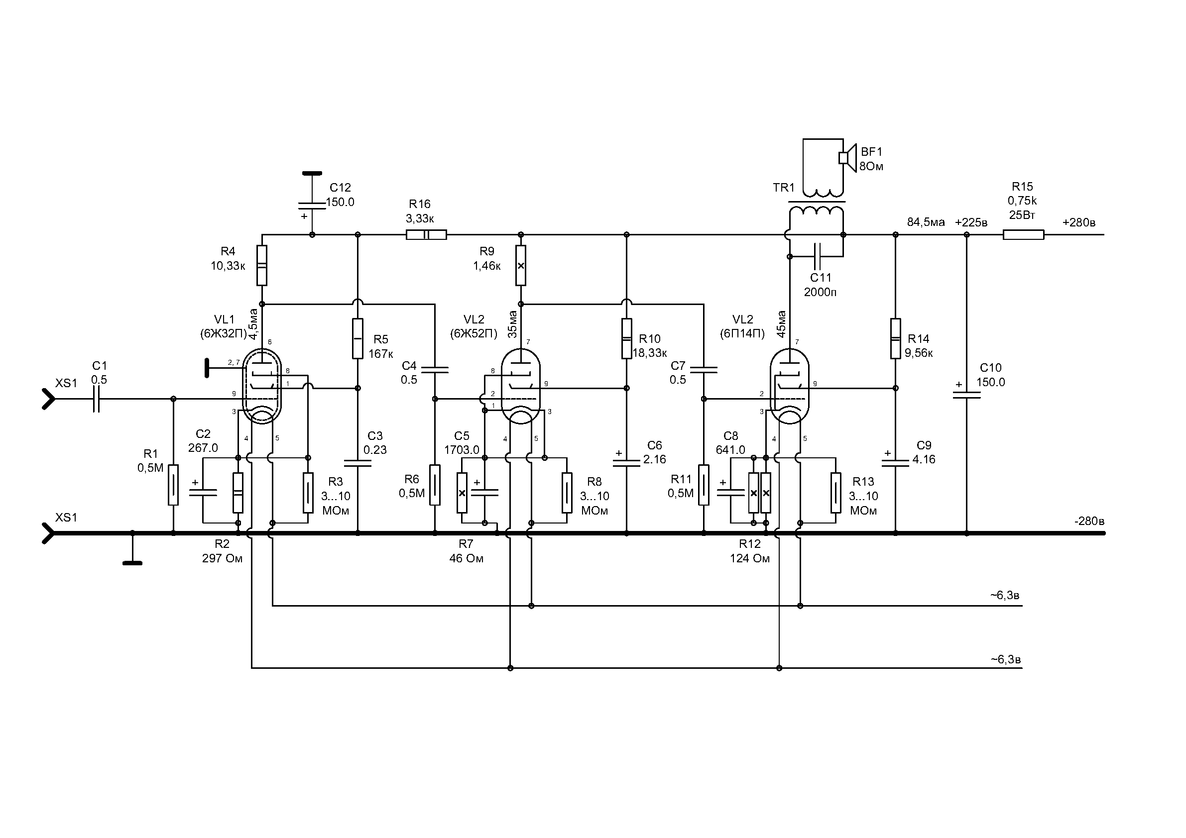
я такими высоковольтными штуками занимаюсь впервые
схема работала и сейчас чуть работает
у меня катодный минус оторвался от общего провода и по нему попрыгал
все детали показывают номиналы, питание есть
чуть совсем играет, но как на детекторном приемнике.
сейчас шипит, реагирует на железки на входе, кручение входного потенциометра
на входе сигнал намерил 3,9мВ
играет, но очень тихо, хотя раньше орал.
замыканий не вижу, лампы - есть запасной комплект, менял.

Добавлено after 1 minute 30 seconds:
все резисторы почти по расчету, емкости немного поболее

Добавлено after 3 minutes 40 seconds:
поскольку питание раздельное, то если отключить анод-катод, а накал оставить - чуть пободрее играет


Вложения:
Схема - рисунок 1.pdf [100.27 KiB]
Скачиваний: 117
Вернуться наверх
 
Эиком - электронные компоненты и радиодетали
Не в сети
 Заголовок сообщения: Re: Ламповый усилитель начального уровня
СообщениеДобавлено: Сб июл 26, 2025 07:33:22 
Друг Кота
Аватар пользователя

Карма: 107
Рейтинг сообщений: 3835
Зарегистрирован: Пн фев 09, 2009 22:19:49
Сообщений: 24982
Откуда: Когда-то был прекрасный город для людей
Рейтинг сообщения: 0
А зачем обычный рисунок упаковывать дополнительно в архаичный pdf ?

Ну да это ладно, а вот как расшифровать:
Цитата:
у меня катодный минус оторвался от общего провода и по нему попрыгал
?

И ещё - номиналы поменял, это хорошо, но лучше было бы померить напряжения и дать карту напряжений.


Последний раз редактировалось Муркиз Сб июл 26, 2025 07:40:18, всего редактировалось 1 раз.

Вернуться наверх
 
Не в сети
 Заголовок сообщения: Re: Ламповый усилитель начального уровня
СообщениеДобавлено: Сб июл 26, 2025 07:37:53 
Опытный кот
Аватар пользователя

Карма: 2
Рейтинг сообщений: 68
Зарегистрирован: Пн июн 27, 2016 12:13:46
Сообщений: 791
Рейтинг сообщения: 0
Муркиз,
потому, что я черчу в автокаде, и в PDF с хорошим качеством выходит


Вернуться наверх
 
Не в сети
 Заголовок сообщения: Re: Ламповый усилитель начального уровня
СообщениеДобавлено: Сб июл 26, 2025 07:42:02 
Друг Кота
Аватар пользователя

Карма: 107
Рейтинг сообщений: 3835
Зарегистрирован: Пн фев 09, 2009 22:19:49
Сообщений: 24982
Откуда: Когда-то был прекрасный город для людей
Рейтинг сообщения: 0
Ну так и jpeg тоже с хорошим качеством экспортирует.


Вернуться наверх
 
Не в сети
 Заголовок сообщения: Re: Ламповый усилитель начального уровня
СообщениеДобавлено: Сб июл 26, 2025 10:52:59 
Опытный кот
Аватар пользователя

Карма: 2
Рейтинг сообщений: 68
Зарегистрирован: Пн июн 27, 2016 12:13:46
Сообщений: 791
Рейтинг сообщения: 0
я в Автокаде более 20 лет работаю - в jpeg хуже

Добавлено after 38 seconds:
как выглядит карта напряжений?

Добавлено after 55 minutes 18 seconds:
схема картинкой
png

Добавлено after 1 hour 42 minutes 14 seconds:
при пониженном питании 175В анодного
заиграл, но тиховато


Вложения:
Схема - рисунок 1.png [38.46 KiB]
Скачиваний: 134
Вернуться наверх
 
Не в сети
 Заголовок сообщения: Re: Ламповый усилитель начального уровня
СообщениеДобавлено: Сб июл 26, 2025 11:07:29 
Модератор
Аватар пользователя

Карма: 159
Рейтинг сообщений: 4079
Зарегистрирован: Пт янв 23, 2009 19:20:05
Сообщений: 45622
Рейтинг сообщения: 4
Медали: 1
Получил миской по аватаре (1)
А зачем такой максимализм? Завышенная ёмкость межкаскадных конденсаторов, низкоомная нагрузка у первых двух ламп... Нужна ли тут полоса в единицы мегагерц (и время установления режима порядка минуты...)?
(а при разумном выборе элементов - для предвариловки хватит половинки 6Н2П, которая, кстати, и уровень искажений имеет меньше, чем эти два пентода... :)) )


Вернуться наверх
 
Не в сети
 Заголовок сообщения: Re: Ламповый усилитель начального уровня
СообщениеДобавлено: Сб июл 26, 2025 11:26:23 
Опытный кот
Аватар пользователя

Карма: 2
Рейтинг сообщений: 68
Зарегистрирован: Пн июн 27, 2016 12:13:46
Сообщений: 791
Рейтинг сообщения: 0
As,
максимализм от неопытности - это так всегда бывает, я такими штуками только занялся
сейчас запустил от 175 В анодного, играет, слышно но не сильно громко

Добавлено after 3 minutes 12 seconds:
"разумном выборе элементов"
ну я по своему разумению подбирал, что знал


Вернуться наверх
 
Не в сети
 Заголовок сообщения: Re: Ламповый усилитель начального уровня
СообщениеДобавлено: Сб июл 26, 2025 17:02:16 
Модератор
Аватар пользователя

Карма: 159
Рейтинг сообщений: 4079
Зарегистрирован: Пт янв 23, 2009 19:20:05
Сообщений: 45622
Рейтинг сообщения: 0
Медали: 1
Получил миской по аватаре (1)
4 ватта при искажениях порядка 2-3%% - максимум, что можно ожидать от этой схемы...


Вернуться наверх
 
Не в сети
 Заголовок сообщения: Re: Ламповый усилитель начального уровня
СообщениеДобавлено: Сб июл 26, 2025 17:23:17 
Опытный кот
Аватар пользователя

Карма: 2
Рейтинг сообщений: 68
Зарегистрирован: Пн июн 27, 2016 12:13:46
Сообщений: 791
Рейтинг сообщения: 0
может чего по наладке схемы подскажите?
работала оглушительно, потом не знаю чего случилось


Вернуться наверх
 
Не в сети
 Заголовок сообщения: Re: Ламповый усилитель начального уровня
СообщениеДобавлено: Сб июл 26, 2025 17:37:20 
Модератор
Аватар пользователя

Карма: 159
Рейтинг сообщений: 4079
Зарегистрирован: Пт янв 23, 2009 19:20:05
Сообщений: 45622
Рейтинг сообщения: 0
Медали: 1
Получил миской по аватаре (1)
...Проверить режим выходной лампы, если по постоянке всё в норме, а звук тихий и искаженный - проверять трансформатор и С11, их очень легко пробить, подав сигнал на усилитель с отключенной нагрузкой...


Вернуться наверх
 
Не в сети
 Заголовок сообщения: Re: Ламповый усилитель начального уровня
СообщениеДобавлено: Сб июл 26, 2025 18:15:23 
Опытный кот
Аватар пользователя

Карма: 2
Рейтинг сообщений: 68
Зарегистрирован: Пн июн 27, 2016 12:13:46
Сообщений: 791
Рейтинг сообщения: 0
спасибо!
С11 стоит керамика на 15кВ, но можно просто убрать. проверю
по постоянке низковат ток, но приемлемо
ну как я уже писал - звук идет, с пробитым трансом не шел бы, да и менял на другой - толку нет
звук не искаженный, хорошо звучит, но фоновый белый шум присутствует

Добавлено after 45 seconds:
с отключенной нагрузкой не включал


Вернуться наверх
 
Не в сети
 Заголовок сообщения: Re: Ламповый усилитель начального уровня
СообщениеДобавлено: Сб июл 26, 2025 19:53:21 
Друг Кота
Аватар пользователя

Карма: 107
Рейтинг сообщений: 3835
Зарегистрирован: Пн фев 09, 2009 22:19:49
Сообщений: 24982
Откуда: Когда-то был прекрасный город для людей
Рейтинг сообщения: 0
Если есть радиотрансляционная сеть - включи первичку выходного трансформатора с динамиком в нее для проверки.


Вернуться наверх
 
Не в сети
 Заголовок сообщения: Re: Ламповый усилитель начального уровня
СообщениеДобавлено: Сб июл 26, 2025 22:50:29 
Модератор
Аватар пользователя

Карма: 159
Рейтинг сообщений: 4079
Зарегистрирован: Пт янв 23, 2009 19:20:05
Сообщений: 45622
Рейтинг сообщения: 0
Медали: 1
Получил миской по аватаре (1)
Можно попробовать подать сигнал с выхода ЗК компьютера прямо на сетку выходной лампы, около ватта такое включение должно дать... (ну не понимаю я, зачем к примитивному выходу на 6П14П нужен пред на "странных" для этого применения лампах, да ещё с таким запасом по полосе и усилению... Чем классическая 6Н2П не устроила?!)


Вернуться наверх
 
Не в сети
 Заголовок сообщения: Re: Ламповый усилитель начального уровня
СообщениеДобавлено: Вс июл 27, 2025 05:56:29 
Опытный кот
Аватар пользователя

Карма: 2
Рейтинг сообщений: 68
Зарегистрирован: Пн июн 27, 2016 12:13:46
Сообщений: 791
Рейтинг сообщения: 0
Муркиз,
радиотрансляционной сети нет, есть другой усилитель, как он работает меня устраивае
As,
спасибо за вариант эксперимента, буду пробовать
1 каскад - очень малошумящий НЧ пентод маломощный для предусилителей
2 каскад - относительно мощный малошумящий НЧ пентод
3 каскад - классический выходной НЧ пентод
ну я такое в даташитах в интернете прочитал

Добавлено after 1 hour 30 minutes 43 seconds:
есть особенность - пока усилитель хорошо работал, возможно уже начинал что попало показывать старый мультиметр и я точно не знаю какие были токи и напряжения


Вернуться наверх
 
Не в сети
 Заголовок сообщения: Re: Ламповый усилитель начального уровня
СообщениеДобавлено: Пн июл 28, 2025 13:18:40 
Опытный кот
Аватар пользователя

Карма: 2
Рейтинг сообщений: 68
Зарегистрирован: Пн июн 27, 2016 12:13:46
Сообщений: 791
Рейтинг сообщения: 0
по общему наблюдению так:
- когда напряжение анода 170В, работает, но токи маловаты
- когда 220...230В, перестает играть, только шумит

Добавлено after 1 minute 29 seconds:
трансформатор есть на что заменить, детали в схеме на выходных все промерил - соответствуют номиналам
и в питании


Вернуться наверх
 
Не в сети
 Заголовок сообщения: Re: Ламповый усилитель начального уровня
СообщениеДобавлено: Пн июл 28, 2025 16:49:43 
Модератор
Аватар пользователя

Карма: 159
Рейтинг сообщений: 4079
Зарегистрирован: Пт янв 23, 2009 19:20:05
Сообщений: 45622
Рейтинг сообщения: 0
Медали: 1
Получил миской по аватаре (1)
Так измерьте режимы всех ламп, хотя бы ток катода по падению напряжения на катодных резисторах... Лучше бы напряжение на всех электродах, но 830 мультик тут не подойдет... :)


Вернуться наверх
 
Не в сети
 Заголовок сообщения: Re: Ламповый усилитель начального уровня
СообщениеДобавлено: Сб авг 23, 2025 20:20:49 
Прорезались зубы

Зарегистрирован: Пт дек 18, 2009 23:17:35
Сообщений: 219
Откуда: Санкт-Петербург
Рейтинг сообщения: 0
Stierlitz,
1. Поставьте себе программу моделирования схем, Microcap-12, например. Это вообще "маст хэв". Он халявный, и вполне актуальный, хотя его и снято с поддержки давно. Для него существуют библиотеки радиоламп на просторах инфернетщины, легко гуглятся. Или ворованый Proteus- он еще умеет делать симуляция микроконтроллеров с вашими прошивками, чего Микрокап не умеет. Или еще что-нибудь этакое... И вот прежде чем что-то паять- в подобной программе можно посмотреть как оно работает и где возможные косяки.
2. Вам надо найти "слабое звено" в вашей схеме. Вынимаете две первых лампы и подаете сигнал прямо на сетку 6п14п. И слушаете. Если звук не появился, а только шипит- значит проблема в этом каскаде. Ищите что сдохло, или меняйте режим. Если звук появился- вставляете VL2 и повторяете процедуру. И так пока до входа не дойдете.
Схема ужасная, простите за откровенность... :(


Вернуться наверх
 
Показать сообщения за:  Сортировать по:  Вернуться наверх
Начать новую тему Ответить на тему  [ Сообщений: 7869 ]     ... , , , 392, ,  

Часовой пояс: UTC + 3 часа


Кто сейчас на форуме

Сейчас этот форум просматривают: нет зарегистрированных пользователей и гости: 40


Вы не можете начинать темы
Вы не можете отвечать на сообщения
Вы не можете редактировать свои сообщения
Вы не можете удалять свои сообщения
Вы не можете добавлять вложения

Найти:
Перейти:  


Powered by phpBB © 2000, 2002, 2005, 2007 phpBB Group
Русская поддержка phpBB
Extended by Karma MOD © 2007—2012 m157y
Extended by Topic Tags MOD © 2012 m157y