Например TDA7294

Форум РадиоКот • Просмотр темы - Генератор выводит из строя блок CDI КТМ EXC 200 2T 2002
Форум РадиоКот
Здесь можно немножко помяукать :)

Текущее время: Пт фев 20, 2026 01:44:28

Часовой пояс: UTC + 3 часа


ПРЯМО СЕЙЧАС:



Начать новую тему Ответить на тему  [ Сообщений: 9 ] 
Автор Сообщение
Не в сети
 Заголовок сообщения: Генератор выводит из строя блок CDI КТМ EXC 200 2T 2002
СообщениеДобавлено: Вс май 26, 2024 15:12:01 
Родился

Зарегистрирован: Вс май 26, 2024 14:39:30
Сообщений: 4
Рейтинг сообщения: 0
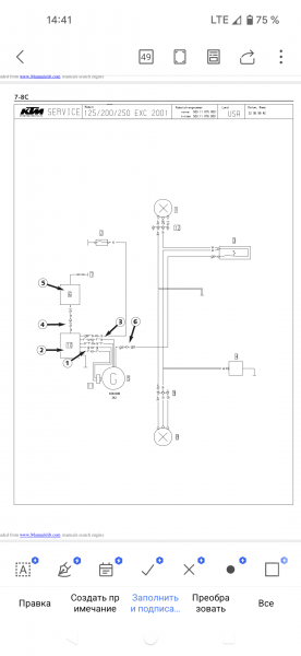
Всем привет! У меня KTM EXC 200 2т 2002 года выпуска. Внезапно перестал заводиться. Я перепробовал все возможное. В итоге я взял у друга его мотоцикл, точно такой же KTM EXC 200, который прекрасно запускается и на 100% рабочий, и переставил блок CDI на свой мотоцикл с его мотоцикла, в результате мой мотоцикл завелся с первого раза. ударил, но через мгновение заглох, и я больше не мог его запустить. Затем я поставил блок cdi обратно на велосипед друга, и теперь он тоже не заводится. Оказывается, мой ГЕНЕРАТОР каким-то образом повредил/сломал два блока cdi. Как это вообще возможно? Могло ли такое случиться и если да, то чем это вызвано? Спасибо большое всем за ответы!
Изображение


Последний раз редактировалось oleg2236 Вс май 26, 2024 19:47:41, всего редактировалось 1 раз.

Вернуться наверх
 
Не в сети
 Заголовок сообщения: Re: Генератор выводит из строя блок CDI КТМ EXC 200 2T 2002
СообщениеДобавлено: Вс май 26, 2024 18:00:10 
Друг Кота

Карма: 67
Рейтинг сообщений: 1964
Зарегистрирован: Сб дек 18, 2021 19:25:32
Сообщений: 12867
Рейтинг сообщения: 0
Ну, наверное, выпрямитель или реле-регулятор генератора, или оба сразу (а может, они там вместе в одной коробочке), вышли из строя. И теперь большим ( и возможно, переменным) напряжением выводят из строя всё остальное.


Вернуться наверх
 
Не в сети
 Заголовок сообщения: Re: Генератор выводит из строя блок CDI КТМ EXC 200 2T 2002
СообщениеДобавлено: Вс май 26, 2024 19:15:00 
Родился

Зарегистрирован: Вс май 26, 2024 14:39:30
Сообщений: 4
Рейтинг сообщения: 0
Спасибо за ответ! Если не ошибаюсь, регулятор напряжения никак не участвует в работе блока cdi и в образовании искры. Он нужен только для ближнего света фар и зарядки аккумулятора, если таковой имеется (у меня его нет и быть не должно). Из статора идёт три пары проводов, первая - импульсный датчик, они идут на коммутатор, вторая пара тоже идёт на блок cdi с двух катушек, которые, я так понимаю отвечают за искрообразование. А третья пара, с остальных шести катушек, как раз идёт на реле регулятор, конденсатор и идёт на фару и обратно на коммутатор не возвращаются. Из блока cdi выходит только два провода, один - масса, второй на катушку - всё. Поправьте меня, если я ошибаюсь. Катушку зажигания я также исключаю, так как свою катушку зажигания я устанавливал на другой мотоцикл и она с ним работала, значения сопротивлений обмоток статора находятся в пределах значений, указанных в руководстве по эксплуатации и ремонту...


Вернуться наверх
 
Не в сети
 Заголовок сообщения: Re: Генератор выводит из строя блок CDI КТМ EXC 200 2T 2002
СообщениеДобавлено: Вс май 26, 2024 20:05:19 
Друг Кота

Карма: 67
Рейтинг сообщений: 1964
Зарегистрирован: Сб дек 18, 2021 19:25:32
Сообщений: 12867
Рейтинг сообщения: 0
Да, такая простая схема популярна. Тогда, возможно, замыкание в проводке где-то. Может, пробой между катушками в генераторе... Можно быстренько собрать коммутатор а-ля КЭТ-1А для экспериментов, подкинуть его на генератор и катушку зажигания


Вернуться наверх
 
Эиком - электронные компоненты и радиодетали
Не в сети
 Заголовок сообщения: Re: Генератор выводит из строя блок CDI КТМ EXC 200 2T 2002
СообщениеДобавлено: Вс май 26, 2024 21:23:27 
Родился

Зарегистрирован: Вс май 26, 2024 14:39:30
Сообщений: 4
Рейтинг сообщения: 0
Да, такая простая схема популярна. Тогда, возможно, замыкание в проводке где-то. Может, пробой между катушками в генераторе... Можно быстренько собрать коммутатор а-ля КЭТ-1А для экспериментов, подкинуть его на генератор и катушку зажигания

Спасибо! Сейчас снял генератор и ещё раз проверил, что мог, вроде как катушки, которые на свет звонятся на массу, если я правильно понимаю этого быть не должно. А катушка, которая высоковольтная имеет сопротивление 11 Ом, что тоже ненормально. Вообщем последний вопрос, указанные неисправности генератора могли вывести из строя коммутатор? Коммутатор восстановить никак нельзя?


Вернуться наверх
 
Не в сети
 Заголовок сообщения: Re: Генератор выводит из строя блок CDI КТМ EXC 200 2T 2002
СообщениеДобавлено: Вс май 26, 2024 21:51:55 
Друг Кота
Аватар пользователя

Карма: 107
Рейтинг сообщений: 3835
Зарегистрирован: Пн фев 09, 2009 22:19:49
Сообщений: 25069
Откуда: Когда-то был прекрасный город для людей
Рейтинг сообщения: 0
Надо проверить РР первым делом. Хоть и обмотки на генераторе независимы, РР там используется шунтирующего типа, и он так же ограничивает и напряжение на обмотке зажигания.
Так же это может произойти при отсутствии или умирающем аккумуляторе. Причем при неисправном рр аккумулятор быстро умирает.
А если у вас стоят светодиодная фара и лампочки, то это может пройти незамеченным.

Но так же коммутатор может выйти из строя при межвитковом замыкании в бобине. Редко, но это случается.
Или провод от коммутатора к бобине коротит на корпус - тоже возможно.

Есть и такой вариант - на провод глушения двигателя попало 12В, постоянки или переменки. Это если замок зажигания разваливаться начал, к примеру.

Восстановить коммутатор можно, но вряд ли имеет смысл - суддя по схеме, там простенький коммутатор используется, и его можно заменить на кучу других - надо только разъемы переделать.


Вернуться наверх
 
Не в сети
 Заголовок сообщения: Re: Генератор выводит из строя блок CDI КТМ EXC 200 2T 2002
СообщениеДобавлено: Вс май 26, 2024 22:53:22 
Родился

Зарегистрирован: Вс май 26, 2024 14:39:30
Сообщений: 4
Рейтинг сообщения: 0
Спасибо! А какие комутаторы (навскидку) могут заменить оригинальный?


Вернуться наверх
 
Не в сети
 Заголовок сообщения: Re: Генератор выводит из строя блок CDI КТМ EXC 200 2T 2002
СообщениеДобавлено: Вс май 26, 2024 23:21:12 
Друг Кота
Аватар пользователя

Карма: 107
Рейтинг сообщений: 3835
Зарегистрирован: Пн фев 09, 2009 22:19:49
Сообщений: 25069
Откуда: Когда-то был прекрасный город для людей
Рейтинг сообщения: 0
Навскидку сказать не могу, просто не знаю, что сейчас в продаже есть.

Но тут есть одна западня. Похоже, стр здесь стоит совмещённый РР/CDI вариант - тогда нужно ставить ещё впридачу и реле-регулятор. Это тоже не проблема, но тут надо знать мощность генератора. Скорее всего, он в пределах 80 Вт, и тогда можно приспособить любой для Ямахи, Хонды для скутеров.

От них можно и cdi взять - но AC 2t конечно.


Вернуться наверх
 
Не в сети
 Заголовок сообщения: Re: Генератор выводит из строя блок CDI КТМ EXC 200 2T 2002
СообщениеДобавлено: Сб янв 17, 2026 16:16:56 
Родился

Зарегистрирован: Вс янв 04, 2026 12:24:49
Сообщений: 2
Рейтинг сообщения: 0
Как у Вас решился вопрос? А на этой модели мощностной клапан на выпуске управляется центробежным регулятором или электросервоприводом? Это же 2т мотор?


Вернуться наверх
 
Показать сообщения за:  Сортировать по:  Вернуться наверх
Начать новую тему Ответить на тему  [ Сообщений: 9 ] 

Часовой пояс: UTC + 3 часа


Кто сейчас на форуме

Сейчас этот форум просматривают: нет зарегистрированных пользователей и гости: 35


Вы не можете начинать темы
Вы не можете отвечать на сообщения
Вы не можете редактировать свои сообщения
Вы не можете удалять свои сообщения
Вы не можете добавлять вложения

Найти:
Перейти:  


Powered by phpBB © 2000, 2002, 2005, 2007 phpBB Group
Русская поддержка phpBB
Extended by Karma MOD © 2007—2012 m157y
Extended by Topic Tags MOD © 2012 m157y