Например TDA7294

Форум РадиоКот • Просмотр темы - ATmega8
Форум РадиоКот
Здесь можно немножко помяукать :)

Текущее время: Чт мар 05, 2026 15:51:00

Часовой пояс: UTC + 3 часа


ПРЯМО СЕЙЧАС:



Начать новую тему Ответить на тему  [ Сообщений: 16 ] 
Автор Сообщение
 Заголовок сообщения: ATmega8
СообщениеДобавлено: Вт ноя 05, 2024 14:28:34 
Родился

Зарегистрирован: Сб апр 29, 2023 16:59:16
Сообщений: 18
Рейтинг сообщения: -3
Всем доброго дня. Нашёл схему в инете на ATmega8 (кухонный таймер). Подскажите плиз как подключать кнопки для управления.


Вложения:
Кухонный таймер на ATMega8.pdf [777.28 KiB]
Скачиваний: 83
Вернуться наверх
 
 Заголовок сообщения: Re: ATmega8
СообщениеДобавлено: Вт ноя 05, 2024 14:41:38 
Друг Кота

Карма: 67
Рейтинг сообщений: 1964
Зарегистрирован: Сб дек 18, 2021 19:25:32
Сообщений: 12867
Рейтинг сообщения: 1
Что за новое извращение, присылать пдф страницы сайта, вместо ссылки?
Почему бы не спросить там?
Почему бы не прочитать там текст, где сказано, куда подключать?
Почему бы не сопоставить количество линий разъёма с количеством кнопок на корпусе и не посмотреть, куда они идут?
Почему бы не использовать русское слово "пожалуйста", вместо уёбского "плиз"?


Последний раз редактировалось Martian Вт ноя 05, 2024 14:43:30, всего редактировалось 1 раз.

Вернуться наверх
 
 Заголовок сообщения: Re: ATmega8
СообщениеДобавлено: Вт ноя 05, 2024 14:45:47 
Друг Кота

Карма: 1
Рейтинг сообщений: 91
Зарегистрирован: Вт мар 13, 2012 12:16:13
Сообщений: 8994
Откуда: .ru
Рейтинг сообщения: 1
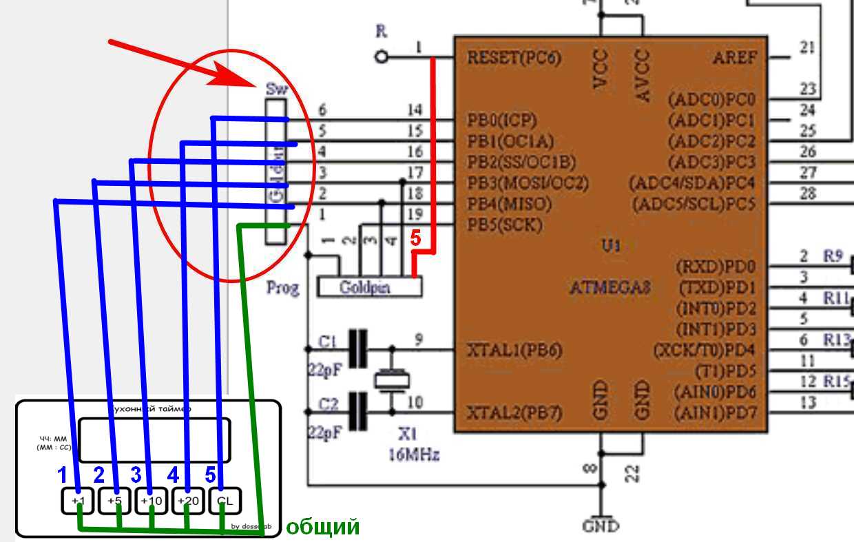
ACTPOHOM--150 писал(а):
ак подключать кнопки для управления.

там же написано... SW... от слова switch (пер. переключатель).
Вложение:
Screenshot_1.jpg [54.38 KiB]
Скачиваний: 59

:tea:

Добавлено after 2 minutes 38 seconds:
а ниже написано prog (пер. программатор).
только там забыли дорисовать один проводок на RESET.
в программаторе должно быть 5 проводков... иначе ничего программировать не будет))
Вложение:
Screenshot_1.jpg [55.72 KiB]
Скачиваний: 67

:tea:


Вернуться наверх
 
 Заголовок сообщения: Re: ATmega8
СообщениеДобавлено: Вт ноя 05, 2024 14:51:08 
Родился

Зарегистрирован: Сб апр 29, 2023 16:59:16
Сообщений: 18
Рейтинг сообщения: 0
https://cxem.net/house/1-346.php
Извините за такую безграмотность. Куда подключить понятно. Не понятно как. ПОЖАЛУЙСТА :)
Интересны кнопки.

Добавлено after 2 minutes 51 second:
Проводок на RESET выведен отдельно.


Вложения:
Лицевая панель.tif [105.39 KiB]
Скачиваний: 52
Вернуться наверх
 
Эиком - электронные компоненты и радиодетали
 Заголовок сообщения: Re: ATmega8
СообщениеДобавлено: Вт ноя 05, 2024 15:01:16 
Друг Кота

Карма: 1
Рейтинг сообщений: 91
Зарегистрирован: Вт мар 13, 2012 12:16:13
Сообщений: 8994
Откуда: .ru
Рейтинг сообщения: 0
на схеме не обозначено))
:roll:

хотя есть исходник...
Вложение:
Исходный код.txt [5.39 KiB]
Скачиваний: 64

:o
нифига не ясно... всё по польски...
поляки писали что ли... :))

ну я бы подключил методом "тыка"... последовательно 1,2,3,4,5,6
:tea:


Вернуться наверх
 
 Заголовок сообщения: Re: ATmega8
СообщениеДобавлено: Вт ноя 05, 2024 15:06:13 
Родился

Зарегистрирован: Сб апр 29, 2023 16:59:16
Сообщений: 18
Рейтинг сообщения: 0
Я в этой теме новенький. Хотел сначала собрать, а потом разбираться. Уже собрал. :)


Вернуться наверх
 
 Заголовок сообщения: Re: ATmega8
СообщениеДобавлено: Вт ноя 05, 2024 15:18:08 
Друг Кота

Карма: 1
Рейтинг сообщений: 91
Зарегистрирован: Вт мар 13, 2012 12:16:13
Сообщений: 8994
Откуда: .ru
Рейтинг сообщения: 0
я бы так подключил...
Вложение:
Screenshot_1.jpg [79.24 KiB]
Скачиваний: 70

так будет логично))
:tea:

если поляки думали логично... когда писали всё это... то они бы сделали так же))
:))


Вернуться наверх
 
 Заголовок сообщения: Re: ATmega8
СообщениеДобавлено: Вт ноя 05, 2024 15:32:24 
Родился

Зарегистрирован: Сб апр 29, 2023 16:59:16
Сообщений: 18
Рейтинг сообщения: 0
Спасибо. Буду пробовать. :)

Добавлено after 9 minutes 29 seconds:
Закройте тему пожалуйста.


Вернуться наверх
 
 Заголовок сообщения: Re: ATmega8
СообщениеДобавлено: Вт ноя 05, 2024 15:47:37 
Друг Кота

Карма: 1
Рейтинг сообщений: 91
Зарегистрирован: Вт мар 13, 2012 12:16:13
Сообщений: 8994
Откуда: .ru
Рейтинг сообщения: 0
тут дворецкого нет...
Вложение:
)).jpg [40.4 KiB]
Скачиваний: 74

кто открывал... тот и закрывает))


Вернуться наверх
 
 Заголовок сообщения: Re: ATmega8
СообщениеДобавлено: Вт ноя 05, 2024 16:08:11 
Друг Кота
Аватар пользователя

Карма: 59
Рейтинг сообщений: 1576
Зарегистрирован: Вт окт 22, 2013 04:37:23
Сообщений: 3454
Откуда: Казань
Рейтинг сообщения: 0
Только где эта заветная кнопка "закрыть тему"? Нет её. Если тему кто-то и может на Коте закрыть, то это только админы. Хотя я вообще что-то не припомню закрытых тут тем - не исключено, что движок Кота этого просто не умеет.

_________________
Платы для HLDI - установки лазерной засветки фоторезиста.
Фоторезист Ordyl Alpha 350
Жидкое олово для лужения плат (видео) - самое лучшее и только у меня.
Паяльные маски XV501T-4 и KSM-S6189 (5 цветов).
Заказ печатных плат - pcbsmac@gmail.com


Вернуться наверх
 
 Заголовок сообщения: Re: ATmega8
СообщениеДобавлено: Вт ноя 05, 2024 16:19:19 
Модератор
Аватар пользователя

Карма: 153
Рейтинг сообщений: 2941
Зарегистрирован: Сб авг 14, 2010 15:05:51
Сообщений: 18990
Откуда: г. Озерск, Челябинская обл.
Рейтинг сообщения: 0
Медали: 1
Лучший человек Форума 2017 (1)
если хорошо попросит, то я могу не только закрыть, но и вообще удалить за никому ненадобностью такой темы.

_________________
Мудрость приходит вместе с импотенцией...
Когда на русском форуме переходят на Вы, в реальной жизни начинают бить морду.


Вернуться наверх
 
 Заголовок сообщения: Re: ATmega8
СообщениеДобавлено: Вт ноя 05, 2024 19:15:50 
Это не хвост, это антенна

Карма: 12
Рейтинг сообщений: 133
Зарегистрирован: Вт июн 07, 2011 08:03:18
Сообщений: 1357
Рейтинг сообщения: 0
нифига не ясно... всё по польски...
поляки писали что ли... :))

А переводчик зачем? Или не работает? Хотя польский и так понять можно.


Вернуться наверх
 
 Заголовок сообщения: Re: ATmega8
СообщениеДобавлено: Пт ноя 08, 2024 16:58:06 
Первый раз сказал Мяу!
Аватар пользователя

Зарегистрирован: Чт июн 17, 2010 07:40:31
Сообщений: 23
Откуда: Россия
Рейтинг сообщения: 0
я бы так подключил...
Вложение:
Screenshot_1.jpg

так будет логично))
:))

С точностью до НАОБОРОТ. PB0 = +1, PB1 = +5 и т.д.


Вернуться наверх
 
 Заголовок сообщения: Re: ATmega8
СообщениеДобавлено: Пн ноя 11, 2024 13:46:11 
Родился

Зарегистрирован: Сб апр 29, 2023 16:59:16
Сообщений: 18
Рейтинг сообщения: 0
Спасибо за подсказку. :)


Вернуться наверх
 
 Заголовок сообщения: Re: ATmega8
СообщениеДобавлено: Пн ноя 11, 2024 15:26:23 
Друг Кота

Карма: 1
Рейтинг сообщений: 91
Зарегистрирован: Вт мар 13, 2012 12:16:13
Сообщений: 8994
Откуда: .ru
Рейтинг сообщения: 0
1.
на схеме разъём пронумерован... 1,2,3,4,5,6
1.1
если бы не было нумерации то логично смотреть по выводам МК
PB0 = +1, PB1 = +5 и т.д.
1.2
но выводы пронумерованы... поэтому логично смотреть по выводам разъёма... 1,2,3,4,5,6

автор думал !

хотя я не знаю о чём думал автор))

2.
//ATmega8:
//начальное: RC - 1 МHz: Low E1; Higt D9;
// RC - 8 МHz: Low E4; Higt D9;
// кварц - 8 МHz: Low EF; Higt C9 (CKOPT -on); XTAL2(PB7) - выход-V
// кварц - 8 МHz: Low EF; Higt D9 (CKOPT -off);
// XTAL1 - вход: Low E0; Higt D9

новая ATmega8 с магазина настроена так
Low E1; Higt D9;

в схеме есть кварц... значит должно быть так
Low EF; Higt C9 (CKOPT -on);


Вернуться наверх
 
 Заголовок сообщения: Re: ATmega8
СообщениеДобавлено: Пт ноя 15, 2024 16:37:40 
Первый раз сказал Мяу!
Аватар пользователя

Зарегистрирован: Чт июн 17, 2010 07:40:31
Сообщений: 23
Откуда: Россия
Рейтинг сообщения: 0
Логичнее смотреть по коду в программе.


Вернуться наверх
 
Показать сообщения за:  Сортировать по:  Вернуться наверх
Начать новую тему Ответить на тему  [ Сообщений: 16 ] 

Часовой пояс: UTC + 3 часа


Вы не можете начинать темы
Вы не можете отвечать на сообщения
Вы не можете редактировать свои сообщения
Вы не можете удалять свои сообщения
Вы не можете добавлять вложения

Найти:
Перейти:  


Powered by phpBB © 2000, 2002, 2005, 2007 phpBB Group
Русская поддержка phpBB
Extended by Karma MOD © 2007—2012 m157y
Extended by Topic Tags MOD © 2012 m157y