Например TDA7294

Форум РадиоКот • Просмотр темы - Что за м-схема в плавном пуске?
Форум РадиоКот
Здесь можно немножко помяукать :)

Текущее время: Сб дек 27, 2025 17:28:27

Часовой пояс: UTC + 3 часа


ПРЯМО СЕЙЧАС:



Начать новую тему Ответить на тему  [ Сообщений: 28 ]  1,  
Автор Сообщение
Не в сети
 Заголовок сообщения: Что за м-схема в плавном пуске?
СообщениеДобавлено: Ср апр 09, 2025 11:34:19 
Открыл глаза

Зарегистрирован: Сб мар 06, 2010 12:33:57
Сообщений: 51
Откуда: Беларусь
Рейтинг сообщения: 0
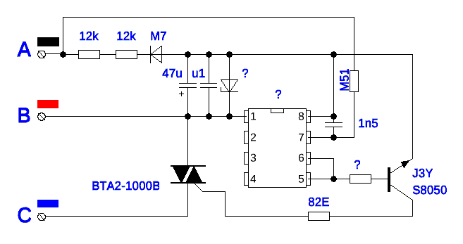
Разобрал плавный пуск, почти удачно, так-как повредил (сломал, залито эпоксидкой всё) пару деталюх.
Восстановил схему. Очень интересует что за микруха применена ?


Вложения:
PLAVN-2.gif [7.19 KiB]
Скачиваний: 187

_________________
ЭЛЕКТРИЧЕСТВО ДО КОНЦА НЕ ИЗУЧЕНО !
Вернуться наверх
 
Не в сети
 Заголовок сообщения: Re: Что за м-схема в плавном пуске?
СообщениеДобавлено: Ср апр 09, 2025 11:47:28 
Нашел транзистор. Понюхал.
Аватар пользователя

Зарегистрирован: Пн сен 23, 2024 07:37:53
Сообщений: 169
Рейтинг сообщения: 0
Какой нибудь ОУ, наверное. Встречаются схемы на LM358...


Вернуться наверх
 
Не в сети
 Заголовок сообщения: Re: Что за м-схема в плавном пуске?
СообщениеДобавлено: Ср апр 09, 2025 11:52:34 
Открыл глаза

Зарегистрирован: Сб мар 06, 2010 12:33:57
Сообщений: 51
Откуда: Беларусь
Рейтинг сообщения: 0
Какой нибудь ОУ, наверное. Встречаются схемы на LM358...

Нет, не катит 358, 5 и 6 ноги вместе, это не ошибка, и это выход...

_________________
ЭЛЕКТРИЧЕСТВО ДО КОНЦА НЕ ИЗУЧЕНО !


Вернуться наверх
 
Не в сети
 Заголовок сообщения: Re: Что за м-схема в плавном пуске?
СообщениеДобавлено: Ср апр 09, 2025 12:35:27 
Друг Кота
Аватар пользователя

Карма: 65
Рейтинг сообщений: 802
Зарегистрирован: Чт апр 19, 2007 16:10:43
Сообщений: 9892
Откуда: г.Москва
Рейтинг сообщения: 0
К1182ПМ1Р

_________________
Правило для российского гражданина: Во всем принимай сторону России, независимо от того, кто Россию возглавляет в данный момент, и какая страна или страны ей противостоят. Руководствуйся мудростью: "Россия, - всё, остальное - ничто!"


Вернуться наверх
 
Эиком - электронные компоненты и радиодетали
Не в сети
 Заголовок сообщения: Re: Что за м-схема в плавном пуске?
СообщениеДобавлено: Ср апр 09, 2025 12:42:09 
Опытный кот

Зарегистрирован: Вс мар 23, 2025 14:56:55
Сообщений: 700
Рейтинг сообщения: 0
Схема, похоже, с ошибками, но и сейчас: усиление порта, вход для детектора нуля и ограниченное стабилитроном питание. Это может быть любой 8-ногий мк или специализированный масочный мк.

Ремонту не подлежит.


Вернуться наверх
 
Не в сети
 Заголовок сообщения: Re: Что за м-схема в плавном пуске?
СообщениеДобавлено: Ср апр 09, 2025 12:53:23 
Открыл глаза

Зарегистрирован: Сб мар 06, 2010 12:33:57
Сообщений: 51
Откуда: Беларусь
Рейтинг сообщения: 0
Схема, похоже, с ошибками,

Уточните где именно ошибка(и) ?

_________________
ЭЛЕКТРИЧЕСТВО ДО КОНЦА НЕ ИЗУЧЕНО !


Вернуться наверх
 
Не в сети
 Заголовок сообщения: Re: Что за м-схема в плавном пуске?
СообщениеДобавлено: Ср апр 09, 2025 14:13:59 
Опытный кот

Зарегистрирован: Вс мар 23, 2025 14:56:55
Сообщений: 700
Рейтинг сообщения: 0
не знаю где, у меня же нет оригинала. И есть сомнения, потому написал "похоже".
Мне показалось странным включение стабилитрона между выводами микросхемы 1 и 8.

Добавлено after 1 minute 39 seconds:
а не, прошу прощения, я ступил. Почудилось. Всё правильно


Вернуться наверх
 
Не в сети
 Заголовок сообщения: Re: Что за м-схема в плавном пуске?
СообщениеДобавлено: Ср апр 09, 2025 14:44:17 
Открыл глаза

Зарегистрирован: Сб мар 06, 2010 12:33:57
Сообщений: 51
Откуда: Беларусь
Рейтинг сообщения: 0
Подал питание как на картинке.
Скопом стал на 5-6 ноги.
Сразу после подачи 5В , пауза 3сек примерно, потом пошли тройки импульсов, амплитуда 5В, если коснуться 7-й ножки пинцетом, начинается хаос, т.е. импульсы на каждую помеху.
Это проц какой-то хитрый.


Вложения:
PLAV-TEST.gif [9.46 KiB]
Скачиваний: 83

_________________
ЭЛЕКТРИЧЕСТВО ДО КОНЦА НЕ ИЗУЧЕНО !
Вернуться наверх
 
Не в сети
 Заголовок сообщения: Re: Что за м-схема в плавном пуске?
СообщениеДобавлено: Ср апр 09, 2025 15:10:21 
Нашел транзистор. Понюхал.

Карма: -8
Рейтинг сообщений: 17
Зарегистрирован: Сб апр 24, 2021 18:42:11
Сообщений: 158
Рейтинг сообщения: 1
Вполне может оказаться PIC12F629/675. 1 и 8 выводы - питание, 7-й вывод - GP0, MCLR настроен как GPIO, поэтому на MCLR(GP3) нет резистора. Настроен на IOC, т.е. примитивный детектор нуля и простое фазовое управление симистором. На этом-же пине заведен вход копаратора/АЦП. У Microchip AppNote есть по управлению силовыми нагрузками через симистор. А может все еще проще и применен PIC12C508/509 или вообще PIC10Fxxx, очень схема похожа. Выводы используются другие, но суть, похоже, та-же. Аппнота во вложении.


Вложения:
40171A PICDIM Lamp Dimmer for the PIC12C508 .PDF [223.63 KiB]
Скачиваний: 63
Вернуться наверх
 
Не в сети
 Заголовок сообщения: Re: Что за м-схема в плавном пуске?
СообщениеДобавлено: Ср апр 09, 2025 15:17:16 
Открыл глаза

Зарегистрирован: Сб мар 06, 2010 12:33:57
Сообщений: 51
Откуда: Беларусь
Рейтинг сообщения: 0
Эх, не нашел во вложении файлик ***.hex (Шутка) Вот бы где взять....

_________________
ЭЛЕКТРИЧЕСТВО ДО КОНЦА НЕ ИЗУЧЕНО !


Вернуться наверх
 
Не в сети
 Заголовок сообщения: Re: Что за м-схема в плавном пуске?
СообщениеДобавлено: Ср апр 09, 2025 15:27:56 
Нашел транзистор. Понюхал.

Карма: -8
Рейтинг сообщений: 17
Зарегистрирован: Сб апр 24, 2021 18:42:11
Сообщений: 158
Рейтинг сообщения: 0
Там исходник крошечный. Под XC8 собрать пару часов с перекурами, тем более выводы другие.


Вернуться наверх
 
Не в сети
 Заголовок сообщения: Re: Что за м-схема в плавном пуске?
СообщениеДобавлено: Пт апр 11, 2025 09:29:30 
Друг Кота
Аватар пользователя

Карма: 4
Рейтинг сообщений: 337
Зарегистрирован: Ср мар 31, 2010 09:33:22
Сообщений: 4771
Откуда: Владивосток
Рейтинг сообщения: 0
Цитата:
Вполне может оказаться PIC12F629/675.

Китайских дешевых аналогов сейчас море на рынке . Например HT66F0021 ( 1 -vcc , 8 -vss )
Стоят почти как обычный шим или оу райл то райл .

_________________
«Когда у общества нет цветовой дифференциации штанов, то нет цели!»

- Позвольте-с вас спросить, почему от вас так отвратительно пахнет?
- Ну, что ж, пахнет... известно. По специальности. Вчера котов душили, душили. (с)


Вернуться наверх
 
Не в сети
 Заголовок сообщения: Re: Что за м-схема в плавном пуске?
СообщениеДобавлено: Вс апр 13, 2025 18:53:15 
Открыл глаза

Зарегистрирован: Сб мар 06, 2010 12:33:57
Сообщений: 51
Откуда: Беларусь
Рейтинг сообщения: 0
Микруху сдул, в программатор - пробовал читать как PIC12C508, читаются 3FFF 3FFF ......... Закрыт проц. И ID даже не вычитывается. Написать прошиву слабо. Наверно тема закрыта.

_________________
ЭЛЕКТРИЧЕСТВО ДО КОНЦА НЕ ИЗУЧЕНО !


Вернуться наверх
 
Не в сети
 Заголовок сообщения: Re: Что за м-схема в плавном пуске?
СообщениеДобавлено: Пн апр 14, 2025 13:09:04 
Друг Кота
Аватар пользователя

Карма: 4
Рейтинг сообщений: 337
Зарегистрирован: Ср мар 31, 2010 09:33:22
Сообщений: 4771
Откуда: Владивосток
Рейтинг сообщения: 0
Цитата:
И ID даже не вычитывается

В закрытых id читается . Значит не такой проц .

_________________
«Когда у общества нет цветовой дифференциации штанов, то нет цели!»

- Позвольте-с вас спросить, почему от вас так отвратительно пахнет?
- Ну, что ж, пахнет... известно. По специальности. Вчера котов душили, душили. (с)


Вернуться наверх
 
Не в сети
 Заголовок сообщения: Re: Что за м-схема в плавном пуске?
СообщениеДобавлено: Пн апр 14, 2025 15:15:08 
Нашел транзистор. Понюхал.

Карма: -8
Рейтинг сообщений: 17
Зарегистрирован: Сб апр 24, 2021 18:42:11
Сообщений: 158
Рейтинг сообщения: 0
...В закрытых id читается...

+1. К тому-же закрытый PIC при считывании выдает 0x0000. Данный чип просто не из серии PIC.


Вернуться наверх
 
Не в сети
 Заголовок сообщения: Re: Что за м-схема в плавном пуске?
СообщениеДобавлено: Пн апр 14, 2025 15:58:00 
Открыл глаза

Зарегистрирован: Сб мар 06, 2010 12:33:57
Сообщений: 51
Откуда: Беларусь
Рейтинг сообщения: -1
Программатор Beeprog проц-в заявлено несколько тысяч разных фирм, все физически не попробую, а накидайте идей плиз - что может быть ? (Я бы Бипрогом пробовал ИД читать, вдруг китайцы забыли закрыть....)

_________________
ЭЛЕКТРИЧЕСТВО ДО КОНЦА НЕ ИЗУЧЕНО !


Вернуться наверх
 
Не в сети
 Заголовок сообщения: Re: Что за м-схема в плавном пуске?
СообщениеДобавлено: Пн апр 14, 2025 16:09:29 
Опытный кот

Зарегистрирован: Вс мар 23, 2025 14:56:55
Сообщений: 700
Рейтинг сообщения: 0
Вы предлагаете среди тысяч микроконтроллеров просмотреть такие корпуса с таким питанием?


Вернуться наверх
 
Не в сети
 Заголовок сообщения: Re: Что за м-схема в плавном пуске?
СообщениеДобавлено: Пн апр 14, 2025 16:47:00 
Открыл глаза

Зарегистрирован: Сб мар 06, 2010 12:33:57
Сообщений: 51
Откуда: Беларусь
Рейтинг сообщения: 0
Вы предлагаете среди тысяч микроконтроллеров просмотреть такие корпуса с таким питанием?

Мммм... , ну может у кого больше опыта, и он знает ЧТО именно любят в Поднебесной ставить в поделки подобные....
Нашел в сети предположение что это может быть FT60F011A-RB (дома попробую читнуть)

_________________
ЭЛЕКТРИЧЕСТВО ДО КОНЦА НЕ ИЗУЧЕНО !


Вернуться наверх
 
Не в сети
 Заголовок сообщения: Re: Что за м-схема в плавном пуске?
СообщениеДобавлено: Вт апр 15, 2025 17:38:39 
Друг Кота
Аватар пользователя

Карма: 4
Рейтинг сообщений: 337
Зарегистрирован: Ср мар 31, 2010 09:33:22
Сообщений: 4771
Откуда: Владивосток
Рейтинг сообщения: 0
Цитата:
это может быть FT60F011A-RB

в нем нет adc .


PY32F002AL15S6TU точно китаец и он продается за 15 р :facepalm: ( Мин. кол-во для заказа 214 шт )

Да можно устать подбирать . Надо искать по производителю "плавного пуска" .

_________________
«Когда у общества нет цветовой дифференциации штанов, то нет цели!»

- Позвольте-с вас спросить, почему от вас так отвратительно пахнет?
- Ну, что ж, пахнет... известно. По специальности. Вчера котов душили, душили. (с)


Вернуться наверх
 
Не в сети
 Заголовок сообщения: Re: Что за м-схема в плавном пуске?
СообщениеДобавлено: Вт апр 15, 2025 17:47:42 
Опытный кот

Зарегистрирован: Вс мар 23, 2025 14:56:55
Сообщений: 700
Рейтинг сообщения: 0
И, опять же, это может быть специализированное решение, так что, даже в каталогах не найдём. Один завод сделал другому, и даже без спецификации. Китайцы же.


Вернуться наверх
 
Показать сообщения за:  Сортировать по:  Вернуться наверх
Начать новую тему Ответить на тему  [ Сообщений: 28 ]  1,  

Часовой пояс: UTC + 3 часа


Кто сейчас на форуме

Сейчас этот форум просматривают: Pjatruha@mail.ru и гости: 8


Вы не можете начинать темы
Вы не можете отвечать на сообщения
Вы не можете редактировать свои сообщения
Вы не можете удалять свои сообщения
Вы не можете добавлять вложения

Найти:
Перейти:  


Powered by phpBB © 2000, 2002, 2005, 2007 phpBB Group
Русская поддержка phpBB
Extended by Karma MOD © 2007—2012 m157y
Extended by Topic Tags MOD © 2012 m157y