Например TDA7294

Форум РадиоКот • Просмотр темы - Ультразвуковая ванна
Форум РадиоКот
Здесь можно немножко помяукать :)

Текущее время: Вт фев 10, 2026 03:46:43

Часовой пояс: UTC + 3 часа


ПРЯМО СЕЙЧАС:



Начать новую тему Ответить на тему  [ Сообщений: 452 ]     ... , , , , 23
Автор Сообщение
Не в сети
 Заголовок сообщения: Re: Ультразвуковая ванна
СообщениеДобавлено: Пн янв 29, 2024 21:15:45 
Первый раз сказал Мяу!
Аватар пользователя

Зарегистрирован: Сб апр 20, 2013 22:56:52
Сообщений: 33
Рейтинг сообщения: 0
...Жолтый фиолетовый красный. Поэтому и неработает у многих.

fius, картинку покрупнее вставьте, ничего не разглядеть там :-(

_________________
О человеке говорят не потоки изрыгаемых слов, а его дела и поступки.


Вернуться наверх
 
Не в сети
 Заголовок сообщения: Re: Ультразвуковая ванна
СообщениеДобавлено: Вт апр 09, 2024 09:41:29 
Потрогал лапой паяльник

Карма: 5
Рейтинг сообщений: 12
Зарегистрирован: Чт апр 02, 2015 17:04:07
Сообщений: 337
Откуда: Тольятти
Рейтинг сообщения: 0
Схема верна с 4 стр вернее разводка. И р7 нужен. Просто там забыли поставить запятые. И р7, р5, р2 4.7 ком.почему так решил. Посмотрите на маркеровку резисторов на еитайских платах. Жолтый фиолетовый красный. Поэтому и неработает у многих.Изображение[/url]

бред.красный и оранжевый цвет рядом у вас оптическая илюзия:))

вернулся к плате которая на странице 4.Долго валялась плата,ждал щуп к ослу на 2кв преодолел жабу и щуп приобретен.оставил только то что на схеме без R7(как писали ранее он здесь лишний),но работает плата не так как должна,у меня изначально неверно намотан дроссель буду перематовать.2кв амплитудного на ланжевене явно пребор.А так плата работает транзисторы и транс холодные, греется ланжевен и дроссель.частота 33кгц хотя ланжевен на 40кгц.если не надоест продолжу,пока запал есть.да многие здесь писали проще купить,я люблю как т.Сухов говорил:"Лучше помучаться".
Изображение
желтый ток, синий напруга на ланжевене.мощность получилась 37ват вместо 60.


Вернуться наверх
 
Не в сети
 Заголовок сообщения: Re: Ультразвуковая ванна
СообщениеДобавлено: Пт май 03, 2024 11:23:24 
Родился

Зарегистрирован: Пт май 03, 2024 11:03:43
Сообщений: 1
Рейтинг сообщения: 0
Добрый день!
Может быть Вы поможете.
Задача такая: есть эмульсия тефлона в парафине, нужно её затолкать в соединение звеньев велосипедной цепи.
Хотел купить https://aliexpress.ru/item/1005004720518254.html такой излучатель, и такой генератор частоты https://aliexpress.ru/item/1005004694704495.html, и просто опускать излучатель в расплавленный парафин, температура порядка 90 градусов.
Вопросы:
1. Будет ли работать излучатель, если его не крепить к корпусу ёмкости, а он будет плавать в жидкости?
2. Смутил один отзыв на генератор: "С плоским круглым излучателем не заработал, ёмкость излучателя 10 nF, наблюдается не сильный нагрев радиаторов, но генерации нет. Прозвонил детали платы - живые, но ёмкость конденсаторов отличается от маркировки на плате. Ланжевен ещё в дороге, как придёт буду пробовать с ним.
Пришел ланжевен - вот с ним плата заработала."
Какой генератор частоты нужен для плоских излучателей? На какой параметр смотреть?


Вернуться наверх
 
Не в сети
 Заголовок сообщения: Re: Ультразвуковая ванна
СообщениеДобавлено: Сб июн 08, 2024 05:44:10 
Родился

Зарегистрирован: Сб июн 08, 2024 05:26:10
Сообщений: 3
Рейтинг сообщения: 0
Доброго времени суток! Есть небольшой вопрос.
Досталась мне по наследству не очень старая, но повидавшая УЗВ, производства Китай конечно. Ёмкость (написано 3, но по факту 2 литра), 2 излучателя ланжевена по 60Вт, итого 120Вт (были когда-то приклеены к днищу, теперь перекручены болтами и приклеены). Три режима работы 28 и 40 кГц + дегазация. Подогрев и таймер.
В какой-то момент заметил, что работает только один излучатель. При визуальном осмотре излучателей и платы ничего не выявил. По отдельности излучатели работают, соединяешь - только один (один и тот же). Транзисторы выпаивал 13009 - живые. Подскажите куда копать?


Вернуться наверх
 
Эиком - электронные компоненты и радиодетали
Не в сети
 Заголовок сообщения: Re: Ультразвуковая ванна
СообщениеДобавлено: Сб июн 08, 2024 08:54:35 
Электрический кот
Аватар пользователя

Карма: 4
Рейтинг сообщений: 48
Зарегистрирован: Вт янв 08, 2013 04:08:16
Сообщений: 1047
Откуда: FAR EAST FOREVER
Рейтинг сообщения: 0
А у ванны нету режима, 50%,100%,? Может в этом причина?

_________________
1.Всегда бывает первый раз.
2.Родился сам, помоги другому


Вернуться наверх
 
Не в сети
 Заголовок сообщения: Re: Ультразвуковая ванна
СообщениеДобавлено: Сб июн 08, 2024 09:09:46 
Друг Кота
Аватар пользователя

Карма: 59
Рейтинг сообщений: 692
Зарегистрирован: Вт сен 25, 2012 23:13:41
Сообщений: 5695
Откуда: г.Дзержинск Нижегородской обл.
Рейтинг сообщения: 0
В какой-то момент заметил, что работает только один излучатель. При визуальном осмотре излучателей и платы ничего не выявил. По отдельности излучатели работают, соединяешь - только один (один и тот же).

В подобного рода девайсах случается только одна проблема - механическое разрушение пьезоэлементов. Глазом его не видно, зато можно увидеть по приборам: изменяется резонансная частота и добротность. Внешне это проявляется по-разному, иногда даже приводит к поломке электроники.
Подскажите куда копать?

В магазин за новой ванной.

_________________
Спасение утопающих дело рук самих утопающих.


Вернуться наверх
 
Не в сети
 Заголовок сообщения: Re: Ультразвуковая ванна
СообщениеДобавлено: Сб июн 08, 2024 09:20:08 
Родился

Зарегистрирован: Сб июн 08, 2024 05:26:10
Сообщений: 3
Рейтинг сообщения: 0
bobr 25 писал(а):
А у ванны нету режима, 50%,100%,? Может в этом причина?

До этого работали оба в двух режимах.
Повторюсь: по отдельности работают как и раньше и фольгу рвут, вместе не хотят (объем ёмкости для одного великоват). И заводится не сразу, как бы с раскачкой. Ощущение, что не хватает мощности, только что эту мощность выдает. Кондёры, магнитопровод, обмотка? Всё демонтировать как-то не очень.


Вернуться наверх
 
Не в сети
 Заголовок сообщения: Re: Ультразвуковая ванна
СообщениеДобавлено: Сб июн 08, 2024 12:57:04 
Друг Кота

Карма: 6
Рейтинг сообщений: 303
Зарегистрирован: Вт авг 26, 2008 14:36:02
Сообщений: 5248
Откуда: москва
Рейтинг сообщения: 0
Начинать надо с перерисовки схемы, рано или поздно это прийдется сделать


Вернуться наверх
 
Не в сети
 Заголовок сообщения: Re: Ультразвуковая ванна
СообщениеДобавлено: Пн сен 30, 2024 19:14:22 
Встал на лапы

Зарегистрирован: Пн авг 15, 2022 12:30:48
Сообщений: 132
Рейтинг сообщения: 0
Коллеги, столкнулся с непонятным для меня эффектом.
Купил УЗ ванну для того что бы мыть платы от флюса. Купил с запасом - 6 литров / 180ватт.
К сожалению мощность ультразвука не регулируется.
Помыл 2 платы.... все офигенно.
НО......
Все германиевые транзисторы ГТ402\404 сдохли в прямом сысле слова - не прозавниваются вообще - такое впечатление, что внутренний обрыв.
МП26 выдержали испытание.

Это нормально или как? Теперь боюсь пользоваться ванной.


Вернуться наверх
 
Не в сети
 Заголовок сообщения: Re: Ультразвуковая ванна
СообщениеДобавлено: Чт окт 23, 2025 13:54:53 
Родился

Зарегистрирован: Чт окт 23, 2025 13:49:55
Сообщений: 1
Рейтинг сообщения: 0
Спойлер
Собрал уз ванну по видео с канала Hamster Time, поделюсь опытом...
СпойлерИзображение


1.Мне попался излучатель который никак не хочет раскачиваться при подключении 12в обмотки (трансформатор от комп бп), ёмкость по китай тестеру 3700пф. Через обмотку 12в больше греются транзисторы, при 5в трансформатор и дроссель перед излучателем. В целом он начинает нормально работать при напряжении от 700 вольт.
2.Самая важная деталь ванны дроссель перед излучателем, чем точнее он будет намотан тем большую мощность удастся снять, без него поймать резонанс почти невозможно (да будет слабая кавитация, но будет жрать 60ватт, а толку как от 10-15). Сигнал на излучателе в отличии указанного на схеме никогда не станет синусоидой, ное чем ближе к ней тем точнее намотан дроссель. Мотал дроссель на зеленом кольце от какого то бп, на желтых или ферритовых для получения нужной индуктивность (4.2mH в моём случае) нужно в разы больше провода намотать, на зеленом буквально 20 витков при диаметре ~35мм проводом 2мм.
3.Удалось снять с одного такого излучателя 100-120ватт, нагрев лонжевена минимальный. Сколько проживет хз... Ванна 3,8 литра (по кромку, рабочий объём 1-2,5 литра).
4.На схеме автор забыл прокинуть землю к части с кренокой...
5.Конденсатор на третьей ноге заменить на 680-1000nF, оптимальный диапазон по подстройке частоты имхо 30-45KHz , в зависимости нагруженности и наполненности ванны. По большу счёту резонанс нужно поймать, не знаю уш как это происходит, мб какая то неестественная "обратная связь" появляется через трансформатор, но когда резонанс найден частота сама удерживается на резонансной. При подключении ланжевена "висящего в воздухе" получаем 420kHz и шумы на затворе полевиков.
6.Самый надежный способ определить попали ли в резонанс "стриммеры" в воде, и только они, всё остальное - бултыхание, впалость-впуклость не то.

И самое главное, никакой эпоксидки... Мб на небольшой ванее и использовании излучателя на 1/3 от возможного (чего и добился автор видео) мб и протянет какое то время, мб нужна слегка пластичная эпоксидка, так или иначе на эпоксидке он у меня проработал 5 минут при 40 ваттах.
ОБЯЗАТЕЛЬНО нужно ПРИПАИВАТЬ твердым серебро-содержащим припоем тот обрезок шпильки, что идет в комплекте, к дну ванны, и потом уже всё на эпоксидку. Искал в Питере пайщика который бы за это взялся... все предлагают ценник 1,5-2к, стоимость горелки под мапп газ + сам газ + припой 3к, в итоге припаял сам. В общем если нет знакомого с газовой сваркой, то к бюджету можно смело прибавлять 500-3000р как повезет.

Питать схему лучше от бп с регулировкой и напряжения и тока, короче от лбп, у бп должно быть ограничение по току что бы удобнее было настраивать, и не боятся оставлять ванну без присмотра (например при смещении очищаемых предметов частота уходит, и ванна можей войти в "агрессивный" режим с разбрызгиванием воды во все стороны и потреблением овер 10 ампер. Как вариант LM317 + 2 транзистора + операционник.
При удачно намотанном дросселе управлять мощностью можно только выходным напряжением, т.к. ванна сама стремиться к рузонансу, и при некоторых условиях невозможно поймать частоту стабильной работы без понижения тока, т.е. ноутбучные бп на 60 ватт не вариант, на 100+ с доработкой подстройки выходного напряжения - мб. Простейший ЛБП - самое то.

ЗЫ: Наушники при нахождении рядом с работающей ванной обязательны! Лучше беруши) Не из предрассудков а по факту, уши начинают болеть через пару минут на 60+ ваттах.

Кто-нибудь собирал по схеме с канала Hamster ? Собрал на полумосте, дроссель намотал 3.2мГн, трансформатора от БП (кстати , по схеме он подключается ВТОРИЧКОЙ к источнику, а первичкой к Ланжевену? ) Резонанс ловлю, но, Ланжевен молчит...что-то. Вообще, как я понимаю, трансформатор используется чтобы напряжения питания Ланжевена не превысить (они в большинстве своем от 12 В питаются )...или я не прав?


Вернуться наверх
 
Не в сети
 Заголовок сообщения: Re: Ультразвуковая ванна
СообщениеДобавлено: Вт ноя 18, 2025 10:57:06 
Прорезались зубы

Зарегистрирован: Ср июн 28, 2017 20:06:43
Сообщений: 229
Рейтинг сообщения: 0
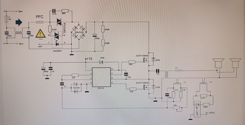
Всем доброго времени суток. Собрал узв станцию на 3х излучателях по 60вт 42кгц, не удается настроить фазовращатель для переключения силовых ключей в нуле тока. Для настройки использую переменный резистор на 8ком. Стартовая частота схемы в районе 34кгц, далее узел захвата подхватывает частоту и загоняет схему в резонанс. На вращение переменника вплоть до значения 1ком реакции нет, далее схема падает с 48кгц (кстати, почему 48 а не 42, я неправильно посчитал резонансный контур или же это зависит от заполненности ванны?) на стартовые 34кгц. В чем может быть причина, имеет ли в данной схеме значение фазировка ТТ?
Изображение Изображение Изображение


Вернуться наверх
 
Не в сети
 Заголовок сообщения: Re: Ультразвуковая ванна
СообщениеДобавлено: Вт фев 10, 2026 00:35:34 
Родился

Зарегистрирован: Ср апр 01, 2015 23:56:07
Сообщений: 3
Рейтинг сообщения: 0
Всем здравствуйте, попалась в руки ванна на 480 ватт, излучатели 60w/8шт., на не наше напряжение, 120в. Задача переделать на нашу сеть.
Ланжевены собраны секциями по 3+3+2шт. при подключении к нашей сети платы на 3 излучателя потребление 280W, частота 31kHz, домотал первичную обмотку, вторичную Т2, схема как на 4 странице, только без R7. потребление стало 190W, частота снизилась до 29kHz.
В ване использованы 3 платы, пилотная и 2 ведомых. Различие в них только в бп электроники и наличии реле включения излучателей и нагревателя, схемотехника одинаковая, номиналы деталей одинаковые не смотря на разное количество излучателей.
Т2 в всех платах оказался с одинаковыми параметрами, первичная обмотка 0.67mH, вторичная 1.17mH. Была возможность сравнить с уз ванной с одним излучателем, но изначально на нашу сеть, первичная обмотка 1.4mH, вторичная 1.2mH. По аналогии решил перемотать транс, первичная 1.4mH, вторичка 1.2mH, но оказалось мало, мощность была около 110w. в пару итераций довел мощность до 190W, индуктивность вышла1.7mH. Провод 0.65мм, мотал тем что был в трансе, пришлось разобрать второй из-за этого. Позже найду провод, перемотаю. Надо еще частоту поднять, на шильдике написано про 40kHz.
Так как секции подключены на разное количество излучателей, стало интересно потребление в зависимости от количества излучателей, мощность меняется пропорционально количеству излучателей, замер проводил с перемотанным трансформатором.

Добавлено after 3 minutes 30 seconds:
Фото не хотят подгружаться.


Вернуться наверх
 
Показать сообщения за:  Сортировать по:  Вернуться наверх
Начать новую тему Ответить на тему  [ Сообщений: 452 ]     ... , , , , 23

Часовой пояс: UTC + 3 часа


Кто сейчас на форуме

Сейчас этот форум просматривают: sniff и гости: 23


Вы не можете начинать темы
Вы не можете отвечать на сообщения
Вы не можете редактировать свои сообщения
Вы не можете удалять свои сообщения
Вы не можете добавлять вложения

Найти:
Перейти:  


Powered by phpBB © 2000, 2002, 2005, 2007 phpBB Group
Русская поддержка phpBB
Extended by Karma MOD © 2007—2012 m157y
Extended by Topic Tags MOD © 2012 m157y