Например TDA7294

Форум РадиоКот • Просмотр темы - Цифровая паяльная станция (от михи-псков)
Форум РадиоКот
Здесь можно немножко помяукать :)

Текущее время: Ср фев 11, 2026 10:09:34

Часовой пояс: UTC + 3 часа


ПРЯМО СЕЙЧАС:



Начать новую тему Ответить на тему  [ Сообщений: 10601 ]    , 2, , , ...  
Автор Сообщение
Не в сети
 Заголовок сообщения:
СообщениеДобавлено: Вт апр 08, 2008 01:12:45 
Потрогал лапой паяльник
Аватар пользователя

Карма: 3
Рейтинг сообщений: 33
Зарегистрирован: Вт янв 22, 2008 23:13:41
Сообщений: 365
Откуда: Калининград
Рейтинг сообщения: 0
Медали: 1
Получил миской по аватаре (1)
Попробавал срисовать в Layout'e, слабовато разрешение. Выкладываю рисунки с большим разрешением, кто будет повторять выставляйте ширину 52 мм. Удачи!


Вложения:
Комментарий к файлу: Платы в формате JPG.
ПаялоJPG.rar [98.25 KiB]
Скачиваний: 7781
Вернуться наверх
 
Не в сети
 Заголовок сообщения:
СообщениеДобавлено: Вс апр 13, 2008 11:58:57 
Открыл глаза

Карма: 2
Рейтинг сообщений: 13
Зарегистрирован: Вт фев 13, 2007 11:55:11
Сообщений: 60
Откуда: екатеринбург
Рейтинг сообщения: 0
barby67 ,а в bmp не выложите? И если не трудно схему по которой вы делали,ну и осмелюсь попросить фото.


Вернуться наверх
 
Не в сети
 Заголовок сообщения:
СообщениеДобавлено: Пн май 05, 2008 01:07:48 
Опытный кот
Аватар пользователя

Карма: 3
Рейтинг сообщений: 3
Зарегистрирован: Вс апр 13, 2008 15:09:58
Сообщений: 871
Откуда: Приднестровье
Рейтинг сообщения: 0
Здравствуйте. Подскажите пожалуйста, здесь точки на индикаторах отображаются или нет? У меня просто есть строенный индикатор, но почему-то без точек, возможно ли его применить в этой П/С ???


P.S. Если кому надо, то могу выложить печатку, размер 55х50мм.(односторонняя). Формат под DipTrace, или в любом графическом формате.


Вернуться наверх
 
Не в сети
 Заголовок сообщения:
СообщениеДобавлено: Пн май 05, 2008 10:09:11 
Прорезались зубы
Аватар пользователя

Карма: 1
Рейтинг сообщений: 17
Зарегистрирован: Ср июл 19, 2006 09:11:25
Сообщений: 222
Откуда: Чернигов
Рейтинг сообщения: 0
Можно применить индикатор и без точек.


Вернуться наверх
 
Эиком - электронные компоненты и радиодетали
Не в сети
 Заголовок сообщения:
СообщениеДобавлено: Пн май 05, 2008 12:29:31 
Опытный кот
Аватар пользователя

Карма: 3
Рейтинг сообщений: 3
Зарегистрирован: Вс апр 13, 2008 15:09:58
Сообщений: 871
Откуда: Приднестровье
Рейтинг сообщения: 0
Ну а зачем тогда выводы точек подключены к плате?


Вернуться наверх
 
Не в сети
 Заголовок сообщения:
СообщениеДобавлено: Пн май 05, 2008 13:29:59 
Опытный кот
Аватар пользователя

Карма: 3
Рейтинг сообщений: 3
Зарегистрирован: Вс апр 13, 2008 15:09:58
Сообщений: 871
Откуда: Приднестровье
Рейтинг сообщения: 0
Вот просили печатку, выкладываю.


Вложения:
Паяльная станция.rar [41.01 KiB]
Скачиваний: 9102
Вернуться наверх
 
Не в сети
 Заголовок сообщения:
СообщениеДобавлено: Вт май 06, 2008 15:51:41 
Прорезались зубы
Аватар пользователя

Карма: 1
Рейтинг сообщений: 17
Зарегистрирован: Ср июл 19, 2006 09:11:25
Сообщений: 222
Откуда: Чернигов
Рейтинг сообщения: 0
Димон писал(а):
Ну а зачем тогда выводы точек подключены к плате?

А вдруг захочется прошивку подправить, чтоб и точки были задействованы....


Вернуться наверх
 
Не в сети
 Заголовок сообщения:
СообщениеДобавлено: Вт май 06, 2008 16:15:33 
Прорезались зубы
Аватар пользователя

Карма: 1
Рейтинг сообщений: 17
Зарегистрирован: Ср июл 19, 2006 09:11:25
Сообщений: 222
Откуда: Чернигов
Рейтинг сообщения: 0
Димон писал(а):
Вот просили печатку, выкладываю.

А это только разработанная плата, или уже на ней собрана паяльная станция?
Я думаю, что перед тем как выкладывать "свою" печатную плату, нужно или тщательно ее проверить, или собрать на ней готовое изделие.
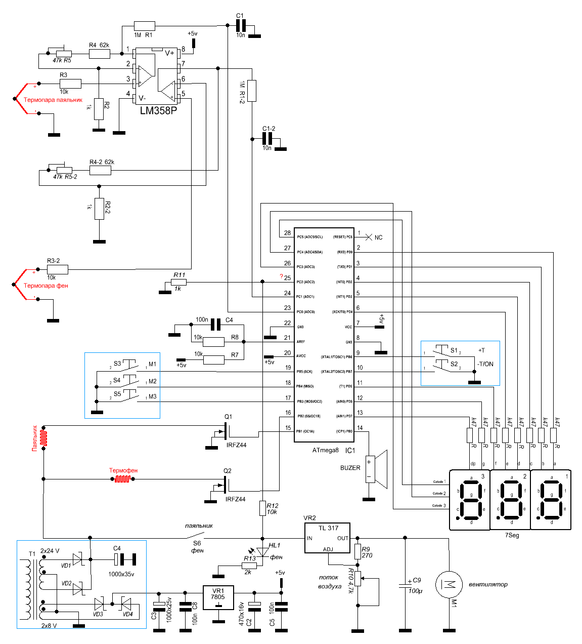
Посмотрите внимательно куда идет у вас первая нога операционника LM358.


Вернуться наверх
 
Не в сети
 Заголовок сообщения:
СообщениеДобавлено: Вт май 06, 2008 16:41:46 
Опытный кот
Аватар пользователя

Карма: 3
Рейтинг сообщений: 3
Зарегистрирован: Вс апр 13, 2008 15:09:58
Сообщений: 871
Откуда: Приднестровье
Рейтинг сообщения: 0
Ой, прошу прощения! Плата уже собрана, но ещё не приобрёл МК. Я её разрабатывал в 2 часа ночи. Спасибо что подсказали.

Сейчас перезалью


Вложения:
ПАЯЛЬНАЯ СТАНЦИЯ.rar [14.76 KiB]
Скачиваний: 5889
Вернуться наверх
 
Не в сети
 Заголовок сообщения:
СообщениеДобавлено: Ср май 07, 2008 17:16:27 
Прорезались зубы
Аватар пользователя

Карма: 1
Рейтинг сообщений: 17
Зарегистрирован: Ср июл 19, 2006 09:11:25
Сообщений: 222
Откуда: Чернигов
Рейтинг сообщения: 0
Еще пару критических замечаний... не в обиду автору!
Паяльник на 24 вольта, зачем-же подавать на него только 20 вольт? Может с целью экономии ресурса паяльника... тем более что на диодном мосту упадет еще пару вольт...
Я-бы все-таки поставил емкость 500-1000 мкф по питанию паяльника. Тем самым слегка поднял выходное напряжение и снизил уровень импульсных помех. Все-таки проводник от термопары находится в непосредственной близости возле дорожки, по которой идет питание на паяльник.
Да и резистор на 1М, который идет с выхода операционника на 23 ногу контроллера, я-бы поставил SMD, а то он как-то не вписывается в общий дизайн...
Переменный резистор великоват, хотя автор делал под себя. То что было в наличии...
BUZZER я-бы поставил прямо на плату. Его сигнал слышен очень хорошо и выносить его на переднюю панель нет необходимости.


Вернуться наверх
 
Не в сети
 Заголовок сообщения:
СообщениеДобавлено: Ср май 07, 2008 17:40:32 
Прорезались зубы
Аватар пользователя

Зарегистрирован: Пт ноя 02, 2007 07:59:49
Сообщений: 244
Откуда: Уфа
Рейтинг сообщения: 0
AISe писал(а):
Мы уменьшаем напряжение. Из-за этого увеличивается время, затрачиваемое на разогрев до определенной температуры. Ток то течь от изменения напряжения течь не перестает! Таким образом, как уже заметил KOSTYA, мы получаем недогрев паяльника(вернее, не совсем недогрев, но тем не менее, при достаточно сильном различии между питающим напряжением и напряжением, необходимым для нормальной работы паяльника, будет наблюдаться именно недогрев). У михи-пскова разница напряжений недостаточно велика, но вот у Garic33 ее эффект уже вполне заметен. Надеюсь, я ответил на Ваш вопрос.


Вернуться наверх
 
Не в сети
 Заголовок сообщения:
СообщениеДобавлено: Чт май 08, 2008 08:40:05 
Прорезались зубы
Аватар пользователя

Карма: 1
Рейтинг сообщений: 17
Зарегистрирован: Ср июл 19, 2006 09:11:25
Сообщений: 222
Откуда: Чернигов
Рейтинг сообщения: 0
AISe писал(а):
AISe писал(а):
Мы уменьшаем напряжение. Из-за этого увеличивается время, затрачиваемое на разогрев до определенной температуры. Ток то течь от изменения напряжения течь не перестает! Таким образом, как уже заметил KOSTYA, мы получаем недогрев паяльника(вернее, не совсем недогрев, но тем не менее, при достаточно сильном различии между питающим напряжением и напряжением, необходимым для нормальной работы паяльника, будет наблюдаться именно недогрев). У михи-пскова разница напряжений недостаточно велика, но вот у Garic33 ее эффект уже вполне заметен. Надеюсь, я ответил на Ваш вопрос.

А к чему этот кусок цитаты?
У Михи-псков был готовый импульсный стабилизированный блок питания на это напряжение, а Димон об этом не написал. Поэтому возник резонный вопрос: зачем? Конденсатор после диодного моста как раз и повысит это напряжение...
Для меня более приемлемо, когда паяльник разогревается до рабочей температуры быстрее. Тем более, что при пониженном напряжении уменьшается мощность паяльника.


Вернуться наверх
 
Не в сети
 Заголовок сообщения:
СообщениеДобавлено: Чт май 08, 2008 13:10:51 
Прорезались зубы
Аватар пользователя

Зарегистрирован: Пт ноя 02, 2007 07:59:49
Сообщений: 244
Откуда: Уфа
Рейтинг сообщения: 0
С тем куском цитаты надо было еще добавить вопрос, на который эта цитата отвечала. :) Все это было сказано к тому, что только при более-менее существенном различии питающего и номинального напряжения работы паяльника (~ от 6В) будет заметен недогрев/увеличение времени нагрева. А существующее различие не играет никакой роли. Но это только мое личное мнение. Если вам так дороги те несколько секунд, на которые сократиться время нагрева, то ставьте. Но тут уже дорожает сама конструкция. :) При работе незначительное понижение напряжения питания практически ничего не изменит. :)


Вернуться наверх
 
Не в сети
 Заголовок сообщения:
СообщениеДобавлено: Чт май 08, 2008 15:31:37 
Прорезались зубы
Аватар пользователя

Карма: 1
Рейтинг сообщений: 17
Зарегистрирован: Ср июл 19, 2006 09:11:25
Сообщений: 222
Откуда: Чернигов
Рейтинг сообщения: 0
AISe писал(а):
Если вам так дороги те несколько секунд, на которые сократиться время нагрева, то ставьте. Но тут уже дорожает сама конструкция. :) При работе незначительное понижение напряжения питания практически ничего не изменит. :)

1. Зачем их терять-то, эти несколько секунд?
2. Отчего конструкции-то дорожать?
3. Теряется мощность паяльника: Если U=20 вольт, а R=12 Ом, I=1.67А, то мощность равна: P=U*I = 20*1.67 = 33 Вт Теряем третью чать мощности!
4. Изначально вопрос был задан не потому что так нельзя, а просто узнать причину. Например ответ: "у меня такой блок питания и мне облом мотать" меня, в частности, вполне удовлетворил-бы! Я сам лентяй. :) Но если ищется трансформатор специально для паяльной станции, то найти его на напряжение 2х12 вольт намного проще, чем на 20 вольт.


Вернуться наверх
 
Не в сети
 Заголовок сообщения:
СообщениеДобавлено: Чт май 08, 2008 17:27:19 
Прорезались зубы
Аватар пользователя

Зарегистрирован: Пт ноя 02, 2007 07:59:49
Сообщений: 244
Откуда: Уфа
Рейтинг сообщения: 0
Мысли вслух. писал(а):
Либо влом искать, либо под размеры корпуса не укладывался. :)))


Вернуться наверх
 
Не в сети
 Заголовок сообщения:
СообщениеДобавлено: Пт май 09, 2008 14:04:54 
Опытный кот
Аватар пользователя

Карма: 3
Рейтинг сообщений: 3
Зарегистрирован: Вс апр 13, 2008 15:09:58
Сообщений: 871
Откуда: Приднестровье
Рейтинг сообщения: 0
Я не хотел увеличивать размеры платы из-за одног кондёра (в моем варианте это 2200мкф х 50в) а он диаметром почти в 20мм, поэтому было решено подцепить его прямо на разьёме для паяльника. (хотя можно было несколько SMD - шек поставить прямо на плату но это уже дороже)
Место под стандартный резистор, просто он рассположе лёжа.
Что касется резистора на 1М, то у меня не было SMD на такой номинал, а в магазине продают только от 10 штук.

В той плате, что я выложил во 2-й раз, посадочное место как раз по динамик и его нет необходимости выносить за плату.

Мне вот только одно не понятно: тут люди писали, что перематывали ИБП от галогенок. Скажите пожалуйста: когда паяльник подключен к этому БП, то напругу он выдаёт номинальную, но когда отключается - напряжение падает очень сильно и как питать такой напругой МК?


Вернуться наверх
 
Не в сети
 Заголовок сообщения:
СообщениеДобавлено: Сб май 10, 2008 08:39:59 
Нашел транзистор. Понюхал.
Аватар пользователя

Зарегистрирован: Вт янв 23, 2007 20:40:19
Сообщений: 170
Откуда: г.Днепродзержинск Украина
Рейтинг сообщения: 0
Приветствую Вас коллеги!Собрал станцию,работает хорошо.Вот хочу
прикошачить к ней термофен с термопарой (самодельный)
Собираюсь использовать вторую половину LM358 так-как нужна раздельная калибровка температуры и коммутировать PC0 (23 нога
Меги) и нагреватели с помощью реле...Но есть способ лучьше:
Может кто-нить возмется переписать/скорректировать прошивку?
Кстати можно задействовать точки для индикации режима"фен"
например"бегущая точка"


Вложения:
Комментарий к файлу: Не уверен можно-ли PC2 запрограммировать на переключение?
simsim_idea.GIF [46.77 KiB]
Скачиваний: 6387
Вернуться наверх
 
Не в сети
 Заголовок сообщения:
СообщениеДобавлено: Сб май 10, 2008 10:09:29 
Нашел транзистор. Понюхал.
Аватар пользователя

Зарегистрирован: Вт янв 23, 2007 20:40:19
Сообщений: 170
Откуда: г.Днепродзержинск Украина
Рейтинг сообщения: 0
Или вот так:
Я думаю так даже проще переписать прошивку,и вентилятор отключается


Вложения:
simsim_idea v2.GIF [47.86 KiB]
Скачиваний: 5634
Вернуться наверх
 
Не в сети
 Заголовок сообщения:
СообщениеДобавлено: Пн май 12, 2008 09:42:41 
Прорезались зубы
Аватар пользователя

Карма: 1
Рейтинг сообщений: 17
Зарегистрирован: Ср июл 19, 2006 09:11:25
Сообщений: 222
Откуда: Чернигов
Рейтинг сообщения: 0
Димон писал(а):
Я не хотел увеличивать размеры платы из-за одног кондёра (в моем варианте это 2200мкф х 50в) а он диаметром почти в 20мм, поэтому было решено подцепить его прямо на разьёме для паяльника. (хотя можно было несколько SMD - шек поставить прямо на плату но это уже дороже)
Место под стандартный резистор, просто он рассположе лёжа.
Что касется резистора на 1М, то у меня не было SMD на такой номинал, а в магазине продают только от 10 штук.

В той плате, что я выложил во 2-й раз, посадочное место как раз по динамик и его нет необходимости выносить за плату.

Мне вот только одно не понятно: тут люди писали, что перематывали ИБП от галогенок. Скажите пожалуйста: когда паяльник подключен к этому БП, то напругу он выдаёт номинальную, но когда отключается - напряжение падает очень сильно и как питать такой напругой МК?

Вот все и стало на свои места. Просто нужно было указать, что конденсатор стоит отдельно от платы.
По поводу ИБП: я собрал 2 паяльные станции на ИБП от галогенок 12 вольт 105 Вт. Ни с одной из них проблем нет. Все работает без сбоев.


Вернуться наверх
 
Не в сети
 Заголовок сообщения:
СообщениеДобавлено: Пн май 12, 2008 14:37:34 
Первый раз сказал Мяу!

Зарегистрирован: Вт дек 19, 2006 16:44:13
Сообщений: 33
Рейтинг сообщения: 0
Lagros писал(а):
По поводу ИБП: я собрал 2 паяльные станции на ИБП от галогенок 12 вольт 105 Вт. Ни с одной из них проблем нет. Все работает без сбоев.

неподскажите каких фирм ибп? ташибра или чтото дороже?


Вернуться наверх
 
Показать сообщения за:  Сортировать по:  Вернуться наверх
Начать новую тему Ответить на тему  [ Сообщений: 10601 ]    , 2, , , ...  

Часовой пояс: UTC + 3 часа


Кто сейчас на форуме

Сейчас этот форум просматривают: нет зарегистрированных пользователей и гости: 44


Вы не можете начинать темы
Вы не можете отвечать на сообщения
Вы не можете редактировать свои сообщения
Вы не можете удалять свои сообщения
Вы не можете добавлять вложения

Найти:
Перейти:  


Powered by phpBB © 2000, 2002, 2005, 2007 phpBB Group
Русская поддержка phpBB
Extended by Karma MOD © 2007—2012 m157y
Extended by Topic Tags MOD © 2012 m157y