Например TDA7294

Форум РадиоКот • Просмотр темы - Качели для SLA
Форум РадиоКот
Здесь можно немножко помяукать :)

Текущее время: Сб ноя 01, 2025 12:39:19

Часовой пояс: UTC + 3 часа


ПРЯМО СЕЙЧАС:



Начать новую тему Ответить на тему  [ Сообщений: 169 ]  1, , , , ...  
Автор Сообщение
Не в сети
 Заголовок сообщения: Качели для SLA
СообщениеДобавлено: Пт ноя 18, 2011 18:08:14 
Это не хвост, это антенна

Карма: 45
Рейтинг сообщений: 277
Зарегистрирован: Ср мар 02, 2011 20:05:39
Сообщений: 1450
Откуда: Карельский перешеек
Рейтинг сообщения: 0
Медали: 1
Получил миской по аватаре (1)
Статья Барсика здесь - http://radiokot.ru/circuit/power/charger/28/

Во-первых, Барсик, поздравляю с первым местом, которое присудил Вам я :). Жаль, нет у меня спонсора, чтобы одарить Вас каким-нибудь осцилографом, а свой - последний :). Серьезно, первое место Вам за прояленное уважение к читателю, выразившееся в толковой подготовке текста. В лучших традициях - и описание схемы есть, и принцип работы, и замена деталей и подробное налаживание.

Во-вторых, в текст вкралась опечатка. Вместо "Требуемое напряжение подбирается резистором R3.", наверное, R8 должно быть?

В-третьих, снесли Вы мне этой своей статьей крышу, прошу объяснений :). Дело в том, что уже около года использую этот алгоритм. Схема немного отличается от Вашей (компараторы на LM1458, потом триггер на половинке 4001 и стабилизатор тока на 2576), но не суть, алгоритм тот же. Потом начитавшись всего (в первую очередь Голова и увидев Вашу адаптацию его схемы), прихожу к выводу, что надо всё-таки перестать издеваться над аккумулятором и сделать Вашу схему-адаптацию. И тут вдруг ба-бах! - Ваша конкурсная работа.

Почему?! Чем этот алгоритм Вам понравился по сравнению с алгоритмом Вудбриджа настолько, что Вы взялись за новую разработку?


Вернуться наверх
 
Не в сети
 Заголовок сообщения: Re: Качели для SLA
СообщениеДобавлено: Сб ноя 19, 2011 05:07:07 
Это не хвост, это антенна

Карма: 45
Рейтинг сообщений: 277
Зарегистрирован: Ср мар 02, 2011 20:05:39
Сообщений: 1450
Откуда: Карельский перешеек
Рейтинг сообщения: 0
Медали: 1
Получил миской по аватаре (1)
Забыл еще спросить, почему выбран нижний предел имнно 13,1V? В статье об этом ничего не сказано.


Вернуться наверх
 
Не в сети
 Заголовок сообщения: Re: Качели для SLA
СообщениеДобавлено: Сб ноя 19, 2011 14:27:05 
Друг Кота
Аватар пользователя

Карма: 28
Рейтинг сообщений: 267
Зарегистрирован: Ср сен 27, 2006 16:18:57
Сообщений: 3459
Рейтинг сообщения: 0
ppp писал(а):
...одарить Вас каким-нибудь осцилографом...
Не нада... у меня их есть. Даже два. :) А третий я уже подарил одному из котов, не помню кому...

ppp писал(а):
в текст вкралась опечатка. Вместо "Требуемое напряжение подбирается резистором R3."
Точно... :oops: Это опечатка. Вообще-то я хотел написать "подбирается резистором R7". Он на схеме обозначен как 3 кОм. Вот меня и переклинило... :) Но можно подбирать и резистором R8. Не важно.

ppp писал(а):
Чем этот алгоритм Вам понравился по сравнению с алгоритмом Вудбриджа настолько, что Вы взялись за новую разработку?
Начитался в Интернете всякого. В частности, статей Сороки на "электротранспорте". В числе прочего, там была мысль, которая представилась мне весьма здравой. Что не стоит всё время держать аккумулятор под постоянным напряжением. Да ещё отслеживать это напряжение с большой точностью. К сожалению, Сорока держит свой алгоритм в секрете. Ну и Бог с ним. Имеет на то полное право.
Я подумал, пусть аккумулятор подзаряжается только тогда, когда ему надо. Как только напряжение на нём упадёт ниже некоторого значения, дать ему подзаряд до напряжения 14,4 - 14,5 вольта и отключить. Но оказалось, что я изобрёл велосипед. Такой алгоритм давным-давно используется. Вся проблема в том, как выбрать напряжения верхнего и нижнего порогов? С верхним пределом более-менее понятно - он должен быть равен напряжению, при котором начинается активное газовыеление, которое для SLA аккумуляторов недопустимо. А вот нижний - х.з. Напряжение 13,1 выбрано волевым путём с использованием здравого смысла :)

А сам алгоритм Вудбриджа работает вполне нормально, и это не повод от него отказываться. С этим алгоритмом аккумуляторы честно отрабатывают заявленный срок службы.
Правда, был у меня случай (и не только у меня!) когда аккумулятор заряжался по Вудбриджу при напряжении 14,4 вольта, но ток заряда не захотел уменьшиться до 0,02C, и переключение в буферный режим (13,8 В) не произошло. В результате аккумулятор нагрелся. Мне это не понравилось, хотя аккумулятор был довольно старый и его было не жалко. :)

Сейчас я набираю некоторую статистику по использованию того и другого алгоритма. Результаты сообщу.


Вернуться наверх
 
Не в сети
 Заголовок сообщения: Re: Качели для SLA
СообщениеДобавлено: Сб ноя 19, 2011 21:41:09 
Это не хвост, это антенна

Карма: 45
Рейтинг сообщений: 277
Зарегистрирован: Ср мар 02, 2011 20:05:39
Сообщений: 1450
Откуда: Карельский перешеек
Рейтинг сообщения: 0
Медали: 1
Получил миской по аватаре (1)
Барсик писал(а):
Сейчас я набираю некоторую статистику по использованию того и другого алгоритма. Результаты сообщу.

С зарядкой в этом режиме (качелей) у меня акк. на 26 Ач примерно год уже эксплуатируется. Честно говоря, никаких заметных ухудшений не наблюдаю, хотя, конечно, год для SLA - это не срок.

Но, почему обратил внимание на Вашу предыдущую разработку (модернизацию схемы Голова):
1. срок эксплуатации (по ДШ) в циклическом (коим, на мой взгляд, качели и являются) - всего 350 циклов при 50% разряде (или 200 при 100%). В буферном же режиме (13,6-13,8V в моем случае) при тех же 50% разряда - 6 лет;
2. в том же ДШ большими буквами написано "Метод заряда: Заряд постоянным напряжением";
3. и главное: несколько раз попадал в ситуацию, когда разряжал акк всего до 13,2V. После чего врубалось электричество в сети, но зарядка, естественно, еще не включалась. Поставил даже кнопку принудительного перевода в режим заряда для таких случаев. Мелочь, конечно, но моральный дискомфорт от осознания того, что опять вырубят свет, а у тебя всего 13,1 вместо 13,8 Головских, таки присутствует.

Я вот что подумал: включать "качели", если напряжение на акке опустилось ниже 13,1V. Если же оно ниже рекомендуемого для буферного режима, но выше 13,1V, то включать подзарядку до 13,8V постоянным напряжением. Собственно, получится извращенный вариант Голова, будет выброшен 2-й этап. Что это даст? Упростится при повышении надежности схемотехника (триггер - он и в Африке триггер, либо в одном состоянии, либо в другом), но за счет отказа от 2-го этапа. Покритикуйте такой подход.

Кстати, нечто похожее подсмотрел в апноуте AN-946 (ссылки, увы, нет под рукой) от National Semi для 2576, по которому делал свой стабилизатор тока на ней. Там, правда, отключение стабилизатора тока происходит по температуре батареи, а не по напряжению на ней, но суть та же - сначала заряд нормальным постоянным током, а потом поддержка маленьким при постоянном напряжении.


Вернуться наверх
 
Эиком - электронные компоненты и радиодетали
Не в сети
 Заголовок сообщения: Re: Качели для SLA
СообщениеДобавлено: Пн ноя 21, 2011 14:44:48 
Друг Кота
Аватар пользователя

Карма: 28
Рейтинг сообщений: 267
Зарегистрирован: Ср сен 27, 2006 16:18:57
Сообщений: 3459
Рейтинг сообщения: 0
ppp писал(а):
срок эксплуатации (по ДШ) в циклическом (коим, на мой взгляд, качели и являются) - всего 350 циклов при 50% разряде (или 200 при 100%). В буферном же режиме (13,6-13,8V в моем случае) при тех же 50% разряда - 6 лет;
Объясните подробнее, что означает фраза "В буферном же режиме ... при тех же 50% разряда - 6 лет" Сколько раз за эти шесть лет аккумулятор разряжается на 50%? Или имеется в виду то, что он стоит себе в буферном режиме никогда не разряжаясь, и через 6 лет в нём останется только 50% ёмкости?

ppp писал(а):
2. в том же ДШ большими буквами написано "Метод заряда: Заряд постоянным напряжением";
Это всего лишь рекомендации. На самом деле, заряд постоянным током - вполне нормальный режим. И в некоторых даташитах тоже описан.

ppp писал(а):
...попадал в ситуацию, когда разряжал акк всего до 13,2V
А в какой момент измерены эти самые 13,2 вольта? Под нагрузкой? Сразу, как нагрузка отключилась? Аккумулятор постоянно подключён к зарядному устройству?
Как мне кажется, судить о степени заряженности аккумулятора по напряжению на нём, можно весьма приблизительно. Вот я разряжаю аккумулятор током 0,05C (20-часовой цикл разряда) Как только напряжение под нагрузкой достигает 10,5 вольт (разряжен полностью, на 100%), нагрузка отключается. Напряжение на аккумуляторе без нагрузки начинает возрастать, и через несколько часов достигает 12 вольт и даже больше. А аккумулятор то - разряженный на 100% !

ppp писал(а):
...включать подзарядку до 13,8V постоянным напряжением... Покритикуйте такой подход.
Мне кажется, что это усложнит схемотехнику. Придётся стабилизировать не только ток заряда, но и напряжение. А вообще то я как раз и затеял эти качели для того, чтобы аккумулятор не находился всё время под напряжением, хотя бы и буферным. Величина буферного напряжения - компромисс, чтобы с одной стороны, аккумулятор не остался недозаряженным, и умер от недозаряда, а с другой стороны, чтобы не перезаряжался, и не умер от потери воды. И если это напряжение точно выдерживать, то аккумулятор честно проживёт заявленный срок.
А с качелями - х.з. Может проживёт дольше? За счёт того, что недозаряда не будет - верхний предел = 14,4 вольта. И перезаряда тоже - бОльшую часть времени аккумулятор отключён от зарядного устройства.


Вернуться наверх
 
Не в сети
 Заголовок сообщения: Re: Качели для SLA
СообщениеДобавлено: Пн ноя 21, 2011 18:55:04 
Это не хвост, это антенна

Карма: 45
Рейтинг сообщений: 277
Зарегистрирован: Ср мар 02, 2011 20:05:39
Сообщений: 1450
Откуда: Карельский перешеек
Рейтинг сообщения: 0
Медали: 1
Получил миской по аватаре (1)
Барсик писал(а):
Объясните подробнее, что означает фраза "В буферном же режиме ... при тех же 50% разряда - 6 лет"

Боюсь трактовать, не переврав, лучше посмотреть в оригинале (русский перевод ДШ, всего одна страница, 595кБ, графики в правом нижнем углу - http://lib.chipdip.ru/179/DOC000179522.pdf )

Барсик писал(а):
ppp писал(а):
...попадал в ситуацию, когда разряжал акк всего до 13,2V
А в какой момент измерены эти самые 13,2 вольта? Под нагрузкой? Сразу, как нагрузка отключилась? Аккумулятор постоянно подключён к зарядному устройству?
Как мне кажется, судить о степени заряженности аккумулятора по напряжению на нём, можно весьма приблизительно.

Акк всегда подключен (подсоединен т.е.) к зарядному устройству. Зарядился "качелями" до 14,5V и зарядка отключилась теми же качелями. Стоит и током саморазряда разряжается до 13,2V. Гаснет свет, и тут он мне и нужен, а на нём всего 13,2V. Не даёт покоя мысль - а вот была бы сейчас у меня зарядка Барсика-Голова, тогда у меня сейчас было бы 13,8, а не 13,2.
Я полностью разделяю Ваше мнение о том, что судить так о степени заряженности аккумулятора совсем уж приблизительно, поэтому речь идет только о моем моральном самочувствии, а не аккумулятора :).

Барсик писал(а):
Мне кажется, что это усложнит схемотехнику. Придётся стабилизировать не только ток заряда, но и напряжение. А вообще то я как раз и затеял эти качели для того, чтобы аккумулятор не находился всё время под напряжением, хотя бы и буферным. Величина буферного напряжения - компромисс, чтобы с одной стороны, аккумулятор не остался недозаряженным, и умер от недозаряда, а с другой стороны, чтобы не перезаряжался, и не умер от потери воды. И если это напряжение точно выдерживать, то аккумулятор честно проживёт заявленный срок.
А с качелями - х.з. Может проживёт дольше? За счёт того, что недозаряда не будет - верхний предел = 14,4 вольта. И перезаряда тоже - бОльшую часть времени аккумулятор отключён от зарядного устройства.

Барсик, честно говоря, я дослужился только до звания электрослесаря 2-го разряда (имею право без надзора менять лампочки), поэтому расчитать режимы работы транзисторов, как это сделали Вы в своих качелях, для меня намного большая трудность, чем соорудить схемку с двумя стабилизаторами. Она мне кажется не намного сложнее.
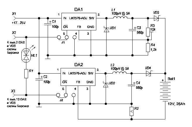
Вот посмотрите, что я начудил:

Изображение

Оба стабилизатора выполнены почти по одной и той же схеме на импульсных стабилизаторах 2576. Разница только в подключении FB. DA1 - стабилизатор напряжения на 13,8V. Точное значение напряжения устанавливается резистором R3.
DA2 - стабилизатор тока 2,6А (0,1C для моего акка), устанавливается резистором R2. По Вашей схеме выполняется вся часть вплоть до выходов триггера. О перемычках J1 и J2 на моей схеме чуть позже.

Я предполагаю, что работать это должно следующим образом:
1. На аккумуляторе < 13,1V. На выходе 2 DA2 Вашей схемы и на входе X2 моей - лог.1, которая отключает стабилизатор напряжения. В то же время на выходе 13 DA2 Вашей схемы и на входе X3 моей - лог.0, который включает стабилизатор тока.

2. Как только напряжение на акке достигнет 14,5V. Сигналы на Х2 и Х3 поменяются местами, что в свою очередь приведет к выключению стабилизатора тока и включению стабилизатора напряжения. Но ток со стабилизатора напряжения (13,8V) в акк не сможет потечь до тех пор, пока диод VD3 будет заперт высоким напряжением акка (14,5V). И так будет продолжаться до тех пор, пока напряжение на акке не упадет до 13,8V и далее будет поддерживаться на этом уровне стабилизатором напряжения сколь угодно долго пока мы не разрядим акк нагрузкой до 13,1V. Тогда опять сработает Ваш триггер и включит стабилизатор тока, а стабилизатор напряжения отключит.

А теперь об обещанных перемычках J1 и J2. Они для таких как мы с Барсиком, которым сегодня один алгоритм нравится, завтра - другой.
- Будучи установленными в положение, показанное на схеме - получаем вышеописанный алгоритм зарядки.
- Если удалить перемычку J1 - получаем алгоритм "качелей Барсика" в чистом виде.
- Если удалить перемычку J2, а перемычку J1 преставить в крайнее правое положение - получаем алгоритм по закону Вудбриджа или то, что называют алгоритм зарядки постоянным напряжением, максимальный ток которого будет ограничен резистором R2.
- Если удалить перемычку J1, а на вход X3 подавать сигнал не со схемы Барсика, а со схемы компаратора управляемого напряжениями, например с двух LM35, один из которых меряет температуру акка, а второй - окружающей среды, то получим алгоритм зарядки по дельта Т стабильным током 0,1С.
- Если вернуть перемычки в положение, указанное на схеме, а вместо компараторов Барсика подавать на Х2 и Х3 сигналы с микроконтроллера, то можно реализовывать любой алгоритм, какой сами себе придумаете.

И для тех, кому уж совсем делать нечего: установив перемычку J1 в правое положение, заменив R3 переменным на 47к, а R2 - галетником с магазином сопротивлений и включив стабилизаторы не параллельно, как на схеме, а последовательно, получим вполне себе ничего ЛБП с плавно регулируемым Uвых=1,2V-30V (позаботившись естественно о соответствующем выпрямителе), со ступенчатым выбором ограничения тока вплоть до 3A, и с возможностью задавать диапазон рабочих напряжений схемой компараторов и триггеров Барсика. И при этом этот ЛБП не будет кипятить воздух, т.к. стабилизаторы импульсные. Но это уже полный бред, т.к. почти всё это можно сделать и на одной 2576.

Прошу аргументировано закидать помидорами. В каком месте не будет работать или бабахнет?

Кстати, совсем забыл о полном подключении схемы Барсика к этой схеме. Отключаем всё, что стоит правее VD5, DA2-3, VD6 и DA2-4. Индикацию режима работы зарядки теперь будет выполнять двухцветный двухвыводной светодиод HL1. Или оставляем оба светодиода на схеме Барсика, кому как нравится, у кого что есть. Шину GND на схеме Барсика соединяем с общим проводом моей схемы. Шину +Vсс схемы Барсика соединяем с клеммой "+" аккумулятора. Точку соединения резисторов R3 и R6 схемы Барсика подключаем к клемме "-" аккумулятора. Обратите внимание, что теперь микросхема LM339 будет постоянно подключена к аккумулятору, что не есть хорошо в отсутствии питающего зарядку напряжения. Буду благодарен тому, кто подскажет другой вариант запитки схемы компараторов.

Вложение:
my_zu.gif [8.49 KiB]
Скачиваний: 13764


Вернуться наверх
 
Не в сети
 Заголовок сообщения: Re: Качели для SLA
СообщениеДобавлено: Вт ноя 22, 2011 15:10:05 
Друг Кота
Аватар пользователя

Карма: 28
Рейтинг сообщений: 267
Зарегистрирован: Ср сен 27, 2006 16:18:57
Сообщений: 3459
Рейтинг сообщения: 0
С даташитом понятно.
В циклическом режиме срок службы определяется количеством циклов заряд-разряд. Окончание срока службы - когда аккумулятор потеряет 40% ёмкости. А количество этих циклов зависит от глубины разряда при каждом цикле. При глубоком разряде (100%) заявляется меньше 200 циклов. При разряде на 30% - около 1000.
Для буферного режима считается, что аккумулятор не разряжают вообще. Стоит он себе и стоит под буферным напряжением. Окончание срока службы - когда аккумулятор потеряет 60% ёмкости. И заявлено, что это произойдёт через 6 лет, если его вообще не мучить. Из графика видно, что 40% ёмкости он потеряет через 4,5 года. А если при этом его ещё и мучить переодическими разрядами, то, ясен пень, что он окачурится ещё быстрее.

ppp писал(а):
Гаснет свет, и тут он мне и нужен, а на нём всего 13,2V. Не даёт покоя мысль - а вот была бы сейчас у меня зарядка Барсика-Голова, тогда у меня сейчас было бы 13,8, а не 13,2.
Не берите в голову. Если аккумулятор заряжен на 100%, то на нём может быть запросто от 13,0 до 13,8. А те самые 13,8 вольт на нём исключительно из-за того, что Вы сами их подали от зарядного устройства. Отключите аккумулятор от зарядника, и напряжение на нём уменьшится. А ёмкость останется ровно той же самой, которую он набрал! И напряжение уменьшается вовсе не из-за саморазряда, а из-за того, что сняли зарядное напряжение. Не может саморазряд быть таким большим. Поэтому Вы ничего не выигрываете, если держите полностью заряженный аккумулятор под буферным напряжением. А даже наоборот - говорят, что буферное напряжение его разрушает.

Теперь о Вашем алгоритме. Фактически, Вы предлагаете алгоритм Вудбриджа, у которого исключён этап заряда при напряжении большем 13,8 вольт. А этот этап как раз важен, поскольку, при заряде постоянным током, при достижении напряжения на аккумуляторе 14,4 вольта, аккумулятор будет заряжен только на 80%. В качелях такой этап есть - это последующие периоды заряда до 14,4 вольта. А в предлагаемом алгоритме нет. Конечно, если недозаряженный аккумулятор держать под буферным напряжением достаточно долго, то он, в конце-концов, наберёт свои 100%.

Теперь о схеме. В схеме заряда стабильным напряжением отсутствует режим ограничения тока. Х.з. что будет, если аккумулятор под нагрузкой разрядится не до 13,1, а до 13,2 вольта... Возможно, что ничего страшного, но лучше сделать один стабилизированный источник питания, но с ограничением тока и с переключением этих режимов, если очень хочется.

А обсуждение новой схемы предлагаю перенести в "Питание", потому как здесь обсуждаются конкретные статьи.


Вернуться наверх
 
Не в сети
 Заголовок сообщения: Re: Качели для SLA
СообщениеДобавлено: Вт ноя 22, 2011 17:42:54 
Это не хвост, это антенна

Карма: 45
Рейтинг сообщений: 277
Зарегистрирован: Ср мар 02, 2011 20:05:39
Сообщений: 1450
Откуда: Карельский перешеек
Рейтинг сообщения: 0
Медали: 1
Получил миской по аватаре (1)
Барсик писал(а):
А обсуждение новой схемы предлагаю перенести в "Питание", потому как здесь обсуждаются конкретные статьи.

Да, Вы правы, извините, увлёкся :). Спасибо за ответы. По Вашей схеме вопросов больше нет.
А новой схемы пока нет, есть только графическая иллюстрация мыслей вслух. Пока переносить и обсуждать нечего.


Вернуться наверх
 
Не в сети
 Заголовок сообщения: Re: Качели для SLA
СообщениеДобавлено: Ср дек 07, 2011 15:00:22 
Встал на лапы
Аватар пользователя

Зарегистрирован: Ср окт 06, 2010 17:00:30
Сообщений: 137
Рейтинг сообщения: 0
Я запутался как мне соберать, схема в статье работоспособна? и еще один вопросс! у меня есть трансформатор с выходом на вторичке 16 вольт! подойдет он?: и полевик можно поменять на ирф44н?


Вернуться наверх
 
Не в сети
 Заголовок сообщения: Re: Качели для SLA
СообщениеДобавлено: Ср дек 07, 2011 20:56:15 
Встал на лапы
Аватар пользователя

Зарегистрирован: Ср окт 06, 2010 17:00:30
Сообщений: 137
Рейтинг сообщения: 0
поставлю 44n полевик, уже и корпусс нашел со старой зарядки! осталось транс доматать ато всего 15-16 вольт!

вот в этот корпусс впихну
Изображение

и печатку начертил!
Изображение
жду критериев! и не понял куда датчик температуры крипить(((


Вложения:
КАЧЕЛИ.lay [81.8 KiB]
Скачиваний: 1445
Вернуться наверх
 
Не в сети
 Заголовок сообщения: Re: Качели для SLA
СообщениеДобавлено: Ср дек 07, 2011 22:09:23 
Друг Кота
Аватар пользователя

Карма: 28
Рейтинг сообщений: 267
Зарегистрирован: Ср сен 27, 2006 16:18:57
Сообщений: 3459
Рейтинг сообщения: 0
Asus писал(а):
схема в статье работоспособна?
Та схема, которая приведена первой (с общим плюсом) Точно работоспособна. У меня работает. Сейчас собираю статистику по её использованию. Схема, которая приведена в конце статьи, не проверялась!

Asus писал(а):
есть трансформатор с выходом на вторичке 16 вольт! подойдет он?
Да, должен подойти. Для питания схемы надо не менее 16 вольт постоянного напряжения. С учётом того, что выпрямленное напряжение в корень из двух выше, чем действующее минус падение на диодах, вроде бы должно хватить.

Asus писал(а):
полевик можно поменять на ирф44н?
Зависит от того, какой аккумулятор собираетесь заряжать. Если такой, как в статье, то вполне подойдёт.

Asus писал(а):
не понял куда датчик температуры крипить
Датчик температуры крепить прямо к корпусу аккумулятора. Я приклеиваю его липкой лентой.


Вернуться наверх
 
Не в сети
 Заголовок сообщения: Re: Качели для SLA
СообщениеДобавлено: Чт дек 08, 2011 13:14:57 
Встал на лапы
Аватар пользователя

Зарегистрирован: Ср окт 06, 2010 17:00:30
Сообщений: 137
Рейтинг сообщения: 0
я хочу машинный акамулятор заряжать! поэому взял мощьный транс! витки доматаю до вольт 20ть! полевик поставлю на радиатор, диоды взял мощьные! а разве полевик 44 не мощьнеее! я думал чем больше ціфра тем мочьнее!

А такой вопросс! зачем полевик питается через два резистора? и почему их два паралельно? єто типа шунта?


Вернуться наверх
 
Не в сети
 Заголовок сообщения: Re: Качели для SLA
СообщениеДобавлено: Чт дек 08, 2011 15:12:48 
Друг Кота
Аватар пользователя

Карма: 28
Рейтинг сообщений: 267
Зарегистрирован: Ср сен 27, 2006 16:18:57
Сообщений: 3459
Рейтинг сообщения: 0
Asus писал(а):
я хочу машинный акамулятор заряжать!
Вообще-то эта зарядка педназначалась для маломощных SLA аккумуляторов, которые используются как источники аварийного питания. Но можно попробовать подзаряжать и автомобильные.

Asus писал(а):
разве полевик 44 не мощьнеее! я думал чем больше ціфра тем мочьнее!
Лучше всё-таки смотреть в даташит. Какой собираетесь устанавливать ток заряда?

Asus писал(а):
зачем полевик питается через два резистора? и почему их два паралельно? єто типа шунта?
Это шунт и есть :) Этими резисторами определяется максимальный ток заряда. А параллельное включение, чтобы поточнее этот самый ток выставить. Грубо ток устанавливается подбором резистора R18, а более точно - резистором R19.

Вы статью то читали? Там об этом есть:
"На транзисторах VT2 и VT3 собран стабилизатор зарядного тока."
"Подбором резистора R19 установить ток равным 700 мА"

Резистор R18 должен быть мощным - через него пилит весь зарядный ток, а падение напряжения должно быть 0,7 вольта. Номинал и мощность посчитайте сами.
Кстати, диод VD8 тоже должен быть мощным по той же причине.

Печатку Вашу не проверял, но лучше поставить конденсатор C2 как можно ближе к выводам питания микросхемы. Да и C3 C4 тоже лучше поближе к микросхеме. Да и аккумулятор лучше подключать по четырёхпроводной схеме - разделить сильноточные и слаботочные цепи, чтобы измерять напряжение непосредственно на аккумуляторе, а не падение на проводах.

И что-то я не вижу после Вашего моста большого-пребольшого сглаживающего конденсатора на несколько тысяч микрофарад. Учтите, что C1 - это не сгжаживающий, а всего лишь блокировочный конденсатор!


Вернуться наверх
 
Не в сети
 Заголовок сообщения: Re: Качели для SLA
СообщениеДобавлено: Чт дек 08, 2011 18:20:14 
Встал на лапы
Аватар пользователя

Зарегистрирован: Ср окт 06, 2010 17:00:30
Сообщений: 137
Рейтинг сообщения: 0
все, понял, есть и такие акамуляторы как в бесперебойнике, 12 вольт. Я его постоянно в бесперебойник вставляю чтоб зарядить!Значить меняю трансформатор на менее мощьный, и диодный мост по проще!

соберу отпишусь!


Вернуться наверх
 
Не в сети
 Заголовок сообщения: Re: Качели для SLA
СообщениеДобавлено: Сб дек 10, 2011 02:42:36 
Встал на лапы
Аватар пользователя

Зарегистрирован: Ср окт 06, 2010 17:00:30
Сообщений: 137
Рейтинг сообщения: 0
ЕСли то шунт вместо двух резисторов с мультиметра то в нему гдето 0.5 ом сопротивление, он 40 мм длиною!
завтра начну соберать. Как регулировать верхний и нижний порог в рабочей схеме если напряжениее будет прыгать само?


вот поправил печатку, убрал те диоды большие !


Вложения:
КАЧЕЛИ.lay [74.36 KiB]
Скачиваний: 1139
Вернуться наверх
 
Не в сети
 Заголовок сообщения: Re: Качели для SLA
СообщениеДобавлено: Сб дек 10, 2011 08:16:15 
Это не хвост, это антенна

Карма: 45
Рейтинг сообщений: 277
Зарегистрирован: Ср мар 02, 2011 20:05:39
Сообщений: 1450
Откуда: Карельский перешеек
Рейтинг сообщения: 0
Медали: 1
Получил миской по аватаре (1)
Asus писал(а):
схема в статье работоспособна?

В железе я повторял часть схемы до стабилизатора тока (без термостабилизации, правда). Эта часть работает именно так, как и описано автором.

Вашу печатную плату не смотрел, но порекомендовал бы вначале собрать только компараторы, без стабилизатора тока. Это намного упростит настройку. В идеале, я бы разбил плату на две и оставил всё-таки первый (который более мощный) трансформатор. Это даст Вам большее поле для маневра, раз у Вас несколько разных аккумуляторов.


Вернуться наверх
 
Не в сети
 Заголовок сообщения: Re: Качели для SLA
СообщениеДобавлено: Сб дек 10, 2011 11:04:42 
Друг Кота
Аватар пользователя

Карма: 28
Рейтинг сообщений: 267
Зарегистрирован: Ср сен 27, 2006 16:18:57
Сообщений: 3459
Рейтинг сообщения: 0
Asus писал(а):
...шунт вместо двух резисторов с мультиметра то в нему гдето 0.5 ом сопротивление
Что-то у меня большие сомнения, что шунт от мультиметра имеет сопротивление 0,5 Ом. :) Закон Ома мне подсказывает, что этот шунт должен быть где-то 0,01 Ом. Как измеряли сопротивление шунта?

Asus писал(а):
Как регулировать верхний и нижний порог в рабочей схеме если напряжениее будет прыгать само?
Я же в статье это написал.

Asus писал(а):
поправил печатку
По-прежнему не вижу на ней сглаживающего конденсатора после моста. Я же Вам писал:
Барсик писал(а):
И что-то я не вижу после Вашего моста большого-пребольшого сглаживающего конденсатора на несколько тысяч микрофарад. Учтите, что C1 - это не сглаживающий, а всего лишь блокировочный конденсатор!


Та схема, что в статье, питается уже сглаженным напряжением, хотя и не стабилизированным.

И прислушайтесь к советам ppp. Он дело предлагает!


Вернуться наверх
 
Не в сети
 Заголовок сообщения: Re: Качели для SLA
СообщениеДобавлено: Сб дек 10, 2011 11:31:51 
Встал на лапы
Аватар пользователя

Зарегистрирован: Ср окт 06, 2010 17:00:30
Сообщений: 137
Рейтинг сообщения: 0
большой конденсатор я думал отдельно прикрутить, ато он очень габаритный! шунт я не смог померять, не хватает точности моего прибора.
вы мне то скажите шунт подойдет?


Вернуться наверх
 
Не в сети
 Заголовок сообщения: Re: Качели для SLA
СообщениеДобавлено: Сб дек 10, 2011 12:59:13 
Друг Кота
Аватар пользователя

Карма: 28
Рейтинг сообщений: 267
Зарегистрирован: Ср сен 27, 2006 16:18:57
Сообщений: 3459
Рейтинг сообщения: 0
Asus писал(а):
не хватает точности моего прибора.
И нельзя просто так измерить сопротивление шунта. Сопротивление проводов, которыми Вы подключаете мультиметр, много больше, чем сопротивление шунта. Сопротивление шунта надо измерять иначе, но здесь это офтоп.

Сопротивление шунта для стабилизатора тока, который описан в статье, рассчитывается просто. При том самом токе, который надо стабилизировать, на шунте должно падать примерно 0,6 вольта.

Вы всё молчите, как партизан на допросе, и никак не хотите сообщить, какой аккумулятор Вы хотите заряжать. Какая номинальная ёмкость Вашего аккумулятора в ампер-часах?


Вернуться наверх
 
Не в сети
 Заголовок сообщения: Re: Качели для SLA
СообщениеДобавлено: Сб дек 10, 2011 13:23:01 
Встал на лапы
Аватар пользователя

Зарегистрирован: Ср окт 06, 2010 17:00:30
Сообщений: 137
Рейтинг сообщения: 0
Изображение

вот такой у меня есть и еще машинный на 90 ампер, я посмотрел то ирфз 44 н выдержит ток 6 а а мне больше не надо! вобще просто хотелось собрать какую то зарядку, вашая понравилась , и детали все есть!
я эти аккамуляторы просто постоянным током заряжал! ну при глубоком розряде вашая зарядка то что надо!


Вернуться наверх
 
Показать сообщения за:  Сортировать по:  Вернуться наверх
Начать новую тему Ответить на тему  [ Сообщений: 169 ]  1, , , , ...  

Часовой пояс: UTC + 3 часа


Кто сейчас на форуме

Сейчас этот форум просматривают: Ирек-электрон и гости: 35


Вы не можете начинать темы
Вы не можете отвечать на сообщения
Вы не можете редактировать свои сообщения
Вы не можете удалять свои сообщения
Вы не можете добавлять вложения

Найти:
Перейти:  


Powered by phpBB © 2000, 2002, 2005, 2007 phpBB Group
Русская поддержка phpBB
Extended by Karma MOD © 2007—2012 m157y
Extended by Topic Tags MOD © 2012 m157y