Например TDA7294

Форум РадиоКот • Просмотр темы - "Антижучок", или детектор поиска прослушивающих устройств
Форум РадиоКот
Здесь можно немножко помяукать :)

Текущее время: Пн ноя 17, 2025 10:38:04

Часовой пояс: UTC + 3 часа


ПРЯМО СЕЙЧАС:



Начать новую тему Ответить на тему  [ Сообщений: 207 ]     ... , , , 8, , ,  
Автор Сообщение
Не в сети
 Заголовок сообщения: Re: "Антижучок", или детектор поиска прослушивающих устройст
СообщениеДобавлено: Вс фев 26, 2012 14:55:02 
Это не хвост, это антенна
Аватар пользователя

Карма: 6
Рейтинг сообщений: 43
Зарегистрирован: Пт ноя 27, 2009 19:47:13
Сообщений: 1314
Откуда: Казань
Рейтинг сообщения: 0
Какое питание ВЧ части нужно? 9В хватит? Глянул datasheet BFP520 - адская вещь Изображение


Вернуться наверх
 
Не в сети
 Заголовок сообщения: Re: "Антижучок", или детектор поиска прослушивающих устройст
СообщениеДобавлено: Вс фев 26, 2012 22:48:34 
Открыл глаза

Зарегистрирован: Пн янв 24, 2011 14:54:56
Сообщений: 63
Рейтинг сообщения: 0
aen писал(а):
aen писал(а):
При приближению у жуку будет возникать акустическая обратная связь и динамик будет пищать.
Так схема вот.

Изображение

Все остальное просто сервис.

Не согласен с "сервисом". Акустконтроль это одно , а индикация другое. Если жук без УНЧ , то акустконтроль может не услышать , а ВЧ излученя индикатор покажет , и на оборот. Так , что Вы на счет сервиса наверное погарячились , а вот на счет УВЧ , и второй матрицы , согласен , оно не надо , это мое мнение.


Вернуться наверх
 
Не в сети
 Заголовок сообщения: Re: "Антижучок", или детектор поиска прослушивающих устройст
СообщениеДобавлено: Пн фев 27, 2012 11:23:08 
Открыл глаза

Зарегистрирован: Пн янв 24, 2011 14:54:56
Сообщений: 63
Рейтинг сообщения: 0
Вот на выходных сделал ,только без УВЧ , и без него чуйка будь здоров.


Вложения:
Фото0366.jpg [20.47 KiB]
Скачиваний: 746
Вернуться наверх
 
Не в сети
 Заголовок сообщения: Re: "Антижучок", или детектор поиска прослушивающих устройст
СообщениеДобавлено: Пн фев 27, 2012 11:44:36 
Это не хвост, это антенна
Аватар пользователя

Карма: 6
Рейтинг сообщений: 43
Зарегистрирован: Пт ноя 27, 2009 19:47:13
Сообщений: 1314
Откуда: Казань
Рейтинг сообщения: 0
Платкой не поделитесь? :)
Без УВЧ - значит сигнал сразу на ОУ через катушку?


Вернуться наверх
 
Эиком - электронные компоненты и радиодетали
Не в сети
 Заголовок сообщения: Re: "Антижучок", или детектор поиска прослушивающих устройст
СообщениеДобавлено: Пн фев 27, 2012 12:38:24 
Открыл глаза

Зарегистрирован: Пн янв 24, 2011 14:54:56
Сообщений: 63
Рейтинг сообщения: 0
Определитесь для начала какую схему делать будете. Потом корпус , какой есть ? Я делаю в корпусе Z-34 под 3- АА. Печатка не проблема , нарисую под корпус какой есть в наличии.posting.php?mode=reply&f=28&t=48383# P.S. Если не секрет , то для каких целей ? Если под заказ , то нужен естественно корпус , если для себя , то можно и без корпуса и на одной плате сделать с индикацией.


Вернуться наверх
 
Не в сети
 Заголовок сообщения: Re: "Антижучок", или детектор поиска прослушивающих устройст
СообщениеДобавлено: Пн фев 27, 2012 12:44:34 
Это не хвост, это антенна
Аватар пользователя

Карма: 6
Рейтинг сообщений: 43
Зарегистрирован: Пт ноя 27, 2009 19:47:13
Сообщений: 1314
Откуда: Казань
Рейтинг сообщения: 0
Вот ЭТУ, но только с десятком светиков на одной lm3914. Делаю для себя. Использую корпус от секундомера, места по площади немного, думал на модули разбить. Питание для УВЧ 9В ?


Вернуться наверх
 
Не в сети
 Заголовок сообщения: Re: "Антижучок", или детектор поиска прослушивающих устройст
СообщениеДобавлено: Пн фев 27, 2012 15:43:32 
Открыл глаза

Зарегистрирован: Пн янв 24, 2011 14:54:56
Сообщений: 63
Рейтинг сообщения: 0
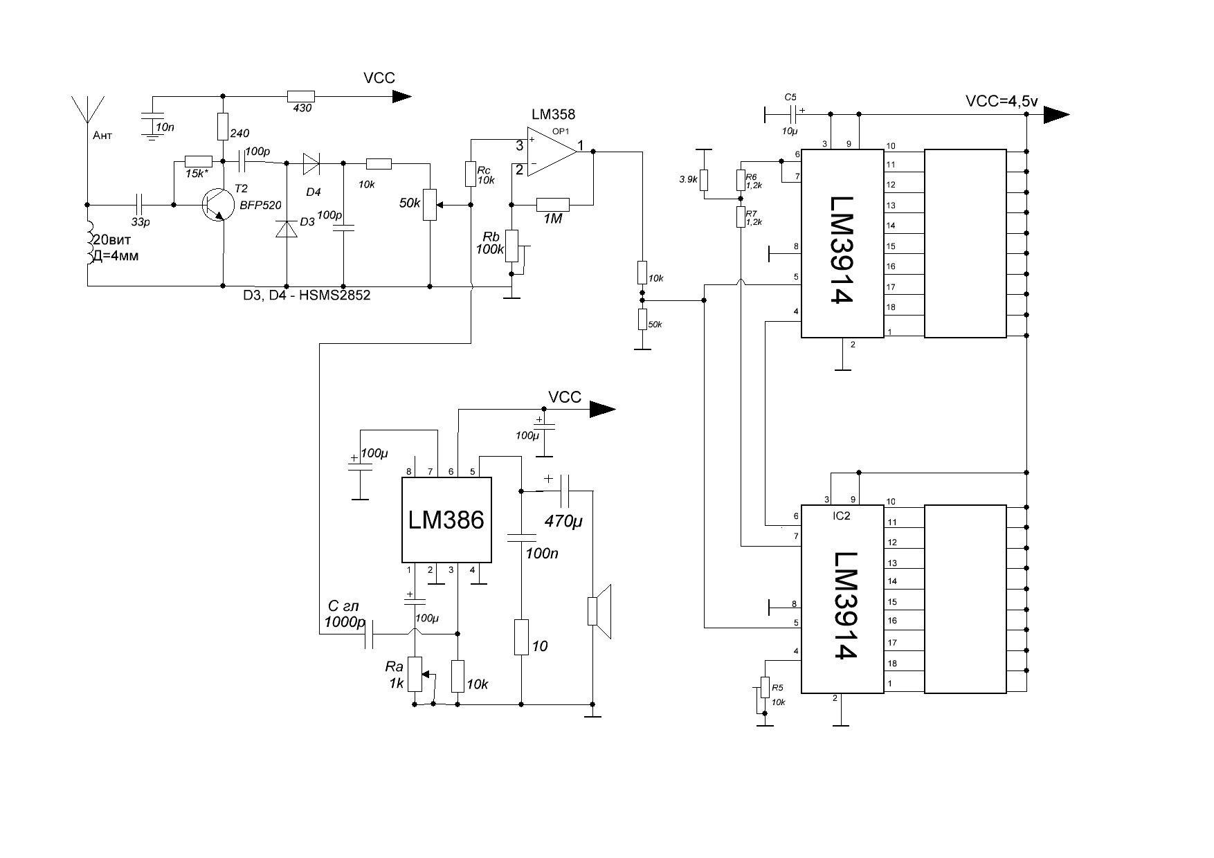
УВЧ в схеме НЕ НУЖНО! Питание 4.5 В , я же писал. И самое главное диодная сборка HSMS2852 или два диода HSMS2850. Схему будешь собирать в DIP или SMD ?


Вложения:
ИНДИКАТОР.png [73.02 KiB]
Скачиваний: 749
Вернуться наверх
 
Не в сети
 Заголовок сообщения: Re: "Антижучок", или детектор поиска прослушивающих устройст
СообщениеДобавлено: Пн фев 27, 2012 16:24:48 
Это не хвост, это антенна
Аватар пользователя

Карма: 6
Рейтинг сообщений: 43
Зарегистрирован: Пт ноя 27, 2009 19:47:13
Сообщений: 1314
Откуда: Казань
Рейтинг сообщения: 0
lm3914,lm386 - dip,lm358 - smd. Просто этот адский транзюк для УВЧ я уже купил, может сделать его,но как отключаемый модуль. Ни диодов, ни сборок диодных я не нашел по городу. Чем их более доступным можно заменить? Или есть какие-нибудь замены в старых МП, завалялась у меня тут одна.


Вернуться наверх
 
Не в сети
 Заголовок сообщения: Re: "Антижучок", или детектор поиска прослушивающих устройст
СообщениеДобавлено: Пн фев 27, 2012 17:24:39 
Открыл глаза

Зарегистрирован: Пн янв 24, 2011 14:54:56
Сообщений: 63
Рейтинг сообщения: 0
Попробуй найти спутниковую головку , там вроде должны быть , я лично не смотрел , но на форуме читал что находили именно там. Просто вся фишка именно в этих диодах.


Вернуться наверх
 
Не в сети
 Заголовок сообщения: Re: "Антижучок", или детектор поиска прослушивающих устройст
СообщениеДобавлено: Пн фев 27, 2012 18:31:44 
Это не хвост, это антенна
Аватар пользователя

Карма: 6
Рейтинг сообщений: 43
Зарегистрирован: Пт ноя 27, 2009 19:47:13
Сообщений: 1314
Откуда: Казань
Рейтинг сообщения: 0
jersey писал(а):
Просто вся фишка именно в этих диодах.


На каком-то форуме я давным-давно уже слышал эту фразу...:)
Да, буду думать, где достать.


Вернуться наверх
 
Не в сети
 Заголовок сообщения: Re: "Антижучок", или детектор поиска прослушивающих устройст
СообщениеДобавлено: Пн фев 27, 2012 18:48:00 
Открыл глаза

Зарегистрирован: Пн янв 24, 2011 14:54:56
Сообщений: 63
Рейтинг сообщения: 0
http://vrtp.ru/index.php?act=Attach&type=post&id=275196Я когда то хотел собрать вот эту схемку , даже плату сделал , там диоды по скромнее , посмотри. P.S. Я на выходных поеду на рынок за деталями , в том числе и за диодами , может как то тебе в конверте переслать или как, даже и не знаю?


Вернуться наверх
 
Не в сети
 Заголовок сообщения: Re: "Антижучок", или детектор поиска прослушивающих устройст
СообщениеДобавлено: Пн фев 27, 2012 19:12:11 
Это не хвост, это антенна
Аватар пользователя

Карма: 6
Рейтинг сообщений: 43
Зарегистрирован: Пт ноя 27, 2009 19:47:13
Сообщений: 1314
Откуда: Казань
Рейтинг сообщения: 0
Было бы неплохо, а то у нас их даже под заказ нет :(
А вы где живете, как мне оплатить?

Кстати, на счет чувствительности. Жуки какой мощности вам удалось поймать без УВЧ?


Вернуться наверх
 
Не в сети
 Заголовок сообщения: Re: "Антижучок", или детектор поиска прослушивающих устройст
СообщениеДобавлено: Пн фев 27, 2012 20:10:23 
Открыл глаза

Зарегистрирован: Пн янв 24, 2011 14:54:56
Сообщений: 63
Рейтинг сообщения: 0
Я живу в Киеве. По поводу чувствительности , например ШМЕЛЯ прибор видит в любой точке комнаты (это не при полной чувствительности) , с УВЧ я сделал только первый прибор , потом все остальные без УВЧ , не надо тот УВЧ , намучишься только с ним , наводки и тд и тп плюс надо будет все это дело в медный саркофаг засунуть. Я еще раз хочу спросить , для какой цели нужен прибор , если для настройки жука ,то он не очень удобный , лучше обычный индикатор , ну а если цель - обнаружение , тогда да , эта штука в самый раз.


Вернуться наверх
 
Не в сети
 Заголовок сообщения: Re: "Антижучок", или детектор поиска прослушивающих устройст
СообщениеДобавлено: Вт фев 28, 2012 06:57:20 
Это не хвост, это антенна
Аватар пользователя

Карма: 6
Рейтинг сообщений: 43
Зарегистрирован: Пт ноя 27, 2009 19:47:13
Сообщений: 1314
Откуда: Казань
Рейтинг сообщения: 0
Да, изничально планировался для обнаружения. Например, Колибри 1.5В он найдет?
Ладно, придется этого этому адовому транзистору пока в ящике полежать.
Жалко, что вы далеко живете :(


Вернуться наверх
 
Не в сети
 Заголовок сообщения: Re: "Антижучок", или детектор поиска прослушивающих устройст
СообщениеДобавлено: Ср фев 29, 2012 18:33:05 
Это не хвост, это антенна
Аватар пользователя

Карма: 6
Рейтинг сообщений: 43
Зарегистрирован: Пт ноя 27, 2009 19:47:13
Сообщений: 1314
Откуда: Казань
Рейтинг сообщения: 0
Мне тут знакомый вот что сказал :
"Занимаетесь ерундой, если честно. Пользы от таких устройст не так чтобы много. По аккустической завязке ловит только АМ и косые самодельные ЧМ-передатчики. Остальное видит просто как некоторый уровень сигнала. Только если делать нечего и попаять охота. Поэтому д9б вполне пойдут, не испортив функционала."
Что думаете по этому поводу?


Вернуться наверх
 
Не в сети
 Заголовок сообщения: Re: "Антижучок", или детектор поиска прослушивающих устройст
СообщениеДобавлено: Ср фев 29, 2012 19:53:02 
Друг Кота
Аватар пользователя

Карма: 64
Рейтинг сообщений: 1102
Зарегистрирован: Ср ноя 17, 2010 23:10:55
Сообщений: 5837
Откуда: Ижевск LO66NU
Рейтинг сообщения: 0
Д311, ГД507...

_________________
В начале жизнь мучает вопросами, в конце - ответами...


Вернуться наверх
 
Не в сети
 Заголовок сообщения: Re: "Антижучок", или детектор поиска прослушивающих устройст
СообщениеДобавлено: Ср фев 29, 2012 23:27:02 
Открыл глаза

Зарегистрирован: Пн янв 24, 2011 14:54:56
Сообщений: 63
Рейтинг сообщения: 0
По аккустической завязке ловит только АМ и косые самодельные ЧМ-передатчики. Остальное видит просто как некоторый уровень сигнала. Даже если и так-А ЧТО , ЕЩЕ НУЖНО?????????????


Вернуться наверх
 
Не в сети
 Заголовок сообщения: Re: "Антижучок", или детектор поиска прослушивающих устройст
СообщениеДобавлено: Ср фев 29, 2012 23:33:06 
Мудрый кот
Аватар пользователя

Карма: 14
Рейтинг сообщений: 230
Зарегистрирован: Пн янв 12, 2009 01:59:20
Сообщений: 1815
Откуда: Россия.
Рейтинг сообщения: 0
НАПАЛМ писал(а):
По аккустической завязке ловит только АМ
Ерунду какую то сказал.
НАПАЛМ писал(а):
Поэтому Д9Б вполне пойдут
А это даже комментировать не имеет смысла.


Вернуться наверх
 
Не в сети
 Заголовок сообщения: Re: "Антижучок", или детектор поиска прослушивающих устройст
СообщениеДобавлено: Ср фев 29, 2012 23:39:26 
Открыл глаза

Зарегистрирован: Пн янв 24, 2011 14:54:56
Сообщений: 63
Рейтинг сообщения: 0
Я уже писал о чуйке этого прибора , Шмеля индикатор показывает с 6 метров, это какой д9Б даст такую чуйку?


Вернуться наверх
 
Не в сети
 Заголовок сообщения: Re: "Антижучок", или детектор поиска прослушивающих устройст
СообщениеДобавлено: Чт мар 01, 2012 00:26:01 
Открыл глаза

Зарегистрирован: Пн янв 24, 2011 14:54:56
Сообщений: 63
Рейтинг сообщения: 0
Я конечно не с кем спорить не буду , но если бы в схемах где стоят HSMS2852 - пихать д9Б , где те же BFR93 - менять на КТ315 , и все это дело работало так как надо , то было бы просто о.....о! P.S. Против д9 и КТ315 ничего плохого сказать не могу , это ЛЕГЕНДАРНЫЕ детали , но не надо их совать куда попало.


Вернуться наверх
 
Показать сообщения за:  Сортировать по:  Вернуться наверх
Начать новую тему Ответить на тему  [ Сообщений: 207 ]     ... , , , 8, , ,  

Часовой пояс: UTC + 3 часа


Кто сейчас на форуме

Сейчас этот форум просматривают: нет зарегистрированных пользователей и гости: 16


Вы не можете начинать темы
Вы не можете отвечать на сообщения
Вы не можете редактировать свои сообщения
Вы не можете удалять свои сообщения
Вы не можете добавлять вложения

Найти:
Перейти:  


Powered by phpBB © 2000, 2002, 2005, 2007 phpBB Group
Русская поддержка phpBB
Extended by Karma MOD © 2007—2012 m157y
Extended by Topic Tags MOD © 2012 m157y